FERM AGM1088 Angle Grinder User Manual

Contents
Introduction
Thank you for buying this Ferm product.
By doing so you now have an excellent product, delivered by one of Europe’s leading suppliers.
All products delivered to you by Ferm are manufactured according to the highest standards of performance and safety.
As part of our philosophy we also provide an excellent customer service, backed by our comprehensive warranty.
We hope you will enjoy using this product for many years to come.
SAFETY WARNINGS
![]() |
WARNING Read the enclosed safety warnings, the additional safety warnings and the instructions. Failure to follow the safety warnings and the instructions may result in electric shock, fire and/or serious injury. Keep the safety warnings and the instructions for future reference. |
The following symbols are used in the user manual or on the product:
![]() |
Read the user manual. |
![]() |
Risk of personal injury |
![]() |
Risk of electric shock. |
![]() |
Immediately remove the mains plug from the mains if the mains cable becomes damaged and during cleaning and maintenance. |
![]() |
Risk of flying objects. Keep bystanders away from the work area. |
![]() |
Wear safety goggles. Wear hearing protection. |
![]() |
Wear safety gloves. |
![]() |
Do not press the spindle lock button while the motor is running. |
![]() |
Risk of fire. |
![]() |
Double insulated. |
![]() |
Do not dispose of the product in unsuitable containers. |
![]() |
The product is in accordance with the applicable safety standards in the European directives. |
Additional safety warnings for angle grinders
- The machine has been designed for use as a grinder or cut-off machine.
The machine is not suitable for operations such as sanding, wire brushing, polishing, etc.
Risk of personal injury. - Do not use accessories which are not specifically designed and recommended by the manufacturer.
Risk of personal injury. - Inspect the machine and the accessories before each use.
Do not use accessories which are bent, cracked, or otherwise damaged.
If the machine or one of the accessories is dropped, inspect the machine or the accessory for damage.
If necessary, replace the accessory. - Let the machine run at no load in a safe area after mounting the accessories.
If the machine vibrates strongly, immediately switch off the machine, remove the mains plug from the mains, and try to solve the problem. - Make sure that the maximum speed for the grinding disc is larger than or the same as the maximum speed of the machine.
Refer to the rating plate on the machine. - Only use grinding discs with the correct thickness and outside diameter.
Refer to the rating plate on the machine. - Make sure that spindle diameter of grinding discs, spacers, tension nuts, etc. correspond to the diameter of the spindle on the machine.
- Make sure that the grinding disc is properly mounted.
Do not use adapters or other aids to mount grinding discs with another spindle diameter. - Only use grinding discs that are recommended by the manufacturer.
Only use guards that are specifically designed for the grinding disc. - Only use grinding discs that are suitable for the application.
For example: do not grind with the side of a cut-off disc. - Do not use the machine without the guard.
Securely mount the guard for maximum safety.
Make sure that the user is protected from the grinding disc as much as possible. - Make sure that the workpiece is properly supported or fixed.
- Wear safety goggles. Wear hearing protection. Wear a dust mask.
If necessary, use other protective means, such as safety gloves, safety shoes, etc.
Risk of personal injury. - Keep bystanders away from the work area.
Make sure that all persons in the work area wear protective equipment.
Risk of personal injury. - Keep the mains cable away from the rotating grinding disc.
If the mains cable touches the rotating grinding disc, your hands or arms may come in contact with the grinding disc.
Risk of personal injury. - Hold the machine by the insulated gripping surfaces where the grinding disc may contact hidden wiring or the mains cable.
If the grinding disc contacts a ’live’ wire, the exposed metal parts of the machine can also become ’live’. Risk of electric shock. - Do not use the machine while carrying it at your side. Risk of personal injury.
- Do not use the machine on workpieces requiring a maximum grinding depth that exceeds the maximum grinding depth of the grinding disc.
- Do not use accessories that require liquid coolants.
Risk of electric shock. - Do not use the machine near flammable materials. Risk of fire.
- Do not work materials containing asbestos.
Asbestos is considered carcinogenic. - Do not work metal with a magnesium content of more than 80%.
- Beware that the grinding disc continues to rotate for a short period after switching off the machine.
Do not attempt to bring the grinding disc to a standstill yourself. - Never put the machine down on a table or a workbench before it has been switched off.
- Regularly clean the ventilation slots.
Risk of electric shock.
Kickback is a sudden reaction to a pinched, bound or twisted grinding disc, which causes the machine to lift up and out of the workpiece towards the user.
If the grinding disc is pinched or bound tightly by the cut, the grinding disc jams and the machine is rapidly driven back towards the user.
If the grinding disc is twisted in the cut, the back edge of the grinding disc can dig into the top surface of the workpiece, which causes
the grinding disc to climb out of the cut and jump back towards the user.
Kickback is the result of incorrect use of the machine and/or incorrect operating procedures or conditions.
Kickback can be avoided by taking proper precautions:
- Firmly hold the machine with both hands.
Position your arms to resist kickback forces.
Position your body to either side of the grinding disc, but not in line with the grinding disc.
Kickback can cause the grinding disc to jump backwards.
If proper precautions are taken, kickback forces can be controlled by the user. - Be extra careful when using the machine on corners, sharp edges, etc.
Make sure that the grinding disc does not become jammed.
Risk of kickback. - If the grinding disc jams or if you interrupt a cut for any reason, release the on/off switch and hold the machine motionless in the
material until the grinding disc comes to a complete standstill.
Never attempt to remove the machine from the workpiece or pull the machine backward while the grinding disc is in motion.
Risk of kickback. - Do not use blunt or damaged grinding discs.
Unsharpened or incorrectly mounted grinding discs produce narrow cuts, which causes excessive friction and kickback and increases the risk of the grinding discs becoming jammed. - Do not use toothed saw blades.
Do not use woodcarving blades for saw chains.
Risk of personal injury
Electrical safety
![]() |
Always check that the voltage of the power supply corresponds to the voltage on the rating plate. |
- Do not use the machine if the mains cable or the mains plug is damaged.
- Only use extension cables that are suitable for the power rating of the machine with a minimum thickness of 1.5 mm2.
If you use a extension cable reel, always fully unroll the cable.
Technical data
| Mains voltage | 230-240 V~ |
| Mains frequency | 50 Hz |
| Power input | 2500 W |
| No-load speed | 6500/min |
| Grinding disc | |
| Diameter | 230 mm |
| Bore | 22.2 mm |
| Spindle thread | M14 |
| Weight | 5.78 kg |
| Noise and vibration | |
| Sound pressure (Lpa) (K=3dB) | 93 dB(A) |
| Acoustic power (Lwa) (K=3dB) | 104 dB(A) |
| Vibration (K=1.5 m/s2 ) | 6.46 m/s |
Vibration level
The vibration emission level stated in this instruction manual has been measured in accordance with a standardized test given in EN 60745; it may be used to compare one tool with another and as a preliminary assessment of exposure to vibration when using the tool for the applications mentioned
- using the tool for different applications, or with different or poorly maintained accessories, may significantly increase the exposure level
- the times when the tool is switched off or when it is running but not actually doing the job, may significantly reduce the exposure level
Protect yourself against the effects of vibration by maintaining the tool and its accessories, keeping your hands warm, and organizing your work patterns
![]() |
Wear hearing protection. |
DESCRIPTION (FIG. A)
Your angle grinder has been designed for grinding and cutting masonry and steel.
- On/off switch
- Spindle lock button
- Spindle
- Guard
- Main grip
- Auxiliary grip

ASSEMBLY
![]() |
Before assembly, always switch off the machine and remove the mains plug from the mains. |
Mounting and removing the guard & grinding disc (fig. B)

![]() |
Do not use the machine without the guard |
Mounting
- Place the machine on a table with the spindle (3) facing upwards.
- Keep the spindle lock button (2) pressed and remove the flange (7) using the flange key (8).
- If necessary, remove the grinding disc (9).
- Remove the flange (10).
- Mount the guard (4). Secure the guard (4) by tightening the screw (11) and the nut (12).
- Mount the flange (10).
- If necessary, mount the grinding disc (9).
- Keep the spindle lock button (2) pressed and mount the flange (7) using the flange key (8).
Removing
- Place the machine on a table with the spindle (3) facing upwards.
- Keep the spindle lock button (2) pressed and remove the flange (7) using the flange key (8).
- If necessary, remove the grinding disc (9).
- Remove the flange (10).
- Remove the guard (4) by loosening the screw (11) and the nut (12).
- Mount the flange (10).
- If necessary, mount the grinding disc (9).
- Keep the spindle lock button (2) pressed and mount the flange (7) using the flange key (8).
Mounting and removing the auxiliary grip (fig. C)

Mounting
- Tighten the auxiliary grip (6) into one of the mounting holes (13).
Removing
- Loosen the auxiliary grip (6) from the mounting hole (13).
USE
Switching on and off (Fig. A)
- To switch the machine on, press the lock-off button (1a) to the front and then press the On/ off switch (1b).
- To switch the machine off, release the On/off switch (1b).
CLEANING AND MAINTENANCE
![]() |
Before cleaning and maintenance, always switch off the machine and remove the mains plug from the mains. |
- Regularly clean the housing with a soft cloth.
- Keep the ventilation slots free from dust and dirt.
If necessary, use a soft, moist cloth to remove dust and dirt from the ventilation slots.
![]() |
Only use sharp and undamaged grinding discs. |
Carbon brushes
If the carbon brushes are worn, the carbon brushes must be replaced by the customer service department of the manufacturer or a
similarly qualified person.
WARRANTY
Consult the enclosed warranty terms.
ENVIRONMENT
Disposal
The product, the accessories, and the packaging must be sorted for environmentally friendly recycling.
Only for EC countries
Do not dispose of power tools into domestic waste. According to the European Guideline 2012/19/EU for Waste Electrical and Electronic Equipment and its implementation into national right, power tools that are no longer usable must be collected separately and disposed of in an environmentally friendly way.
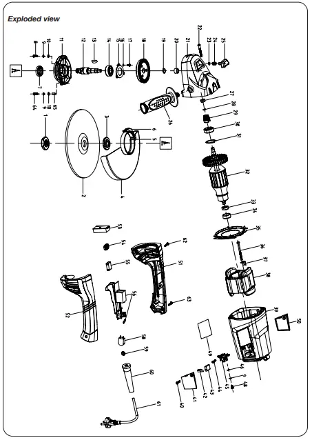
Spare parts list
| No. | Description | Position |
| 503312 | Outer flange | 1 |
| 503313 | Inner flange | 3 |
| 503314 | Open guard complete | 4..6 |
| 503315 | Spindle bearing | 14 |
| 503316 | Big gear | 18 |
| 503317 | Needle bearing | 20 |
| 503318 | Gearbox | 21 |
| 503319 | Side handle | 26 |
| 503320 | Front rotor bearing | 30 |
| 503321 | Rotor | 32 |
| 503322 | Stator | 38 |
| 503323 | Carbon brush cap ( 2 pcs ) | 41 |
| 503324 | Carbon brush set ( 2 pcs ) | 43 |
| 503325 | Carbon brush holder set complete ( 2 pcs ) | 42, 44, 45 |
| 503326 | soft start | 53 |
| 503327 | Switch | 56 |
| 503328 | Power light | 58 |
| 503329 | Shaft + wedge | 12, 13 |
| 503330 | Spindel lock | 23..25 |
| 503331 | Pinion gear + nut | 27..29 |
| 503332 | Rear rotor bearing + Sleeve | 33, 34 |
| 503333 | Disc exchange wrench |

DECLARATION OF CONFORMITY
AGM1088 – ANGLE GRINDER
We declare under our sole responsibility that this product is in conformity with directive 2011/65/EU of the European parliament and of the council of 8 June on the restriction of the use of certain hazardous substances in electrical and electronic equipment is in conformity and accordance with the following standards and regulations:
- EN 60745-1,
- EN 60745-2-3,
- EN 55014-1,
- EN 55014-2,
- EN 61000-3-2,
- EN 61000-3-3,
- 2006/42/EC,
- 2011/65/EU,
- 2012/19/EU,
- 2014/30/EU
Zwolle, 01-02-2021

Zwolle, 01-02-2021












