
REFRIGERATOR
OWNER’S MANUAL
MODEL
MT35F-G4ND-V
MT45F-G4ND-V
MT60F-G4D-V
MT80F-G4D-V
![]()
Contents
MT35F-G4ND-V Chest Fridge Freezer
Thank you for purchasing an ENGEL refrigerator. Read this manual carefully before starting to use it. Keep this manual in a safe place for future reference. If the product is resold, this operating manual must accompany it.
Explanation of symbols
The following symbols are used in this OWNER’S MANUAL or the refrigerator.
| WARNING | Failure to observe this instruction can cause fatal or serious injury. |
| CAUTION | Failure to observe this instruction can lead to injury. |
| NOTICE | Failure to observe this instruction can cause material damage and impair the function of the product. |
| WARNING | Risk of fire insulation blowing gas. (CYCLOPENTANE) |
Safety instructions
Read this manual carefully before starting to use the refrigerator.
These instructions are safety measures for preventing accidents.
WARNING
- This refrigerator can be used by children age 8 and above and persons with reduced physical, sensory or mental capabilities or lack of experience and knowledge if they have been given supervision or instruction concerning the use of the refrigerator in a safe way and understand the hazards involved.
- Children shall not play with the refrigerator. Always keep and use the refrigerator out of the reach of children.
- Cleaning and user maintenance shall not be made by children without supervision.
- Do not store explosive substances such as aerosol cans with a flammable propellant in this refrigerator.
- Never expose the refrigerator to rain.
- The refrigerator is suitable for camping use.
- Do not put a water-filled container. Water if spilled will degrade the insulation of electric components and may lead to a fire from electric leak.
- If the cable is damaged, it must be replaced to prevent the possibility of electric shock. It must be replaced with a new cord (ENGEL genuine products).
- Do not touch the inside and other metal parts of the cabinet with wet hands, as this may cause frostbite.
- Do not contact metal parts with positive terminal of battery.
- Cyclopentane is used as in the insulation. The gases in insulation material require a special disposal procedure with the applicable disposal regulations.
- Never disassemble the refrigerator by yourself. Inadequate repairs may lead to considerable hazards.
- To avoid burnout of wiring from battery to the refrigerator when a short circuit, install a 10A fuse in the wiring circuit, nearby the battery.
- Use the DC cord originally accompanying the refrigerator when operating it on DC. Be sure to fully insert the cigarette lighter plug into the socket. Failure to do so may lead to distortion of the socket and/or a fire due to overheating from loose connection.
- When replacing a fuse equipped inside the cigarette lighter socket, always use the Engel-exclusive fuse for replacement. Never use a wire or a lead instead. Doing so may lead to a fire from overheating.
- The fuse equipped inside the cigarette lighter plug has a direction indicated by the arrow printed on it. Make sure the arrow points to the right direction when replacing the fuse. Failing to do so would not let the fuse to blow when overheating, resulting in deformation of the plug and/or a fire.
- When the cigarette lighter plug comes in contact with water or salty substance, be sure to thoroughly wipe it off. Take extra caution when wiping off the head terminal of the plug. Water and salty substance, if remained on the tip of the cigarette lighter plug, will result in rust, causing poor conductivity and abnormal overheating and possibly lead to deformation of the plug and/or a fire.
- Do not touch the metal tip of the cigarette lighter plug. The whole body of the cigarette lighter plug becomes hot during operation even if the plug is securely inserted into the socket. The metal tip in particular will become hot enough to burn your finger.
- This refrigerator runs on both AC i.e. from wall outlet and DC such as battery. Do not attempt to run it on any voltage above the specified voltage, nor use it with any power source not specified here. Failing to comply will result in product failure or lead to a fire.
- When operating on AC, do not plug in to an extension cable or put too many plugs into one socket. Failure to comply will result in electric shock or a fire.
- When operating on AC, be sure to plug in securely. Poor connection will result in electric shock or a fire.
- Clean the AC cord plug to remove dust from the terminals and their base. Dust on the plug will lead to a fire or electric shock from degraded insulation.
- Do not attempt to hang on the refrigerator door. Do not sit on the refrigerator while the door is open. Doing so may lead to injuries due to tumbled refrigerator or your fingers being caught in the door.
- Do not put heavy objects on the refrigerator. Doing so may lead to injury from falling objects when the door opens.
- Be sure that no part of the refrigerator body is pushing its power cable to bend it hard. The cable, when bent hard, may get damaged and lead to overheating and a fire.
- When positioning the appliance, ensure the supply cord is not trapped or damaged.
- Do not locate multiple portable socket-outlets or portable power supplies at the rear of the appliance.
- Avoid using flammable sprays near the refrigerator. The electrical contacts may catch a fire.
- When using the refrigerator in a trunk of the car, keep adequate ventilation. Failing to do so may overheat and damage the refrigerator and possibly lead to a fire.
- Do not store objects that require precise temperature control such as medicine and scientific specimens. This refrigerator is not suited to store such types of objects.
- When there is a leak of utility gas around you, do not touch the refrigerator or its cable plug. Open the windows and maintain good ventilation. Failing to do so may lead to a fire and/or a burn from explosion.
- When operating on a floor, securely fix the refrigerator so that it would not fall and cause injuries when encountering vibration such as earth quake.
- While the refrigerator is in operation, do not use a quick charger to charge the battery that is supplying power to the refrigerator. The high voltages generated from the charger may damage the refrigerator and lead to a fire.
- Do not damage or modify or bend hard or pull or twist or bundle the power cable. Do not have the power cable caught under or pinched with heavy objects. Doing so may damage the cable and possibly lead to a fire or electric shock.
- Do not use the refrigerator if its power cable is damaged or the catch of its plug is loose. Failing to comply may lead to an electric shock or short or fire.
- Do not use the refrigerator near a heated object or gas equipment. Doing so not only reduces cooling performance but would cause a fire when leakage of the utility gas.
CAUTION
- Disconnect the refrigerator from the AC before cleaning and servicing it as well as after each use.
- Pay due attention to the polarity of the cigarette lighter plug; the center terminal must be connected to the positive line while the side contacts to the negative or earth.
- Be careful not to drop the refrigerator when carrying it. The refrigerator will be damaged if dropped and may also lead to injuries of yourself.
- Do not put fingers between the lid and body of the refrigerator. Doing so may lead to injuries when the door closes.
- Do not put living things such as pets in the refrigerator.
- Do not attempt to open or close the refrigerator door while driving a car. It may lead to an accident due to distracted driving.
- This refrigerator is suitable for cooling food. If you wish to cool medicines, check if the cooling capacity of the refrigerator is enough.
- Never use a battery charger or transformer or rectifier or battery eliminator or AC/DC converter to power the refrigerator. Doing so may damage the refrigerator.
- Never connect the refrigerator directly to an engine generator set regardless of whether its output is AC or DC. Doing so will lead to poor cooling and may also damage the refrigerator due to the high voltages and surge pulse from the generator set. Utilize an automatic voltage regulator for the refrigerator. Contact your ENGEL dealer if there is any question regarding the use of engine generator set to power the refrigerator.
- The pair of handles accompanying the refrigerator shall be securely fixed to the refrigerator. Poor installation may lead unexpectedly dropping the refrigerator during transportation, which may result in damage to or failure of the refrigerator and possible cause of injuries.
- Do not put a bagged cold pack whose inner material is leaking. Some of off-the-shelf bagged ice packs contain a type of chemical that corrodes the metal parts of the refrigerator. If such chemical is spilled in the refrigerator interior, wipe it off with a wet, soft cloth and wipe off again with a dry cloth.
- It is recommended to turn off the refrigerator when the vehicle engine is shut off so as to keep the battery from running out.
- Take extra caution when transporting the refrigerator.
- If you wish to install and continuously use the refrigerator in a vehicle for commercial purposes, permanent vehicle installation and wiring is recommended as it would keep the cigarette lighter plug from being overheated and deformed. Refer to 6.2.2 Onboard direct wiring with optional kit also consult the Engel dealer nearest to you as needed.
NOTICE
- Check if the voltage noted on the type plate on the refrigerator matches the one applied by an external power source.
- If the voltage at the DC input terminals of the refrigerator falls below 11V, cooling performance will immediately decrease. Always keep the battery in good condition to ensure it is fully charged.
- Do not pull the wire of the cigarette lighter plug to when removing it from the socket.
- If used onboard a vehicle, fix the refrigerator firmly to the interior of the vehicle. Failing to do so may lead to injuries from a falling or moving fridge during abrupt acceleration and braking.
- Never use this refrigerator inside a refrigerated compartment of a refrigeration truck, where condensation easily occurs and water would drip onto the refrigerator and damage it.
- Careful putting glass bottles in the refrigerator. This may result in breakage of bottles due to external shock or vibration.
- Do not set the temperature setting knob at “5” except when storing frozen products such as frozen food, ice cream and ice. Doing so may result not only in beverages being undrinkable but explosion of cans and possible injuries.
- Do not use a knife, a screwdriver or any sharp object to remove frost from the refrigerator.
- Do not pour water in the refrigerator. Doing so will result in failure from water ingress into the insulation material or mechanical and electrical components. If water collects in the cabinet, wipe it off with a soft cloth.
- The refrigerator needs an adequate ventilation for optimized cooling performance. Insufficient space between the refrigerator and adjacent walls may reduce the cooling performance.
- To keep the battery from running out, unplug the cigarette lighter socket of the vehicle when the refrigerator is not in use.
- Food shall be kept in its original package or put in other suitable container when stored in the refrigerator.
- Overstuffing the refrigerator will result in insufficient cooling from poor circulation of cool air and may spoil the stored foods. Keep some spaces between the foods.
- Hot or warm food such as boiled product shall be stored after it gets cool enough.
- It is recommended to pack watery food or products with excessive fragrance when putting in the refrigerator.
- Pre-cool the food and drinks before putting into the refrigerator. This refrigerator is not capable of cooling food and drink in a short time. It is also recommended to pre-cool inside the refrigerator cabinet before putting in any food.
- When the refrigerator is in operation, do not touch food or its containers, especially those made of metal, stored there with a wet hand. Doing so may lead to frostbite or other injury.
Intended use
The refrigerator is suitable for use in cars, boats, caravans or RVs and is designed to operate an angle of less than 30°off level.
Controller and display
| ■ MT35F-G4ND-V, MT45F-G4ND-V |
■ MT60F-G4D-V, MT80F-G4D-V |

■ Terminal Housing

■ Temperature setting
Temperature range – Achievable temperature from -18 to 10°C, The setting temperature is displayed when the LED starts blinking.
The current temperature at the centre of the fridge will be displayed once the LED lights up. When the “KNOB” is turned, the setting temperature will continuously change the range of the temperature. After pre-setting the temperature, the LED display will stop blinking (after a few seconds), indicating the temperature has been set (locked).

SELECTING TEMPERATURES (°C or °F )
It is possible to select between Centigrade of Fahrenheit with your ENGEL.When the ” MODE ” button is pressed once, the display will blink and display the temperature the unit has been set too.
The temperature can be changed from °C to °F by pressing whilst the display is blinking the ” SELECT ” button. After pre-setting the temperature, or changing from °C to °F , the LED display will stop blinking (after few seconds), indicating the temperature has been set (locked).
Installation and Ventilation
The refrigerator shall be used in a dry area where there is no chance of being exposed to water splash or other types of liquids or direct sunlight or heat conducted from hot pipes, warm air outlets, cookers, etc.
The refrigerator should be positioned and secured on a solid surface in the vehicle.
Keep the refrigerator away from direct sunlight or a gas stove or heater or heat generating refrigerator.
Avoid installing your refrigerator close to hot water lines or warm air ducts.
Adequate ventilation and suitable distance from each wall (at least 150 mm) will enable optimized cooling performance and minimized power consumption.
Operation
Connect only to either of the following power sources:
- 220-240V AC from wall outlet (the mains)
- 12V or 24V DC battery.
AC and DC voltages may be connected simultaneously, when AC will be automatically selected if both voltages are applied.
NOTICE
Before starting to use your new refrigerator, its interior as well as exterior shall be thoroughly cleaned with a wet cloth to avoid hygiene issue.
6.1 Connection to 220V-240V AC
This refrigerator can be connected to a standard domestic power source by using the three-core lead accompanying the refrigerator.
Insert the plug into the input terminal housing on the refrigerator.
Next, set the temperature setting knob to “0” (OFF). Then, set it anywhere between 1 and 5. Turn the temperature setting knob to a required setting.
6.2 Connection to 12V or 24V DC battery
Make sure the battery voltage matches with the voltage stated on the refrigerator label. If the battery voltage is too high it will damage the refrigerator.
CAUTION
The refrigerator must be set to “0” (OFF) before connection to a DC power source.
6.2.1 Connection to 12V DC cigarette lighter socket
Insert the square moulded DC plug into the terminal housing on the refrigerator.
The other end of the cable has a cigarette lighter plug.
Ensure that the cigarette lighter socket is clean and free from dust, corrosion or other foreign objects.
To change the plug head type, refer to (Fig.1) below.

Insert the plug securely into the cigarette lighter socket to prevent it from coming loose. Loose connection may result in overheating which will damage the cigarette lighter socket.
First, set the temperature setting knob to “0” (OFF). Then, set it anywhere between 1 and 5. Turn the temperature setting knob a required setting.
To stop the refrigerator, remove the cigarette lighter plug from the socket.
CAUTION
The center terminal of the plug must be connected to the positive line while the side contacts to the negative or earth.
If reversely connected, the fuse in the plug will blow and the refrigerator will become inoperable until the fuse is replaced.
6.2.2 Onboad direct wiring with optional kit
- Twisting lead wire
To further reduce the radio interference during DC operation, twist the negative and positive cables (use separate cables) together into a spiral form, between the battery and the DC outlet socket. - Connecting refrigerator directly to battery
Any switches and lead wires for other electrical equipment should not be shared with the wiring between the refrigerator and the battery. Other equipment can generate high voltage pulses which may cause transistor damage to the refrigerator power supply. (See Fig.2)

- To prevent radio noise and avoid absorbing high surge frequency, insert a capacitor of 10000μ-F as shown in (Fig.3) below.

- Selecting the correct gauge for wiring is important to avoid voltage drop. Follow the chart below when wiring the refrigerator to the battery.
Distance between product and battery Wire Gauge DC 12 VOLT USE DC 24 VOLT USE Less than 6m (191t.) SWG#16 (AWG#14)
/ 2.1mm2 or moreSWG#18 (AWG#16) / 1.25mm2 or more From 6m (19ft.) to 10m (32ft.) SWG#14 (AWG#12)
/ 3.3mm2 or moreSWG#16 (AWG#14)
/ 2.1mm2 or moreMore than 10m (32ft.)
(Not recommended,too long)SWG#12 (AWG#10)
/ 5.3mm2 or moreSWG#14 (AWG#12)
/ 3.3mm2 or more - Any switches and lead wire for other electrical equipment should not be shared with the wiring between your fridge and battery (other equipment sometimes generates high voltage pulses which may cause defects in the fridge power supply).

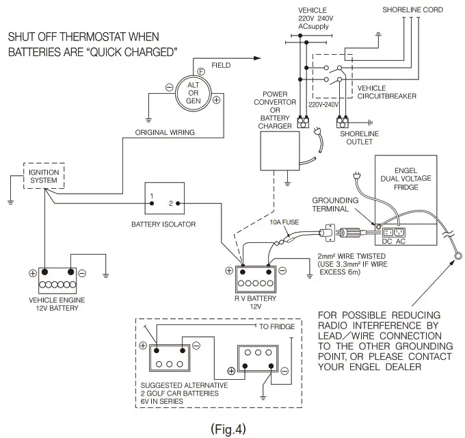
6.2.3 Wiring diagram of dual battery hookup
The wiring diagram shown below is recommended for dual battery hookup.(See Fig 4)
Battery protection
This fridge is equipped with a battery monitor cutting the compressor in or out in order to protect the battery. When the “MODE” button is pressed twice, the LED display will be blinking the current battery monitor state “OFF” or “LO” or “HI” (default OFF) .
The “SELECT” button during this mode will display the OFF⇒L0⇒ HI change. After pre-setting the battery monitor, the LED display will stop blinking (after a few seconds) , indicating the temperature has been set (locked) . The value by each setting is shown on the below table. The battery monitor is not a necessary feature for the fridge to operate. It may be left in the off position all the time.
| Battery monitor setting | OFF | LO | HI |
| Cut out Voltage 12V | 10.5V | 11.5V | |
| Cut in Voltage 12V | 11.5V | 12.5V | |
| Cut out Voltage 24V | 21.0V | 23 1V | |
| Cut in Voltage 24V | 23.1V | 25.0V |

CAUTION
To avoid damage to the refrigerator in the event of reverse polarity or short circuit, install a 10A fuse in the wiring circuit nearer to the battery.
Maintenance of refrigerator
7.1 Cleaning interior and door
Always disconnect the refrigerator from the power source before you clean or service it.
- Clean the interior with a cloth moistened with warm water and wipe again with a dry cloth.
- Clean the door of the refrigerator with a wet cloth.
- Clean the interior condenser to remove dirt (dust etc.) at regular intervals.
NOTICE
Never use a brush, powder soap, cleanser, acid, benzene, gasoline, or mineral thinners to clean the refrigerator, as these tend to leave scratches on the plastic coating and painting
7.2 Defrosting
Due to the humidity within the cabinet, frost will form on the evaporator surface after it has been used for a while.
Frost with as thick as 6mm or more (1/4in) will reduce cooling efficiency. To avoid this, the evaporator needs to be defrosted regularly.
To defrost, turn off and unplug the refrigerator to allow for complete removal of frost from the evaporator.
7.3 Caution about fuse and replacement
The cigarette lighter plug of the DC cord has a special thermal fuse inside which cuts off current during abnormal situations, e.g. overheated plug.
- Remove the cover on the tip of the DC cord plug by turning it counterclockwise.
- When removing the cover, also remove the head terminal and the fuse.
- Pull out the fuse from the head terminal.
- Replaced the fuse with a new one after making sure that its polarity direction is correct (fig.5). Always use the special thermal fuse supplied through Engel dealer. The arrow printed on the fuse shall point to the head terminal as shown in figure 5 below.

- Re-assemble the DC cord plug in a reverse order of disassembly and tighten the cover firmly.
- Check whether the refrigerator runs normally. If you encounter any further trouble, please contact an authorized ENGEL service agent near you.
CAUTION
Do not use conventional glass tube fuses. Use only those designed exclusively for ENGEL refrigerator and distributed through its dealers.
Trouble shooting
| Fault | Possible cause | Action |
| Compressor not working |
No power supplied | Check if power is supplied to electronic unit. |
| Battery in poor condition. | Check fuse. | |
| Faulty electronic unit. Electronic unit failure |
Check polarity of connectors and cables. | |
| Interior not cold | Ambient temperature too high. |
Keep refrigerator sufficiently ventilated. |
| Insufficient ventilation Frost on evaporator |
Defrost evaporator. (see 7.2 Defrosting) |
|
| Condenser clogged | Clean condenser. |
Error message will be displayed if the voltage of the battery is low or in the event of any malfunctions- (see next table).
When error message is displayed, the unit will be on “standby mode”. Operations will stop.
Table
| ERROR CODE | DESCRIPTION | SOLUTIONS |
| Small Red Dot in corner Push ‘MODE button E-01 and current voltage display |
Abnormal Input Voltage | Check whether the power voltage is too low. |
| E+00 | Ambient Temperature is too low | Check whether the ambient temperature is too low. |
| E+00 | Temperature sensor cord is shorted | Contact service agent. |
| E+00 | Temperature sensor cord is opened | Contact service agent |
| E+00 | Abnormal Input Voltage (too high) | Check whether the power voltage is too high. |
If the problem still persists after going through the chart above, consult an ENGEL service agent. Never disassemble the refrigerator by yourself. Inadequate repairs can lead to considerable hazards.
Disposal
WARNING
- To prevent the risk of child entrapment inside the refrigerator, do the following before discarding it:
- Remove the door from the refrigerator.
- This refrigerator should not be mixed with household waste when being disposed of.
If you wish to dispose of this refrigerator, contact your local authorities and ask for the correct method of disposal, or specialist dealer for details about how to do this in accordance with the applicable disposal regulations.
Cyclopentane is used in the insulation, which requires a special disposal procedure. Contact your local authorities to find the environmentally safe disposal of the refrigerator.
Warranty
The statutory warranty period applies.
If the refrigerator is found to be defective, contact either of the agents whose contact information is found on page 25 of this manual or an ENGEL dealer near your location.
For repair and warranty processing, have the following documents accompany the refrigerator.
- A copy of the receipt with purchasing date
- Reason for the claim and/or description of the failure
Before initial use
Install a pair of handles found in the interior according to the following.
• MT series

Power cord list
| A | AC CORD | ALL MODEL | |
| B | DC CORD | ALL MODEL | |
| C | DC CORD | BATTERY CORD (OPTION) | ![]() |
Technical data
| MODEL | MT35F-G4ND-V | MT45F-G4ND-V | MT60F-G4D-V | MT80F-G4D-V | |
| Input voltage: | 12/24V or 220-240V ~ 50/60Hz | ||||
| Rated current: | 12V :3.0A 24V :1.6A 220-240V ~:0.39A |
12V :3.0A 24V :1.6A 220-240V ~ :0.39A |
12V :4.2A 24V :2.1A 220-240V ~ :0.7A |
12V :4.2A 24V :2. 1A 220-240V ~ :O.7A |
|
| Cooling capacity: | +8ºC to -18ºC | ||||
| Energy consumption: | 77kWh/annum | 72kWh/annum | 116kWh/annum | 116kWh/annum | |
| Gross volume: | 34L | 45L | 68L | 89L | |
| Storage volume: | 32L | 40L | 60L | SOL | |
| Climate class: | T(+16°C ~ +43°C ) | ||||
| Refrigerant: | HFC-134a | ||||
| Insulation blowing gas: | Cyclopentane | ||||
| Sound level: | 48dB(A) | 48dB(A) | 40dB(A) | 40dB(A) | |
| Dimensions WxDxH(mm) | 364 x 648 x 408mm | 364 x 648 x 508mm | 520 x 802x 441mm | 520 x 802 x 561mm | |
| Weight: | 21kg | 24kg | 34kg | 39kg | |
NOTICE
The ambient temperature condition of this technical data is +32°C.The internal temperature of the refrigerator varies depending on the ambient temperature.
Refrigerant HFC-134a contained in the coolant.
<AGENT in AUSTRALIA and NEW ZEALAND>
ENGEL DISTRIBUTION PTY LTD.
P.O. Box155 25 SILICA ST CAROLE PARK QLD 4300, Australia
TeI : 1300 302 653
E-mail : [email protected]
SAWAFUJI ELECTRIC CO.,LTD.
3, NITTAHAYAKAWA-CHO, OTA-CITY,
GUNMA 370-0344, JAPAN
TEL: +81(0)276-56-7139
FAX: +81(0)276-56-6075
(Cat. No. 5490 418 0100)
Did you know?
That you can go online to register the purchase of your Engel product.
So that you are secure in the knowledge that your purchase is covered by
Engel’s Australia wide service network simply go to www.engelaustralia.com.au and follow the links to the Online Registration and complete the form. Please note that you will also need to provide a copy of your receipt.
![]()
Portable fridge-freezers
A LEGEND IN RELIABILITY
THIS ENGEL REFRIGERATOR WAS TESTED BEFORE DELIVERY.
“Our goods come with guarantees that cannot be excluded under the Australian Consumer Law. You are entitled to a replacement or refund for a major failure and for compensation for any other reasonably foreseeable loss or damage. You are also entitled to have the goods repaired or replaced if the goods fail to be of acceptable quality and the failure does not amount to a major failure.”
ENGEL AUSTRALIA (Warrantor) warrant that they will repair free of cost or replace at their Capital City premises any part of the appliance which in their opinion is defective due to faulty materials or workmanship.
*Calculated from the proven date of purchase the warranty period is:
MT-V Series
5 year : Cooling Unit complete (Swing Motor, Condensor Evaporator)
3 year : Power Supply, Temperature Control Assembly, Thermistor/s, Fan Motor/s
1 year : Basket, Door Latch Assembly, Carry Handle/s, Cabinet Assembly
• Specifically precluded from warranty is:
- Damage caused as a result of connection to incorrect or fluctuating voltage supply.
- Labour charge involved where sole cause of multifunction is a blown fuse.
- Damage which in the opinion of the Warrantor is caused by faulty installation, normal wear and tear, misuse, dirt, neglet, accident or other similar causes.
• The Warrantor does not accept any responsibility for:
- Liability in respect of loss or expenses arising from the malfunction of this appliance.
- Freight cost to our Capital City Service Centers.
- The damage which may be incurred during transit to and from our Capital City Service Centers.
- Repair to appliance on which modification or repairs have been carried out by persons not specifically nominated by the Warrantor as being authorized service personnel.
“Your attention is drawn to the fact that this warranty is authorized by ENGEL DISTRIBUTION PTY. LTD and cannot be varied by others.
Please staple your purchase receipt to this card. For your nearest service agent.
Please call our Engel Customer Service Center Hotline on 1300 302 653
Address:
Engel Distribution Pty Ltd P.O. Box155
25 SILICA ST CAROLE PARK QLD 4300
Email Address: [email protected]
Note: So that all relevant information is at hand in case of warranty repair, we suggest that this card is kept within easy reach (ie. glove box of vehicle or pocket of transit bag).
Appliance Model No. __________________
Serial No. _________________________
Date Of Purchase. ____________________
