elica EUM628SS 28 Inch Stainless Steel Insert Range Hood User Manual

Home » ELICA » elica EUM628SS 28 Inch Stainless Steel Insert Range Hood User Manual

Use, Care, and Installation Guide

elica EUM628SS 28 Inch Stainless Steel Insert Range Hood

Models: | EUM628SS

READ AND SAVE THESE INSTRUCTIONS

LIB0187279
Printed in Mexico

APPROVED FOR RESIDENTIAL APPLIANCES
FOR RESIDENTIAL USE ONLY
READ AND SAVE THESE INSTRUCTIONS

PLEASE READ ENTIRE INSTRUCTIONS BEFORE PROCEEDING.
INSTALLATION MUST COMPLY WITH ALL LOCAL CODES.

IMPORTANT: Save these Instructions for the Local Electrical Inspector’s use.
INSTALLER: Please leave these Instructions with this unit for the owner.
OWNER: Please retain these instructions for future reference.

Safety Warning: Turn off power circuit at service panel and lock out panel, before wiring this appliance.
Requirement: 120 V AC, 60 Hz. 15 or 20 A Branch Circuit.

elica EUM628SS - Important Safety Notice Important Safety Notice

elica EUM628SS - CAUTION CAUTION
FOR GENERAL VENTILATING USE ONLY. DO NOT USE TO EXHAUST HAZARDOUS OR EXPLOSIVE MATERIALS OR VAPOURS.

elica EUM628SS - CAUTION WARNING
TO REDUCE THE RISK OF FIRE, ELECTRIC SHOCK, OR INJURY TO PERSONS, OBSERVE THE FOLLOWING:
A. Use this unit only in the manner intended by the manufacturer. If you have questions, contact the manufacturer.
B. Before servicing or cleaning the unit, switch power off at service panel and lock service panel disconnecting means to prevent power from being switched on accidentally. When the service cannot be locked, securely fasten a prominent warning device, such as a tag, to the service panel.
C. Installation work and electrical wiring must be done by qualified person(s) in accordance with all applicable codes & standards, including fire-rated construction.
D. Sufficient air is needed for proper combustion and exhausting of gases through the flue (Chimney) of fuel burning equipment to prevent back- drafting.
Follow the heating equipment manufacturers guideline and safety standards such as those published by the national fire protection association (NFPA), the american society for heating, refrigeration and air conditioning engineers (ASHRAE), and the local code authorities.
E. When cutting or drilling into wall or ceiling, do not damage electrical wiring and other hidden utilities.
F. Ducted fans must always be vented to the outdoor.

elica EUM628SS - CAUTION CAUTION
To reduce risk of fire and to properly exhaust air, be sure to duct air outside – do not vent exhaust air into spaces within walls, ceilings, attics, crawl spaces, or garages.

elica EUM628SS - CAUTION WARNING
TO REDUCE THE RISK OF FIRE, USE ONLY METAL DUCT WORK.

Install this hood in accordance with all requirements specified.

elica EUM628SS - CAUTION WARNING
To reduce the risk of fire or electric shock, do not use this hood with any external solid state speed control device.

elica EUM628SS - CAUTION WARNING
TO REDUCE THE RISK OF A RANGE TOP GREASE FIRE.
a) Never leave surface units unattended at high settings.
Boilovers cause smoking and greasy spillovers that may ignite. Heat oils slowly on low or medium settings.
b) Always turn hood ON when cooking at high heat or when flambeing food (I.e. Crepes Suzette, Cherries Jubilee, Peppercorn Beef Flambe’).
c) Clean ventilating fans frequently. Grease should not be allowed to accumulate on fan or filter.
d) Use proper pan size. Always use cookware appropriate for the size of the surface element.
e) Suitable for use in household cooking area.

elica EUM628SS - CAUTION WARNING
TO REDUCE THE RISK OF INJURY TO PERSONS, IN THE EVENT OF A RANGE TOP GREASE FIRE, OBSERVE THE FOLLOWING:a
a) SMOTHER FLAMES with a close-fitting lid, cookie sheet, or other metal tray, then turn off the gas burner or the electric element. BE CAREFUL TO PREVENT BURNS. If the flames do not go out immediately, EVACUATE AND CALL THE FIRE DEPARTMENT.
b) NEVER PICK UP A FLAMING PAN – you may be burned.
c) DO NOT USE WATER, including wet dishcloths or towels a violent steam explosion will result.
d) Use an extinguisher ONLY if:

1) You know you have a class ABC extinguisher, and you already know how to operate it.
2) The fire is small and contained in the area where it started.
3) The fire department is being called.
4) You can fight the fire with your back to an exit.

aBased on “Kitchen Fire Safety Tips” published by NFPA.

OPERATION

Always leave safety grills and filters in place. Without these components, operating blowers could catch onto hair, fingers and loose clothing.

The manufacturer declines all responsibility in the event of failure to observe the instructions given here for installation, maintenance and suitable use of the product.
The manufacturer further declines all responsibility for injury due to negligence and the warranty of the unit automatically expires due to improper maintenance.

elica EUM628SS - CAUTION CAUTION
Automatically Operated Device – To Reduce The Risk Of Injury Disconnect From Power Supply Before Servicing.

List of Materials

Removing the packaging.

elica EUM628SS - CAUTION CAUTION
Remove carton carefully, Wear gloves to protect against sharp edges.

Supplied Part Pieces
elica EUM628SS - Supplied Part 1

Hood assembly and LED lamps already installed

1
elica EUM628SS - Supplied Part 2

4.5×13 mm

8
elica EUM628SS - Supplied Part 3

4.2×15 mm

2
elica EUM628SS - Supplied Part 4

3.5×6.5 mm

8
elica EUM628SS - Supplied Part 5

4.2×19 mm

8
elica EUM628SS - Supplied Part 6

Bottom mounting brackets

2
Parts not supplied

Tools/Materials required

  • Level
  • Drill with 1⁄8” (3,2 mm drill bit)
  • Pencil
  • Pliers
  • Tape measure or ruler
  • Caulking gun and weatherproof caulking compound
  • Saber or keyhole saw
  • Metal snips
  • Vent clamps
  • Screwdrivers:
    • Flat-blade
    • Phillips

Parts needed

  • 6” (15.2 cm) round metal vent system

Optional accessories and consumable parts

KIT

#Part

28.5” (72.39 cm)

Recirculating Kit

KIT02770
Hood Liner Up to 30” width KIT02773

Up to 36” width KIT02774

elica EUM628SS - CAUTION WARNING
Remove the protective film covering the product before putting into operation.

Supplied Part

Pieces
elica EUM628SS - Supplied Part 7

Mounting brackets

2

elica EUM628SS - Supplied Part 8

Metal spacers (for use when cabinet depth is greater than 12”) 

2
elica EUM628SS - Supplied Part 9

3.5×9.5 mm

6

elica EUM628SS - Supplied Part 10

Torx #10 adapter

1
elica EUM628SS - Supplied Part 11

Ø 6.4×18 mm washers

8

elica EUM628SS - Supplied Part 12

Ø 4,2×12 mm washers

8

Location requirements:
IMPORTANT: Observe all governing codes and ordinances. Have a qualified technician install the range hood. It is the installer’s responsibility to comply with installation clearances specified on the model/serial rating plate. The model/serial rating plate is located inside the liner behind the filter on the left wall of the range hood.
Range hood location should be away from strong draft areas, such as windows, doors, and strong heating vents.
Cabinet opening dimensions that are shown must be used.
Given dimensions provide minimum clearance. Consult your cooktop/ range manufacturer installation instructions before making any cutouts.

Grounded electrical outlet is required.
See “Electrical Requirements” section.
The range hood is factory set for vented installations through the roof or wall. For non-vented (recirculating) installations see “Non- Vented (recirculating) Installation Through the Soffit/Cabinet” in the “Prepare Location” section.
Recirculation Kit Part is available from your dealer or an authorized parts distributor. All openings in ceiling and wall where range hood will be installed must be sealed.

For mobile home installations
The installation of this range hood must conform to the Manufactured Home Construction Safety Standards, Title 24 CFR, Part 328 (formerly the Federal Standard for Mobile Home Construction and Safety, title 24, HUD, Part 280) or when such standard is not applicable, the standard for Manufactured Home Installation 1982 (Manufactured Home Sites, Communities and Setups) ANSI A225.1/NFPA 501A, or latest edition, or with local codes.
†®TORX is a registered trademark of Saturn Fasteners, Inc.

Location Requirements

Product dimensions

elica EUM628SS - Product dimensions

I* – Metallic spacers Spacers has to be installed and used when cabinet depth is greater than 12”.

Model

EUM628SS

A

28 17⁄64” (71.8 cm)
B 26” (66 cm)

C

1 9⁄64” (2.9 cm)
D 10 3⁄4” (27.3 cm)

E

10 45⁄64” (27.2 cm)
F 0 21⁄₆₄” (.85 cm)

G

15 3⁄4” (40 cm)
H 6” (15.2 cm)

I

1⁄2” (1.27 cm)

For gas range installation: Mount this hood so that the bottom edge is at minimum 30″(76.2 cm) above the cooking surface. For electric range installation: mount this hood so that the bottom is not less than 24″(61 cm).

Installation clearances

elica EUM628SS - Installation clearances

A. 13 3⁄16” (33.5 cm) min. upper cabinet height
B. 29 29/64” (74.8 cm) cabinet opening width*
C. 24” (61 cm) minimum from the electric cooking surface, and 30″ (76.2 cm) on a gas stove. 36” (91.4 cm) maximum suggested from the base of the cabinet to the cooking surface.
D. 12 13/64” (31 cm) minimum cabinet opening depth
E. 15” (38.1 cm) min. clearance upper cabinet to countertop
F. 36” (91.4 cm) base cabinet height

Venting Requirements
  • Vent system must terminate to the outdoors, except for no vented (recirculating) installations.
  • Do not terminate the vent system in an attic or other enclosed area.
  • Do not use a 4″ (10.2 cm) laundry-type wall cap.
  • Rigid metal vent is recommended. Plastic or metal foil vent is not recommended. The length of vent system and number of elbows should be kept to a minimum to provide efficient performance.

For the most efficient and quiet operation:

  • Use no more than three 90° elbows.
  • Make sure there is a minimum of 24″ (61 cm) of straight vent between the elbows if more than 1 elbow is used.
  • Do not install 2 elbows together.
  • Use clamps to seal all joints in the vent system.
  • The vent system must have a damper.
  • Use caulking to seal exterior wall or roof opening around the cap.
  • The size of the vent should be uniform.

Cold weather installations
An additional back draft damper non return valve should be installed to minimize backward cold air flow and a thermal break should be installed to minimize conduction of outside temperatures as part of the vent system. The damper non return valve should be on the cold air side of the thermal break.
The break should be as close as possible to where the vent system enters the heated portion of the house.

Makeup air
Local building codes may require the use of makeup air systems when using ventilation systems with greater than specified CFM of air movement. The specified CFM varies from locale to locale.
Consult your HVAC professional for specific requirements in your area.

Venting methods

This range hood is factory set for venting through the roof or through the wall.
You can apply the recirculating venting method by purchasing the Recirculation Kit.
The vent system needed for installation is not included. A 6″ (15.2 cm) round vent system is recommended.

Recirculating
elica EUM628SS - Recirculating

A. 6” (15.2 cm) vent through the cabinet
B. Round recirculating grid

Roof venting

Wall venting
elica EUM628SS - Roof venting

A. 6” (15.2 cm) vent through the roof
B. Roof cap

elica EUM628SS - Wall venting

A. 6” (15.2 cm) vent through the wall
B. Wall cap

Electrical Requirements

elica EUM628SS - CAUTION WARNING
PLUG INTO A GROUNDED 3 PRONG OUTLET.
DO NOT REMOVE GROUND PRONG.
DO NOT USE AN ADAPTER.
DO NOT USE AN EXTENSION CORD.
FAILURE TO FOLLOW THESE INSTRUCTIONS CAN RESULT IN DEATH, FIRE, OR ELECTRICAL SHOCK.

IMPORTANT: The range hood must be electrically grounded in accordance with local codes and ordinances, or in the absence of local codes, with the National Electrical Code, ANSI/NFPA 70 (latest edition) or Canadian Electrical Code, CSA C22.1 No. 0-M91 (latest edition).
If codes permit and a separate ground wire is used, it is recommended that a qualified electrical installer determine that the ground path is adequate.
A copy of the above code standards can be obtained from:

National Fire Protection Association
1 Batterymarch Park
Quincy, MA 02169-7471
CSA International
8501 East Pleasant Valley Road
Cleveland, Ohio 44131-5575

  • A 120 volt, 60 Hz, AC only, 15- or 20-amp, fused electrical circuit is required. A time-delay fuse or circuit breaker is also recommended. It is recommended that a separate circuit serving only this range hood be provided.
  • This range hood is equipped with a power supply cord having a 3 prong grounding plug.
  • To minimize possible shock hazard, the cord must be plugged into a mating, 3 prong, grounding-type outlet, grounded in accordance with local codes and ordinances. If a mating outlet is not available, it is the personal responsibility and obligation of the customer to have the properly grounded outlet installed by a qualified electrician.
  • If provided with an electrical plug, connect the hood to a receptacle that complies with current regulations and placed in an accessible position. Where an electrical plug is not provided (direct connection to electrical network) or the plug will not be in an accessible position after installation, place an approved bipolar switch in accessible position that provides full disconnection under overvoltage category III conditions, in accordance with local wiring rules.
  • The grounded 3 prong outlet is to be located inside the cabinet above the range hood at a minimum distance of 35 53/64″ (91 cm) from where the power cord exits the hood. The grounded 3 prong outlet must be accessible after installation of the range hood. See illustration:

elica EUM628SS - Range hood at a minimum distance

GROUNDING INSTRUCTIONS

  • This range hood must be grounded. In the event of an electrical short circuit, grounding reduces the risk of electric shock by providing an escape wire for the electric current.
  • This range hood is equipped with a cord having a grounding wire with a grounding plug. The plug must be plugged into an outlet that is properly installed and grounded.

WARNING: Improper grounding can result in a risk of electric shock.
Consult a qualified electrician if the grounding instructions are not completely understood, or if doubt exists as to whether the range hood is properly grounded.
Do not use an extension cord. If the power supply cord is too short, have a qualified electrician install an outlet near the range hood.

SAVE THESE INSTRUCTIONS

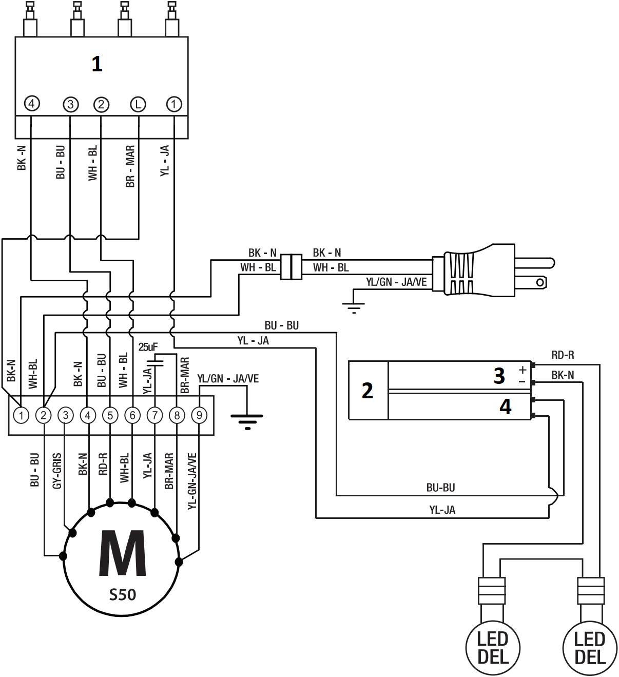
Wiring Diagram

PUSH BUTTON SWITCH OPERATION

FUNCTION

POSITION

OFF

NO CONNECTION
LAMPS

BROWN / YELLOW  (L-1)

LOW SPEED

BROWN / WHITE  (L-2)
MED SPEED

BROWN / BLUE  (L-3)

HIGH SPEED

BROWN / BLACK  (L-4)

MOTOR SPECIFICATIONS

POWER SUPPLY

120 VAC

FREQUENCY

60 Hz
POWER ABSORPTION

420 W

MOTOR RESISTANCE (Ω)

BLUE / BLACK

9.8

BLUE / GREY

14.3
BLUE / RED

18.0

BLUE / WHITE

21.6

elica EUM628SS - Wiring Diagram
SEL0122870A

  1. Mechanical Push Buttons
    (4 button 3 Speeds)
  2. LED DRIVER
    PILOT DEL
  3. OUTPUT: 700mA (2-15 VDC)
  4. INPUT: 120 VAC
Installation Instructions

Prepare location
It is recommended that the vent system be installed before the range hood is installed.

  • Before making cutouts, make sure there is proper clearance within the ceiling or wall for vent fittings.
  • Making the cutout to the bottom of the cabinet may be easier to do prior to mounting the cabinet to the wall.

1 Disconnect power.
2 Determine which venting method to use: roof, wall, or non vented.
3 Select a flat surface for assembling the range hood. Place covering over that surface.

elica EUM628SS - CAUTION WARNING
EXCESSIVE WEIGHT HAZARD
USE TWO OR MORE PEOPLE TO MOVE AND INSTALL RANGE HOOD.
FAILURE TO DO SO CAN RESULT IN BACK OR OTHER INJURY.

4 Using 2 or more people, lift range hood onto covered surface.

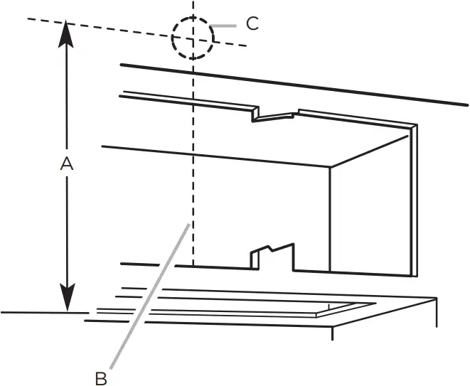
Range hood cabinet cutout
1 Use a saber saw or keyhole saw to cut out the cabinet bottom inside the cabinet frame.
NOTE: Frameless type cabinets require ¾” (1.9 cm) front lip in the cabinet bottom. A ¾” (1.9 cm) thick filler strip (not supplied) may be required for some types of cabinets. (See Step 3 in the “Install Range Hood” section).

Cut out dimensions (without spacers)

Without spacers

elica EUM628SS - Cut out dimensions 1

With 1 or 2 spacers

elica EUM628SS - Cut out dimensions 2

A. Bottom of cabinet cutout

2 Complete cabinet preparation following the instructions for your type of venting. Determine venting cutout locations and cut out vent openings in the cabinets, walls and/ or soffit.

Venting outside through the roof
1 Measure and mark the lines as shown. Use a saber saw or keyhole saw to cut an opening through the top of the cabinet and the roof for the vent.

Cutout Chart
Cabinet Height Hole Shape and Size
13 3⁄16” (33.5 cm) A 8 17⁄64” wide x 6¼” deep (21 cm x 15.9 cm) rectangular opening in the cabinet top is required for damper transition clearance.

elica EUM628SS - Venting outside through the roof 1

A. Cutout
B. 8 17⁄64” (21 cm) x 6 1⁄4” (15.9 cm)*
C. 7 51⁄64” (20 cm) centerline to cabinet front
D. Centerline of the cabinet
E. 4 2⁄5” (10.6 cm)
F. 3 17⁄64” (8.3 cm) center to cabinet front
G. Ø (4 cm)*

Cabinet Height Hole Shape and Size
15” (38.1 cm) A 6 1 ⁄4” (15.9 cm) diameter round opening is required.

elica EUM628SS - Venting outside through the roof 2

A. Cutout
B. Ø 6 ¼” (15.9 cm)*
C. 7 51⁄64” (19.8 cm) centerline to cabinet front
D. Centerline of the cabinet
E. 4 2⁄5” (10.6 cm)
F. 3 17⁄64” (8.3 cm) center to cabinet front
G. Ø (4 cm)*

2 Install the 6″ (15.2 cm) air transition to the top of the range hood liner (if removed for shipping) using two 3.5 x 9.5 mm round head screws. Assemble the vent duct that you will use over the 6″ (15.2 cm) vent transition. Use caulking to seal the exterior wall or roof opening.

Venting outside through the wall
1 Measure from the bottom of the range hood liner to the horizontal centerline of the vent opening (A).

elica EUM628SS - Venting outside through the wall 1
A. Measurement A
B. Horizontal centerline of vent opening
C. Range hood liner
D. 12” (30.5 cm) min. cabinet height

2 Remove the vent duct from the range hood liner. Transfer measurement A to the cabinet back wall. Measure from the underside of the cabinet.
3 Mark the cutout as shown. Use a saber saw or keyhole saw to cut a round opening through the back of the cabinet and the exterior wall for the vent.

elica EUM628SS - Venting outside through the wall 2
A. Measurement A
B. Centerline
C. 6¼” (15.9 cm) round cutout

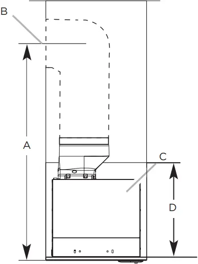
Non-vented (recirculating installation through the soffit/

elica EUM628SS - Recirculating installation through the soffit 1

cabinet

A. Ceiling                        F. Cabinet
B. Vent cover                  G. Wall
C. Soffit                          H. 12” (30.5 cm) min. cabinet height
D. 6” (15.2 cm) vent      I. 17” (43.2 cm) min. vent cover height
E. Range hood

1 Measure and mark the centerline of the cabinet to the soffit above.
2 Measure from the bottom of the cabinet to the centerline of the where the vent will come through the soffit. Mark the location and use a saber saw or keyhole saw to cut a 5¾” (14.6 cm) hole for the vent cover.

elica EUM628SS - Recirculating installation through the soffit 2
A. Vent cover
B. Centerline

*NOTE: For 12” (30.5 cm) height cabinets a 6¼” deep x 8” wide (14.6 cm x 20.3 cm) rectangular opening in the cabinet top is required for damper transition clearance.
3 Consider the cutout chart measures to make the openings on the cabinet.

Complete preparation
1 If not yet attached, install the 6″ (15.2 cm) vent transition the top of the range hood liner using two 3.5 x 9.5 mm screws.
2 Locate side mounting bracket 1 cm bottom to top side and against the inside of the front cabinet face. Orient the bracket depending on the width of your cabinet as depicted in the diagrams below. Drill 1/8″ (3 mm) pilot holes in 6 places, attach a bracket using four 4.5 x 13 mm screws to each side of the cabinet, and tighten. Additional washers in hardware package are supplied as spacers for cabinet walls thinner than ½”(13 mm).

Bracket Orientation for 30″ (76.2 cm) Cabinet

elica EUM628SS - Complete preparation 1

A. 30” (76.2 cm) cabinet
B. Screws – 4.5 x 13 mm (8)
C. Washers (optional)
D. Mounting bracket (2) (position for 30” [76.2 cm] cabinet)

Bracket Orientation for 34.5″ (87.68 cm) Cabinet

elica EUM628SS - Complete preparation 2

A. 34.5” (87.68 cm) cabinet
B. Screws – 4.5 x 13 mm (8)
C. Washers (optional)
D. Mounting bracket (2) (position for 34.5” [87.68 cm cabinet)

elica EUM628SS - Complete preparation 3  Move the bracket 6/16″ (1 cm) from the bottom side of the cabinet

elica EUM628SS - Complete preparation 4

  1. Bracket position without spacers
  2. Bracket position with 1 spacer
  3. Bracket position with 2 spacers

3 Install the vent system according to the method needed. Use caulking to seal the exterior wall or roof opening.

Install Range Hood

elica EUM628SS - CAUTION WARNING
EXCESSIVE WEIGHT HAZARD.
USE TWO OR MORE PEOPLE TO MOVE AND INSTALL RANGE HOOD.FAILURE TO DO SO CAN RESULT IN BACK OR OTHER INJURY.

1 Remove the polyurethane piece that comes inside the hood.
2 Center the canopy in the cabinet. Align the bottom of the canopy with the bottom of the cabinet. Install four 4.2 x 19 mm screws into the hood canopy assembly and tighten all (8) mounting screws.

elica EUM628SS - Install Range Hood 1
A. Cabinet
B. Hood liner canopy assembly
C. Screws – 4.2 x 19 mm (8)

3 Remove the protective from the metal grease filters and pull them out from the face panel.
4 Pull out the lamps connector cables
5 Attach the mounting brackets to the inside of the hood as shown in the picture, using four 3.5 x 6.5 mm screws.

elica EUM628SS - Install Range Hood 2

A. Mounting brackets (2)
B. Screws – 3.5 x 6.5 mm (4)

6 Attach the lower panel to the hood insert, with the plate open, place four screws 3.5 x 6.5 mm securing the panel to the previously placed brackets as shown in the diagram.

NOTE: If cabinet depth is greater than 12″, it is recommended that the two 1/2″ metal spacers are installed. Install to front and rear sides of the face plate with round head 3.5 x 9.5 mm screws as shown in drawing.

elica EUM628SS - Install Range Hood 3

A. Face plate
B. Screws – 3.5 x 6.5 mm (4)

elica EUM628SS - Install Range Hood 4

A. Front and rear spacer
B. Screws – 3.5 x 9.5 mm (4)

7 Install the two 4.2×15 mm screws located on the sides of the hood controls.

elica EUM628SS - Install Range Hood 5

A. Screws – 4.2 x 15 mm (2)

8 Connect the lamps connector to the connector present inside the hood as shown in drawing.

elica EUM628SS - Install Range Hood 6
A. Lamp connector
B. Hood connector

9 Put the filters back in place and return the plate to its original position

elica EUM628SS - Install Range Hood 7

Connect the Vent System

Vented Installations
1 Connect the vent system to the range hood vent opening.
Seal the connection with clamps.

Non-Vented (recirculating) Installations
1 Connect the vent system to the range hood vent opening.
Seal the connection with clamps.
2 Install charcoal filters.
See the “Available accesories” section.

Complete Installation

1 Replace grease filters. See the “Maintenance” section.

elica EUM628SS - CAUTION WARNING
ELECTRICAL SHOCK HAZARD

elica EUM628SS - CAUTION WARNING
PLUG INTO A GROUNDED 3 PRONG OUTLET.
DO NOT REMOVE GROUND PRONG.
DO NOT USE AN ADAPTER.
DO NOT USE AN EXTENSION CORD.
FAILURE TO FOLLOW THESE INSTRUCTIONS CAN RESULT IN DEATH, FIRE, OR ELECTRICAL SHOCK.

2 Plug 3-prong power cord into a grounded 3-prong outlet located inside the cabinet above the range hood.
3 Check the operation of the range hood fan and light. See “Description of the hood” section. If range hood does not operate, check to see whether a circuit breaker has tripped or a household fuse has blown. Disconnect power and check wiring connections.
NOTE: To get the most efficient use from your new range hood, read the “Description of the hood” section.

Description of the Hood

The range hood is designed to remove smoke, cooking vapors and odors from the cooktop area. For best results, start the hood before cooking and allow it to operate several minutes after the cooking is complete to clear all smoke and odors from the kitchen.
The hood controls are located on the center of the front of the range hood liner.

elica EUM628SS - Description of the Hood 1

A. Blower and light controls
B. Face plate
C. LED lamps

Controls

elica EUM628SS - Description of the Hood 2

1 On/Off light button
2 Blower off and speed minimum button
3 Blower speed medium button
4 Blower speed maximum button

Operating the Light
The On/Off light button controls all lights. Press once for On and again for Off.
Operating the Blower
The BLOWER SPEED buttons turn the blower on and control the blower speed and sound level for quiet operation.
The speed can be changed anytime during fan operation by pressing the desired blower speed button.
Press the BLOWER OFF button a second time to turn off the blower.

Maintenance

Cleaning
IMPORTANT: Clean the hood and grease filters frequently according to the following instructions. Replace grease filter before operating the hood.

Exterior surfaces
To avoid damage to the exterior surface, do not use steel wool or soap-filled scouring pads.
Always wipe dry to avoid water marks.

Cleaning method:

  • Liquid detergent soap and water, or all-purpose cleanser
  • Wipe with damp soft cloth or nonabrasive sponge, then rinse with clean water and wipe dry.

Metal grease filter
The filters should be washed frequently. Place metal filters in dishwasher or hot detergent solution to clean. Let filter dry thoroughly before replacing it.
Turn off fan and lights. Allow lamps to cool.
1 Remove each filter by pulling the spring release handle and then pulling down the filter.

elica EUM628SS - Metal grease filter

2 Wash metal filters as needed in dishwasher or hot detergent solution.
3 Reinstall the filter by making sure the spring release handles are toward the front. Insert metal grease filter into upper track.
4 Pull the spring release handle down.
5 Push up on metal filter and release handle to latch into place.
6 Repeat steps 1-5 for the other filter.

Replacing a LED lamp
The LED lights are replaceable by a service technician only.
See “Who to contact” section in the warranty for service contact information.

Available Accesories

Recirculating kit
If it is not possible to vent cooking fumes and vapors to the outside, the range hood can be used in the non-vented (recirculating) version, using a charcoal filter. Recirculation Kit is available from the dealer or an authorized parts distributor.

elica EUM628SS - Recirculating kit 1

A. Ceiling                      A. Cabinet
B. Vent cover                B. Wall
C. Soffit                        C. 12” (30.5 cm) min. cabinet height
D. 6” (15.2 cm) vent      D. 17” (43.2 cm) min. vent cover height
E. Range hood

NOTE: 12″ (30.5 cm) high cabinets without a soffit may allow the 6″ vent and vent cover to be seen.

1 Cover the grill that protects the suction motor with the carbon filter so that the slots on the filter correspond to the pins on the sides of the motor protection grill.
2 Turn the carbon filter clockwise to block them (bayonet fixing).

  • The charcoal filters cannot be cleaned. It should be replaced every 4-6 months (depending on hood usage).
  • Remove the cable ties in the carbon filter to be able to turning it clockwise.

elica EUM628SS - Recirculating kit 2

Extension liner kit – not included

  • 36″ wide x 17″ or 20″ deep liner provides complete protection of the cabinets.

See Liner installation instructions for more detail.

ELICA North America

TWO-YEAR LIMITED WARRANTY

Register your product in
elica.com
and earn a 3rd year of factory
warranty, covering all parts
plus in-home labor.

TO OBTAIN SERVICE UNDER WARRANTY

Owner must present proof of original purchase date. Please keep a copy of your dated proof of purchase (sales slip) in order to obtain service under warranty.

PARTS AND SERVICE WARRANTY

For the period of two (2) years from the date of the original purchase, Elica will provide free of charge, non consumable parts or components that failed due to manufacturing defects. During these two (2) years limited warranty, Elica will also provide free of charge, all labor and in-home service to replace any defective parts.

WHAT IS NOT COVERED

  • Damage or failure to the product caused by accident or act of God, such as, flood, fire or earthquake.
  • Damage or failure caused by modification of the product or use of non-genuine parts.
  • Damage or failure to the product caused during delivery, handling or installation.
  • Damage or failure to the product caused by operator abuse.
  • Damage or failure to the product caused by dwelling fuse replacement or resetting of circuit breakers.
  • Damage or failure caused by use of product in a commercial application.
  • Service trips to dwelling to provide use or installation guidance.
  • Light bulbs, metal or carbon filters and any other consumable part.
  • Normal wear of finish.
  • Wear to finish due to operator abuse, improper maintenance, use of corrosive or abrasive cleaning products/pads and oven cleaner products.

WHO IS COVERED

This warranty is extended to the original purchaser for products purchased for ordinary residential use in North America (Including the United States, Guam, Puerto Rico, US Virgin Islands & Canada).

This warranty is non-transferable and applies only to the original purchaser and does not extend to subsequent owners of the product. This warranty is made expressly in lieu of all other warranties, expressed or implied, including, but not limitedto any implied warranty of merchantability or fitness for a particular purpose and all other obligations on the part of Elica North America, provided, however, that if the disclaimer of implied warranties is ineffective under applicable law, the dura tion of any implied warranty arising by operation of law shall be limited to two (2) years from the date of original purchase at retail or such longer period as may be required by applicable law.

This warranty does not cover any special, incidental and/or consequential damages, nor loss of profits, suffered by the original purchaser, its customers and/or the users of the Products.

WHO TO CONTACT

To obtain service under warranty or for any service related question:

  • Elica North America Service, call at 1 888 732 8018
  • For Eastern Canada, call AGI Services at 1 888 651 2534 Ask for the service department
  • [email protected]

Leave a Comment