ECOFLOW DELTA Max 1600 Dual Fuel Smart Generator User Manual

Home » ECOFLOW » ECOFLOW DELTA Max 1600 Dual Fuel Smart Generator User Manual

LOGO

ECOFLOW DELTA Max 1600 Dual Fuel Smart Generator

ECOFLOW-DELTA-Max-1600-Dual-Fuel-Smart-Generator-PRODUCT

Disclaimer

Users are expected to read this User Manual carefully and ensure they have fully understood the content before using this product. Please keep this User Manual for future reference. Any incorrect usage may result in severe injury to the user or others, damage to the product or loss of property. By using this product, the user will be deemed as having understood, recognized and accepted all the terms and contents of the User Manual, and will be responsible for any incorrect usage, and all the consequences arising therefrom. EcoFlow hereby disclaims any liability for any losses due to the user’s failure to use the product according to the User Manual.
Subject to compliance with laws and regulations, our company has the final right to interpret this document and all documents of and related to this product. Any update, revision or termination of the content thereof, if necessary, will be made without prior notice, and users must visit the official website of EcoFlow for the latest information regarding the product.
EcoFlow Smart Generator Dual Fuel (hereinafter the “generator “)

Safety Guidelines

Safety Warning

The safety of you and others, as well as of property are of the primary importance. Please carefully read the extremely important safety warnings we have written in the User Manual and the sticker of the generator set. This is to remind you of the potential dangers which may harm you and others. Before each safety warning is a symbol and one of the three following words: danger, warning or caution.

These words indicate:

  • If you fail to follow the instructions, your life will be at risk or you will be severely injured.
  • If you fail to follow the instructions, your life may be at risk or you may be seriously injured.
  • If you fail to follow the instructions, your generator set and other property may be damaged.

Safety Instructions

Please read the User Manual carefully before using the generator in order to avoid accidents.ECOFLOW-DELTA-Max-1600-Dual-Fuel-Smart-Generator-FIG- (1)

  1. Do not use indoors and keep away from doors, windows and vents
  2. Do not use in damp environments
  3. Make sure that no fuel is spilled when refueling
  4. Keep any combustibles at least 1m / 3ft away
  5. Do not smoke when refueling
  6. Switch off the engine before refueling

Earthing the Generator
The generator is equipped with system grounding, which is used to connect the generator’s frame components to the ground terminal in the AC outlet. The system grounding doesn’t connect to the AC neutral.

Connect the Generator to the Electrical System
Do not connect the generator to the electrical system of a building, unless an isolation switch has been properly installed by a licensed electrician. Please comply with all applicable laws and electrical regulatory requirements.

Caution

Keep the air inlets in the side of front panel, the muffler and the bottom of generator clean and unblocked and prevent any debris, mud or water from entering. The generator, the controller or the engine may be damaged if these air inlets become blocked. Do not transport, store or use the generator together with other products. Any oil leaks may damage the generator or endanger your personal safety as well as your property.

Important Labels

Please refer the following stickers carefully before starting to use the product.ECOFLOW-DELTA-Max-1600-Dual-Fuel-Smart-Generator-FIG- (2)ECOFLOW-DELTA-Max-1600-Dual-Fuel-Smart-Generator-FIG- (3)

Getting Started

Appearance DescriptionECOFLOW-DELTA-Max-1600-Dual-Fuel-Smart-Generator-FIG- (4) ECOFLOW-DELTA-Max-1600-Dual-Fuel-Smart-Generator-FIG- (5) ECOFLOW-DELTA-Max-1600-Dual-Fuel-Smart-Generator-FIG- (6) ECOFLOW-DELTA-Max-1600-Dual-Fuel-Smart-Generator-FIG- (7) ECOFLOW-DELTA-Max-1600-Dual-Fuel-Smart-Generator-FIG- (8)

Carbon Monoxide Alert Light: When the carbon monoxide sensor detects that the concentration of carbon monoxide is about to exceed the standard, the generator will automatically stop and the carbon monoxide alert light will flash for 5 minutes. During this course, the generator cannot be started.
LPG: liquefied petroleum gas.

Introduction to the Icons on the Display ScreenECOFLOW-DELTA-Max-1600-Dual-Fuel-Smart-Generator-FIG- (9)

  • Remaining Oil Percentage: If the amount of oil falls below 600 ml while the gasoline is in use , the remaining oil percentage will show as 0%. During this time, the icon will flicker to remind you to add more fuel immediately. The display will show 99% when the LPG is in use.
  • Wi-Fi Status: The devices that support Bluetooth connection will be connected to the App directly or to the Internet after the the network connection process is completed.If it is successfully connected to the Internet, the icon will stay on.
  • Error Code: Please refer to the EcoFlow app for specific information on error codes.
  • ECO Mode: In this mode, the generator will automatically match the rpm according to power output level in order to reduce fuel consumption and noise. Default ECO Mode.

ECO Mode Settings:

  1. Hold the AC power switch for two seconds;
  2. This can be done in the app. For details, please refer to 2.4.5.
    See Section 5 for more troubleshooting steps.

Before You Use the Product

Danger

Please read the Safety Guidelines carefully before refueling as fuel is inflammable and toxic. Do not overfill the fuel tank, as fuel may expand and spill out when the fuel tank warms up. Be sure to tightly close the fuel cap after refueling.ECOFLOW-DELTA-Max-1600-Dual-Fuel-Smart-Generator-FIG- (10)

Caution

Clean away the residual fuel with a clean and soft cloth after refueling to avoid damage to the rubber shell. Please use unleaded fuel rather than leaded fuel which may severely damage the internal parts of generator. Take off the fuel cap and fill up until the red indicator.ECOFLOW-DELTA-Max-1600-Dual-Fuel-Smart-Generator-FIG- (11)

Recommended fuel: unleaded gasoline Fuel tank capacity: 1.05 gal. / 4.00 L

Connecting LPG (when using LPG)ECOFLOW-DELTA-Max-1600-Dual-Fuel-Smart-Generator-FIG- (12)

  1. Make sure the LPG cylinder valve is in the closed position.
  2. If you are using a new LPG cylinder, first remove the plastic cap located on top of the cylinder valve.
  3. Connect the LPG hose to the LPG cylinder valve and tighten.
  4. Remove the dust cover from the LPG access port of the generator.
  5. Remove the protective rubber plug from the female connector of the LPG hose.
  6. Insert the female connector of the LPG hose into the LPG access port and push it until you hear a clicking noise, and move the outer ring of the female connector forward.

Tips:

  • Immediately close the LPG cylinder valve when the generator is shut down.
  • Do not place the LPG cylinder on the side with the generator’s muffler.

Danger

When the engine is running, do not place the LPG hose or the LPG cylinder in the exhaust passage of the muffler.

Warning

  • Do not allow children to tamper or play with the LPG cylinder or LPG hose.
  • Use an approved LPG cylinder that is equipped with an OPD (Overfill Prevention Device). Install the
  • LPG cylinder on a flat surface, with the cylinder always in a upright position and the valve resting on top of the cylinder.
  • The gas cylinder should not be installed near any sources of ignition, and should not be exposed to sunlight, rain, or dust.
  • Close the cylinder valve during transportation and storage by disconnecting the cylinder and covering it with a protective cap. If possible, a plastic protective cap is typically used. Keep the cylinder far away from sources of ignition, Keep ventilation inside the vehicle.
  • If there is a strong LPG smell, immediately close the cylinder valve, and use soapy water to wet all the LPG hose fittings to check for leak. If bubbles appear or grow, then this indicates a leak in the LPG hose. Do not check for air leaks by using an open flame such as by lighting a cigarette. If you find a leak, contact a qualified technician to inspect it.

Caution

  • The LPG hose and standard LPG cylinder need to be used together in this device.
  • Make sure that the inspection date on the LPG cylinder is within the scope of specified usage.
  • The position of the cylinder must be firmly set to avoid excessive bending or twisting when the LPG hose is connected.

Add Generator Engine OilECOFLOW-DELTA-Max-1600-Dual-Fuel-Smart-Generator-FIG- (13)

Caution

There is no engine oil in the generator when delivered from the factory. Do not start up the generator until after adding sufficient engine oil. Do not tilt the generator when adding engine oil, to prevent damage to the generator due to adding excessive oil.

  1. Place the generator on a level plane.
  2. Turn the maintain cover knob to and take off the maintenance cover.
  3. Unscrew the lid and oil dipstick.
  4. Inject the specified amount of recommended engine oil, and screw the lid and oil dipstick closed tightly. Reinstall the maintenance cover and turn the knob to Closed.ECOFLOW-DELTA-Max-1600-Dual-Fuel-Smart-Generator-FIG- (14)

Recommended engine oil: SAE SJ 10W-40
Grade of recommended engine oil: API Grade SJ or higher Oil capacity: 0.1 gal. / 0.38 L

Rechargeable Battery Connection

The generator cannot be started by the Electric Start switch unless connected to the internal battery.
Turn the maintain cover knob to , take off the maintenance cover and connect the positive and the negative wires of the battery respectively.ECOFLOW-DELTA-Max-1600-Dual-Fuel-Smart-Generator-FIG- (15)

Checking Before UseECOFLOW-DELTA-Max-1600-Dual-Fuel-Smart-Generator-FIG- (16)

Warning Please check the following components carefully each time before using the generator.

  • Check the fuel level(when using gasoline)
    • Take off the fuel cap and check the fuel level. Inject more fuel into the tank if the fuel level is too low.
  • Check the LPG(when using LPG)
    • Open the LPG cylinder valve, and use soapy water to soak all the connections on the LPG hose to check for leaks. If bubbles appear or bubbles grow, then this indicates a leak in the LPG hose. If the leak is at a fitting, then turn off the valve on the cylinder and tighten the fitting. Open the valve again and use soapy water to recheck the fitting, then turn off the valve on the cylinder and tighten the fitting. If the leak continues, or if the leak is not at the fitting, then stop using the generator and contact customer support.
  • Check the engine oil level
    • Make sure there are no engine oil leaks.
    • Check the engine oil level. If the oil level is low, the engine oil alarm system may shut off the engine.
      • Unscrew the lid, take out the oil dipstick and wipe it clean.
      • Dip the oil dipstick into the oil filler without screwing it in, and check the oil level.
      • Add the recommended amount of engine oil if the oil level is low.
      • Screw the oil dipstick and lid firmly shut.
  • Check whether the rechargeable battery is connected correctly
    • Turn the maintain cover knob to Open, take off the maintenance cover and check whether the positive and the negative wires of battery are connected correctly.

Malfunctions While Running
Check for any issues while the generator is running and consult EcoFlow for further technical support if necessary.

Using the Product

  • Read the Safety Guidelines before use.
  • Do not use the generator in a closed space as the exhaust fumes may result in a loss of consciousness or even death. Use it in a well-ventilated place.
  • Do not connect the AC Output Socket with any electrical equipment before starting the generator.

Tips: Ambient Temperature for Generator -15℃-40℃ in the gasoline mode, and -5℃-40℃ in the LPG mode. The generators can operate under standard atmospheric conditions (“standard atmospheric conditions”- ambient temperate of 25℃ – atmospheric pressure of 100 kPa – relative humidity of 30%). When the temperature, humidity, and height surpass standard atmospheric conditions, the output of the generator will decrease Using under high temperature for an extended period of time will affect the life cycle of the generator and its built-in battery. Also, the output must be lowered when it is used in small spaces, since it will affect the cooling of the generator.

Startup

For fuel selection, the generator will use LPG when the LPG hose is connected and gasoline when the hose is not connected.

  1. To Use Gasoline: Turn the fuel cap vent valve knob to ‘’ON’’;
    1. To Use LPG: Open the LPG cylinder valve;ECOFLOW-DELTA-Max-1600-Dual-Fuel-Smart-Generator-FIG- (17)
  2. Turn the Engine Switch to “ON”.ECOFLOW-DELTA-Max-1600-Dual-Fuel-Smart-Generator-FIG- (18)

The generator can be started using any of the four methods below:

  1. Electric Start Switch
    Press and hold the Electric Start Switch for 2 seconds to execute the start-up program and start up the generator.
    Tips: To save battery power consumption, when the Engine Switch is at the “ON” position, if the generator fails to start up, the power will be disconnected after 3 mins and the display screen will switch off. In this situation, press the start button to activate the screen display to then re-enable the Electric Start Switch.ECOFLOW-DELTA-Max-1600-Dual-Fuel-Smart-Generator-FIG- (19)
  2. Manual start
    Pull the Manual Starter Grip until the line tightens and push it by force.
    Tips: When doing a manual start, you will need to hold the generator to prevent it from bumping while you pull the cord. Do not let the starter handle spring back towards the generator. Gently return the handle to its original position to avoid damaging the starter. When there is battery loss or no battery, the maintenance door will need to be opened to manually control the choke door when using the LPG manual start.
  3. Self-start, see paragraph 2.4.4
  4. Starting through the app, see paragraph 2.4.5

Tips: When the ambient temperature is below 32 ℉(0 °C), the engine will need to warm up for three minutes after being started, during which time no load should be loaded.

Turning off

To turn the engine off in an emergency, turn the engine switch to the “OFF” position. In any other circumstances, please follow the below steps.

  1. Switch off all electrical equipment and disconnect them from the generator.
  2. There are four methods to turn off the generator:
    1. Using the Engine Switch: Turn the Engine Switch to “OFF” to turn off the generator.
    2. Using the Electric Start button: Press and hold the Electric Start button for 2 seconds to stop the engine.
    3. Automatic shutdown: This generator will auomatically stop when the DC charging is completed. Refer to 2.4.4.
      Tips: When the AC Power Button and DC output are turned off, it will automatically stop after 10mins to save fuel.
    4. APP shutdown, refer to 2.4.5.
  3. Wait until the generator is completely cooled down, then turn the Engine Switch and the fuel cap breather valve knob to “OFF”.

LPGECOFLOW-DELTA-Max-1600-Dual-Fuel-Smart-Generator-FIG- (20)

  1. Turn off all the connected electrical equipment, and then disconnect from the generator;
  2. Temporary Generator Disuse, Same as fuel;
    1. Prolonged Generator Disuse, Turn off the cylinder valve, wait until LPG in the machine is exhausted, and then the machine will shut down automatically;
  3. Turn the knob to ‘’OFF’’.

AC Connections

  1. Start the generator.
  2. Insert the plug into the AC Output Socket and check that the on-screen AC output port icon is illuminated.
  3. Switch on the electrical equipment.

Tips: When the generator is in operation, the AC output can be turned on and off through the AC output switch. If the output reaches or exceeds 50% of the rated level of the generator, you can switch to high performance mode by holding the AC output switch for two seconds or setting it in the app. If the generator is powering multiple electrical equipments, then power the electrical equipment according to their output level, from highest to lowest.

Switch off all electrical equipment before inserting plugs.

Caution

Make sure that all electrical equipment including wires and plugs are in good condition before being connected to the generator, and confirm that all loads carried by the generator are within the rated load range and that the load current is within the rated current range.
Tips: Make sure that the generator is grounded. If any electrical equipment needs to be grounded, the generator must also be grounded.

DC Charging

Charging the DELTA Max, the DELTA Pro, or the Power KitsECOFLOW-DELTA-Max-1600-Dual-Fuel-Smart-Generator-FIG- (21)

  1. To use Fuel: Turn the fuel cap vent valve knob to ‘’ON’’ (See 2.4.1 Step 1);
    1. To use LPG: Connect the LPG cylinder to the entire machine, and open the valve (See 2.4.1 Step 1);
  2. Turn the Engine Switch to “ON” (see Step 2 in paragraph 2.4.1).
  3. Connect with DELTA Max ①,DELTA Pro ②,or Power Kits ③ through the 5m/ 16.4ft Extra Bat tery Connection Cable*.
  4. If the remaining power of DELTA Max, DELTA Pro or Power Kits falls to the lower limit, it will send a request to the generator to re charge. The generator will respond and start recharging.
    Tips: If the remaining power of DELTA Max, DELTA Pro or Power Kits does not fall to the lower limit, the generator can be started by hand to start recharging.
  5. When the remaining power of DELTA Max, DELTA Pro or Power Kits reaches the upper limit, a request will be sent to the generator set to stop charging, and the generator set will respond and automatically stop.

Tips: When it is automatically started, the generator AC output switch is off by default. When the AC is on, the generator will not be available once the DC is finished. The upper and lower power limits can be set in the app of the portable power station being connected.
When charging DELTA Max, DELTA Pro, or Power Kits, it is recommended that the upper power limit be set to 80% in order to increase fuel efficiency. Turn on the AC output switch for simultaneous AC output when the DC output is already on. The total power of AC+DC is 1,800W (gasoline)/1,600 W (LPG), with AC output prioritized.
When connected the DELTA Pro for charging, you will need to purchase the DELTA Pro to Smart Generator Adapter from the e-commerce store for connecting the generator to DELTA Pro or Power Kits

Charging the DELTA Max Extra Battery Pack or the DELTA Pro Extra Battery PackECOFLOW-DELTA-Max-1600-Dual-Fuel-Smart-Generator-FIG- (22)

  1. To use Fuel: Turn the fuel cap vent valve knob to ‘’ON’’ (See 2.4.1 Step 1);
    1. To Use LPG: Also 2.4.4.1;
  2. Turn the Engine Switch to “ON” (see Step 2 in paragraph 2.4.1).
  3. Connect to the DELTA Max Extra Battery ④ or DELTA Pro Extra Battery ⑤ with the 5m/ 16.4ft Extra Battery Connection Cable*.
  4. Switch on the DELTA Max Extra Battery or DELTA Pro Extra Battery and it will send a request to the generator to recharge. The generator will respond and start recharging.
  5. When the DELTA Max Extra Battery or DELTA Pro Extra Battery is fully recharged, it will send a request to the generator to stop charging. The generator will respond and stop DC recharging.

When connected the DELTA Pro Extra Battery for charging, you will need to purchase the DELTA Pro to Smart Generator Adapter from the e-commerce store for connecting the generator to the DELTA Pro Extra Battery.

EcoFlow AppECOFLOW-DELTA-Max-1600-Dual-Fuel-Smart-Generator-FIG- (23)

You can control and view the information and data of the product through the EcoFlow app. Download at: https://download.ecoflow.com/app

Privacy Policy

By using EcoFlow Products, Applications and Services, you consent to the EcoFlow Term of Use and Privacy Policy, which you can access via the “About” section of the “User” page on the EcoFlow App or on the official EcoFlow website at https://www.ecoflow.com/policy/terms-of-use and https://www.ecoflow.com/policy/privacy-policy

Application Range

Please make sure that the total load of the generator is within the rated range before using the generator, or otherwise the generator may be damaged.ECOFLOW-DELTA-Max-1600-Dual-Fuel-Smart-Generator-FIG- (24)

Caution

When this generator is supplying power to precision instruments, electronic controllers, personal computers and microcomputers, please keep the generator a sufficient distance away from any of the foregoing equipment to avoid electromagnetic interference, and at the same time, to ensure that the generator will not be interfered with by these electronic devices.
If this generator is used to supply power to medical devices, it is recommended to consult with
the corresponding equipment manufacturers and technicians first. This is because some electronic equipment or general purpose machines in hospitals require a strong current upon startup and may not be able to use the generator. Please contact the equipment manufacturer for confirmation even if the respective start parameters of the equipment satisfy the conditions listed in the table above.

Special Requirements

  • There may be local laws or regulations applicable to the intended use of the generator set.
  • Please consult with qualified electricians, electrical inspectors or the local authorities with jurisdiction for further information.
  • In some areas, generator sets must be registered with local utility companies.
  • Generator sets, if used on construction sites, may be subject to regulations.

Maintenance and Servicing

Proper maintenance and servicing is essential to ensure safe, economical and reliable usage. This also helps minimize your environmental impact.
You must regularly check and service your generator to keep it in optimal condition based on the schedule below.

Servicing Intervals

 

Item

 

 

Each Time

Within the first month or after 20 hours of operation Once every three months or every 50 hours of operation thereafter Then once every year or every 100 hours of operation
 

Generator Engine Oil

Check – Add ECOFLOW-DELTA-Max-1600-Dual-Fuel-Smart-Generator-FIG- (25)      
Replace   ECOFLOW-DELTA-Max-1600-Dual-Fuel-Smart-Generator-FIG- (25) ECOFLOW-DELTA-Max-1600-Dual-Fuel-Smart-Generator-FIG- (25)  
 

 

Air Filter Element

Check – Add ECOFLOW-DELTA-Max-1600-Dual-Fuel-Smart-Generator-FIG- (25)      
Clean   ECOFLOW-DELTA-Max-1600-Dual-Fuel-Smart-Generator-FIG- (25)    
Replace     ECOFLOW-DELTA-Max-1600-Dual-Fuel-Smart-Generator-FIG- (25)  
Sediment Bowl Clean       ECOFLOW-DELTA-Max-1600-Dual-Fuel-Smart-Generator-FIG- (25)
Spark Plug* Clean – Adjust       ECOFLOW-DELTA-Max-1600-Dual-Fuel-Smart-Generator-FIG- (25)
Spark Plug Arrester Clean     ECOFLOW-DELTA-Max-1600-Dual-Fuel-Smart-Generator-FIG- (25)  
Idle Speed ** Check – Adjust       ECOFLOW-DELTA-Max-1600-Dual-Fuel-Smart-Generator-FIG- (25)
Valve Clearance ** Check – Adjust       ECOFLOW-DELTA-Max-1600-Dual-Fuel-Smart-Generator-FIG- (25)
Fuel Tank and Fuel Filter ** Clean       ECOFLOW-DELTA-Max-1600-Dual-Fuel-Smart-Generator-FIG- (25)
Fuel Pipe** Check Every 2 years (or replace it if necessary)
LPG Hose** Check Every 2 years (or replace it if necessary)
Cylinder Head, Piston Remove any carbon deposits ** Every 300 hours
* These items should be replaced if necessary
** These items should be serviced by their respective dealers unless the user has the appropriate tools and maintenance capacity

Caution

  • If the generator set works at high temperature under high loads, the engine oil should be replaced every 25 hours.
  • If working in dusty or harsh environments, the air filter element should be cleaned every 10 hours and, if necessary, replaced every 25 hours.
  • Spot check items based on either the cycle or length of time, whichever comes first.
  • If you have reached a servicing interval, servicing must be performed as required based on the table above as soon as possible.

Danger

Turn off the generator before starting any maintenance. Place the generator on a level spot and separate the spark plug cap from the spark plug to prevent the generator from starting up.
Do not use the generator such in poorly ventilated places such as rooms, rail tunnels or caves. Be sure to keep the working area well ventilated. Exhaust gas from the generator contains toxic carbon monoxide fumes. Inhaling these fumes may lead to shock, loss of consciousness or even death.

Checking the Spark Plug

The spark plug is an important part of the generator and must be checked regularly.ECOFLOW-DELTA-Max-1600-Dual-Fuel-Smart-Generator-FIG- (26)

  1. Turn the maintain cover knob to and take off the maintenance cover.
  2. Take off the spark plug cap.
  3. Use the spark plug socket and revolve it counterclockwise to remove the spark plug.
  4. Check for any fading in color and remove any carbon deposits. The porcelain center around the spark plug center electrode should
    be moderately light brown if it is in good condition. The electrode should be replaced if worn, or if the insulation is peeling, cracked or dirty.
  5. Check the model of the spark plug and that it has sufficient clearance. If required, correct the gap.
    1. Standard spark plug: A5RTCECOFLOW-DELTA-Max-1600-Dual-Fuel-Smart-Generator-FIG- (27)
    2. Spark plug clearance: 0.6–0.8 mm
      Tips: The engine may be damaged if the spark plug is not at the correct clearance height.
  6. Reinstall the spark plug with a torque of 13.5±1.5 Nm.
    1. Tips: If installing without a torque wrench, a good method is to tighten until tight, then continue to turn by a further 1/4-1/2 rotation.
  7. Reinstall the spark plug cap on the spark plug.
  8. Reinstall the maintenance cover.

Adjusting the Carburetor

The carburetor is an important part of engine, and should be adjusted by the dealer who has the professional knowledge, data and equipment to ensure it is adjusted correctly.

Replacing the Engine Oil

Do not drain the engine oil immediately after the generator is switched off. The oil temperature will be very high. Please take care not to get scalded when draining the oil.

  1. Place the generator on a level plane, start it up and keep it running for several minutes to increase its temperature. Then turn it off. Turn the Engine Switch and the fuel cap breather knob to “OFF”.
  2. Turn the maintain cover knob to and take off the maintenance cover.
  3. Unscrew the lid and oil dipstick.
  4. Place the oil basin under the generator and tilt the generator. The oil will drain quickly.
    Tips: Improper disposal of engine oil may harm the environment. If you replace the engine oil yourself, please dispose of the used oil properly. Store the used oil in a sealed container and take it to your nearest oil recycling center. Do not pour it into any trash can, onto the ground or into the sewer.
  5. Place the generator in its original horizontal state.
    Do not tilt the generator when adding engine oil to prevent damage to the generator due to adding excessive oil.
  6. Refill the oil to the proper level.
  7. Wipe the oil dipstick clean and remove any spilled oil.
    Prevent any foreign objects from entering the inside of the engine.
  8. Tighten the oil dipstick and lid.
  9. Reinstall the maintenance cover and turn the knob to Closed.

Air FilterECOFLOW-DELTA-Max-1600-Dual-Fuel-Smart-Generator-FIG- (28)

  1. Turn the maintain cover knob to and take off the maintenance cover.
  2. Take off the screws and the air filter cover.
  3.  Take off the foam filter element.
  4. Clean the foam filter element with soapy water or a nonflammable solvent and dry it.
  5. Add oil to the foam filter element and squeeze out the excess oil. The foam filter element should be wet but should not drip any oil.
  6. Place the foam filter element into the air filter.
    Tips:

    1. Make sure that the surface of the foam filter element is in close contact with the air filter, leaving no gap between them.
    2. Do not start the generator before reinstalling the air filter as excessive toxic gas may be produced and foreign objects may enter the engine, causing wear to the engine block.
  7. Install the air filter cover back to its original position and tighten the screws.
  8. Reinstall the maintenance cover and turn the knob to Closed.
    Caution Do not twist the foam filter element, to prevent any damage to it.ECOFLOW-DELTA-Max-1600-Dual-Fuel-Smart-Generator-FIG- (29)

Fuel Filter StrainerECOFLOW-DELTA-Max-1600-Dual-Fuel-Smart-Generator-FIG- (30)

  1. Take off the fuel cap and fuel filter screen.
  2. Clean the fuel filter screen with fuel
  3. Wipe the filter screen and place it back into the fuel.
  4. Reinstall the fuel cap.
    Warning Never use fuel in any place near smoke or flames.
    Caution Be sure to tighten the fuel cap

MufflerECOFLOW-DELTA-Max-1600-Dual-Fuel-Smart-Generator-FIG- (31)

  1. Unscrew the bolts.
  2. Take off the muffler cap, muffler block and spark plug arrestor.
  3. Clean the carbon deposits on the muffler block and the spark plug arrestor gently with a steel wire brush to avoid any damage or scratches to the muffler block and spark plug collector.
  4. Check whether the muffler block or the spark plug arrestor is damaged, and replace it if damaged.
  5. Reinstall the parts in turn

Warning

Once the generator starts running, the engine and the muffler will become scalding hot. Do not let your skin or clothes directly touch the engine or muffler during your checks and maintenance

Storage and Transportation

If you plan to place this generator into long-term storage, you need to take some storage measures to prevent premature aging of the generator.

Draining the Fuel

  1. Turn the Engine Switch to “OFF”.
    Tips: When there is no leftover fuel in the generator, skip this step and make sure that the LPG dust cover is in place.
  2. Open the fuel cap, take out the fuel filter screen, drain all the fuel from the fuel tank into a temporary fuel tank and reinstall the fuel cap.
  3. Start the generator. The remaining fuel will be used up in about 20 minutes. The generator will turn off when there is no fuel left.
    Do not connect any electrical equipment to the generator.
    The time it takes for the generator to run depends on the remaining amount of fuel inside the fuel tank.
  4. Turn the maintain cover knob to and take off the maintenance cover.
  5. Loosen and remove the oil drain bolt on the carburetor and drain the fuel from the carburetor into the temporary fuel tank.
  6. Turn the Engine Switch to “OFF”.
  7. Screw in and tighten the oil drain bolt.
  8. Reinstall the maintenance cover and turn the knob to Closed.
  9. Turn off the fuel cap breather valve knob after the engine cools down completely
    Warning
    As fuel is highly volatile and toxic, please carefully read the “Safety Guidelines” for handling instructions.
    Caution
    Wipe any spilled fuel away with a clean soft cloth to prevent it from damaging the plastic shell.

Storing the Generator

Take the following steps to protect parts such as the engine body and piston rings which are the most susceptible to corrosion.

  1. Take out the spark plug, inject 10 mL/0.34 oz. of engine oil, reinstall the spark plug, and pull the Starter Grip for several minutes so that the engine oil can fully lubricate the cylinder block.
  2. Pull the Starter Grip until it becomes tight (to prevent the cylinder block and valves rusting).
  3. Wipe the generator’s surface clean, place the generator in a well-ventilated and dry place and cover it.

Rechargeable Battery

Disconnect the battery each time you store it for a longer period of time and reconnect it before using it again.
Attention: The battery should be charged and discharged once every 3 months. It will charge while the engine is running

Use after storage

If the generator is stored with fuel in the fuel tank and carburetor, conduct servicing as required in the table below before using again

Storage Duration Recommended Servicing Procedure to Prevent Difficult Startups
Within one month No preparation needed
One to two months Evacuate the fuel and inject fresh fuel
 

 

Two months to one year

Evacuate the fuel and inject fresh fuel
Drain the fuel from Carburetor Drain Cup ①
Drain the fuel from Sediment Bowl ②
 

 

 

Over one year

Evacuate the fuel and inject fresh fuel
Drain the fuel from Carburetor Drain Cup ①
Drain the fuel from Sediment Bowl ②
Drain the original fuel into a suitable storage container after moving it out of storage and inject fresh fuel before starting it.
① Loosen and remove the oil drain bolt and drain all the fuel out of the carburetor. Drain the fuel into a suitable container, and screw in and tighten the oil drain bolt.

② After turning off the Engine Switch, remove the Sediment Bowl, empty the gasoline from the bowl, reinstall the Sediment Bowl and tighten it.

Transportation

  • When moving, storing or operating the generator, do not place it on its side. The engine oil may leak and damage the engine or your property.
  • If the generator is constantly running, allow it to cool before being loaded onto the transport vehicle.
  • Hot engines and waste systems may cause burns and can cause certain materials to ignite. To prevent fuel spills during transport, position the generator vertically in the standard operating position, and turn the engine switch and the fuel cap breather valve knob to the “OFF” position.
  • During transportation, take care not to let the generator fall or be impacted

Faults and TroubleshootingECOFLOW-DELTA-Max-1600-Dual-Fuel-Smart-Generator-FIG- (32)

Communication failure: Communication failures may occur in two specific situations, as detailed below.

  1. Normal failure: When the generator is connected to DELTA Max or DELTA Pro, if the generator goes into sleep mode, a communication failure will occur. In this situation, press a button to activate the generator and the communication failure will disappear.
  2. Abnormal failure: If the communication failure does not disappear once the generator has been activated or while the generator is running, this could indicate that the failure has been caused by a problem with the generator.
    If any alert occurs during the use of this product and if the alert icon does not disappear after the foregoing methods are attempted or the product is restarted, please stop using it immediately.
    If the above information still fails to solve your problem, please contact our professional service personnel for further support.

Parameters and Specifications

 

Complete machine

Length × width × height 23.5×11.8×18.7 in/597×300×475 mm
Net weight 67.2 lbs/30.5 kg
 

 

 

 

 

Generator

Type Inverter generator
Frequency 50 Hz
Rated voltage 230 V
 

Rated power

Gasoline: 1,800 W (Peak Value 1,900 W) LPG: 1,600 W (Peak Value 1,700 W)
Power factor 1
DC output voltage 42–58.8 V
Maximum DC output current 32 A
 

 

 

 

 

 

 

Engine

Engine model R80N-i
Engine type Single cylinder, four-stroke, forced-air cooling, overhead valve
Engine displacement 79.7 CC
Type of fuel unleaded gasoline/LPG
Volume of fuel tank 4.00 L/1.05 gal.
Generator engine oil volume 0.38 L/0.1 gal.
Continuous Operation Time (Gasoline) 3.5 Hr (full load)
Noise Level (at a distance of 7 meters)  

56–67 dB (full load)

Model of spark plug A5RTC (TORCH)
Start mode Electric start

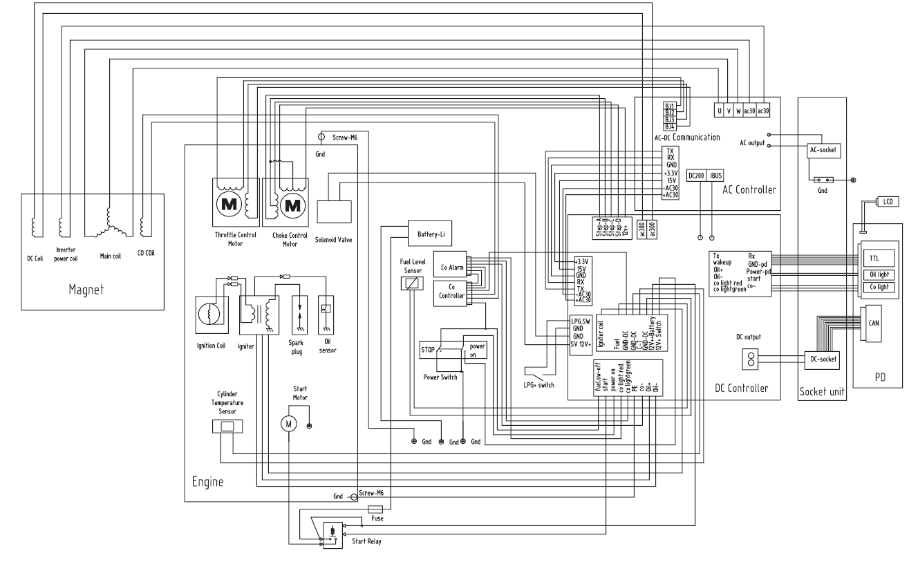
Circuit DiagramECOFLOW-DELTA-Max-1600-Dual-Fuel-Smart-Generator-FIG- (33)

Package ListECOFLOW-DELTA-Max-1600-Dual-Fuel-Smart-Generator-FIG- (34)

Leave a Comment