Contents
E E ELEKTRONIK EE220 Humidity and Temperature Sensor

E+E Elektronik Ges.m.b.H. does not accept warranty and liability claims neither upon this publication nor in case of improper treatment of the described products. The document may contain technical inaccuracies and typographical errors. The content will be revised on a regular basis. These changes will be implemented in later versions. The described products can be improved and changed at any time without prior notice.
© Copyright E+E Elektronik Ges.m.b.H.
All rights reserved.
FCC STATEMENT
EMC note USA (FCC):
This equipment has been tested and found to comply with the limits for a Class A digital device, pursuant to part 15 of the FCC Rules. These limits are designed to provide reasonable protection against harmful interference when the equipment is operated in a commercial environment. This equipment generates, uses, and can radiate radio frequency energy and, if not installed and used in accordance with the instruction manual, may cause harmful interference to radio communications. Operation of this equipment in a residential area is likely to cause harmful interference in which case the user will be required to correct the interference at his own expense.
EMC note Canada (ICES-003):
CAN ICES-3 (A) / NMB-3 (A)
General
This operation manual is part of the scope of supply and serves for ensuring proper handling and optimal functioning of the device. The operation manual shall be read before commissioning the equipment and it shall be provided to all staff involved in transport, installation, operation, maintenance and repair.
The operation manual may not be used for the purposes of competition without the written consent of E+E Elektronik® and may not be forwarded to third parties. Copies may be made for internal purposes. All information, technical data and diagrams included in these instructions are based on the information available at the time of writing.
Explanation of Symbols
- This symbol indicates safety information.
It is essential that all safety information is strictly observed. Failure to comply with this informa-tion can lead to personal injuries or damage to property. E+E Elektronik® assumes no liability if this happens. - This symbol indicates instructions.
The instructions shall be observed in order to reach the optimal performance of the device.
Safety Instructions
General Safety Instructions
- Avoid any unnecessary mechanical stress and inappropriate use.
- When replacing the filter cap make sure not to touch the sensing elements.
- For sensor cleaning please see “Cleaning instructions” at www.epluse.com/cleaning-instructions.
- Installation, electrical connection, maintenance and commissioning shall be performed by qualified personnel only.
Mounting, Start-up, and Operation
The Humidity / Temperature Sensor has been produced under state-of-the-art manufacturing conditions, has been thoroughly tested and has left the factory fulfilling all safety criteria. The manufacturer has taken all precautions to ensure safe operation of the device. The user must ensure that the device is set up and installed in a manner that does not have a negative effect on its safe use.
The user is responsible for observing all applicable safety guidelines, local and international, with respect to safe installation and operation on the device. This operating manual contains information and warnings that must be observed by the user in order to ensure safe operation.
- Mounting, start-up, operation and maintenance of the device may be performed by qualified staff only. Such staff must be authorized by the plant operator to carry out the mentioned
activities. - The qualified staff must have read and understood this operating manual and must follow the instructions contained within.
- All process and electrical connections shall be thoroughly checked by authorized staff before putting the system into operation.
- Do not install or start start-up a device supposed to be faulty. Make sure that such devices are not accidentally used by marking them clearly as faulty.
- A faulty device may only be investigated and possibly repaired by qualified, trained and
authorized staff. If the fault cannot be fixed, the device shall be removed from the system. - Service operations other than those described in this operating manual may only be performed by the manufacturer.
Disclaimer
The manufacturer or his authorized agent can be only be held liable in case of willful or gross negligence. In any case, the scope of liability is limited to the corresponding amount of the order issued to the manufacturer. The manufacturer assumes no liability for damages incurred due to failure to comply with the applicable regulations, operating instructions or operating conditions. Consequential damages are excluded from the liability.
Environmental Aspects
- Products from E+E Elektronik® are developed and manufactured observing of all relevant requirements with respect to environmental protection. Please observe local regulations for device disposal.
- For disposal, the individual components of the device must be separated according to local recycling regulations. The electronics shall be disposed of correctly as electronics waste.
Product Description
The innovative, modular EE220 humidity (RH) and temperature (T) sensor consist of a basic unit and various pluggable, interchangeable probes. The basic unit can accommodate one combined EE07 RH and T probe or two separate EE07 probes, one for RH and one for T. The EE07 probes are available in plastic or in stainless steel enclosure and can be plugged into the basic unit either directly or with M12 extension cables up to 10 m (32.8 ft) long. An optional kit facilitates the mounting of the probes into the duct. The EE220 basic unit is available with polycarbonate or with a metal enclosure, suitable for wall mount or for installation on rails (DIN EN 50022). For the pharma and food industry, the basic unit features a rear cable inlet.
The measured values are available on two analog voltage or current (2-wire, 4 – 20 mA) outputs, as well as on the optional display. One or two-point adjustments for RH and T of the sensor can be easily performed with push buttons on the electronics board of the EE220 basic unit. Alternatively, the EE07 probes can be adjusted individually with the EE-PCA Product Configuration Adapter (see EE07 data sheet). For surface moisture monitoring or for the early detection of condensation danger, EE220 can accommodate the EE03 RH + T module (see data sheet EE03).
Scope of Supply
EE220 Basic Unit (does not include probes or probe cables; these are to be ordered separately)
- EE220 lt. according to the ordering guide
- Cable gland M16 x 1.5
- Test report according to DIN EN 10204-3.1
- Operating Instructions
Probe (EE03 or EE07)
- EE03 or EE07 according to the ordering guide
- Test report according to DIN EN 10204-3.1 (only EE07)
Probe cable for EE03 or EE07
- Probe cable according to the ordering guide
Installation
Mounting of the Enclosure
Drill the mounting holes according to the mounting template. The polycarbonate enclosure can also be fixed onto mounting rails, see chapter 13 Spare Parts and Accessories. Fix the back cover of the enclosure with 4 screws, max. diameter 4.2 mm (0.2″), not included in the scope of supply.
- Perform the electrical connection according to chapter 6 Electrical Connections.
- Fix the front cover onto the back cover with the four screws included in the scope of the supply.

Connecting the EE07 Sensing Probes
The humidity (RH) probe or the combined humidity and temperature (RH + T) probe must be connected at position 1. The T probe must be connected at position 2.
EE07 Probes Connected Directly to EE220
In order to avoid misreading caused by self-heating, the device shall be installed with the probes pointing downwards. In a very humid, the condensing environment it is recommended to use the EE220 version with a remote probe, please see below.
EE07 Probes Connected to EE220 with Extension Cables
The probes can be also connected to the EE220 enclosure with extension cables, see chapter 13 Spare Parts and Accessories. The EE07 probe may be mounted pointing upwards or downwards. The probe can be fixed onto a wall with the wall mounting clip HA010211. For outdoor use, each EE07 probe shall be used with a radiation shield, order number HA010502. In a very humid, condensing environment the probe should be installed horizontally. Probes pointing downwards shall be protected by drip water protection, order number HA010503.
EE07 Duct Mounted
The duct mounting kit HA010209 includes an extension (200 mm / 7.9″) for the EE07 probe and a mounting flange. It facilitates the EE07 mounting into ducts with thick walls or thermal isolation.
Probe Protection During Cleaning and Sterilizing Operations
Periodical cleaning and sterilizing operations are common in the pharma and food industries, as well as in incubators or hatchers. Cleaning and sterilizing agents may affect the sensors and lead to drift and corrosion. It is highly recommended to either protect or remove the EE07 probes during cleaning and sterilizing.
Probe Protection
Place the plastic protection cap HA010783 on the probe before starting cleaning or sterilizing and remove it after that. This is not necessary for the EE07-M3HS2 metal temperature probe.
Probe Removal
When removing the probes before starting cleaning or sterilizing, use the M12 protection caps for the EE220 probe connectors or cable connector (HA010781) which remain on site. The probe connector can be also protected with the cap HA010782.
Electrical Connections
EMC recommendations for wiring
The requirements of EMC standards as specified in the technical data are only fulfilled with the EE07 probes connected either directly or with E+E original extension cables to EE220.
- E220 with metal enclosure must be grounded either at the designated points on the inside, or outside at the mounting plate.
The EE07 probe may not be grounded; it must be electrically isolated from the GND. - Locate the EE220, the probe cable and the output cables as far as possible from sources of electromagnetic disturbances.
- For the analogue outputs use either shielded or twisted cable pairs. The shield shall be grounded at one end only, preferably at the controller side.
- Cable loops may impact on the EMC behavior of EE220. Keep all cables as short as possible. Unused wires shall be grounded at both ends. Run all cables as close as possible to the ground potential, for instance close to the walls or steel structure elements.
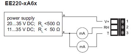
Connection Diagram

Important:
The manufacturer cannot be held responsible for personal injuries or damage to property as a result of incorrect handling, installation, wiring, power supply and maintenance of the device.
User Interface

- JUMPER:
- Selection of output signals and of calibration mode

- Selection of output signals and of calibration mode
- DISPLAY:
- Socket for optional display
- CALIB LED:
- Continuously on indicates adjustment mode
- 1 flash confirms reset to factory calibration
- S1 Functions
- 1-point RH or T adjustment (RH > 50%RH; T within the upper half of the T scale)
- 2-point RH or T adjustment (high calibration point)
- Save adjustment data
- S2 Functions
- 1-point RH or T adjustment (RH < 50%RH; T within the lower half of the T scale)
- 2-point RH or T adjustment (low calibration point)
- Exit the adjustment mode without saving the data
- S1+S2 Function:
- Reset to factory calibration
Display
- CAL:
- indicates adjustment mode
- °C / °F:
- T measuring unit
- %RH:
- RH measuring unit
RH and T Adjustment of the EE07 Probes
Definitions
Calibration
The calibration documents the accuracy of a measurement device. The device under test (specimen) is compared with the reference and the deviations are documented in a calibration certificate. During the calibration, the specimen is not changed or improved in any way.
Adjustment
The adjustment improves the measurement accuracy of a device. The specimen is compared with the reference and brought in line with it. An adjustment can be followed by a calibration which documents the accuracy of the adjusted specimen.
EE07 Adjustment with EE220 Basic Device
- 1-point RH or T adjustment for optimal performance over a narrow RH or T range.
- Example: climate monitoring in a pharma manufacturing site.
- RH range: 40…60 %RH RH adjustment point: 50 %RH
- T range: 15…25 °C (59…77 °F) T adjustment point: 20 °C (68 °F)
- 2-point RH or T adjustment for accurate measurement over a wide RH or T range.
- Example: outdoor measurement
- RH range: 10 … 100 %RH RH adjustment points: 40 %RH, 70 %RH
- T range: -30 … 35 °C (-22…95 °F) T adjustment points: -10 °C (14 °F), 15 °C (59 °F)
- The adjustment data is saved into the EE07 probes. The EE220 basic unit is not affected by the adjustment procedure. Consequently, it is possible to replace the probes at any moment.
- Start the adjustment procedure with the low point (e.g. 30 %RH) and continue with the high point (e.g. 80 %RH)
- For accurate calibration or adjustment, the specimen and the reference must have the same T.
- During calibration or adjustment, the T shall remain constant.
- Allow min. 30 min, of stabilization time for RH calibration or adjustment.
- If needed, clean the sensors (see “Cleaning Instructions” at www.epluse.com/cleaning-instructions) and replace the filter cap with a new one.
Please note:
A display facilitates considerably the calibration and adjustment. An EE220 without a display can be easily retrofitted by simply plugging in a display (see chapter 9.1 EE220 Check Using the Display). Furthermore, one and the same display can be plugged onto any EE220 just for adjustment and calibration.
2-point RH and T Adjustment
- Set the jumper to RH caliber or to T Calib.
- Place the probe into the corresponding calibrator and let it stabilize at the first point (low) for at least 30 minutes.
- Press and hold S2 for 3 seconds. The LED “Calib” will light and the symbol “CAL<” will appear on the EE220 display.
- Push S1 (up) or S2 (down) to bring the measured value in line with the reference in steps of 0.1. The actual corrected value is indicated on the display and can be measured at the analog output.
- Press and hold S1 for 3 seconds to store the value into EE07 and end the first (low) point adjustment. The LED “Calib” will be deactivated and the display will show “CAL”
Alternative: Press and hold S2 for 3 seconds to exit the adjustment mode without storing the adjustment data. The LED “Calib” will be deactivated and the symbol “CAL” disappears from the LC display. - Set the calibrator for the second (high) adjustment point and let the probe stabilize for at least 30 min.
- Press and hold S1 for 3 seconds. The LED “Calib” will light and the symbol “CAL>” will
appear on the EE220 display. - Push S1 (up) or S2 (down) to bring the measured value in line with the reference in steps of 0.1. The actual corrected value is indicated on the display and can be measured at the analog output. Press and hold S1 for 3 seconds to store the adjusted value in the EE07 probe and end the second (high) point adjustment. The LED “Calib” will be deactivated and the display will show “CAL”.
Alternative: Press and hold S2 for 3 seconds to exit the adjustment mode without storing the adjustment data. The LED “Calib” will be deactivated and the symbol “CAL” disappears from the LC display.
1-point RH and T Adjustment
For best performance, the RH and the T adjustment point shall be selected at the middle of the RH and T measurement range of main interest.
- Set the jumper to RH calib or to T Calib.
- Place the probe into the corresponding calibrator and let it stabilize at the selected RH or T value for at least 30 minutes.
- For the adjustment point in the lower half of the output scale, press and hold S2 for 3 seconds. The LED “Calib” will light and the symbol “CAL<” will appear on the EE220 display.
For the adjustment point in the upper half of the output scale, press and hold S1 for 3 seconds. The LED “Calib” will light and the symbol “CAL>” will appear on the EE220 display. - Push S1 (up) or S2 (down) to bring the measured value in line with the reference in steps of 0.1. The actual corrected value is indicated on the display and can be measured at the analogue output.
- Press and hold S1 for 3 seconds to store the adjusted value in the EE07 probe and end the first (low) point adjustment. The LED “Calib” will be deactivated and the display will show “CAL”.
Alternative: Press and hold S2 for 3 seconds to exit the adjustment mode without storing the adjustment data. The LED “Calib” will be deactivated and the symbol “CAL” disappears from the LC display.
Return to Factory Calibration
During normal measurement mode of EE220 (NOT during adjustment mode!) press and hold together S1 and S2 for 5 seconds. The return to factory calibration is indicated by one flash of the LED “Calib”.
Loop Adjustment and Calibration in the Field
Loop calibration or adjustment in the field, as required by the FDA (Food and Drugs Administration) regulated industries, is easily possible for the EE220 with two separate probes. Use extension cables to drop the EE07 probes into calibrators without dismounting or disconnecting the EE220 basic unit.
The illustration shows the EE07 RH probe placed into the Humor 20 high-end portable humidity calibrator and the EE07 T probe in a dry-block calibrator.
EE07 Individual Adjustment
The EE07 probes can be adjusted also individually with the optional EE-PCA Product Configuration Adapter (datasheet at www.epluse.com/ee220) and the EE-PCS Product Configuration Software (free download at www.epluse.com/configurator).
Functional and Accuracy Check of EE220 Basic Unit
The EE220 basic unit can be checked with respect to functionality and accuracy by using the EE220 Reference Probes Set, order number HA010403 (Fig. 4).
The set consists of two reference probes, which supply each a pair of fixed humidity and temperature values as follows:
- RH = 10 % , T = 45 °C (113 °F)
- RH = 90 % , T = 5 °C (41 °F)
The set includes a test report for each reference probe. For the EE220 basic unit dedicated to only one combined EE07 RH + T probe, both RH and T checks shall be performed with each reference probe connected at the single probe connection socket. For the EE220 basic unit dedicated to two separate EE07 RH and respectively T probes, the RH check shall be done with each reference probe connected to the first (left) socket, and then the T check with the same probe connected to the second (right) socket.
EE220 Check Using the Display
If the EE220 basic unit features a display, as soon as the reference probe is connected the display shall show the corresponding RH and T reference values. If the EE220 basic unit does not feature a display, it is easily possible to plug in a display (see chapter 12 EE220 Display Replacement or Retrofit). It is highly advisable to keep a spare display specifically for this purpose or for easy adjustment of the entire EE220 including EE07 probes (see chapter 8.2 EE07 Adjustment with EE220 Basic Device).
Check of the EE220 Outputs
For the EE220 with voltage output, a voltmeter shall be connected.
For the EE220 with current output, an ammeter shall be connected.
Make sure that the supply is appropriate for the output signal.
Humidity Check
The table below shows the output signal for each reference probe.
| Humidity reference | Output | |||
| 4…20 mA | 0…1 V | 0…5 V | 0…10 V | |
| Reference probe 1
10 %RH |
5.6 | 0.1 | 0.5 | 1.0 |
| Reference probe 2
90 %RH |
18.4 | 0.9 | 4.5 | 9.0 |
Temperature Check
The output signal depends on the scaling of the temperature output.
- For current output: Iout [mA] = (16*(Ref/Tmax)) + 4 mA
- For voltage output: Uout [V] = (Abb*(Ref/Tmax))
Where:
- Abb…….voltage scaling (1 V, 5 V, 10 V)
- Ref……..reference value of temperature (45 °C (113 °F) resp. 5 °C (41 °F))
- Tmax….max. temperature scaling (e.g. 50 °C (122 °F))
| Temperature reference | Output | |||
| 4…20 mA | 0…1 V | 0…5 V | 0…10 V | |
| Reference probe 1
45 °C (113 °F) |
18.4 | 0.9 | 4.5 | 9.0 |
| Reference probe 2
5 °C (41 °F) |
5.6 | 0.1 | 0.5 | 1.0 |
EE03 Humidity and Temperature Module
EE220 basic unit can accommodate also the EE03 humidity and temperature module. EE03 is dedicated to the measurement of surface moisture and to detecting the danger of condensation on a surface before the condensation actually occurs. For technical details, ordering guide and mounting accessories see the EE03 data sheet.
Connect EE03 to the first (left) probe socket of the EE220 using the cables HA010328 or HA010329. EE03 cannot be plugged directly onto EE220. For accurate surface RH measurement, the T of the EE03 shall be the same as the surface T, so it is of paramount importance to assure the best thermal contact between EE03 and the surface to monitor. EE03 can be adjusted neither together with the EE220 basic unit, nor individually. With EE03 connected, the S1 and S2 push buttons have no function. An EE03 deemed faulty shall be replaced with a new one.
Replacement of the Probes
A damaged probe can be replaced by a new one without any EE220 setup change or re-adjustment, as follows:
- Switch off the supply voltage
- Remove the faulty sensor probe
- Plug in the replacement probe
- Switch on the supply voltage
Important: Do not mix up the position of the probes! (see chapter 4.2 Connecting the EE07 Sensing Probes)
EE220 Display Replacement or Retrofit
If needed, a damaged EE220 display can be easily replaced by the user. Furthermore, an EE220 without a display can be easily upgraded to an EE220 with a display. The EE220 display is available as a spare part. The scope of supply includes the display, the front cover of EE220 (plastic or metal), and a quick user guide.
The ordering numbers for the spare EE220 display are:
- D07P plastic front cover
- D07M metal front cover
- Remove the EE220 front cover.
- Switch the power supply or plug off the EE220 screw terminals on the main electronics board.
- For replacing an existing display: remove the existing display by pulling it straight upwards.
- observing its orientation (Fig. 7). Push the display gently straight down to plug it in. Observe the ESD regulations while doing this.

- Remove the protection foil from the display.

- Power on the EE220 and check the display functionality.
- Place back the EE220 front cover and fix it with the four screws.
Spare Parts and Accessories
| Description | Order Code |
| • Display and metal front cover | D07M |
| • Display and polycarbonate front cover | D07P |
| • Duct mounting kit | HA010209 |
| • Reference probes set (2 probes) | HA010403 |
| • Extension cable for EE07 2m (6.6 ft) / 5 m (16.4 ft) / 10 m (32.8 ft) | HA010801/02/03 |
| • Connection cable for EE03 2 m (6.6 ft) / 5 m (16.4 ft) | HA010328/29 |
| • Bracket for rail installation (polycarbonate enclosure only) | HA010203 |
| • Power supply adapter | V03 |
| • Radiation shield | HA010502 |
| • Drip water protection | HA010503 |
| • Plastic protection cap for EE07 probes | HA010783 |
| • Protection cap for M12 connecting cable female | HA010781 |
| • Protection cap for M12 probe connector male | HA010782 |
| • Wall mounting clip Ø 12 mm (0.47″) for EE07 | HA010211 |
| • EE-PCA | see data sheet „EE-PCA“ |
| • EE-PCS | EE-PCS (download at www.epluse.com/configurator) |
Technical Data EE220
Outputs
- (RH: 0…100 %RH; T: see ordering guide)
- 0 – 1 V -0.5 mA < IL < 0.5 mA
- 0 – 10 V – 1 mA < IL < 1 mA
- 4 – 20 mA (2-wire) RL < 500 Ω
- T dependency, max. 0.2 mV/°C, 1 μA/°C
General
Power supply class III 1)(EU) / class 2 (NA)
- for 0 – 1 V 10 – 35 V DC or 9 – 29 V AC
- for 0 – 10 V 15 – 35 V DC or 15 – 29 V AC
- for 4 – 20 mA 10 V + RL x 20 mA < UV < 35 V DC
Current consumption, typ.
- DC supply: 10 mA
- AC supply: 20 mums
- Electrical connection Screw terminals max. 2.5 mm2
- Cable feedthrough Cable gland M16x1.5 cable Ø 4.5 – 10 mm (0.18 – 0.39″)
Enclosure
- Material
- Polycarbonate
- Metal AlSi9Cu3
- Protection rating IP65 / NEMA 4
Electromagnetic compatibility
- EN 61326-1:2013 EN 61326-2-3:2013
- Industrial Environment
- FCC Part15 ClassA ICES-003 ClassA
Working and storage conditions
- -40…60 °C (-40…140 °F) without display
- -30…60 °C (-22…140 °F) with display
- 0…95 %RH, non-condensing
- 700…1 200 mbar
- USA & Canada class 2 supply required, max. supply voltage 30 V DC
For technical data EE07 and EE03 please see the corresponding data sheets at www.epluse.com/ee220.
Contact Information
HEADQUARTERS
- E+E Elektronik Ges.m.b.H. Langwiesen 7 4209 Engerwitzdorf Austria
- Tel.: +43 7235 605-0
- E-mail: [email protected]
- Web: www.epluse.com.
SUBSIDIARIES
E+E Elektronik China
- 18F, Kaidi Financial Building, No.1088 XiangYin Road 200433 Shanghai
- Tel.: +86 21 6117 6129
- E-mail: [email protected].
E+E Elektronik France
- 47 Avenue de l‘Europe 92310 Sèvres
- Tel.: +33 4 74 72 35 82
- E-mail: [email protected]
E+E Elektronik Germany
- Obere Zeil 2 61440 Oberursel
- Tel.: +49 6171 69411-0
- E-mail: [email protected]
E+E Elektronik Italy
- Via Alghero 17/19 20128 Milano (MI)
- Tel.: +39 02 2707 86 36
- E-mail: [email protected]
E+E Elektronik Korea
- Suite 2001, Heungdeok IT Valley Towerdong, 13, Heungdeok 1-ro, Giheung-gu 16954 Yongin-si, Gyeonggi-do
- Tel.: +82 31 732 6050
- E-mail: [email protected]
E+E Elektronik USA
- 333 East State Parkway Schaumburg, IL 60173
- Tel.: +1 847 490 0520
- E-mail: [email protected].
