MAKING MODERN
LIVING POSSIBLE
THE REAL DRIVE
Design Guide
VLT® Soft Starter – MCD 100
Contents
MCD 100 VLT Soft Starter
All about MCD 100
MCD 100 Design Guide
1.1.1 Introduction
The MCD 100 soft starters are designed for soft starting and stopping of 3 phase a.c. motors, thus reducing the inrush current and eliminating the damaging effects of high starting torque surges.
The digitally controlled soft starter features accurate settings and easy installation. The controller has individually adjustable acceleration and deceleration times.
Thanks to the adjustable initial torque and the unique breakaway (kick start) function the soft starter can be optimized for almost any application.
The MCD 100 soft starters are typically used on motor applications where a smooth stat and/or stop is advantageous, such as conveyors, fans, pumps, compressors and high inertia loads. MCD 100 soft starters are also obvious as replacement for star/delta starters.
1.1.2 Features
- Motor load max. 25 A
- Acceleration times adjustable: 0-10 seconds
- Deceleration times adjustable: 0-10 seconds
- Initial torque adjustable up to 85%
- Breakaway function (kick start)
- Universal control voltage: 24 – 480 V AC / DC
- Automatic detection of missing phases
- Automatic adaptation to 50/60 Hz
- LED Status indication
- Unlimited start/stop operations per hour (15A & 25A)
- Built in varistor protection
- Compact modular design
- DIN rail mountable
- CE (EN 60947-4-2)
- CULUS (UL 508)
1.1.3 Adjustments
Illustration 1.1
1.1.4 Selection Guide
| Type | Max. power | Max. FLC | Voltage | DD order code |
| MCD 100-001 | 0,75 kW | 3 A | 208 – 240 V | 175G4000 |
| MCD 100-001 | 1,5 kW | 3 A | 400 – 415 V | 175G4001 |
| MCD 100-001 | 1,5 kW | 3 A | 440 – 480 V | 175G4002 |
| MCD 100-001 | 2,2 kW | 3 A | 550 – 600 V | 175G4003 |
| MCD 100-007 | 4 kW | 15 A | 208 – 240 V | 175G4004 |
| MCD 100-007 | 7,5 kW | 15 A | 400 – 480 V | 175G4005 |
| MCD 100-007 | 7,5 kW | 15 A | 500 – 600 V | 175G4006 |
| MCD 100-011 | 7,5 kW | 25 A | 208 – 240 V | 175G4007 |
| MCD 100-011 | 11 kW | 25 A | 400 – 480 V | 175G4008 |
| MCD 100-011 | 15 kW | 25 A | 500 – 600 V | 175G4009 |
Table 1.1
Technical Data
| Output specifications | MCD 100 – 001 | MCD 100 – 007 | MCD 100 – 011 |
| Operational current max. | 3A | 15A | 25A |
| Motor size at: 208 – 240 V AC 400 – 480 V AC 550 – 600 V AC |
0.1-0.75 kW (0.18-1 HP) 0.1-1.5 kW (0.18-2 HP) 0.1-2.2 kW (0.18-3 HP) |
0.1-4.0 kW (0.18-5.5 HP) 0.1-7.5 kW (0.18-10 HP) 0.1-7.5 kW (0.18-10 HP) |
0.1-7.5 kW (0.18-10 HP) 0.1-11 kW (0.18-15 HP) 0.1-15 kW (0.18-20 HP) |
| Leakage current max. | 5 mA | ||
| Min. operational current | 50 mA | ||
| Ratings: AC-53a Asynchronous motors AC-53b Asynchronous motors with bypass AC-58a Hermetic refrigeration compressors |
– 3A : AC-53b : 4-10 : 110 – |
15A : AC-53a : 8-3 :100 – 3000 – 15A : AC-58a : 6-6 : 100 – 3000 |
25A : AC-53a : 8-3 : 100-3000 – 25A : AC-58a : 6-6 : 100-3000 |
Table 1.2
| Control Circuit Specifications | |
| Control voltage range, 230 V | 24-230 V |
| Control voltage range, 400-600 V | 24 – 480 V AC / DC |
| Pick-Up voltage max. | 20.4 V AC / DC |
| Drop-out voltage min. | 5 V AC / DC |
| Max. control current for no operation | 1 mA |
| Control current / Power max. | 15 mA / 2 VA |
| Response time max. | 70 ms |
| Ramp-up time | Adjust. from 0-10 sec. |
| Ramp-down time | Adjust. from 0-10 sec. |
| Initial torque | Adjust from 0-85% of nominal torque with optional, Kick start. |
| EMC immunity and emission | Meets requirements of EN 60947-4-2 |
Table 1.3
| Insulation | |
| Rated insulation Voltage, Ui | 660 V AC |
| Rated impulse withstand Voltage, Uimp | 4 kV |
| Installation Category | III |
Table 1.4
| Thermal Specifications | MCD 100 – 001 | MCD 100 – 007 | MCD 100 – 011 |
| Power dissipation continuous duty max.: | 4W | 2W/A | |
| Power dissipation intermittent duty max.: | 4W | 2W/A x Duty cycle | |
| Ambient temperature range | -5° C to 40°C | ||
| Cooling method | Natural convection | ||
| Mounting | Vertical +/- 30° | ||
| Max. ambient temperature with limited rating | 60°C, see derating for high temperatures in paragraph Operating at High Temperatures. | ||
| Storage temp. range | -20°C to 80°C | ||
| Protection degree/pollution degree | IP 20 / 3 | ||
Table 1.5
| Materials | |
| Housing | Self extinguishing PPO UL94V1 |
| Heatsink | Aluminium black anodized |
| Base | Electroplated steel |
Table 1.6
1.3.1 Functional Diagram
Example 1:
Soft start and soft stop
Example 2:
Soft start with kick start and soft stop Soft start
Table 1.7
1.3.2 Functional Description
Ramp up
During ramp-up the controller will gradually increase the voltage to the motor until it reaches full line voltage. The motor speed will depend on the actual load on the motor shaft. A motor with little or no load will reach full speed before the voltage has reached its maximum value. The actual ramp time is digitally calculated and will not be influenced by other settings, net frequency or load variations.
Initial torque
The initial torque is used to set the initial starting voltage.
This way it is possible to adapt the controller to an application requiring a higher starting torque. In some cases the application will need a high break-away torque.
Here, the initial starting torque level can be combined with a kick start function. The kick start is a period of 200 ms where the motor receives full voltage.
Soft stop
During ramp-down the controller will gradually reduce the voltage to the motor thus reducing the torque and current. As a consequence the motor speed will fade off.
The soft stop feature is advantageous to avoid liquid hammering and cavitation on pumps, and to avoid goods tilting on conveyors.
1.3.3 LED Status Indication
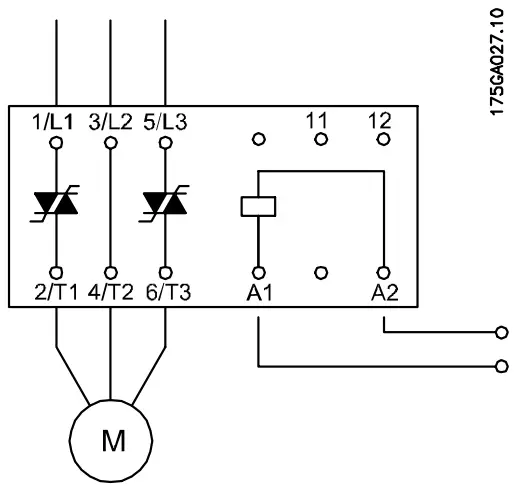
1.3.4 Wiring
Illustration 1.2 MCD 100 – 007 / MCD 100 – 011
1.3.5 Adjustments
MCD 100 provides Timed Voltage Ramp up. This means that the motor voltage is gradually ramped up to full line voltage according to the time set by the rotary switch.
To avoid soft starter damage, proper settings of initial torque level and ramp up time must be considered. It is important to ensure that the motor is accelerated to full speed before the soft starter is in full on mode.
Setting the initial torque level:
- Set ramp up time to max.
- Set initial torque switch to min.
- Apply control signal for a few seconds. If the motor does not rotate immediately increase the initial torque level with on step and try again.
Repeat until the motor starts to rotate immediately after control signal is applied.
Setting the ramp up time:
- Set ramp up time to max.
- Decrease the ramp up time until mechanical surge is observed.
- Increase ramp up time with one step.
1.3.6 Fuses and short circuit protection
In case of short circuits normal fuses can be used to protect the installation – but not the soft starter. The following table lists data for the selection of normal fuses.
| MCD 100-001 | Protection max 25 A gL/gG |
| MCD 100-007 | Protection max 50 A gL/gG |
| MCD 100-011 | Protection max 80 A gL/gG |
Table 1.9
Semiconductor fuses may be used with MCD 100 soft start controllers. Use of semiconductor fuses will protect the SCR’s in case of short circuits and reduce the potential of SCR damage due to transient overload currents. When selecting semiconductor fuses ensure that the fuse has a lower total clearing I2 t rating than the SCR (see data in the following table), and that the fuse can carry the start current for the actual start duration.
| MCD 100 | SCR I2t (A2s) |
| MCD 100-001 | 72 |
| MCD 100-007 | 1800 |
| MCD 100-011 | 6300 |
Table 1.10
1.3.7 Dimensions

1.3.8 Operating at High Temperatures
| Ambient temperature | Continous current | ||
| MCD 100 – 001 | MCD 100 – 007 | MCD 100 – 011 | |
| 40°C | 3 A | 15 A | 25 A |
| 50°C | 2.5 A* | 12.5 A | 20 A |
| 60°C | 2.0 A* | 10 A | 17 A |
Table 1.11
* Minimum 10 mm side clearance between products
| Ambient temperature | Duty-cycle rating (15 min. max. on-time) | |
| MCD 100 – 007 | MCD 100 – 011 | |
| 40°C | 15 A (100 % duty-cycle) | 25 A (100 % duty-cycle) |
| 50°C | 15 A (80 % duty-cycle) | 25 A (80 % duty-cycle) |
| 60°C | 15 A (65 % duty-cycle) | 25 A (65 % duty-cycle) |
Table 1.12
1.3.9 Over Heat Protection
If required the controller can be protected against overheating by inserting a thermostat in the slot on the right-hand side of the controller.
Order: UP 62 thermostat 037N0050
Depending on the application the thermostat can be connected in series with the control circuit of the main contactor. When the temperature of the heat sink exceeds 90° C the main contactor will be switched OFF. A manual reset is necessary to restart this circuit.
For wiring connections see 1.4 Application Examples.

1.3.10 Mounting Instructions
The controller is designed for vertical mounting. If the controller is mounted horizontally the load current must be reduced by 50%.
The controller needs no side clearance.
Clearance between two vertical mounted controllers must be minimum 80 mm (3.15”).
Clearance between controller and top and bottom walls must be minimum 30 mm (1.2”).
Application Examples
1.4.1 Overheat protection
Example 1
The thermostat can be connected in series with the control input of the soft starter. When the temperature of the heat sink exceedes 90°C the soft starter will be switched OFF.
NOTE
When the temperature has dropped approximately 30°C the controller will automatically be switched On again. This is not acceptable in some applications.
Example 2
The thermostat is connected in series with the control circuit of the main contactor. When the temperature of the heat sink exceeds 90°C the main contactor will be switched OFF. This circuit requires manual reset to restart the motor.
1.4.2 Line Controlled Soft Start
When the contractor C1 is switched to the ON-State, the soft starter will start the motor, according to the settings of the Ramp-up time and Initial torque adjustments.
When the contactor C1 is switched to the OFF-State, the motor will be switched off instantaneously.
In this application the contactor will have no load during making operation. The contactor will carry and break the nominal motor current.

1.4.3 Input Controlled Soft Start
When the control voltage is applied to A1 – A2, the MCD soft starter will start the motor, according to the settings of the Ramp-up time and Initial torque adjustments.
When the control voltage is switched OFF, the motor will be soft stopped according to the settings of the Rampdown time adjustments.
To switch off instantaneously set the Ramp-down time to 0.
Danfoss can accept no responsibility for possible errors in catalogues, brochures and other printed material. Danfoss reserves the right to alter its products without notice. This also applies to products already on order provided that such alterations can be made without subsequential changes being necessary in specifications already agreed.
All trademarks in this material are property of the respective companies.
Danfoss and the Danfoss logotype are trademarks of Danfoss A/S. All rights reserved.
MG12A202 – VLT®
is a registered trademark
www.danfoss.com/drives
175R0997
MG12A202
MG12A202