
Contents
Installation Instructions
Pressure Transmitter Unit PTU 025
VLT® HVAC Drive FC 102
Items Supplied
See Illustration 1.1 for the list of supplied items.

| 1 | M25 nut | 5 | Pressure Transmitter Unit PTU 025 |
| 2 | M25 ground washer connection | 6 | Tube relief plate |
| 3 | M25 star washer | 7 | Interface cable for the C-option port |
| 4 | M25 gasket | 8 | Cable binders |
Table 1.1
Illustration 1.1 Pressure Transmitter Unit PTU 025 and Items Supplied
To order the unit, use the following ordering number:
| Model | Ordering number |
| PTU 025, 4 inputs | 134B5925 |
Table 1.2 Ordering Numbers
The PTU 025 unit can be installed in IP55 and IP66 enclosures, and can be connected with the frequency converter using the C-option interface. This instruction is applicable for a frequency converter in a standard configuration without any modifications.
Safety Instructions
For important information about safety precautions for installation, refer to the product-specific operating guide.
DISCHARGE TIME
The frequency converter contains DC-link capacitors, which can remain charged even when the frequency converter is not powered. High voltage can be present even when the warning LED indicator lights are off. Failure to wait the specified time after power has been removed before performing service or repair work can result in death or serious injury.
- Stop the motor.
- Disconnect AC mains and remote DC-link power supplies, including battery back-ups, UPS, and DC-link connections to other frequency converters.
- Disconnect or lock PM motor.
- Wait for the capacitors to discharge fully. The minimum duration of waiting time is specified in Table 1.3.
- Before performing any service or repair work, use an appropriate voltage measuring device to make sure that the capacitors are fully discharged.
| Voltage [V] |
Minimum waiting time (minutes) |
|||||
| 4 | 7 | 15 | 20 | 30 |
40 |
|
| 200-240 | 1.1-3.7 kW (1.50-5 hp) |
– | 5.5-45 kW (7.5-60 hp) |
– | – |
– |
| 380-480 | 1.1-7.5 kW (1.50-10 hp) |
– | 11-90 kW (15-121 hp) |
– | – | 315-1000 kW (450-1350 hp) |
| 400 |
– |
– | – | 90-315 kW (121-450 hp) |
– |
– |
| 500 |
– |
– | – | 110-355 kW (150-500 hp) |
– |
– |
| 525 |
– |
– | – | 75-315 kW (100-450 hp) |
– |
– |
| 525-600 | 1.1-7.5 kW (1.50-10 hp) |
– | 11-90 kW (15-121 hp) |
– | – |
– |
| 690 | – | – | – | 90-315 kW (100-350 hp) |
– |
– |
| 525-690 | – | 1.1-7.5 kW (1.50-10 hp) |
11-90 kW (15-121 hp) |
– | 400-1400 kW (500-1550 hp) 450-1400 kW (600-1550 hp) |
– |
Table 1.3 Discharge Time, VLT® HVAC Drive FC 102
Mechanical installation
Prepare the hole for the installation
The options to mount the PTU 025 unit on an IP55/66 enclosure include the following:
- Factory-installed M25 tread.
- Using the knock-out plate.
- Making a new hole in the connection plate. Hole diameter: 25 mm (0.98 in).

Illustration 1.2 PTU 025 Installation Hole
For grounding purpose, ensure that there is a good electrical connection between the PTU 025 mounting star washer and the enclosure.
Installing the Unit
To install PTU 025:
- Place the gasket between the PTU 025 unit and the enclosure. This is necessary for the IP55/66 rating.
- Inside the enclosure, place the star washer, the ground connection, and the nut. See Illustration 1.3.
- Put the ground wire inside the enclosure through the star washer, the ground connection, and the nut.
- Rotate the unit to the required position. The unit can be rotated 360°.
- Fasten the nut with the momentum 5 Nm. The unit cannot be rotated after fastening the nut. See Illustration 1.4.

Illustration 1.3 The Nut, The Ground Connection, The Washer, The Gasket

Illustration 1.4 Positioning the Unit
Electrical Installation
- Connect the PTU 025 unit to the C-option port. Ensure that the connectors are secure in sockets on both ends and secure the cable inside the enclosure with cable binders. See Illustration 1.5.
- Wire the outputs for the related signals and statuses.
- Mount the front cover of the frequency converter.
- Power up the frequency converter. Ensure that the frequency converter identifies the PTU 025 unit.

Illustration 1.5 PTU 025 Electrical Connection to the C-option Port
Pressure Signals on Outputs
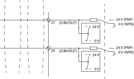
The frequency converter can be configured to transmit the pressure values on analog output or active status on digital and relay outputs. Perform the configuration in parameter group 5-** Main Menu – Digital In/Out and parameter group 6-** Main Menu – Analog In/Out. See the wiring diagram in Illustration 1.6.

Illustration 1.6 Wiring Diagram
Mounting the Pressure Tubes
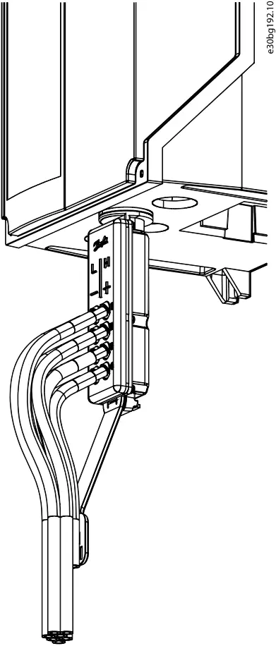
PTU 025 has 5 mm (0.2 in) tube connection taps. Attach high-pressure input tubes to the taps labeled H +, and the low-pressure tubes on the L – taps. To prevent clogging of sensors, attach tubes to all connection taps. See Illustration 1.7.

Illustration 1.7 Mounting Pressure Tubes
Put a tube connection on all pressure transmitter taps to minimize the amount of dirt entering the unit. The minimum tube length is 80 mm (3.1 in). If a sensor uses the surrounding pressure level, cut the tube at a place farther than the tube relief plate.
Parameter Configuration
After PTU 025 is installed, power up the frequency converter. The LCP shows alarm A80, Drive initialized, which indicates that the frequency converter detected the new device. Press [Reset] to reset the alarm.

Illustration 1.8 Alarm A80, Drive Initialized
Use the LCP or MCT 10 Set-up Software to configure PTU 025. The PTU 025 option can be configured for the following purposes:
- Monitoring of the pressure transmitter signals.
- Showing the readouts on the LCP or transmitting them via the fieldbus.
- Integration of the pressure monitoring into a system solution.
- PID closed-loop control based on airflow or pressure levels.
Signals from all PTU 025 sensors are active all the time and the frequency converter can show the values on the LCP continuously. Use parameters in parameter group 31-2* Readouts to monitor filters, airflow, and pressure levels on the LCP or configure warnings or alarms. Values in parameter group 31-2* Readouts are also available via the fieldbus.
MCT 10 Set-up Software and the frequency converter check whether the entered pressure values are within the operating ranges of sensors. The LCP shows a warning if the entered pressure value is outside the operating range.
Use parameter 31-30 Press Sens Cmp State in the smart logic control to achieve application-specific functionality. Use parameters in parameter group 13-9* User-defined Alerts and Readouts to configure application-specific messages, warnings, and alarms. For more information, see the programming guide.
31-** Pressure Sensor Option
Parameters related to the PTU 025 option.
31-2* Configuration
Each pressure-related status has its own below-level and above-level trigger thresholds. The thresholds can be activated individually. When the actual pressure level exceeds the threshold level, the frequency converter waits for the value in parameter 31-23 On Delay Time, and then performs a status change of a status. When the actual pressure goes below the threshold level, the value in parameter 31-24 Reset Delay Time defines when the status is reset. The value in parameter 31-25 Pressure filter time constant adjusts the dynamic of the reaction to the actual pressure input, to ensure reliable and stable status generation.
| 31-20 Pressure/Speed Curve | ||
| Select the type of the pressure/speed curve. Each pressure sensor can have a different setting. For options [1] Linear and [2] Square root, the pressure threshold at 0 speed equals 10% of the value entered in parameter 31-21 Below level threshold or parameter 31-22 Above level threshold. See Illustration 1.9. Illustration 1.9 Pressure/Speed Dependency |
||
| Option: | Function: | |
| [0] * | None | The pressure threshold is constant and does not depend on speed. |
| [1] | Linear | The pressure threshold is proportional to the speed. |
| [2] | Square root | The pressure threshold depends on the speed. The dependency is quadratic. |
| 31-21 Below level threshold | ||
| Range: | Function: | |
| #* | [ -2500 – 2500 Pa] | Enter the below-level threshold. |
| 31-22 Above level threshold | ||
| Range: | Function: | |
| #* | [ -2500 – 2500 Pa] | Enter the above-level threshold. |
| 31-23 On Delay Time | ||
| Range: | Function: | |
| 60 s* | [0 – 3600 s] | Enter the on delay time. |
| 31-24 Reset Delay Time | ||
| Range: | Function: | |
| 9999 s* | [0 – 9999 s] | Enter the reset delay time. |
| 31-25 Pressure filter time constant | ||
| Range: | Function: | |
| 1 s* | [0.01 – 60 s] | Enter the pressure filter time constant. A longer value make the pressure signal more stable but less dynamic. A shorter value allows to eliminate signal spikes and keep control more dynamic. |
31-2* Readouts
Parameters in this group contain the actual pressure levels and the status information. The LCP can be configured to show the values of these parameters in different display lines. The toggle function allows to show multiple pressure signals in the same LCP line. The number is followed by the hash sign (#). See Illustration 1.9.
Use parameter 0-20 Display Line 1.1 Small to parameter 0-24 Display Line 3 Large to configure the LCP to show different pressure values.

Illustration 1.9 Pressure Sensor Data on the LCP
| 31-26 Pressure Sensor 1 | ||
| Range: | Function: | |
| 0 Pa* | [-500 – 500 Pa] | Shows the readout of pressure sensor 1. |
| 31-27 Pressure Sensor 2 | ||
| Range: | Function: | |
| 0 Pa* | [-500 – 500 Pa] | Shows the readout of pressure sensor 2. |
| 31-28 Pressure Sensor 3 | ||
| Range: | Function: | |
| 0 Pa* | [-1000 – 1000 Pa] | Shows the readout of pressure sensor 3. |
| 31-29 Pressure Sensor 4 | ||
| Range: | Function: | |
| 0 Pa* | [-2500 – 2500 Pa] | Shows the readout of pressure sensor 4. |
| 31-30 Press Sens Cmp State | ||
| Range: | Function: | |
| 0* | [0 – 255] | Shows the pressure sensor state. The state is an 8digit binary value, where 1 indicates an active status and 0 indicates an inactive status. Reading from right to left, the first 4 digits indicate the alarms for the below-level threshold, and the last 4 digits the alarms for the above-level threshold. For instance, counting from right to left, sensor 1 for the below-level threshold is at position 1, and sensor 1 for the above-level threshold is at position 5. See Illustration 1.9.
When using this parameter in the smart logic controller, the output status signal for the below-level threshold and for the above-level threshold is the same for a specific sensor. For example, in the following cases the output status signal is the same:
|
| 31-31 Press Sens toggle | ||
| Range: | Function: | |
| [0 – 4] | Shows the pressure values on all sensors. The readout switches between sensors in a loop, going from sensor 1 to sensor 4. The sensor number is followed by a hash sign, see Illustration 1.9. | |
Application Integration
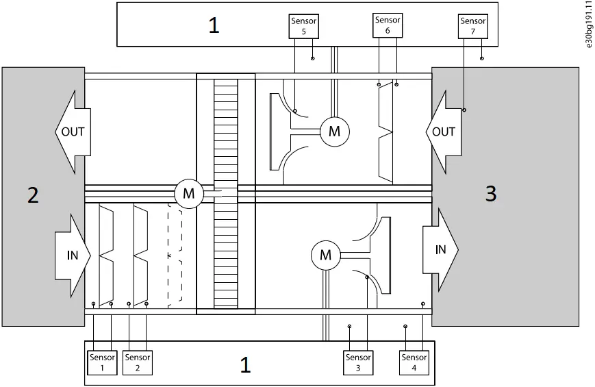
PTU 025 is designed for central air handling units with 1 or more filters in the inlet/outlet part and with fan control based on the airflow or pressure level in the ventilation system. Separate frequency converters with separate pressure transmitter units control the inlet and outlet. PTU 025 has 4 pressure inputs. See the pressure ranges in Table 1.4. Sensors 3 and 4 can be configured for either filter monitoring or PID control of the airflow or the pressure level.

Illustration 1.10 Application Integration Example
- Frequency converter
- Outside
- Building
| # | Range | Typical function |
| 1 | 0-500 Pa | Filter monitoring |
| 2 | 0-500 Pa | Filter monitoring |
| 3 | 0-1000 Pa | Filter monitoring or PID control of the airflow or the pressure level |
| 4 | 0-2500 Pa | Filter monitoring or PID control of the airflow or the pressure level |
Table 1.4 PTU 025 Sensors and their Functions
Integrating pressure signals into a system solution
The pressure values can be read as analog values on the analog output or as pulses on digital outputs. Use
parameter 5-30 Terminal 27 Digital Output,
parameter 5-31 Terminal 29 Digital Output, and
parameter 5-40 Function Relay to send the sensor status to the relay or digital outputs. For more information about using the pressure values in applications and in the smart logic control, see the programming guide.
PID closed-loop control based on the airflow or pressure level
Use parameters in parameter group 20-0* Feedback to use the pressure values for the frequency converter’s closed-loop PID controller.
Use parameters in parameter group 22-** Application Functions to configure the monitoring of HVAC applications based on airflow. For more information, see the operating guide and the programming guide.
MI08A102 Danfoss A/S © 12/2017 All rights reserved.
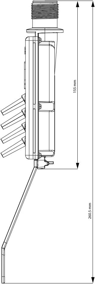
Dimensional Drawings

Illustration 1.11 Dimensional Drawings
Danfoss can accept no responsibility for possible errors in catalogues, brochures and other printed material. Danfoss reserves the right to alter its products without notice. This also applies to products already on order provided that such alterations can be made without subsequential changes being necessary in specifications already agreed. All trademarks in this material are property of the respective companies. Danfoss and the Danfoss logotype are trademarks of Danfoss A/S. All rights reserved.
Danfoss A/S
Ulsnaes 1
DK-6300 Graasten
vlt-drives.danfoss.com
130R0803 MI08A102
12/2017
Illustration 1.9 Pressure/Speed Dependency