ENGINEERING
TOMORROW
Data sheet
Fuel Pump type BFP 52E- size 3 and 5
Compatible with heating oil up to 100% biodiesel (FAME and UCOME)
Contents
Application
BFP 52E fuel pumps – size 3 and 5 are designed for small/medium-sized 2-stage domestic fuel burners up to 42 l/h.
BFP 52E features:
- Light oil, kerosene and biofuel blends hereof
- 1 or 2-pipe operation
- 2-stage
- Two built-in pressure regulators
- Solenoid valve cut-off
- Cartridge filter
- Bio compatible pressure and solenoid valve (Bio100 – version)
Function

From the suction inlet (S) fuel is drawn through the filter (H) to the gear set, where the pressure is increased. By means of the diaphragm (D) in the pressure regulator for stage 1 (T1), the pressure is kept constant at the value set on adjustment screw (P1).
When voltage is applied to the NC-valve, it opens and releases fuel to the nozzle outlet.
When voltage is applied to the NO-valve, it closes and puts the pressure regulator (T1) out of function.
The pressure now rises to the pressure regulator (T2) value for stage 2 set on adjustment screw (P2).
In 2-pipe systems the excess fuel is led back to the return outlet (R) and the tank. In 1-pipe systems with plugged return outlet (R) and screw (A) removed, the fuel is returned internally to the gear set (see figure).
Cut-off function, solenoid valve
When the burner stops, the voltage to the solenoid valves is cut off.
The NO-valve opens and the NC-valve closes and cuts off the fuel flow to the nozzle outlet immediately.
Bleeding
In 2-pipe systems the pump is self-priming, i.e.
bleeding is performed via the constriction (O) to the return outlet (R).
In 1-pipe systems with plugged return outlet (R), bleeding must be performed through the nozzle outlet (E) or the pressure gauge port (P).
Warranty
For pumps used outside the stated technical data and used with fuel containing abrasive particles Danfoss cannot give any warranty.
Note!
Do not mount the pump with the solenoid valve pointing downwards.
The solenoid valve must be replaced after 250.000 operations or 10 years (approved life expectancy).
By changing the materials of the components within our pumps, in relation to the different types of fuels
– we ensure all product components are 100% bio compatible.
Identification
Nozzle capacity at 4.3 cSt., 10 bar, 2800 min-1
Technical data
| 8FP 52E | 3 | 5 |
| Fuel type | Standard fuel according to DIN EN 51603-1 and biofuel according to DIN EN 51603-6;-8 and EN14214 | |
| Viscosity range (measured in suction inlet) 1 | (1.3) 1.8 to 12.0 cSt. (mmVs) | |
| Filter area/mesh | 11 cm2/200 pm | |
| Pressure range, stage 1 1)2) | 7 to 15 bar | |
| Pressure range, stage 2 1)2) | 10 to 25 bar | |
| Default setting, stage 1 | 10 ±1 bar | |
| Default setting, stage 2 | 13 ±1 bar | |
| Max. pressure in suction inlet/return outlet | 2 bar | |
| Speed | 2400 to 3450 mint-1 | 1400 to 3450 mind-1 |
| Max. starting torque | 0.1 Nm | 0.12 Nm |
| Ambient/transport temperature | -20 to +70° C | |
| Temperature of medium | 0 to +70° C | |
| Coil power consumption | 9 W | |
| Rated voltage (other voltages on request) | 230 V, 50/60 Hz | |
| Coil enclosure | IP 40 | |
| Shaft/neck | EN 225 | |
1)Max. 12 bar at 1.3 cSt., max. 15 bar at 1.8 cSt.
2)If blend oil used, technical data can be different
Nozzle capacity
Operating torque
Power consumption

Connections
Example shows BFP 52E L5L
P1: Pressure adjustment stage 1
P2: Pressure adjustment stage 2
S: Suction inlet G 1/4
R: Return outlet G 1/4
E: Nozzle outlet G 1/8
P: Pressure gauge port G 1/8
V: Vacuum gauge port G 1/8
H:Filter
Note! Shaft rotation, location of nozzle outlet and other connections are seen from shaft end.
RH: R-rotation
LH: L-rotation
Change-over and Filter Replacement
H: Filter
A: 2-pipe operation, with screw
1-pipe operation, without screw
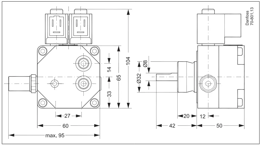
Dimensions

Additional documentation on burner components is available on https://danfoss.com/
Danfoss A/S
Climate Solutions • danfoss.com • +45 7488 2222
Any information, including, but not limited to information on selection of product its application or use, product design, weight, dimensions, capacity or any other technical data in product manuals, catalogues descriptions, advertisements, etc. and whether made available in writing, orally, electronically, online or via download, shall be considered informative, and is only binding if and to the extent explicit reference is made in a quotation or order confirmation. Danfoss cannot accept any responsibility for possible errors in catalogues, brochures, videos and other material.
Danfoss reserves the right to alter its products without notice. This also applies to products ordered but not delivered provided that such alterations can be made without changes to form, fit or function of the product.
All trademarks in this material are property of Danfoss A/S or Danfoss group companies. Danfoss and the Danfoss logo are trademarks of Danfoss A/S. All rights reserved.
© Danfoss | DCS-SGDPT/DK | 2023.03
AI131186455414en-010401