Contents
COOLER MASTER ML240 Illusion White Edition

MASTERLIQUID ML240 ILLUSION
WHITE EDITION MASTERLIQUID ML240
ILLUSION MASTERLIQUID ML360 ILLUSION
- USER MANUAL

- 02. ML240 ILLUSION

- . ML360 ILLUSION

- Intel & AMD

- Intel – LGA 1200/115X/2066/2011-v3/2011

- Intel – LGA 1200/1151/1150/1155/1156

- Intel – LGA 2066/2011-v3/2011

- AMD Socket AM4 / AM3+ / AM3 / AM2+ / FM2+ / FM2 / FM1

- AMD Socket AM4 / AM3+ / AM3 / AM2+ / FM2+ / FM2 / FM1

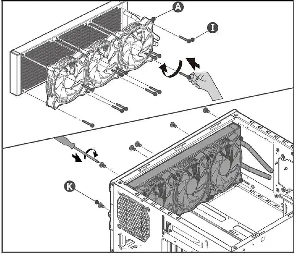
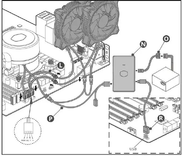
- ML240 ILLUSION

- ML360 ILLUSION

- ML240 ILLUSION

- ML360 ILLUSION

- As a result of bubbles in the coolant, you might hear sounds coming from your cooler on the first run. Just chill out for 15 minutes and the sounds will disappear.
Please visit our website at www.coolermaster.com
- Asia Pacific – Cooler Master Technology Inc. 8F., No. 788-1,
- Zhongzheng Rd., Zhonghe Dist., New Taipei City 23586, Taiwan (R.O.C.)
- Tel: +886-2-2225-3517 Europe – Cooler Master Europe B.V. Lodewijkstraat 1b, 5652AC Eindhoven,
The Netherlands
- Tel: +31-(0)40-702-0900 China – Cooler Master China Room 2062, Floor 6, No. 421, Weiquing Rd.,
- Jinshan District, Shanghai City, China
Tel: +86-21-51872177 North America – Cooler Master NA 2929 - E Imperial Highway, Ste 110 Brea CA, 92821,
USA Tel: +1-888-624-5099
For the most updated information, please visit our official website: www.coolermaster.com Cooler Master Support: https://account.coolermaster.com/
512004151-
GP Ver 2.0 2021/03 02021 Cooler Master Technology Inc. All Rights Reserved. All trademarks are registered to their respective owners.
