Contents
CHAMPION POWER EQUIPMENT 100136 Home Standby Generator

Specifications
Model: 100136
Product Registration
To protect your investment and activate your 10-year warranty, please register your product on our website. The registration requirements include:
- Full name
- Address where installed
- Phone number
- Complete model number (generator + transfer switch)
- Generator serial number
- Purchase date
- T-shirt size
Please note that the promotional offer is valid for one home standby generator purchase per household. After submitting your registration, it may take up to 15 business days for verification and mailing out of free items. The 10-year warranty is activated immediately upon registration.
Introduction
Home Standby Generator
The Champion Home Standby Generator is designed to provide reliable backup power during outages. It is not intended for use in critical life support applications.
Parts Included
The following parts are included with the Home Standby Generator:
- Main Circuit Breaker
- Exercise Switch
- Set Exercise Time
- Hour Meter
- Engine Control Module
- Reset Fault Code(s)
- ATS Control Module
General Information, Standards and Codes
The information, illustrations, and specifications in this manual are based on the latest available information at the time of publishing. Please note that the illustrations are representative reference views only. Champion Power Equipment follows a continuous improvement policy, and therefore, the information, illustrations, and specifications may be changed without notice to explain or exemplify product, service, or maintenance improvements.
Safety
Safety Symbol Definitions
The following safety symbols are used in this manual:
- Danger: Indicates a hazardous situation which, if not avoided, will result in death or serious injury.
- Warning: Indicates a hazardous situation which, if not avoided, could result in death or serious injury.
- Caution: Indicates a hazardous situation which, if not avoided, could result in minor or moderate injury.
Warnings
It is important to adhere to the following warnings for safe operation of the generator:
- The generator must be installed and operated outdoors only.
Mandatory Actions
The following actions are mandatory for the safe operation of the generator:
- Read and understand all safety instructions and warnings before operating the generator.
- Follow all local electrical codes and regulations.
- Ensure proper grounding of the generator.
- Keep flammable materials away from the generator.
- Do not touch the generator with wet hands or while standing in water.
- Do not modify or tamper with the generator’s electrical system.
- Do not overload the generator beyond its rated capacity.
- Keep children and pets away from the generator.
- Do not operate the generator in enclosed or partially enclosed areas.
- Do not operate the generator in wet conditions.
- Do not operate the generator in explosive atmospheres.
Safety Labels and Hang Tags
The generator is equipped with safety labels and hang tags to provide important safety information. Please read and understand these labels and tags before operating the generator.
Safety Label and Hang Tag Locations
The safety labels and hang tags are located at the following positions on the generator:
- Main Circuit Breaker
- Exercise Switch
- Set Exercise Time
- Hour Meter
- Engine Control Module
- Reset Fault Code(s)
- ATS Control Module
General Information
Main Circuit Breaker
- The main circuit breaker is a safety device that protects the generator’s electrical system from overload. It should be properly sized and installed according to local electrical codes.
Exercise Switch
- The exercise switch allows you to manually start the generator for routine maintenance and testing purposes. Refer to the user manual for detailed instructions on how to use the exercise switch.
Set Exercise Time
- The set exercise time feature allows you to schedule automatic exercise cycles for the generator. This helps ensure that the generator is properly maintained and ready for operation during power outages. Refer to the user manual for instructions on how to set the exercise time.
Hour Meter
- The hour meter displays the total number of hours that the generator has been in operation. It is used for maintenance purposes to track the generator’s usage and schedule maintenance tasks accordingly.
Engine Control Module
- The engine control module is responsible for controlling the operation of the generator’s engine. It monitors various parameters and ensures the engine operates within safe limits. Refer to the user manual for more information on the engine control module’s functions and indicators.
Reset Fault Code(s)
- In case of a fault or error, the generator may display fault codes to indicate the specific issue. The reset fault code(s) feature allows you to clear these fault codes after addressing the underlying problem. Refer to the user manual for instructions on how to reset fault codes.
ATS Control Module
- The ATS control module is used when the generator is connected to an automatic transfer switch (ATS). It controls the transfer of power between the utility and the generator during power outages.
Refer to the user manual for more information on the ATS control module’s functions and settings.
FAQ
Q: Can I use the generator for critical life support applications?
- A: No, the generator is not intended for use in critical life support applications.
Q: Where can I register my product?
- A: You can register your product on our website at www.championpowerequipment.com/HSB-offer.
Q: How long does it take for the registration to be verified and free items to be mailed out?
- A: It may take up to 15 business days for the registration to be verified and free items to be mailed out.
Q: Can I operate the generator indoors?
- A: No, the generator must be installed and operated outdoors only.
Q: Where can I find the complete model number?
- A: The complete model number can be found on the purchase receipt.
Q: What should I do if I have questions or need assistance?
- A: If you have any questions or need assistance, please visit our website at www.championpowerequipment.com or call our Customer Care Team toll-free at 1-877-338-0999.
- PLUS, GET A FREE T-SHIRT!
- In exchange for an honest rating and review of your Champion product, we’ll give you a FREE T-SHIRT!
REGISTRATION REQUIREMENTS
- Full name
- Address where installed
- Phone number
- Complete model number* (generator + transfer switch)
- Generator serial number
- Purchase date
- Tshirt size
- PROMOTIONAL OFFER VALID FOR ONE HOME STANDBY GENERATOR PURCHASE PER HOUSEHOLD. PLEASE ALLOW UP TO A TOTAL OF 15 BUSINESS DAYS FOR YOUR REGISTRATION TO BE VERIFIED AND FREE ITEMS TO BE MAILED OUT. YOUR 10-YEAR WARRANTY IS ACTIVATED IMMEDIATELY UPON SUBMITTING PRODUCT REGISTRATION THROUGH OUR WEBSITE.
- THE COMPLETE MODEL NUMBER CAN BE FOUND ON THE PURCHASE RECEIPT.
INTRODUCTION
- Congratulations on your purchase of a Champion Power Equipment (CPE) home standby generator. This generator is designed and engineered in the USA to exacting standards of the North American market. This engine-powered generator meets all Environmental Protection Agency (EPA) Phase 3 requirements and is approved by CETLUS as tested to UL2200 and CSA22.2 No. 100 in both the USA and Canada.
- With proper use and maintenance, this generator will provide years of satisfying service.
- The Champion Staff,
- Champion Power Equipment
- 6370 S Pioneer Way, Unit 101
- Las Vegas, NV 89113
- Toll-free: 1-877-338-0999
- Mon-Fri 8:30 AM – 5:00 PM (PST/PDT)
- www.championpowerequipment.com
HOME STANDBY GENERATOR
- This home standby generator is intended exclusively for outdoor installation. This generator will operate using either liquified petroleum gas (LPG) or natural gas (NG).
This generator is designed to supply typical home loads such as:
- Induction motors – sump pumps, refrigerators, air conditioners, furnaces
- Electronic items – televisions, computers
- Household lighting
- Microwaves
- This generator is not intended for use in critical life support applications.
- Proper sizing of the generator is required to ensure proper operation of appliances. Some appliances require additional wattage to start and must be considered.
PARTS INCLUDED
Your HSB ships with the following:
- Operators Manual
- Installation Manual
- Oil Drain Pan
- Flexible Fuel Line
- HSB Enclosure Keys
- Battery Cable Connection
- LPG Low-speed and Main Converting Jets
- Jet Change Tool
- Lock Nut M6
- Washer, Ø6
- Flange bolt, M6 x 15
GENERAL INFORMATION, STANDARDS AND CODES
- The following information related to General Information and Standards was gathered from the list of publications related to installing the HSB generator. A multitude of other materials related to generators were also used concerning common practices, knowledgeable installation practices, certified electrical experience, and work-related experiences.
- This information is not all-inclusive and the manufacturer strongly recommends the owner and installer become familiar with all pertinent codes, standards, and regulations. Always check for the latest publication date to ensure you are current. Have only a qualified/certified electrician or installation technician who is knowledgeable about applicable codes, standards, and regulations to install and service the generator.
NFPA NO. 30, FLAMMABLE AND COMBUSTIBLE LIQUID CODE
- National Fire Protection Association 470 Atlantic Avenue, Boston, MA. 02210
NFPA NO. 37, STATIONARY COMBUSTION ENGINES AND GAS TURBINES
- National Fire Protection Association 470 Atlantic Avenue, Boston, MA. 02210
NFPA NO. 76A, ESSENTIAL ELECTRICAL SYSTEMS FOR HEALTH CARE FACILITIES
- National Fire Protection Association 470 Atlantic Avenue, Boston, MA. 02210
NFPA NO. 54, NATIONAL FUEL GAS CODE
- National Fire Protection Association 470 Atlantic Avenue, Boston, MA. 02210
NFPA NO. 58, AMERICAN NATIONAL STANDARD FOR STORAGE AND HANDLING OF LIQUID PETROLEUM GAS
- National Fire Protection Association 470 Atlantic Avenue, Boston, MA. 02210
NFPA NO. 70, NFPA HANDBOOK OF ELECTRIC CODE
- National Fire Protection Association 470 Atlantic Avenue, Boston, MA. 02210
ARTICLE X, NATIONAL BUILDING CODE
- American Insurance Association 85 John Street, New York, N.Y. 10038
AGRICULTURAL WIRING HANDBOOK
- Food and Energy Council 909 University Avenue, Columbia, Mo. 65201
ASAE EP-3634, INSTALLATION AND MAINTENANCE OF FARM STANDBY ELECTRICAL SYSTEMS
- American Society of Agricultural Engineers 2950 Niles Road, St. Joseph, Mi. 49085
SAFETY
- This is the safety alert symbol. It is used to alert you to potential physical injury hazards. Obey all safety messages that follow this symbol to avoid possible injury or death.
- The words DANGER, WARNING, CAUTION, and NOTICE are used throughout this manual to highlight important information.
DANGER
- Indicates a hazardous situation that, if not avoided, will result in death or serious injury.
WARNING
- Indicates a hazardous situation that, if not avoided, could result in death or serious injury.
CAUTION
- Indicates a hazardous situation that, if not avoided, could result in minor or moderate injury.
NOTICE
- Indicates a situation that can cause damage to the equipment, personal property, and/or the environment, or cause the equipment to operate improperly.
- NOTE: Indicates a procedure, practice or condition that should be followed in order for the generator to function in the manner intended.
SAFETY SYMBOL DEFINITIONS

WARNINGS

MANDATORY ACTIONS
INSTALLATION HAZARDS
- WARNING Have only a qualified electrician or installation technician who is familiar with applicable codes, standards and regulations install and service the generator.
- ALWAYS comply with local, state, and national electrical and building codes when installing the generator. NEVER alter the recommended installation in a way that would render the unit noncompliant with these codes.
- ALWAYS comply with regulations that the Occupational Safety and Health Administration (OSHA) has established.
- ENSURE the generator is installed following the manufacturer’s instructions.
NOTICE
- Before welding components on the generator, contact Champion Power Equipment for recommended welding instructions.
- WARNING Not intended for use in critical life support applications.
BEFORE STARTING
CAUTION
- Before starting, operating, and maintaining this generator, be sure to read and understand the content and safety messages in this manual.
- The operator is responsible for the safe operation and maintenance of the generator. Be sure all potential users of the generator also understand these instructions. If any portion of this manual is not understood, contact your dealer for assistance before operating the generator.
- The operator is responsible for performing all safety checks, making sure all maintenance is properly performed and making sure the generator is periodically checked by the dealer.
- Inspect the generator regularly. Contact your dealer if repairs are needed.
- NEVER climb or step on any part or component of the generator. Doing so may result in injury and cause leaking fuel and exhaust.
OPERATING HAZARDS
WARNING
- ALWAYS operate the generator following the manufacturer’s instructions. Operating the generator imprudently, neglecting maintenance or being careless can result in injury or possible death.
- DO NOT allow children or unqualified persons to operate or service the generator.
- NEVER operate the generator with the covers open. Operate the generator only with the covers closed and secured in place. NEVER leave the covers unlocked.
- Remain alert at all times when working on the generator. NEVER work on the generator when physically or mentally fatigued.
- Never operate the generator while under the influence of alcohol or drugs. Their effects on vision and judgment make operating a generator dangerous.
ACCIDENTAL STARTING WARNING
ALWAYS prevent the generator from starting while the covers are open. The generator may crank and start at any time without notice. Follow these steps in order:
- Turn the exercise switch to the OFF position.
- Switch the main circuit breaker to the OFF position.
- Turn the ATS control module to the OFF position.
- Turn the engine control module switch to the OFF position.
- Disconnect the NEGATIVE, NEG or (-) battery cable first, and then remove the POSITIVE, POS or (+) battery cable.
To return the generator to service, follow these steps in order:
- Connect the POSITIVE, POS or (+) battery cable first, and then connect the NEGATIVE, NEG or (-) battery cable.
- Turn the engine control module switch to the ATS position.
- Turn the ATS control module switch to the AUTO position.
- Switch the main circuit breaker to the ON position.
- Turn the exercise switch to the ON position.
CARBON MONOXIDE HAZARDS DANGER
- Generator exhaust contains carbon monoxide, a colorless, odorless, poisonous gas. Breathing carbon monoxide will cause nausea, dizziness, fainting or death. If you start to feel dizzy or weak, get to fresh air immediately.
- The generator must be installed and operated outdoors only. NEVER install the generator where exhaust fumes could seep inside or be drawn into a potentially occupied building through windows, air intake vents, or other openings.
- Avoid breathing exhaust fumes when near an operating generator.
- NEVER alter or add to the exhaust system or do anything that might render the system unsafe or in noncompliance with applicable codes, standards, laws, and regulations.
- Install a battery-operated carbon monoxide detector on each level of any building adjacent to the generator following the manufacturer’s instructions.
- NEVER permit even partial blockage of engine cooling ventilation air. Doing so can seriously affect the safe operation of the generator.
- Carbon monoxide poisoning symptoms include but are not limited to the following:
- Light-headedness, dizziness
- Physical fatigue, weakness in joints and muscles
- Sleepiness, mental fatigue, inability to concentrate or speak clearly, blurred vision
- Stomachache, vomiting, nausea
- Carbon monoxide poisoning is possible if someone is experiencing any of these symptoms. Seek fresh air immediately.
- DO NOT sit, lie down, or fall asleep. Alert others to the possibility of carbon monoxide poisoning. If the affected person does not improve within minutes of breathing fresh air, call 911 immediately.
ELECTRICAL SHOCK HAZARDS WARNING
- Use extreme caution when near the generator while it is operating. The generator produces dangerous voltage.
- Avoid contact with bare wires, terminals, and connections while the generator is operating.
- ALWAYS stand on an insulated dry surface to reduce shock hazard if work must be done on an operating generator.
- NEVER wear jewelry that can conduct electricity when working on the generator.
- NEVER handle any kind of electrical device while hands or feet are wet while standing in water, or while barefoot.
- Proper earth grounding of the frame and external electrical conductive components is required by the National Electrical Code (NEC). State and local codes for proper grounding may also apply.
- Avoid direct contact with an electric shock victim.
- Immediately shut down the source of electrical power. If this is not possible, attempt to free the victim from the live conductor using a nonconducting item such as a dry board or rope. If the victim is unconscious, apply first aid and call 911 immediately.
FIRE/EXPLOSION HAZARDS WARNING
- NG and LPG are extremely explosive.
- NEVER allow any flames or smoke near the fuel system.
- Wipe up any oil spills immediately.
- NEVER allow any combustible materials to be near the generator or to be left in the generator compartment.
- ALWAYS keep the surrounding area near the generator clean and free of debris.
- Be sure to properly purge the fuel lines and leak-test according to applicable codes before placing the generator in service.
- Be sure to regularly inspect the fuel system for leaks.
- NEVER operate the generator if a fuel leak is present.
- Install a fire extinguisher near the generator. Keep it properly charged and be familiar with its use. An ABC-rated National Fire Protection extinguisher is appropriate for use on standby electric systems. Contact your local fire department with any questions concerning the fire extinguisher.
BURN HAZARDS WARNING
- ALWAYS allow hot surfaces to cool to the touch. Running engines produce heat. Severe burns can occur on contact.
- DO NOT touch hot surfaces.
- Avoid contact with hot exhaust components and gases.
ENTANGLEMENT HAZARDS WARNING
- Use extreme caution when near rotating parts. Rotating parts can entangle hands, feet, hair, clothing, and/or accessories. Traumatic amputation or severe laceration can result.
- Keep hands and feet away from rotating parts.
- Tie up long hair and remove jewelry.
- Operate equipment with guards in place.
- DO NOT wear loose-fitting clothing, dangling drawstrings, or items that could become caught.
BATTERY HAZARDS WARNING
- Always read and comply with the battery manufacturer’s recommendations for procedures concerning proper battery use and maintenance.
- Batteries contain sulfuric acid and generate explosive mixtures of hydrogen and oxygen gases. Keep any device that may cause sparks or flames away from the battery to prevent explosion.
- Always wear protective glasses or goggles and protective clothing when working with batteries. You must follow the battery manufacturer’s instructions on safety, maintenance, and installation procedures.
SAFETY LABELS WARNING
- All safety labels must be legible to alert personnel of safety hazards.
- Replace any illegible or missing label immediately.
- Missing safety labels must be replaced in their original position before the generator is operated.
- DO NOT operate the generator if there are missing or badly worn safety labels.
SAFETY LABELS AND HANG TAGS


SAFETY LABEL AND HANG TAG LOCATIONS
The safety labels have specific placement and must be replaced if they are unreadable, damaged, or missing.
- A. Serial number location
- B. Nameplate
- C. NFPA 37 Compliance
- D. Service Entrance hang tag
- E. Connector assembly (behind panel)
- F. Oil hang tag
- G. Alternate power source (not shown – in the OM bag)
- H. Flexible Fuel Line hang tag
GENERAL INFORMATION
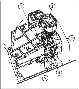
COMPONENT IDENTIFICATION – 12.5 KW GENERATOR
- Exhaust System
- Alternator
- Air Inlet
- Main Circuit Breaker
- Hour Meter
- Exercise Switch
- ATS Control Module
- Engine Control Module
- Exterior Fault Code Indicator Light
- Fuel Regulator/Wire Connections (behind panel)
- Batteries (not included)
- Engine
COMPONENT IDENTIFICATION ENGINE
- Engine Oil Dipstick
- Air Cleaner
- Oil Cap
- Spark Plug (second on opposite side)
- Oil Filter
CONTROL PANEL
MAIN CIRCUIT BREAKER
The 52-amp main circuit breaker protects the generator from circuit overload. The main circuit breaker controls the total output of the generator. (Figure 3)
EXERCISE SWITCH
- The exercise switch incorporates a built-in timer. The generator will automatically perform an exercise period once every seven days (168 hours). At the start of the exercise period, the engine will start and run for 15 minutes. Load transfer from the generator output will not occur unless the utility power is lost.
- When the switch is in the OFF position, the exercise function is disabled. Refer to Set Exercise Time to reset. (Figure 4)

SET EXERCISE TIME
- To set the exercise time, the engine control module switch must be in the ATS mode. Decide on the desired day and time to exercise the generator. Press the exercise switch to ON. The generator will start and run for 15 minutes and then shut off.
- The exercise time is now set. The generator will begin the next exercise period exactly 168 hours from when the exercise switch was pressed to the ON position.
- If you choose to change the current exercise time setting, choose the new day and time and cycle the exercise switch from off to on and it will begin the cycle again. (Figure 4)
The exercise time will have to be reset if:
- The battery was disconnected from the generator
- The switch was moved to the OFF position for maintenance
HOUR METER
- The generator is equipped with an hour meter that will display the generator’s actual run and exercise times.
ENGINE CONTROL MODULE
- The engine control module contains the ATS/OFF/Manual mode switch and the LEDs that indicate if a generator operation is being performed or if there is an active alarm. (Figure 5) If the exterior fault code indicator light is on, open the enclosure to view the engine control module. Determine what the fault code is and remedy the situation or have the generator serviced by an authorized Service Dealer or contact Champion Customer Service at 1-877-338-0999.
RESET FAULT CODE(S)
- There is also an exterior fault code indicator light located on the back of the enclosure. This should be checked weekly to make sure there are no active fault codes.
- The fault code(s) can be reset by placing the Engine Control Module (Figure 5) in the OFF position. This will reset the fault LED, however, if a fault code(s) re-occurs it must be addressed.

MODE SWITCH
- ATS – This position allows for fully automatic operation. If utility power is lost, the generator will automatically start up. It also allows the generator to automatically perform the exercise period.
- OFF – This position shuts down the engine and prevents the automatic operation of the generator.
- Manual – This position allows the manual starting of the engine.
- Load transfer from the generator output does not occur unless the utility power is lost.
EXERCISE LED
- The green LED will be flashing when the HSB is performing the weekly exercise cycle. When the exercise period has been completed, the LED will stay lit and the HSB will resume standby monitoring.
LOW BATTERY LED
- The yellow LED will be lit if the battery voltage falls below 21.0 volts for at least one minute while the engine is running. If the battery voltage rises above 21.1 volts, the LED will turn off.
- Battery voltage is not monitored when cranking the engine.
HIGH ENGINE TEMP LED
- The red LED will be lit if the engine operating temperature exceeds the factory preset limits. If excessive operating temperature is detected, the HSB will shut down and re-start will be disabled. The RED LEDs on the module and enclosure exterior are lit.
- This failure could be the result of an excessive load or high ambient temperatures. Should this fault occur do the following;
- Open the enclosure doors to increase air flow throughout the unit.
- Check the oil level, add oil if required.
- Inspect the interior and exterior of the enclosure for debris, leaves, etc., and remove them to increase air flow around and inside the unit.
- Once the engine temperature falls into the normal operating range, generally 30 minutes, follow the reset procedures in the manuals specific to your model to clear and correct fault.
- Close the enclosure doors and the unit is ready to run.
HZ OVER / UNDER SPEED LED
- The red LED will be lit if the engine is operating above or below its preset speed limit. The engine will shut down, and the LED will remain lit until the generator is repaired and operating correctly. Appliances connected to the generator circuit could be damaged from high generator output if the engine is allowed to operate above its preset limit. If this failure occurs, contact an authorized Service Dealer or contact Champion Customer Service at 1-877-338-0999.
LOW OIL LED
- The red LED will be lit if the engine oil level has dropped below the safe operating level. When this happens, the engine will shut down. Check the engine oil level before attempting to restart the engine. The engine will not start until the problem is corrected.
OVER CRANK LED
- The red LED will be lit if the engine tries to start but was unable to start in the specified period. The engine will try to start five times and if unsuccessful the light will turn on. This may occur on initial start-up, the fuel system needs to be fully pressurized to start and operate. Follow the reset procedure on
RUN LED
- The green LED will be lit indicating the engine is running.
POWER LED
- The green LED will be lit indicating the generator is working correctly and loads can be connected to it.
ATS CONTROL MODULE
- The ATS control module contains the TEST/AUTO/OFF switch and LEDs that indicate the type of power delivery. (Figure 6)

-
TEST – This position allows verification that the generator power delivery circuit is functional. With the switch in the TEST position, the engine will start and the ATS will transfer. The GENSET LED, ATS LED (middle LED), and LOAD LED should be lit, indicating the generator power delivery circuit is functional.
-
AUTO – This position allows automatic delivery of power from the generator if there is a utility outage. With the switch in the AUTO position and the engine not running, the UTILITY LED, ATS LED (middle LED), and LOAD LED should be lit, indicating the household is using utility-provided power.
-
OFF – This position will not allow any power to be delivered to the ATS when the engine is running.
BATTERY CHARGER
- The LEDs on the battery charger indicate the state of the battery’s charge level. Battery charger rating 24 Vdc 1.6A. (Figure 7)

| POWER | Lit to indicate the battery is fully charged. |
| Small Bar | Lit to indicate the battery is receiving a trickle charge |
| Middle Bar | Lit to indicate current output is near 50%. |
| Large Bar | Lit to indicate the charger is operating above 50% capacity. |
| NO CHARGE | Lit to indicate a battery charging problem. If this LED is lit, the LED on the Engine Controller module, “LOW BATTERY” will also be lit. |
EMISSION REQUIREMENTS
- This engine-powered generator meets all United States Environmental Protection Agency (EPA) Phase 3 requirements and is approved for use in both the USA and Canada.
- This generator is certified to operate on pipeline NG and LPG (vapor) fuel for use as a stationary engine for standby power generation. Federal and/or local laws may be violated if it is used for any other purpose.
- The maintenance schedule must be followed to ensure that the engine complies with the applicable emission standards for the duration of the engine’s life.
NOTICE
- For Emission control devices and systems, read and understand your responsibilities for service as stated in the Emission Control Warranty Statement of this manual.
SPECIFICATIONS
| Home Standby Generator | |
| Maximum continuous power, LPG | 12.5 kW |
| Maximum continuous power, NG | 11 kW |
| Rated voltage | 120/240 |
| Amps | 104/52 LPG (propane), 91.6/45.8 NG (natural gas) |
| Harmonic distortion | Less than 5% |
| Main line circuit breaker | 52 amp |
| Phase | Single |
| Frequency | 60 Hz |
| Unit weight | 425.5 lb. (193 kg) |
| Size (L x W x H) | 49 x 28 x 28 in. (124.5 x 71 x 71 cm) |
| Engine | |
| Type | Milwaukee Series OHV Commercial V-Twin |
| No. of cylinders | 2 |
| Displacement | 717 cc |
| Cylinder block | Aluminum with cast iron sleeves |
| Ignition system | Solid state – magneto |
| Spark plug | F7RTC (NGK BPR7ES) |
| Governor | Mechanical |
| Starter | Electric 24V DC |
| Oil capacity | 1.6 qt (1.5 L) |
| Oil Type | 5W-30 Full Synthetic* |
| RPM | 3600 |
| Controls | |
| Mode switch auto | Auto start on utility failure |
| Mode switch manual | Starts on demand |
| Mode switch off | Stops unit/control and charger active |
| Ready to run/maintenance messages | Standard |
| Programmable start delay | Standard |
| Engine start sequence | Standard |
| Starter lockout | Standard |
| Battery charger/low battery indicator | Standard |
| Charger fault | Standard |
| AVR over-voltage protection | Standard |
| Low oil protection | Standard |
| Safety fused | Standard |
| Overcrank/Overspeed/under-speed protection | Standard |
- Serial Number Y2308250001+: The unit comes with oil pre-filled in the unit.
- Serial Number < Y2308250001: The unit does not come with oil. You must ADD OIL before starting the unit.
- After 5 hours, change the oil per the maintenance schedule. The recommended oil type for typical use is 5W-30 full synthetic oil.
- However, using the listed conventional oils shown in the “Recommended Engine Oil Type” chart may be used for typical use. If running a generator in extreme temperatures, refer to the “Recommended Engine Oil Type” chart.
FUEL SYSTEM
- The engine is fitted with a dual master mixer assembly carburetion system, which allows it to run on either NG or LPG. It has been configured at the factory to run on NG.
- If your installation requires the engine to run on LPG, orifices in the master mixer assembly carburetor must be changed.
BATTERY REQUIREMENTS
- Two (2) 12-volt Group U1 batteries with a minimum of 350 CCA each. Battery size: 7 3/4 L x 5 3/16 W x 7 5/16 H inches (196mm L x 131mm W x 185mm H).
- This is based on testing in extreme cold and heat -22° F (-30° C) to 104° F (40° C). Purchase batteries locally. Install positive cable first.
- Install a cable from the positive (+) terminal of one battery to the negative (–) terminal of the other battery. Always connect the positive (+) battery cable to the generator first. (Figure 8)

CAUTION
- For battery installation, maintenance, and safety requirements refer to the purchased manufacturer battery installation and safety manual.
BATTERY CHARGING
- The generator is equipped with an automatic battery charger. The charger will sense the battery’s state of charge and automatically charge the battery when required. LED lights on the charger display the battery’s state of charge. See Figure 7 on page 19.
MODEL AND SERIAL NUMBER
- The model and serial number plate is affixed to the generator above the control panel. Have this information if calling for service or ordering parts. (Figure 9)

OPERATION
Before operating the generator, review the SAFETY section starting on.
ENCLOSURE AND ACCESS
- Open the enclosure to gain access to the generator and its components. (Figure 10) Unlock the handles. Turn the handles and lift the hoods up and to the outside.

PRE-START CHECKLIST
To make sure the generator is ready for proper operation, the following items should be checked:
- The fuel valve is in the on position
- No fault code LEDs are lit
- The battery is at full charge
- The ATS control module is in the AUTO position
- The engine control module is in the ATS position
- The transfer switch lever is in the Utility Power position
TURNING OFF THE GENERATOR
- If you need to shut off the generator when it is running, turn the engine control module switch to the OFF position. This will shut off the engine.
- With the engine control module in the OFF position, the generator will not start, even if there is a loss of utility power.
MAINTENANCE
- Before performing maintenance procedures, review the SAFETY section starting on.
- Ensure that the ATS and Engine Switches are in the OFF position before performing any maintenance or cleaning.
SCHEDULED MAINTENANCE CHART
| The first 5 Hours of Operation | |
| Change engine oil | √ |
| Weekly | |
| Check the exterior fault code indicator light | √ |
| Inspect and clean enclosure louvers | √ |
| Every 2 Years or 100 Hours of Operation | |
| Change engine oil | √** |
| Inspect and clean engine air cleaner | √** |
| Inspect the engine spark plug | √ |
| A complete inspection of the generator, engine tune-up, and valve lash check/adjustment | √*** |
- Monthly or 24 hours of continuous operation
- Service sooner if operating in high ambient temperatures or a dusty and dirty environment.
- Maintenance should be performed by your service dealer.
ENGINE OIL
ENGINE OIL REQUIREMENTS
- Use American Petroleum Institute (API) Service Class SN or better. Do not use special additives. All temperatures are full synthetic 5W-30.
| Over 32 °F (0 °C) | SAE 30 |
| 40 °F to -10 °F (4 °C to -23 °C) | 10W-30 |
| 10 °F or less (-12 °C or less) | Synthetic 5W-30 |
CHECKING THE ENGINE OIL LEVEL
Check the oil level daily when the generator is running for an extended time.
- If the generator is running during a utility outage, turn off all household loads.
- Turn the engine control module switch to the OFF position.
- Remove the dipstick. Wipe it dry with a clean cloth and completely reinsert it into the dipstick tube. See figure 12,
- NOTICE
- DO NOT overfill the engine with engine oil. Damage to the engine may occur.
- Remove the dipstick. The oil level should be at the FULL mark. If necessary, add oil. DO NOT overfill.

- Install the dipstick.
- Turn the engine control module switch to its prior position.
CHANGING THE ENGINE OIL

- Turn the ATS to the OFF position.
- Turn the engine control module switch to the MANUAL position.
- Allow the engine to run until it reaches operating temperature.
- Turn the engine control module switch to the OFF position.
- NOTICE
- Always be environmentally responsible. Consult the local authorities or reclamations facility for proper disposal of engine oil waste.
- Position the drain pan under the alternator.
- Loosen the hose clamp on the oil drain hose and slide the drain hose off the retaining pin. (Figure 13)

- Position the drain hose into a drain pan and allow the crankcase to empty.
- Reinstall the hose onto the retaining pin and reposition the hose clamp.
- Fill the engine with the proper amount of engine oil. See Figure 12.
- Turn the engine control module switch to its prior position.
- Turn the ATS to the AUTO position.
INSPECT AND CLEAN ENGINE AIR CLEANER
- Turn the engine control module switch to the OFF position.
- Unsnap the clips holding the air cleaner cover in place and remove the air cleaner cover.
- Remove the paper element.

- Inspect the paper element for any rips or tears. Replace if damaged.
- Hold the paper element up to a light. You should be able to see light through the paper element, if not replace the element. Inspect air cleaner cover, remove any dirt or debris.
- Install paper element in the air cleaner housing with the pleats facing towards the air cleaner cover.
- Install the cover and snap the clips in place.
- Turn the engine control module switch to its prior position.
SPARK PLUG
- Turn the ATS to the OFF position.
- Turn the engine control module switch to the OFF position.
- Remove the spark plug cable from the spark plug.
- Clean the area around the spark plug to keep dirt out of the engine and remove the spark plug.
- Inspect the spark plug electrode and replace the plug if the electrode shows signs of deterioration.
- Check the gap before installing the spark plug. The spark plug gap should be 0.022 – 0.028 in. (0.55 – 0.7 mm).

- Carefully thread the spark plug into the engine and tighten it to 20-30 N-m (14.8-22.1 lb-ft).
- Re-connect the spark plug cable.
- Turn the engine control module switch to its prior position.
- Turn the ATS to the AUTO position.
BATTERY MAINTENANCE
- Turn the engine control module switch to the OFF position.
- Inspect the battery cables and terminals for corrosion.
- Check that the cables are securely fastened to the terminals.
- Check the ground lug and make sure the connections are tight.
- Check the fluid level of the battery, unless sealed. If low, top off the level using distilled water only.
- Follow all battery instructions provided by the battery manufacturer.
CORROSION PROTECTION
NOTICE
- Never use a pressure washer to wash the interior of the generator with water.
- Wash the outside of the enclosure using a mild soap and water. Use an automotive-type wax and wax the outside of the enclosure to protect it from the elements.
- If used in a saltwater/ coastal area, the enclosure should be washed more frequently to prevent corrosion. Spray light oil on the hinges for the enclosure doors.
MAINTENANCE AFTER SUBMERSION WARNING
- Never try to start or operate the generator if it has been submerged underwater or exposed to a flood.
- If the generator has been in conditions where it became submerged underwater, the generator must be inspected and maintenance must be performed before returning the generator to service.
- Turn the engine control module and ATS control module to the OFF position. Have an authorized Champion Dealer inspect the generator and perform any necessary maintenance.
- If the house or building has been exposed to a flood, it should be inspected by a certified electrician for any electrical problems that may occur if the generator is put back into service or if utility power is restored.
STORAGE
If the generator is not going to be used for several months and not exercised every 7 days, it should be prepared for storage.
- Manually start the engine and run it for several minutes to allow it to warm up.
- With the engine running, turn the fuel shutoff valve to the closed position and let the engine continue to run until it shuts down.
- Once the engine has shut down, turn the engine control module switch and the ATS control module switch to the OFF position.
- Switch the generator’s main circuit breaker to the OFF (OPEN) position.
- Turn off the utility power to the transfer switch.
- Disconnect the battery cables. Remove the negative cable first.
- Change the engine oil. See Changing the Engine Oil on.
- Remove the spark plug and spray fogging oil into the spark plug hole. Install the spark plug and tighten it.
- Thoroughly wash and wax the exterior of the generator enclosure. Do not use a pressure washer.
RETURN TO SERVICE AFTER STORAGE
- Make sure the utility power to the transfer switch is off.
- The engine control module switch and the ATS control module switch should be in the OFF position.
- Check the engine oil level. Add oil if needed.
- Recharge the batteries to 100% state of charge. If the batteries will not fully charge, replace the batteries.
- WARNING
- Always connect the positive (+) battery cable first. After the positive cable is connected, then the negative (-) battery cable can be attached. This minimizes the possibility of electrical contact.
- Connect the positive (+) battery cable to the positive (+) battery terminal first and then connect the negative battery cable to the negative (-) battery terminal.
- Clean and wipe down the generator with mild soap and water.
- Turn the fuel shutoff valve to the ON position.
- Turn the engine control module switch to the manual position. The engine should start. Run the engine for 15 minutes to allow it to warm up. The fuel system might require more than one start cycle to fully pressurize the fuel system for operation.
- Make sure there are not any active fault codes.
- Turn the engine control module switch to the OFF position to shut off the engine.
- Turn the ATS module switch to the AUTO position.
- Turn on the utility power to the transfer switch. The utility LEDs on the ATS module should be lit.
- Turn the engine control module switch to the ATS position.
- Set the exercise time. See Exercise Switch on
TROUBLESHOOTING
TROUBLESHOOTING HSB
- The number one problem that relates to starting, output, and performance is “Fuel Pressure Insufficient”.
- Utility fuel regulator and pipe sized too small which can be compounded by pipe run distance too long for the size of pipe installed. Confirm fuel pressure to the fuel regulator during No-load and Load operation.
| ENGINE WILL NOT CRANK/TURN OVER | ||
| 1 | HSB set in “OFF” mode. | Place the HSB controllers in the proper AUTO and ATS start positions. |
| 2 | Battery not connected or loose, corroded posts or wires | Connect the batteries according to the owner’s manual, and clean and tighten the battery connections |
| 3 | Battery(s) not charged or low charge. | Recharge or replace battery(s). |
| 4 | Check for active fault code. | Identify fault code, correct, and reset. |
| 5 | Defective starter solenoid * | |
| 6 | Defective starter * | |
| GENERATOR WILL CRANK/TURN OVER BUT WILL NOT START | ||
| 1 | Check for active fault code. | Identify fault code, correct, and reset. |
| 2 | Fuel valve(s) turned off. | Turn on the fuel supply. |
| 3 | Fuel pressure insufficient*. | Manometer check, confirm fuel pressure to fuel regulator*. |
| 4 | Weak battery(s). | Recharge or replace battery(s) |
| 5 | Low oil level. | Check for oil leaks. Check the oil level and add oil if necessary. |
| 6 | The spark plug wire is disconnected. | Connect the spark plug wire. |
| 7 | Defective fuel solenoid/regulator. * | |
| ENGINE STARTS, RUNS ROUGH | ||
| 1 | Fuel pressure insufficient*. | Manometer check, confirm fuel pressure to fuel regulator*. |
| 2 | Wrong fuel jets. | Check jets for NG or LPG, and change to correct Master Mixer fuel jets. |
| 3 | Faulty spark plug, loose spark plug wire. | Change the spark plug set the gap, and connect the wire. |
| 4 | Plugged air cleaner | Clean or replace the air cleaner. |
| 5 | Generator overloaded*. | Remove one or more loads*. |
| 6 | Shorted circuit * | |
| HSB STARTS, THEN SUDDENLY STOPS | ||
| 1 | Check for active fault code. | Identify fault code, correct, and reset. |
| 2 | Fuel supply insufficient* | Manometer check, confirm fuel pressure to fuel regulator*. |
| 3 | Low oil, and pressure shut down | Check for oil leaks. Check the oil level and add oil if necessary. |
| 4 | Generator overloaded | Turn off standby circuits for the house, reset the fault, and place the unit back into AUTO and ATS mode. Turn on standby circuits for the house. If the problem returns contact Champion or Champion service dealer*. |
| 5 | Engine high/over temperature shut down | Check all intake and exhaust ventilation around the HSB, and remove all debris. Let HSB sit for 30 minutes to cool down. |
| NO AC OUTPUT | ||
| 1 | HSB set in “TEST” mode | Place HSB in AUTO and ATS mode. |
| 2 | Circuit breaker in “OFF” position | Turn on breaker. |
| 3 | ATS control in “OFF” mode | Place the ATS module in ATS mode. |
| 4 | Main circuit breaker is in the “OFF” position. | Turn on breaker. |
| 5 | Transfer the switch breaker to the “OFF” position. | Turn on breaker. |
| 6 | Standby breakers are set in the “OFF” position. | Turn on breaker. |
| 7 | Line circuit tripping breaker because of short circuit * | |
| 8 | Line circuit tripping breaker because of overload * | |
| 9 | Poor wiring connections* | |
| 10 | ATS problems* | |
LED INDICATORS
- In all cases when the LED is GREEN, this is an indicator that the HSB is performing properly.
- In all cases when the LED is RED, this is an indicator that the HSB has registered a fault and must be corrected. Only the “LOW BATTERY LED” will not latch out or shut down the HSB. All other RED LED faults will latch out, shut down, disable starting and light the RED LEDS on the Engine Control Module and the exterior fault code light on the backside of the HSB.
RESET FAULT CODE(S)
- There is an exterior fault code indicator light located on the back of the enclosure. This should be checked weekly to make sure there are no active fault codes.
- The fault code(s) can be reset by placing the Engine Control Module in the OFF position for 10 seconds and then placed into ATS mode.
- This will reset the fault LED, however, if a fault code(s) re-occurs it must be addressed.
- BATTERY(S) NO OR LOW LEVEL CHARGED, BATTERY(S) DEAD, NEEDS REPLACEMENT, THE EXERCISE TIME MUST BE RESET ONCE THE BATTERY(S) HAVE BEEN DISCONNECTED.
- Contact Champion Power Equipment, Technical Service toll-free at 1-877-338-0999, [email protected], or your nearest Champion dealer.
- www.championpowerequipment.com
ADDITIONAL INFORMATION
IDENTIFY/SELECT STANDBY CIRCUITS
IDENTIFY THE BASIC NEEDS
- It is very important to understand what items the home owner wants powered by the HSB during a utility failure. The selection of these items will indicate which circuits will be selected for connection to the ATS so that they are powered by the HSB.
- Unforeseen power outages can last from minutes to days, so it is important to focus circuit selections on those that power household items that are deemed essential and within the output capability of the HSB
- An authorized or certified dealer or electrician can come to your home and measure the loads with a clamp-on AMP meter which would provide accurate load demands for each circuit tested.
- Once you have identified the customer needs, you can properly size the HSB by referring to the sizing guide provided by Champion, www.championpowerequipment.com, or call Champion at 1-877-338-0999.
- Circuits must be protected by the same size breaker. For example, a 15 amp 120-volt circuit in the ATS will replace a 15 amp 120-volt circuit in the main utility distribution panel. When tied together or backed up, the breakers must be the same size.
SURGE PROTECTION
CAUTION
- Voltage fluctuation may impair the proper functioning of sensitive electronic equipment.
- Electronic devices, including computers and many programmable appliances, use components that are designed to operate within a narrow voltage range and may be affected by momentary voltage fluctuations. While there is no way to prevent voltage fluctuations, you can take steps to protect sensitive electronic equipment.
- Install UL1449, CSA-listed, plug-in surge suppressors on the outlets feeding your sensitive equipment. Surge suppressors come in single or multi-outlet styles. They’re designed to protect against virtually all short-duration voltage fluctuations.
CUSTOMER FAMILIARIZATION SUMMARY
- It’s important to educate the home owner on proper maintenance, operation and service call procedures. A properly educated home owner can reduce unnecessary service trips and phone calls.
- Ensure that the installation of the HSB and ATS has been correctly performed as outlined by the manufacturer and that it meets all applicable codes.
- Test and confirm proper operation of the HSB and ATS system as outlined in the appropriate installation and owner’s manuals.
- Educate the homeowner on the location and operation of;
- Full flow shutoff valve
- Automatic operation of the HSB system
- Engine Control Module and LED indicators
- ATS Module and LED indicators
- Battery Charger and LED indicators
- Exterior fault code indicator LED on the backside of the HSB
- ATS operation
- Exercise scheduled time of operation
- Scheduled Maintenance
- Fill out and provide the customer a copy of the HSB, ATS model & serial number reference. This information is extremely important for part purchases and service information, these numbers are specific to each HSB and ATS.
- Fill out and provide the customer with a copy of the ATS backup circuits.
- Fill out the Circuit Label inside the ATS.
- It’s always a good business practice to place business cards in the Owner’s and Installation manuals and place dealer stickers on the HSB and ATS for the customer’s reference.
NOTICE
- By law, it is required in many states to have a Carbon Monoxide (CO) detector in operating condition in your home. Carbon Monoxide detector(s) must be installed
and maintained indoors according to the manufacturer’s instructions. A CO monitor is an electric device that detects hazardous levels of CO. When there is a buildup of CO, the monitor will alert the occupants by flashing a visual light indicator and an audible alarm. Smoke alarms cannot detect CO gas. - CO gas is odorless, colorless, and tasteless and is unlikely to be noticed until a person is overcome. Standby generators emit carbon monoxide (CO) gas in the engine exhaust.
HSB, ATS MODEL & SERIAL REFERENCE ATS BACKUP CIRCUITS
- HSB Model Number ————————————————–
- HSB Serial Number —————————————————
- Fuel Type LPG NG —————————————————
- ATS Model Number —————————————————
- ATS Serial Number —————————————————
- ATS circuits powered —————————————————
- Date Installed —————————————————
- Dealer/Installer —————————————————
- Address —————————————————
- Phone —————————————————
- Cell —————————————————
- Purchased from —————————————————
MAINTENANCE AND SERVICE RECORD
- Keeping accurate records when any service is performed is important. Records replace guessing when a repair was done or when it should be scheduled. Hour Meter notation as well as the date provides better period records. To maintain the overall performance throughout the life of the product follow the scheduled maintenance chart contained in your owner’s manual or refer to www.championpowerequipment.com.
- Genuine Champion parts must be used to ensure warranty coverage.
- Date —————————————————
- Hour Meter —————————————————
- Service Preformed —————————————————
- Record the name, address, and phone number of your authorized Champion dealer —————————————————
10-YEAR LIMITED WARRANTY*
- Basic Warranty Provisions
- Champion Air-Cooled 8.5kW – 22kW Home
- Standby Units USA and Canadian Models
- For 10 years or 2000 hours (whichever occurs first) from successful activation by an Authorized Champion Home Standby Dealer, Champion Power Equipment will, at its option, repair or replace any part(s) which upon examination, inspection, and testing by Champion Power Equipment or an Authorized Champion Home Standby Dealer is found to be defective under normal use and service, under the Warranty Schedule set forth below.
- Any equipment that the purchaser/owner claims to be defective must be examined by the nearest Authorized/Certified Champion Home Standby Service Dealer. This warranty applies only to Champion Power Equipment automatic standby generators used in Standby” applications as Champion has defined Standby. Scheduled Maintenance, as outlined by the generator owner’s manual is required. This Scheduled Maintenance should be performed by a knowledgeable, experienced operator or an Authorized/Certified Champion Home Standby Service Dealer.
WARRANTY SCHEDULE
- Years 1 and 2 – Limited comprehensive coverage on mileage, labor, and parts
- Years 3 through 10 – Limited comprehensive coverage on parts only
GUIDELINES:
- Warranty begins upon the successful activation of the unit.
- Unit should be Registered and Proof of Purchase and Maintenance must be available.
- Warranty is transferable between ownership of the original installation site.
- Warranty only applies to permanently wired and mounted units.
- All warranty repairs and/or concerns must be performed and/or addressed by an Authorized/Certified Champion Home Standby Service Dealer. Repairs or diagnostics performed by individuals other than Authorized/Certified Champion Home Standby Service Dealers not authorized in writing by Champion Power Equipment will not be covered.
- A Champion-approved Transfer Switch is highly recommended to be used in conjunction with the generator set. The Champion Transfer Switch is covered under its own, separate warranty listed in the Transfer Switch Instruction Manual and is not covered under this warranty schedule.
- If a Non-Champion approved Transfer Switch is substituted for use and directly causes damage to the generator set, no warranty coverage shall apply.
- Steel enclosures are warranted against rusting for the first year of ownership only. Damage caused after receipt of the generator is the responsibility of the owner and is not covered by this warranty. Nicks, scrapes, dents or scratches to the painted enclosure should be repaired promptly by the owner.
- All warranty expense allowances are subject to the conditions defined in Champion Power Equipment’s “Home Standby” Warranty Policy and Procedures Manual.
THIS WARRANTY SHALL NOT APPLY TO THE FOLLOWING:
- Original installation or start-up costs
- Champion Home Standby generators that utilize non-Champion Power Equipment replacement parts
- Costs of normal maintenance (i.e. tune-ups, associated part(s), adjustments, loose/leaking clamps, installation, and start-up)
- Units sold, rated, or used for “Prime Power”, “Trailer Mounted” or “Rental Unit” applications
- Damage to generator system (including transfer switch) caused by improper installation or costs necessary to correct installation
- Units used for Prime Power in place of existing utility power (where utility power is present) or in place of utility power where utility power service does not normally exist. Prime power includes any application that does not use the utility grid for electric power (for example Solar power)
- Fuel connections other than conventional utility company-supplied natural gas systems or conventional LP vapor withdrawal systems
- Any failure caused by contaminated fuels, oils, or lack of proper fuels, oils, or failure to perform scheduled maintenance and service the air filter
- Steel enclosures that are rusting due to improper installation, location in a harsh or saltwater environment, or scratched where the integrity of paint applied is compromised
- Failures due, but not limited, to normal wear and tear, accident, misuse, abuse, negligence, or improper installation. As with all mechanical devices, the Champion engines need periodic part(s) service and fluid replacement to perform as designed.
- Failures caused by any external cause or act of God, such as collision, theft, vandalism, riot or wars, nuclear holocaust, fire, freezing, lightning, earthquake, windstorm, hail, volcanic eruption, water or flood, tornado or hurricane
- Damage related to rodent and/or insect infestation
- Covered warranty labor rates are based on normal working hours. Overtime, holiday, or emergency labor costs for repairs outside of normal business hours will be the responsibility of the customer – Any incidental, consequential or indirect damages caused by defects in materials or workmanship, or any delay in repair or replacement of the defective part(s)
- Failure due to misapplication to provide sufficient cooling air and to regularly exercise the generator under load
- Telephone, cellular phone, facsimile, internet access, or other communication expenses
- Living or travel expenses of person(s) performing service, except as specifically included within the terms of a specific unit warranty period
- Expenses related to “customer instruction” or troubleshooting where no manufacturing defect is found
- Rental equipment used while warranty repairs are being performed and/or overnight freight costs for replacement part(s)
- Costs incurred for equipment used for removal and/or reinstallation of generator, (i.e.: cranes, hoists, lifts, etc.)
- Planes, ferries, railroad, buses, helicopters, snowmobiles, snow-cats, off-road vehicles, or any other mode of transport deemed abnormal
- Starting batteries, fuses, light bulbs, engine fluids, and spark plugs
Contact Information
Address
- Champion Power Equipment, Inc. Customer Service
- 6370 S Pioneer Way, Unit 101
- Las Vegas, NV 89113 USA
- www.championpowerequipment.com
- Customer Service and Technical Support Toll Free: 1-877-338-0999
- [email protected]
- Fax no.: 1-562-236-9429
- THIS WARRANTY AND THE ATTACHED U.S. EPA WARRANTY ARE IN PLACE OF ALL OTHER WARRANTIES, EXPRESS OR IMPLIED, INCLUDING WARRANTIES OF MERCHANTABILITY OR FITNESS FOR A PARTICULAR PURPOSE.
- Any implied warranties which are allowed by law shall be limited in duration to the terms of the express warranty provided herein.
- Some states do not allow limitations on how long an implied warranty lasts, so the above limitation may not apply to the purchaser/ owner.
- CHAMPION POWER EQUIPMENT’S ONLY LIABILITY SHALL BE THE REPAIR OR REPLACEMENT OF PART(S) AS STATED ABOVE.
- IN NO EVENT SHALL CHAMPION POWER EQUIPMENT BE LIABLE FOR ANY INCIDENTAL, OR CONSEQUENTIAL DAMAGES, EVEN IF SUCH DAMAGES ARE A DIRECT RESULT OF CHAMPION POWER EQUIPMENT’S NEGLIGENCE.
- Some states do not allow the exclusion or limitation of incidental or consequential damages, so the above limitations may not apply to the purchaser/owner. Purchaser/owner agrees to make no claims against Champion Power Equipment based on negligence. This warranty gives the purchaser/owner specific legal rights. Purchaser/ owner also may have other rights that vary from state to state.
To obtain warranty service or your nearest Champion Home Standby Dealer call Champion Power Equipment Customer Service toll-free at 1-877-338-0999. - Except as otherwise stipulated in any of the following enclosed Emission Control System Warranties (when applicable) for the Emission Control System: U.S. Environmental Protection Agency (EPA) and/or California Air Resources Board (CARB).
CHAMPION POWER EQUIPMENT, INC. (CPE) AND THE UNITED STATES ENVIRONMENT PROTECTION AGENCY (U.S. EPA) EMISSION CONTROL SYSTEM WARRANTY
Your Champion Power Equipment (CPE) engine complies with U.S. EPA emission regulations.
YOUR WARRANTY RIGHTS AND OBLIGATIONS:
- The US EPA AND CPE are pleased to explain the Federal Emission Control Systems Warranty on your 2023 small off-road engine (SORE) and engine-powered equipment.
- New engines and equipment must be designed, built, and equipped, at the time of sale, to meet the U.S.
- EPA regulations for small off-road engines (SORE). CPE warrants the emission control system on your small off-road engine (SORE)
and equipment for the period listed below, provided there has been no abuse, neglect, unapproved modification, or improper maintenance of your equipment. - Your emission control system may include parts such as the carburetor, fuel-injection system, ignition system, catalytic converter, and fuel lines. Also included may be hoses, belts, connectors, and other emission-related assemblies. Where a warrantable condition exists, CPE will repair your small off-road engine (SORE) at no cost to you including diagnosis, parts, and labor.
MANUFACTURER’S EMISSION CONTROL SYSTEM WARRANTY COVERAGE:
- This emission control system is warranted for two years, subject to provisions set forth below. If, during the warranty period, an emission-related part on your engine is defective in materials or workmanship, the part will be repaired or replaced by CPE.
OWNER WARRANTY RESPONSIBILITIES:
- As the small off-road engine (SORE) owner, you are responsible for the performance of the required maintenance listed in your Owner’s Manual. CPE recommends that you retain all your receipts covering maintenance on your small off-road engine (SORE), but CPE cannot deny warranty solely for the lack of receipts or for your failure to ensure the performance of all scheduled maintenance.
- As the small off-road engine (SORE) owner, you should however be aware that CPE may deny you warranty coverage if your small, off-road engine (SORE) or a part has failed due to abuse, neglect, improper maintenance or unapproved modifications.
- You are responsible for presenting your small off-road engine (SORE) to an Authorized CPE service outlet or alternate service outlet as described in (3)(f.) below, CPE dealer or CPE, Santa Fe Springs, Ca. as soon as a problem exists. The warranty repairs should be completed in a reasonable amount of time, not to exceed 30 days.
- If you have any questions regarding your warranty rights and responsibilities, you should contact:
- Champion Power Equipment, Inc.
- Customer Service
- 6370 S Pioneer Way, Unit 101
- Las Vegas, NV 89113
- 1-877-338-0999
- [email protected]
EMISSION CONTROL SYSTEM WARRANTY
- The following are specific provisions relative to your Emission Control System (ECS) Warranty Coverage.
- APPLICABILITY: This warranty shall apply to 1997 and later model year small off-road engines (SORE). The ECS Warranty Period shall begin on the date the new engine or equipment is delivered to its original, end-use purchaser, and shall continue for 24 consecutive months thereafter.
- GENERAL EMISSIONS WARRANTY COVERAGE
- CPE warrants to the original, end-use purchaser of the new engine or equipment and to each subsequent purchaser that each of its small off-road engines (SORE) is:
a. Designed, built, and equipped to conform to U.S. EPA emissions standards for spark-ignited engines at or below 19 kilowatts. 2b. Free from defects in materials and workmanship that cause the failure of a warranted part to be identical in all material respects to the part as described in the engine manufacturer’s application for certification for two years.
- CPE warrants to the original, end-use purchaser of the new engine or equipment and to each subsequent purchaser that each of its small off-road engines (SORE) is:
- THE WARRANTY ON EMISSION-RELATED PARTS WILL BE INTERPRETED AS FOLLOWS:
- a. Any warranted part that is not scheduled for replacement as required maintenance in the Owners Manual shall be warranted for the ECS Warranty Period. If any such part fails during the ECS Warranty Period, it shall be repaired or replaced by CPE according to Subsection “d” below. Any such part repaired or replaced under the ECS Warranty shall be warranted for any remainder of the ECS Warranty Period.
- b. Any warranted, emissions-related part that is scheduled only for regular inspection as specified in the Owners Manual shall be warranted for the ECS Warranty Period. A statement in such written instructions to the effect of “repair or replace as necessary”, shall not reduce the ECS Warranty Period. Any such part repaired or replaced under the ECS Warranty shall be warranted for the remainder of the ECS Warranty Period.
- c. Any warranted, emissions-related part that is scheduled for replacement as required maintenance in the Owner’s Manual shall be warranted for the period before the first scheduled replacement point for that part. If the part fails before the first scheduled replacement, the part shall be repaired or replaced by CPE according to Subsection “d” below. Any such emissions-related part repaired or replaced under the ECS Warranty shall be warranted for the remainder of the ECS Warranty Period before the first scheduled replacement point for such emissions-related part.
- d. Repair or replacement of any warranted, emissions-related part under this ECS Warranty shall be performed at no charge to the owner at a CPE Authorized Service Outlet.
- e. The owner shall not be charged for diagnostic labor which leads to the determination that a part covered by the ECS Warranty is defective, provided that such diagnostic work is performed at a CPE Authorized Service Outlet.
- f. CPE shall pay for covered emissions warranty repairs at non-authorized service outlets under the following circumstances:
- The service is required in a population center with a population over 100,000 according to U.S. Census 2000 without a CPE Authorized Service Outlet AND
- The service is required more than 100 miles from a CPE Authorized Service Outlet. The 100-mile limitation does not apply in the following states: Alaska, Arizona, Colorado, Hawaii, Idaho, Montana, Nebraska, Nevada, New Mexico, Oregon, Texas, Utah and Wyoming.
- g. CPE shall be liable for damages to other original engine components or approved modifications proximately caused by a failure under warranty of an emission-related part covered by the ECS Warranty.
- h. Throughout the ECS Warranty Period, CPE shall maintain a supply of warranted emission-related parts sufficient to meet the expected demand for such emission-related parts.
- i. Any CPE Authorized and approved emission-related replacement part may be used in the performance of any ECS Warranty maintenance or repair and will be provided without charge to the owner. Such use shall not reduce CPE’s warranty obligation.
- j. Unapproved add-on or modified parts may not be used to modify or repair a CPE engine. Such use voids this ECS Warranty and shall be sufficient grounds for disallowing an ECS Warranty claim. CPE shall not be liable hereunder for failures of any warranted parts of a CPE engine caused by the use of such an unapproved add-on or modified part.
EMISSION-RELATED PARTS INCLUDE THE FOLLOWING: (using those portions of the list applicable to the engine)
| Systems covered by this warranty | Parts Description |
| Fuel Metering System | Fuel regulator, Carburetor, and internal parts |
| Air Induction System | Air cleaner, Intake manifold |
| Ignition System | Spark plug and parts, Magneto ignition system |
| Exhaust System | Exhaust manifold, catalytic converter |
| Miscellaneous Parts | Tubing, Fittings, Seals, Gaskets, and Clamps are associated with these listed systems. |
| Evaporative Emissions | Fuel Tank, Fuel Cap, Fuel Line (for liquid fuel and fuel vapors), Fuel Line Fittings, Clamps, Pressure Relief Valves, Control Valves, Control Solenoids, Electronic Controls, Vacuum Control Diaphragms, Control Cables, Control Linkages, Purge Valves, Gaskets, Vapor Hoses, Liquid/Vapor Separator, Carbon Canister, Canister Mounting Brackets, Carburetor Purge Port Connector |
TO OBTAIN WARRANTY SERVICE:
- You must take your CPE engine or the product on which it is installed, along with your warranty registration card or other proof of original purchase date, at your expense, to any Champion Power Equipment dealer who is authorized by Champion Power Equipment, Inc. to sell and service that CPE product during his normal business hours. Alternate service locations defined in Section (3)(f.) above must be approved by CPE prior to service. Claims for repair or adjustment found to be caused solely by defects in material or workmanship will not be denied because the engine was not properly maintained and used.
- If you have any questions regarding your warranty rights and responsibilities, or to obtain warranty service, please write or call
- Customer Service at Champion Power Equipment, Inc.
- Champion Power Equipment, Inc.
- 6370 S Pioneer Way, Unit 101
- Las Vegas, NV 89113
- 1-877-338-0999
- Attn.: Customer Service [email protected]
WARNING
- Cancer and Reproductive Harm – www.P65Warnings.ca.gov
DISCLAIMERS
- All information, illustrations, and specifications in this manual are based on the latest information available at the time of publishing. The illustrations used in this manual are intended as representative reference views only.
- Products are under a continuous improvement policy. Thus, information, illustrations, and/or specifications to explain and/or exemplify a product, service, or maintenance improvement may be changed at any time without notice.
ALL RIGHTS RESERVED
- No part of this publication may be reproduced or used in any form by any means – graphic, electronic, or mechanical, including photocopying, recording, taping, or information storage and retrieval systems – without the written permission of Champion Power Equipment (CPE).
Have questions or need assistance?
- Do not return this product to the store!
- WE ARE HERE TO HELP!
- Visit our website: www.championpowerequipment.com
- for more info: Product Info & Updates
- Frequently Asked Questions
- Tech Bulletins
- Product Registration
- Call our Customer Care Team Toll-Free at 1-877-338-0999
