Contents
Cadillac 2010 Truck SRX AWD V6-3.0L Converter

Product Information
The product is a 2010 Cadillac Truck SRX AWD V6-3.0L with a catalytic converter. The catalytic converter is a component in the vehicle’s exhaust system that helps reduce harmful emissions by converting pollutants into less harmful substances before they exit the exhaust system.
Product Usage Instructions
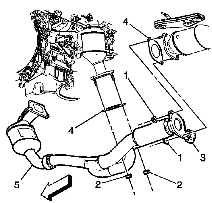
- Refer to Hot Exhaust System Warning and Safety Glasses Warning before starting the replacement process. Disconnect the heated oxygen sensor before and after the left catalytic converter.
- Remove the left catalytic converter nuts (1) to the left cylinder head. Replace gasket (2) with a new one.
- Remove the nuts (1) to the rear muffler assembly.
- Remove the nuts (2) from the right catalytic converter. Note It may be easier to remove the catalytic converter by removing the left cylinder studs.
- Remove the exhaust bracket insulator (3) from the hanger and lower the catalytic converter (5).
- Carefully lower the catalytic converter to the floor.
- Transfer oxygen sensors if replacing a catalytic converter.
- Install the left catalytic converter nuts to the left cylinder head. Tighten nuts (1) in a criss-cross pattern.
- First Pass: 20 Nm (15 lb-ft)
- Final Pass: 46 Nm (34 lb-ft)
- Attach the left catalytic converter to the insulator hanger bracket (3).
- Install the left catalytic converter nuts (1) to the rear muffler assembly. Tighten to 46 Nm (34 lb-ft).
- Install nuts (2) to the right catalytic converter. Tighten to 46 Nm (34 lb-ft).
- Connect the heated oxygen sensor.
- Inspect the exhaust system for leaks.
Caution Refer to Fastener Caution to prevent damage to the exhaust manifold flange or stud, make sure the flange is fully seated before tightening.
Note Improperly installed and/or leaking exhaust manifold gaskets may affect vehicle emissions and/or On-Board Diagnostics (OBD) II system performance.
Removal Procedure
Warning Refer to Hot Exhaust System Warning (See: Service Precautions/Technician Safety Information/Hot Exhaust System Warning).
Warning Refer to Safety Glasses Warning (See: Service Precautions/Technician Safety Information/Safety Glasses Warning).
- Disconnect the heated oxygen sensor before and after the left catalytic converter.

- Remove the left catalytic converter nuts (1) to the left cylinder head. Replace gasket (2) with a new one

- Remove the nuts (1) to the rear muffler assembly.
- Remove the nuts (2) from the right catalytic converter. Note It may be easier to remove the catalytic converter by removing the left cylinder studs.
- Remove the exhaust bracket insulator (3) from the hanger and lower the catalytic converter (5).
- Carefully lower the catalytic converter to the floor.
- Transfer oxygen sensors if replacing a catalytic converter.
Installation Procedure
Caution Refer to Fastener Caution (See: Service Precautions/Vehicle Damage Warnings/Fastener Caution).
Caution To prevent damage to the exhaust manifold flange or stud, make sure the flange is fully seated before tightening.
Note Replace the left catalytic to cylinder head nuts and gaskets with new ones.
- Install the left catalytic converter nuts to the left cylinder head. Tighten nuts (1) in a criss-cross pattern.
- First Pass: 20 Nm (15 lb-ft)
- Final Pass: 46 Nm (34 lb-ft)

- Attach the left catalytic converter to the insulator hanger bracket (3).
- Install the left catalytic converter nuts (1) to the rear muffler assembly. Tighten to 46 Nm (34 lb-ft).
- Install nuts (2) to the right catalytic converter. Tighten to 46 Nm (34 lb-ft).
- Connect the heated oxygen sensor. Note Improperly installed and/or leaking exhaust manifold gaskets may affect vehicle emissions and/or On-Board Diagnostics (OBD) II system performance.
- Inspect the exhaust system for leaks.