BINMASTER LTR-100 Long Range Transceiver Instruction Manual

Home » BINMASTER » BINMASTER LTR-100 Long Range Transceiver Instruction Manual

Binmaster Logo

BINMASTER LTR-100 Long Range Transceiver

BINMASTER-LTR-100-Long-Range-Transceiver-product

Product Information

Specifications

  • Model: LTR-100
  • Manufacturer: BinMaster, Division of Garner Industries
  • Inputs: Two 4-20 mA analog inputs, RS-485 port
  • Power Options: AC line voltage (85-250 VAC), external 24 VDC supply
  • Mounting: Six mounting holes are available
  • Wire Sizes: 30 to 12 AWG

Introduction
The LTR-100 is a device used to collect readings from BinMaster sensors and wirelessly transmit the results to a BinCloud gateway for delivery to the BinCloud inventory website. It has two 4-20 mAinputs for collecting results from analog-out sensors and an RS-485 port for collecting results from serial-based sensors. It can be powered from AC line voltage or an external 24 VDC supply and provide 24 VDC power to a few sensors.

Mounting
When mounting the LTR-100, choose a location that is not in direct sunlight but in line of sight with the BinCloud gateway. Also, avoid mounting directly to metal walls and under metal eaves. There are six mounting holes available on the exterior of the enclosure.

Wiring and Connections
All wiring should be fed through the water-tight cordgrips and connected inside the lower wiring cabinet to the terminal blocks as per the wiring diagrams. All terminal blocks can support 30 to 12 AWG wire sizes. Be sure to use the appropriate wire gauge/size for the connections and follow all national and local codes concerning this installation.

Power Options
There are two options for powering the LTR-100. Only use one. Attempting to use both, at the same time, may result in permanent damage to the transceiver.

85-250 VAC
These input terminals are used when powering the transceiver with an external AC power source. Connect the L terminal to the AC line, the N terminal to the AC neutral, and the E terminal to earth. The earth connection is only used to provide overvoltage/surge protection to the RS-485 port. If you are not using the RS-485 port, you do not need to connect an earth.

24 VDC Input
These input terminals are used when powering the transceiver with an external 24 VDC power source. If you are using the RS-485 port, it is also recommended to connect the E terminal to earth. This will provide overvoltage/surge protection to the RS-485port.

24 VDC Out 1 and 2
These output terminals are used to provide an external 24 VDC power source. They can be used to provide power in a 3-wire analog configuration or to directly power a few serial-based sensors. Seewiring diagrams for more details.

Loop In 1 and 2
These input terminals are used to connect to two 4-20 mA analog sensors. See wiring diagrams for details.

FAQ

How many inputs does the LTR-100 have?
The LTR-100 has two 4-20 mA analog inputs and an RS-485 port.

Can the LTR-100 be powered by both AC line voltage and an external 24 VDC supply simultaneously?
No, using both power options at the same time may result in permanent damage to the transceiver. Only use one power option.

What wire sizes are supported by the terminal blocks?
The terminal blocks can support wire sizes ranging from 30 to 12 AWG.

Introduction

The LTR-100 is used to collect readings from BinMaster sensors and wirelessly transmit the results to a BinCloud gateway for delivery to the BinCloud inventory website. It has two 4-20 mA inputs for collecting results from analog-out sensors and an RS-485 port for collecting results from serial-based sensors. It can be powered from AC line voltage or an external 24 VDC supply and provide 24 VDC power to a few sensors.

Mounting

When mounting the LTR-100, choose a location that is not in direct sunlight but in line-of-sight with the BinCloud gateway. Also, avoid mounting directly to metal walls and under metal eaves. There are six mounting holes available on the exterior of the enclosure, as shown in the figure below.

BINMASTER-LTR-100-Long-Range-Transceiver-fig- (1)

Wiring and Connections

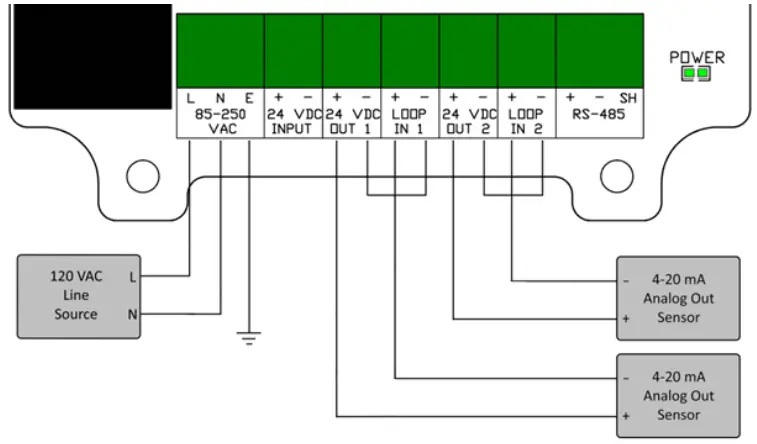
All wiring should be fed through the water-tight cordgrips and connected inside the lower wiring cabinet to the terminal blocks as per the wiring diagrams. All terminal blocks can support 30 to 12 AWG wire sizes. Be sure to use the appropriate wire gauge/size for the connections and follow all national and local codes concerning this installation. There are two options for powering the LTR-100. Only use one. Attempting to use both, at the same time, may result in permanent damage to the transceiver.

85-250 VAC
These input terminals are used when powering the transceiver with an external AC power source. Connect the L terminal to the AC line, the N terminal to the AC neutral and the E terminal to earth. The earth connection is only used to provide overvoltage/surge protection to the RS-485 port. If you are not using the RS-485 port, you do not need to connect an earth.

24 VDC Input
These input terminals are used when powering the transceiver with an external 24 VDC power source. If you are using the RS-485 port, it is also recommended to connect the E terminal to earth. This will provide overvoltage/surge protection to the RS-485 port.

24 VDC Out 1 and 2
These output terminals are used to provide an external 24 VDC power source. They can be used to provide power in a 3-wire analog configuration or to directly power a few serial-based sensors. See wiring diagrams for more details.

Loop In 1 and 2
These input terminals are used to connect to two 4-20 mA analog sensors. See wiring diagrams for details.

RS-485
These terminals are used to provide a connection to an RS-485 network. Two terminals marked + and – should be connected to the positive and negative wires of the sensor net-work cable. The third terminal, marked SH, should be connected to the shield of the sensor network cable.

Wiring Diagrams

Below is an example of the transceiver powered with an external 24 VDC power source and connected, in a 2-wire configuration, to two analog-out sensors. The sensors obtain their power from a separate source.BINMASTER-LTR-100-Long-Range-Transceiver-fig- (2)

Below is an example of the transceiver powered with 120 VAC line and connected, in a 3-wire configuration, to two analog-out sensors. The sensors obtain their power from the loop.BINMASTER-LTR-100-Long-Range-Transceiver-fig- (3)

Controls and Indicators

There are three push buttons located inside the transceiver on the circuit board. These are normally not needed and should only be used when instructed by BinMaster tech services.

  • User: This button is currently undefined.
  • Reset: This button is used to reset or restart the transceiver.
  • Boot: This button is used to perform firmware updates to the transceiver.

There are three DIP switches located inside the transceiver on the circuit board. These are used to bias and/or terminate the sensor network connected to the RS-485 terminals.

  • Bias Resistors: Slide both the upper and lower DIP switches to the right to enable biasing for the network. Slide both to the left to disable biasing.
  • Network Termination: Slide the center DIP switch to the right to enable the network termination. Slide it to the left to disable the network termination.

There are four LED indicators located inside the transceiver on the circuit board and visible through the clear cover.

  • Power: This green LED will be on when the transceiver has power.
  • Status: This red LED is currently undefined.
  • Rx: This yellow LED will blink when there is activity on the RS-485 sensor network.
  • Tx: This yellow LED will blink when the transceiver is sending data over the RS-485 sensor network.

Specifications

AC Line Voltage 80 to 305 VAC 50/60 Hz
AC Line Current 250 mA maximum
24 VDC Input Voltage 21.6 to 26.4 VDC
24 VDC Input Current 320 mA maximum
24 VDC Output Current 110 mA maximum each port
Storage Temperature -40 to 185 °F (-40 to 85 °C)
Operating Temperature

(no load on 24 VDC outputs)

-40 to 167 °F (-40 to 75 °C)
Operating Temperature

(max load on 24 VDC outputs)

-40 to 140 °F (-40 to 60 °C)
Dimensions (not including

the antenna or antenna mount)

6.75 x 4.13 x 2.44 in

(171 x 105 x 62 mm)

Enclosure Light gray polycarbonate
Ingress Protection Rating NEMA Type 4x

www.calcert.com [email protected]

Leave a Comment