Contents
bhi NEDSP1901-PCB DSP Noise Cancelling PCB Module

Copyright & Disclaimer: Copyright: This publication, including all photographs and illustrations is protected under international copyright laws, with all rights reserved. Neither this manual, nor any of the material within, may be copied or reproduced without the written consent of bhi Ltd. Disclaimer: The information in this document is subject to change without notice. bhi Ltd. makes no representations or warranties with respect to the contents hereof and specifically disclaims any implied warranties of merchantability or fitness for any particular purpose. Furthermore, bhi Ltd. reserves the right to revise this publication and to make changes from time to time in the content hereof without obligation of bhi Ltd. to notify any person of such revision or changes.
Introduction
The NEDSP1901-PCB module is designed to take line level audio signals and the NEDSP1901-PCB-MIC version is designed for use with various microphones. They are separate products and need to be ordered separately, and they are not interchangeable, although the NEDSP1901-PCB-MIC can also be used with line level audio signals.
Note: Go to page 12 for the NEDSP1901-PCB-MIC module
The NEDSP1901-PCB module is an audio DSP noise cancelling module that is used to clean up noisy speech signals to give improved speech clarity in noisy conditions. The 1901 module is pin for pin replacement module for the discontinued NEDSP1061-PCB module. It operates with a similar specification but incorporates the latest bhi DSP noise cancelling technology and maintains virtually the same physical dimensions as the NEDSP1061-PCB.
NEDSP 1901 Module Features
- Fully adaptive to changing noise environments
- Input and output level controls
- Virtually no distortion to speech signals
- Up to 40 dB noise reduction in 8 selectable levels
- Audio bandwidth 300Hz to 5KHz
- Noise Reduction may be preset or remotely set during operation.
- 7 to 18 Volt supply range
- Approximately 10 dB of signal gain with the ability to drive impedances of less than 1KOhm.
- Wide range of connection possibilities
- Mounting holes
Limitations
This module is designed to pass speech. Other signals such as data, music and morse (CW) will, to some degree pass through, but the integrity of these signals cannot be guaranteed. Like the NEDSP1061-PCB module it is designed to be placed in a low-level audio path (up to 1V p-p) only, although there is a level adjustment on the module which will require adjustment. The output will not drive a loudspeaker or other high-power load.
Module connection and Mounting
Connections to the module are made by a row of 10 plated through holes to one end which form PL2. The holes are on a 2.54 mm (0.1”) pitch which allow the use of Straight or Right-angle pin headers or direct wiring. This makes a flexible connection arrangement and allows the using to be mounted either vertically or horizontally, plugged in or soldered directly to the target system.

| Pin No | Name | Description |
| 1 | N0 | BCD lsb noise reduction bit 0 |
| 2 | N1 | BCD noise reduction bit 1 |
| 3 | N2 | BCD msb noise reduction bit 2 |
| 4 | N/C | Do Not Connect |
| 5 | Vin | Vin Supply Voltage (5V to 20 V) |
| 6 | N/C | Do Not Connect |
| 7 | 0v | 0V connection |
| 8 | Noff | Noise Reduction On/Off pin |
| 9 | In | Audio Input |
| 10 | Out | Audio Output |
- PL1, seen on the right of the picture above, is meant for programming of the 1901-KBD module only.
- Connections to 1901 are via PL2, as given in the table opposite.
Whichever method of connection is used, ensure that the PCB is supported by using at least 2 of the M2.5 mounting holes to be found at the corners of the board. It’s recommended that Nylon Securing hardware is used to ensure that accidental shorts are avoided due to the fine nature of this PCB. The Audio signal into the module is capacitor coupled to prevent DC offsets being affected. An on-board voltage regulator allows the module to be used with a wide range of input voltages, but to keep the power dissipation (and heat) down, it is advisable to use as low as possible supply voltage. The power supply input is reverse polarity protected.
DSP Noise Reduction
The NEDSP1901 processes the incoming signal and uses known speech and noise patterns to differentiate the speech from the noise. The unwanted noise and interference is then attenuated to leave only speech.

- The module has the facility to be pre-set or adjusted during operation. Digital inputs control the functions. These incorporate internal pull-up resistors so they can be left floating when not in use.
- The diagrams in Figure 1 (opposite) are taken from actual audio signals and illustrate how the signal is being processed.
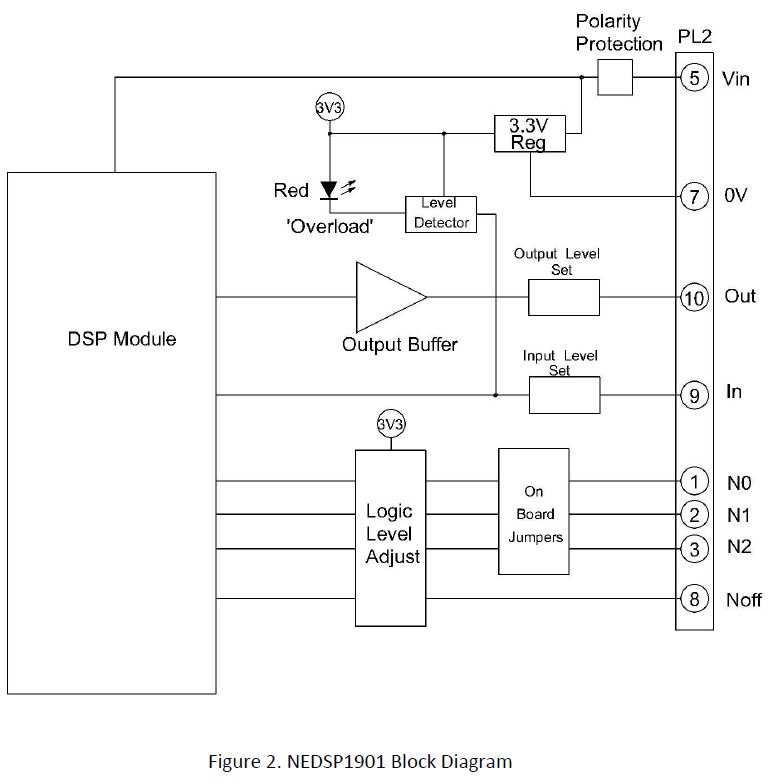
Module Description
Block Diagram
- The NEDSP 1901 module has the facility to be preset or adjusted during operation. Digital input control the functions. These incorporate internal pull-up resistors so they can be left floating when not in use.
- The audio signals into and out of the module are capacitor coupled to ensure that no DC levels are pulled down or shorted when the module is used embodied as part of existing equipment.
- The on-board voltage regulator allows the module to operate from a wide supply voltage (5 to 15 Volts) range. However, to keep the power dissipation (heat) down, it is advisable to use as low as possible supply voltage. The Power supply input is reverse polarity protected.

Module Layout
Figure 3 below shows the board dimension detail as seen from above. The overall thickness of the board is 8.75mm. When considering the installation of this module, at least 9.5 mm height should be provided, which will allow for the clearance of through-hole solder pins.

The Jumpers NS0 through NS2 highlighted in Figure 4 are solder jumper pads to allow the user to fix the Noise Reduction level required. Care must be taken so as not to splash solder over unused solder pads when placing solder across the required jumpers.
Note: Ensure that any solder jumpers across these pads are removed before using the Remote Noise Reduction control pins.

Pin Functions
The basic operation of the NEDSP pins is described below. More details may be found later in this manual.
- Pins 1-3 DSP Filter level set -These pins allow remote setting of the noise cancellation level. If these pins are used, then ensure that the appropriate on-board pre-set solder jumpers are removed (JP1 – JP3).
- Pin 5 Supply Voltage – Supply voltage 5 V to 15 V DC
- Pin 7 0V – This is the 0V pin and acts as a Star Point for all Audio and Power Grounds.
- Pin 8 Noise Reduction On/Off – Connecting this pin to 0V inhibits noise cancellation. Leave this pin floating or tie it to +3.3 V to enable noise cancellation.
- Pin 9 Audio Input – Audio Signal to be processed
- Pin 10 Audio Output – DSP Processed signal from the module.
- For optimum performance, keep all leads as short as possible. Use screened leads for the audio signal and make sure that the 0V pin is grounded correctly with all signal grounds being referenced to this pin.
Controls
The audio level control potentiometers VR2 (Audio Out) and VR1 (Audio In) provide adjustment to audio levels entering and leaving the module. Both controls are pre-set at the factory such that a 1V p-p input provides a 1V p-p output with the Noise Reduction disabled.
To set the Input Level correctly, adjust VR1 until the ‘Overload’ indicator (LED1) just illuminates. Then back off the potentiometer until the LED extinguishes. Turning the potentiometers clockwise increases the levels.
Electrical Characteristics
- Output impedance: 1k Ohms typical
- Input impedance: 7.5k Ohms typical
| Analog Characteristics | |||||
| Parameter | Description | Min. | Typ. | Max. | Units |
| Vin | Supply Voltage | 5 | 8 | 15 | V |
| In | Supply Current | 15 | 20 | mA | |
| In | Audio Input Signal | 10 | 500 | mV (RMS) | |
| Out | Audio Output Signal | 1000 | |||
| Digital Characteristics | |||||
| Parameter | Description | Min. | Typ. | Max. | Units |
| VHigh | High-Level Input Voltage | – | 3.3 | 5 | V |
| VLow | Low-level Input Voltage | 0.8 | – | – | V |
Installation
- The NEDSP1901 module is inserted into the path of the noisy audio. Adjusting the Input and Output level controls allows the module to appear transparent to the audio signal level.

The NEDSP1901 requires a minimum signal level of 10mV rms or greater for optimum performance. Signals lower than this may be used but the noise cancellation performance will be degraded as the signal level drops. If the module is to be used with low level microphones, the signal will require pre-amplification. The Output level control may be used to attenuate the signal back down to the original signal level.
Functions
Noise Reduction Levels
8 Levels of noise reduction are available. Noise and tone reduction is shown in the table below:
| Level | Tone Reduction | White Noise
Reduction |
| 1 | 4dB | 8dB |
| 2 | 5dB | 12dB |
| 3 | 6dB | 16dB |
| 4 | 8dB | 20dB |
| 5 | 16dB | 25dB |
| 6 | 21dB | 30dB |
| 7 | 25dB | 35dB |
| 8 | 65dB | 40dB |
Notes
- When processing signals with high levels of noise using the higher levels of Noise reduction, the processed signal may sound a little strange. This quite normal with this type of signal.
- Due to the adaptive nature of the noise cancellation algorithm, a small delay may be experienced when the audio signal varies in the noise. For optimum performance the module should be provided with a constant signal, for example if the module is installed into a system employing a push-to-talk system, then the module should be inserted in the audio path before any switching or muting. Thus, the signal will always be available for the module to adapt to.
Setting different filter levels
- The levels are set by applying a BCD code to three solder jumpers on the underside of the module.
- The module can be controlled with a microcontroller. As the DSP employs internal pull-ups, it is not necessary to drive the microcontroller pins high, they can be placed in a high-impedance state.
Remote setting of DSP filter level
- Remote setting of the DSP level may be achieved through the PCB connections at PL2, this allows the filter level to be changed during operation. If the remote DSP settings are to be used, ensure that the solder jumpers are removed from NS0 through NS2 as shown below:
- To set the DSP level remotely, connect the pins N0, N1 and N2 (PL2 pins 1, 2 and 3 respectively) as shown in Table 2 below. The DSP Module has internal pull-ups on its inputs, so any cell in the table containing +3.3 V may be taken up to or left open circuit.
| Level | N2 | N1 | N0 |
| 1 | 0 V | 0 V | 0 V |
| 2 | 0 V | 0 V | +3.3 V |
| 3 | 0 V | +3.3 V | 0 V |
| 4 | 0 V | +3.3 V | +3.3 V |
| 5 | +3.3 V | 0 V | 0 V |
| 6 | +3.3 V | 0 V | +3.3 V |
| 7 | +3.3 V | +3.3 V | 0 V |
| 8 | +3.3 V | +3.3 V | +3.3 V |
Table 2 – Remote Pin settings for various Noise Reduction Levels
Setting the Noise Reduction Level using the On-board Jumper links
The on-board Noise reduction selection jumper selectors are located on the underside of the Module as shown below. These jumpers are actually PCB pads that should be linked using a solder bridge. Caution should be used when carrying out this operation to ensure that other components and connections are not bridged as this could cause the module to malfunction or even fail.

The Noise reduction Level settings are shown in the table below.
| Level | NS2 | NS1 | NS0 |
| 1 | Open | Open | Open |
| 2 | Open | Open | Linked |
| 3 | Open | Linked | Open |
| 4 | Open | Linked | Linked |
| 5 | Linked | Open | Open |
| 6 | Linked | Open | Linked |
| 7 | Linked | Linked | Open |
| 8 | Linked | Linked | Linked |
Table 3 – On-board Jumper setting
Noise Reduction On/Off
- The module has the provision for remotely enabling and disabling the noise reduction, while in operation. The default setting for the module is noise reduction ON. This may be switched by the use of the noise cancellation On/Off pin (PL2 pin 8). To inhibit noise reduction, connect this pin to 0V. To enable the noise reduction, leave the pin unconnected.
- The module may be controlled with a microprocessor. As the 1901 Module employs internal pull-ups, it is not necessary to drive the microprocessor port pins high, they can be placed in a high impedance state.
- It should be noted that the 1901 module operates with 3.3 Volt logic signals. Therefore, if it is intended that the Microprocessor is to drive the 1901 lines High, the Microprocessor should be operating from a 3.3 Volt supply as well. Alternatively, the control signals may be attenuated using a simple potential divider as discussed in section 5.
Application Notes
Noise Cancellation On/Off with indication

- In the example opposite a Tricolour (or separate Red and Green) LED’s are used to give a visual indication of the Noise Reduction mode. The Green LED will illuminate when the Noise Reduction is On and the Red will illuminate when the
Noise Reduction is Off.
Remote adjustment of Noise Reduction level
- This section illustrates the various options for altering the DSP level remotely, during operation.

- The transistors allow interfacing with higher voltages to control the DSP level. As a rough guide the Resistors R1, R3, R5 can be around 10 kOhm. Resistors R2, R4 and R6 could be in the range 2.2 kOhm for control voltages over 10 Volts and 4.7 kOhm for voltages between 5 Volts and 10 Volts.

- The module can be controlled with a microcontroller. It is not necessary to drive the control pins with the controller as the NEDSP has internal pull-up resistors. Therefore, the microcontroller would operate pulling Low or in a High impedance state.

Important Note: If the Microcontroller is driving the control pins both High and Low, it should be operate from a 3.3 Volt supply only. If this can’t be achieved, then consider using either the Transistor method of interfacing above or the much simpler voltage divider method outlined for 5 Volt operation shown in Figure 11.

- If a Microcontroller operating on 5 Volts is to be used to drive the NEDSP1901 control pins, make sure that the drive voltage is no higher than 3.3 Volts. Alternatively, if the Microcontroller is operating on 5 Volts, insert a simple Voltage divider circuit between the control pins and the microcontroller.
- For +5 Volts, the suggested values for R1, R3 and R5 is 1 kOhm, while R2, R4 and R6 should be 1.5 kOhm.
Audio Bypass
In safety-critical applications, a bypass system should be included to maintain communications in the unlikely event of the NEDSP1901 or power failing. The following circuit uses a relay to route the audio signal directly. In the event that the power fails, the Relay will de-energize and connect the Input to the Output directly. It will be noted that a switch has been included to allow the signal to bypass the Module.

Using a microphone with NEDSP01901-PCB module – NEDSP1901-PCB-MIC version
Description
- The NEDSP1901-PCB module has increased sensitivity down to a few millivolts of input. Following the DSP processor is a buffer amplifier that allows the overall input to output gain to reach up to 36dB and drive directly into a 600 Ohm load. In its normal configuration, the NEDSP1901-PCB is set such that the module throughput gain is a nominal 1. The gain can be increased by about 6dB using RV2 (Output Level) and should high input levels be encountered RV1 can be adjusted to attenuate high level input signals.
- The NEDSP1901-PCB module also has some improved functionality which also allows it to increase the gain further up to about 30dB for use with very small signals and under normal circumstances these selectable adjustments are hidden from view by the module itself.
- Not only does the module contain the ability to increase the gain by quite a lot, but it also contains an AGC (Automatic gain Control) facility that selects the gain setting continuously during operation, lending the module for use as a communications microphone Noise Reduction Module. The NEDSP1901-PCB-MIC has been created for this purpose. The NEDSP900 module is fitted on headers giving access to the relevant jumpers that set the microphone level parameters depending on what type of microphone is being used.
Using with Microphones
- The NEDSP1901-PCB-MIC version has as separate plug in DSP module so the following types of microphones or inserts can be used with this version:
- Magnetic or Dynamic inserts , MEM’s Capsules, Condenser Electret (or just Electret) Capsules
Dynamic or Magnetic Microphones
These usually have a very low impedance (between 30 Ohms and 600 Ohms) and provide signal levels of between -55 dBV/Pa and -40 dBV/Pa. As a word of caution, because of the variability of the more domestic versions of this type of microphone, the sensitivity can be much greater even between the same device. Apart from Amateur and CB communications microphones, this type can be found on aircraft and military headsets where the microphone sits on a boom arm placing it close to the user’s mouth. This ensures that a reasonable audio signal is gained by the microphone while extraneous sounds are quite low level. Some versions also have two units wired back to back. This allows one to pick up the user’s voice and external noise, while the other picks up mainly the noise and very little of the user’s voice. Used correctly, these types can improve the user to the background noise signal. The fact that some of these microphones are very low impedance, normally the industrial and military types, helps to reduce their susceptibility to RF and electrical interference, however caution should be observed to keep the interconnection leads short and preferably screened.
Condenser Electret Microphones
These are very common now-a-days and present a cheap reliable device with very good sound reproduction. Working on the principle of capacitance change, a diaphragm is used as one plate of a capacitor. The capacitor is biased such that a voltage change may be detected as the capacitance changes with any sound detected. The signal is generally very small which means that a simple amplifier is normally placed in the capsule to increase the signal level to around -44 dBV/Pa.
Most Electret microphones need a small bias current to power their internal amplifier.
Biasing an Electret
- The 1901 board has a 3 to 3.3 Volt supply on pin 2 of PL1. If you have a 2-pin device you will probably need a 2.2 kOhm resistor to feed this voltage to the microphone. The junction of where the resistor joins to the microphone is where the audio is taken off.
- There is no need to add a decoupling capacitor in the signal line as there is already one on the 1901 input. The microphone screen/ground line can connect to Pin 7 of PL2 (i.e. Ground) and the signal line to Pin 9.
- If the microphone is a 3-wire version then PL1 pin 2 can be connected to the microphone power terminal and the other two connections are given above.
- There are load of tutorials regarding how to feed and care for your Electret microphone on the Internet. Using the 1901 power to bias the electret microphone will allow you to get running and try out the Gain settings etc., but ideally the bias voltage should come from a separate regulated and filtered source.
MEM’s Microphones
- These are more modern devices that are very similar to the Electret device, but because they are produced with the diaphragm as part of the silicon amplifier, they can be made very small. They generally have two types of output. One being an analogue signal, which may be higher (-33 dBV/Pa) than that of the Electret device and the other being a digital Pulse width signal which will need recovering before it can be used.
- Some devices even have serial data converters built in, such that they can be used directly with other digital circuits directly via I2S, these cannot be directly interfaced to the 1901 module.
- Like the Condenser Electret microphone, the MEM’s microphone needs a DC supply of a few micro-amps to power the internal circuitry.
Powering a MEM’s microphone
Ideally, the MEM’s microphone should be powered separately to reduce the risk of any noise being picked up by the internal biasing and amplification circuits. Most MEM’s microphones require fixed voltages of 1.8 Volts or 3.3 Volts.
Microphone Sensitivities
In the previous sections of this document, you will see that various nominal sensitivity values have been quoted for each type of microphone. These values are all done at 1 Pa which is created with a sound level of around 94dB SPL. To assist the user making use of a microphone a table is provided at the end of this document which converts the dBV/Pa value into a peak to peak voltage and recommended 1901 Gain setting that should be tried.
1901 gain setting
- The NEDSP1901 module replaces the obsolete NEDSP1068 module.
- The gain setting of the NEDSP1901-PCB module is set to maximum (RV1 set fully clockwise). The Gain links on the pcb should be set to maximum (30 dB) for Dynamic, maybe a little less for an Electret device, but may need to be set much lower to accommodate the higher output level expected from the MEM’s module.
- The output of the 1901 module has a buffer amplifier allowing it to drive up to 1 Volt (or more) into a 1 k Ohm load. This is adjustable using the OUT trimmer (RV2).
Overload indicator
The Overload LED indicator will not activate when using the module with microphones, its only provided to notify the user that they are overloading the DSP input. This is very unlikely to happen even with a MEMs microphone.
Setting the gain on the NEDSP1901-PCB-MIC
To access the gain links, the plug-in module (IC1) needs to be removed from the socket on the PCB. This should be carried out within an ESD safe area with an appropriate ESD wrist strap on the operator. Locate and identify the 3 off sets of Gain setting pads as shown on fig 1 below. It should be noted that the pads marked CH1 G0 are already linked as part of the 1901 PCB assembly. These pads may be disconnected using a sharp scalpel to cut the PCB trace that joins then. Note: Do not cut too deep as this PCB has several layers and you may sever traces on the underlying PCB layers. Re-connecting CH1 G0 is carried out using a solder link. The other two sets of pads are highlighted to the lower right of the module layout (Fig 1). Both sets of pads need to be linked with solder to enable them to get 30 dB gain. If another gain setting is required, then refer to the Gain Settings table on page 5 and identify those pads that need linking. If the gain needs to be reduced, then the solder link needs to be removed.

- View of jumpers and component locations underneath IC1 (remove to access the jumpers)

- Picture showing the main DSP module removed from the NEDSP1901-PCB-MIC module revealing the various jumpers that are required to get the correct gain settings for the type of microphone used.
Audio Gain settings table
| Gain Setting (dB) | CH1 G0 | CH1 G1 | CH2 G2 | AGC |
| 0 | No Jumper | No Jumper | No Jumper | No Jumper |
| 12 | Pre -Linked | No Jumper | No Jumper | No Jumper |
| 15 | No Jumper | Solder Link | No Jumper | No Jumper |
| 18 | Solder Link | Solder Link | No Jumper | No Jumper |
| 21 | No Jumper | No Jumper | Solder Link | No Jumper |
| 24 | Solder Link | No Jumper | Solder Link | No Jumper |
| 27 | No Jumper | Solder Link | Solder Link | No Jumper |
| 30 | Solder Link | Solder Link | Solder Link | No Jumper |
| AGC (0 to 30) | X | X | X | Solder Link |
A gain setting for different microphone levels is given in the Appendix on page 15. The calculations are relatively simple. With the Input Voltage (RMS) = 10(dBV/20) and further conversion to: Volts Peak to Peak = 2.828 * RMS. To save time you can use the chart by taking, for instance, a Electret microphone giving about -44dBV and a 1901 gain setting of 24dB should create a signal of -20dBV (by simple addition), which should give a signal of about 282mV P-P maximum.
Using the AGC action
- As previously mentioned, the module has an AGC system that may be used. This requires all the Gain setting links to be removed and a link to be placed over the AGC pads.
- The AGC looks for voice patterns and then sets the appropriate gain setting at that specific time to get almost maximum audio level output. The DSP then holds the level until it gets the next speech pattern and sets the gain to get the maximum level this point. As such the AGC is stepped, rather than a slow ramp up and ramp down with audio level. It does however behave well under many audio and noise conditions.
RFI
We’ve already mentioned the use of filtering or use of separate supplies to bias /power the microphones and while the 900 module has in-built filtering to reduce any noise and rf ingress, any input signals should be treated with further filtering both on the signal and bias lines.
Appendix
Appendix – Reference table showing dBV Vs p-p signal levels and possible gain settings
| Input (dBV) | mV (p-p at | Expected 1901 Gain setting | Microphone Type |
| -55 | 5.028 | +30 | Dynamic/Moving |
| -54 | 5.643 | ||
| -53 | 6.331 | ||
| -52 | 7.104 | ||
| -51 | 7.97 | ||
| -50 | 8.943 | ||
| -49 | 10.03 | ||
| -48 | 11.26 | +27 | |
| -47 | 12.63 | ||
| -46 | 14.17 | ||
| -45 | 15.9 | ||
| -44 | 17.84 | Electret | |
| -43 | 20.02 | ||
| -42 | 22.46 | ||
| -41 | 25.2 | +24 | |
| -40 | 28.28 | ||
| -39 | 31.73 | ||
| -38 | 35.6 | ||
| -37 | 39.95 | ||
| -36 | 44.82 | ||
| -35 | 50.29 | ||
| -34 | 56.43 | ||
| -33 | 63.31 | +18 | MEMS |
| -32 | 71.04 | ||
| -31 | 79.7 | ||
| -30 | 89.43 | ||
| -29 | 100.3 | ||
| -28 | 112.6 | ||
| -27 | 126.3 | ||
| -26 | 141.7 | ||
| -25 | 159 | ||
| -24 | 178.4 | ||
| -23 | 200.2 | ||
| -22 | 224.6 | ||
| -21 | 252 | ||
| -20 | 282.8 | ||
| -19 | 317.3 | ||
| -18 | 356 | ||
| -17 | 399.5 | ||
| -16 | 448.2 | DSP Max Output | |
| -15 | 502.9 | ||
| -14 | 564.3 | ||
| -13 | 633.1 | ||
| -12 | 710.4 | DSP Max Input signal | |
| -11 | 797 | ||
| -10 | 894.3 |
Contact details
- bhi Ltd
- PO Box 318
- Burgess Hill
- West Sussex
- RH15 9NR
- Tel: +44 (0)1444 870333
- Email: [email protected]
- Web: www.bhi-ltd.com
