beko B7RCNE407HXBR Free Standing Refrigerator

Please read this manual first!
Contents
Dear Customer
Please read this manual before using the product.
Thank you for choosing this Beko product. We would like you to achieve the optimal efficiency from this high quality product which has been manufactured with state of the art technology. To do this, carefully read this manual and any other documentation provided before using the product and keep it as a reference.
Heed all information and warnings in the user manual. This way, you will protect yourself and your product against the dangers that may occur.
Keep the user manual. Include this manual with the unit if you hand it over to someone else.
The following symbols are used in the user manual:
Hazard that may result in death or injury.
Important information or useful tips on operation.
Read the user manual.
Combustible material, warning against fire hazard.
NOTICE A hazard that may cause material damage to the product or its surroundings
![]() |
![]() |
The model information as stored in the product data base can be reached by entering following website and searching for your model identifier (*) found on energy label. https://eprel.ec.europa.eu/ |
| SUPPLIE’S NAME MODEL IDENTIFIER ⮕(*) | ||
![]() |
||
Safety Instructions
- This section includes the safety instructions necessary to prevent the risk of personal injury or material damage.
- Our company shall not be held responsible for damages that may occur if these instructions are not observed.
Always have installation and repair operations performed by manufacturer, authorized service or a person who will be described by importer company.
Use original spare parts and accessories only.
Do not repair or replace any component of the product unless it is clearly specified in the user manual.
Do not perform any modifications on the product.
Intention of Use

- This product is not suitable for commercial use and should not be used for a purpose other than its intended use.
- This product is intended for operating interiors, such as households or similar. For example;
- In the staff kitchens of the stores, offices and other working environments, In farm houses, In the units of hotels, motels or other resting facilities that are used by the customers, In hostels, or similar environments, In catering services and similar non-retail applications.
- This product shall not be used in open or enclosed external environments such as vessels, camper vans, balconies or terraces. Exposing the product to rain, snow, sunlight and wind may cause risk of fire.
Safety of Children, Vulnerable Persons and Pets

- This product may be used by children aged 8 years and older and persons with underdeveloped physical, sensory or mental capabilities or lack of experience and knowledge if they are being supervised or have been given instruction concerning use of the appliance in a safe way and the hazards involved.
- Children between 3 and 8 years are allowed to put and take out food into/from the cooler product.
- Electrical products are dangerous for children and pets. Children and pets must not play with, climb on, or enter the product.
- Cleaning and user maintenance should not be performed by children unless there is someone overseeing them.
- Keep the packaging materials away from children. Risk of injury and suffocation. Before disposing of old products that shall not be used any more:
- Unplug the power cord from the mains socket.
- Cut the power cable and remove it from the appliance together with the plug.
- Do not remove the racks and drawers from the product to prevent children from getting inside the appliance.
- Remove the doors.
- Store the product so that it shall not be tipped over.
- Do not allow children to play with the scrapped product.
- Do not dispose of the product by throwing it into fire. Risk of explosion.
- If there is a lock available on the product’s door, keep the key out of children’s reach.
Electrical Safety

- The product shall not be plugged into the outlet during installation, maintenance, cleaning, repair, and transportation operations.
- If the power cable is damaged, it shall only be replaced by authorized service to avoid any risks that may occur.
- Do not tuck the power cable under the product or to the rear of the product. Do not put heavy items on the power cable. The power cable should not be bent, crushed, and come into contact with any heat source.
Do not use an extension cord, multi-plug or adaptor to operate your product. - Portable multi-plugs or portable power supplies may overheat and cause fire. Thus, do not have a multi-plug, portable power sources behind or in the vicinity of the product.
- Do not plug the product’s power cord in a loose or damaged power outlet. These types of connections may overheat and cause fire.
- The plug shall be easily accessible. If this is not possible, a mechanism that meets the electrical legislation and that disconnects all terminals from the mains (fuse, switch, main switch, etc.) shall be available on the electrical installation.
- Do not touch the plug with wet hands.
- When unplugging the appliance, don’t hold the power cord, but the plug.
Handling Safety

- Make sure to unplug the appliance before carrying the product.
- This product is heavy, do not handle it by yourself. Injuries may occur if the product falls on you. Do not bump into places or drop the product while transporting it.
- Always close the doors and do not hold the product by its doors while transporting it.
- Be careful not to damage the cooling system and the pipes while handling the product. Do not operate the product if the pipes are damaged, and contact an authorized service.
Installation Safety

- Contact the Authorized Service for the product’s installation. To prepare the product for use, see the information in the user manual and make sure the electric and water utilities are as required. If not, call a qualified electrician and plumber to arrange the utilities as necessary. Failure to do so may result in electric shock, fire, problems with the product, or injury.
- The product is designed for use in areas 2000 metres below sea level.
- Check for any damage on the product before installing it. Do not have the product installed if it is damaged.
- Always use personal protective equipment (gloves, etc.) during product installation, maintenance and repair. Risk of Injury!
- Place the product on a clean, level and hard surface and balance it with the adjustable legs (by rotating the front feet to the right or left). Otherwise, the refrigerator may tip over and cause injuries.
- The product shall be installed in a dry and ventilated environment. Do not keep carpets, rugs or similar covers under the product. This may cause risk of fire as a result of inadequate ventilation!
- Do not block or cover ventilation holes. Otherwise, power consumption increases and your product may be damaged.
- When placing the product, make sure that the supply cable is not damaged or pinched.
- The product must not be connected to supply systems such as solar power supply. Otherwise, your product may be damaged due to sudden voltage changes!
- The more refrigerant a refrigerator contains, the bigger its installation room should be. In very small rooms, a flammable gas-air mixture may occur in case of a gas leak in the cooling system. At least 1 m³ of volume is required for each 8 grams of refrigerant. The amount of the refrigerant available in your product is specified in the Type Label.
- The installation place of the product shall not be exposed to direct sunlight and it shall not be in the vicinity of a heat source such as stoves, radiators, etc. If you cannot prevent installation of the product in the vicinity of a heat source, use a suitable insulation plate and make sure the minimum distance to the heat source is as specified below:
– At least 30 cm away from heat sources such as stoves, ovens, heating units and heaters, etc.,
– And at least 5 cm away from electrical ovens. - Your product has the protection class of I.
- Plug the product in a grounded socket that conforms with the Voltage, Current and Frequency values specified in the type label. The socket must have a 10A – 16A fuse. Our firm will not assume responsibility for any damages due to usage without earthing and without power connection in compliance with local and national regulations.
- The product’s power cable must be unplugged during installation. Otherwise, risk of electric shock and injury may occur!
- Do not plug the product’s power cord in loose, dislocated, broken, dirty, oily power outlets which have a risk of water contact. These types of connections may cause overheating and fire.
- Place the power cable and hoses (if any) of the product so that they shall not cause a risk of tripping over.
- Penetration of humidity and liquid to live parts or to the power cord may cause short circuit. Thus, do not use the product in humid environments or in areas where water may splash (e.g. garage, laundry room, etc.) If the refrigerator is wet by water, unplug it and contact an authorized service.
- Do not ever connect your refrigerator to power saving devices. These systems are harmful for the product.
- There is a risk of contact with electrical parts when removing the electronic board cover and the compressor rear cover (if fitted). Do not remove the electronic board cover and the compressor rear cover (if fitted). There is a risk of electrocution!
Operational Safety

- Do not ever use chemical solvents on the product. These materials contain an explosion risk.
- In case of a failure of the product, unplug it and do not operate until it is repaired by the authorized service. There is a risk of electric shock!
- Do not place a source of flame (e.g. candles, cigarettes, etc.) on the product or in the vicinity of it.
- Do not get on the product. Risk of falling and injury!
- Do not cause damage to the pipes of the cooling system using sharp and piercing tools. The refrigerant that sprays out in case of puncturing the gas pipes, pipe extensions or upper surface coatings may cause irritation of skin and injury to the eyes.
- Do not place and operate electrical appliances inside the refrigerator/freezer unless it is advised by the manufacturer.
- Do not jam any parts of your hands or your body to the moving parts inside the product. Be careful to prevent jamming of your fingers between the refrigerator and its door. Be careful while opening or closing the door if there are children around.
- Do not put ice cream, ice cubes or frozen food to your mouth as soon as you take them out of the freezer. Risk of frostbite!
- Do not touch the inner walls, metal parts of the freezer or food kept inside the freezer with wet hands. Risk of frostbite!
- Do not place soda cans or cans and bottles that contain fluids that may be frozen to the freezer compartment. Cans or bottles may explode. Risk of injury and material damage!
- Do not use or place materials sensitive against temperature such as flammable sprays, flammable objects, dry ice or other chemical agents in the vicinity of the refrigerator. Risk of fire and explosion!
- Do not store explosive materials such as aerosol cans with flammable materials inside the product.
- Do not place cans containing fluids over the product an open state. Splashing of water on an electrical part may cause an electric shock or a fire.
- This product is not intended for storage and cooling of medicines, blood plasma, laboratory preparations or similar materials and products that are subject to the Medical Products Directive.
- If the product is used against its intended purpose, it may cause damage to or deterioration of the products kept inside.
- If your refrigerator is equipped with blue light, do not look at this light with optical devices. Do not stare directly at UV LED light for a long time. Ultraviolet rays may cause eye strain.
- Do not fill the product with more contents than its capacity. Injuries or damages may occur if the contents of the refrigerator fall when the door is opened. Similar problems may also occur when an object is placed over the product.
- Ensure that you have removed any ice or water that may have fallen to the floor to prevent injuries.
- Change the locations of the racks/bottle racks on the door of your refrigerator only when the racks are empty. Danger of injury!
- Do not place objects that may fall/tip over on the product. These objects may fall while opening or closing the door and cause injuries and/or material damages.
- Do not hit or exert excessive pressure on glass surfaces. Broken glass may cause injuries and/or material damages.
- The cooling system in your product contains R600a refrigerant. The refrigerant type used in the product is specified in the type label. This gas is flammable. Therefore, be careful not to damage the cooling system and the pipes while operating the product. In case of damage to the pipes
- Do not touch the product or the power cable.
- Keep the product away from potential sources of fire that may cause the product to catch fire.
- Ventilate the area where the product is placed. Do not use a fan.
- Contact Authorized Service.
If the product is damaged and you observe gas leak, please stay away from the gas. Gas may cause frostbite if it contacts your skin. Before disposing of old products that shall not be used any more:
- Unplug the power cord from the mains socket.
- Cut the power cable and remove it from the appliance together with the plug.
- Do not remove the racks and drawers from the product to prevent children from getting inside the appliance.
- Remove the doors.
- Store the product so that it shall not be tipped over.
- Do not allow children to play with the scrapped product.
- Do not dispose of the product by throwing it into fire. Risk of explosion.
- If there is a lock available on the product’s door, keep the key out of children’s reach.
Food Storage Safety

Please pay attention to the following warnings to avoid food spoilage:
- Leaving the doors open for a long time may cause the temperature inside the product to rise.
- Regularly clean the accessible drainage systems in contact with food.
- Clean the water tanks that have not been used for 48 hours and mains-fed water systems that have not been used for more than 5 days.
- Store raw meat and fish products in appropriate compartments within the product.
- Thus, it does not drip on or come into contact with other foods.
- Two-star freezer compartments are used for storing prefilled foods, making and storing ice and ice cream.
- One, two and three-star compartments are not appropriate for freezing fresh food.
- If the cooling product has been left empty for a long time, turn off the product, defrost, clean, and dry the product in order to protect the housing of the product.
Maintenance and Cleaning Safety

- Unplug the refrigerator before cleaning it or starting to perform maintenance.
- Do not pull by the door handle if you shall move the product for cleaning purposes. Handle may cause injuries if it is pulled too hard.
- Do not put your hands etc. under the refrigerator. Jamming may occur or any sharp edge may cause personal injuries.
- Do not clean the product by spraying or pouring water on the product and inside the product. Risk of electric shock and fire.
- When cleaning the product, do not use sharp and abrasive tools or household cleaning agents, detergent, gas, gasoline, thinner, alcohol, varnish, and similar substances. Use only cleaning and maintenance agents that are not harmful for food inside the product.
- Do not ever use steam or steamed cleaning materials for cleaning the product and thawing the ice inside it. Steam contacts the live areas in your refrigerator and causes short circuit or electric shock.
- Do not use any mechanical tools or any other tools than the recommendations of the manufacturer to speed up the defrost operation.
- Take care to keep water away from the ventilation holes, electronic circuits or lighting of the product.
- Use a clean, dry cloth to wipe the dust or foreign material on the tips of the plugs. Do not use a wet or damp piece of cloth to clean the plug. Otherwise, risk of fire or electric shock may occur.
Disposal of the Old Product

When disposing of your old product follow the instructions below:
- To prevent children from accidentally locking themselves into the product, if there is door lock, make it deactivated.
- Splash of coolant is harmful to the eyes. Do not damage any part of the cooling system while disposing of the product.
Environmental Instructions
Compliance with the WEEE Directive and Disposing of the Waste Product
This product complies with EU WEEE Directive (2012/19/EU).
This product bears a classification symbol for waste electrical and electronic equipment (WEEE).
This symbol indicates that this product shall not be disposed with other household wastes at the end of its service life. Used device must be returned to offical collection point for recycling of electrical and electronic devices. To find these collection systems please contact to your local authorities or retailer where the product was puchased. Each household performs important role in recovering and recycling of old appliance. Appropriate disposal of used appliance helps prevent potential negative consequences for the environment and human health.
Compliance with RoHS Directive
The product you have purchased complies with EU RoHS Directive (2011/65/EU). It does not contain harmful and prohibited materials specified in the Directive.
Package information
Packaging materials of the product are manufactured from recyclable materials in accordance with our National Environment Regulations. Do not dispose of the packaging materials together with the domestic or other wastes. Take them to the packaging material collection points designated by the local authorities.
Your Refrigerator

- * Adjustable Door Shelves
- * Egg Holders
- * Bottle Shelf
- * Adjustable Front Legs
- * Freezer Compartment
- * Ice Container
- * Cold Storage Drawer
- * Crisper
- * Adjustable Shelves
- * Foldable Wine Bin
- 1 * Fan
- * Illumination Lamp
*Optional: Figures in this user manual are schematic and may not exactly match your product. If your product does not comprise the relevant parts, the information pertains to other models.
Installation
Read the “Safety Instructions” section first!
Right Place For Installation
Contact the Authorized Service for the product’s installation. To prepare the product for installation, see the information in the user manual and make sure the electric and water utilities are as required. If not, call an electrician and plumber to arrange the utilities as necessary
WARNING
The manufacturer assumes no responsibility for any damages caused by the work carried out by unauthorized persons.
WARNING:
The product’s power cable must be unplugged during installation. Failure to do so may result in death or serious injuries!
WARNING:
If the door span is too narrow for the product to pass, remove the door and turn the product sideways; if this does not work, contact the authorized service.
- Place the product on a flat surface to avoid vibration.
- Place the product at least 30 cm away from the heater, stove and similar sources of heat and at least 5 cm away from electric ovens.
- Do not expose the product to direct sunlight or keep it in damp environments.
- Your product requires adequate air circulation to function efficiently. If the product will be placed in an alcove, remember to leave at least 5 cm clearance between the product and the ceiling, rear wall and the side walls.
- Check if the rear wall clearance protection component is present at its location (if provided with the product).
- If the component is not available, or if it is lost or fallen, position the product so that at least 5 cm clearance shall be left between the rear surface of the product and the wall of the room. The clearance at the rear is important for efficient operation of the product.
Electrical Connection
Do not use extension or multi sockets in power connection.
Damaged power cable must be replaced by Authorized Service.
When placing two coolers in adjacent position, leave at least 4 cm distance between the two units.
- Our firm will not assume responsibility for any damages due to usage without earthing and power connection in compliance with national regulations.
- The power cable plug must be easily accessible after installation.
- Do not use multi-group plug with or without extension cable between the wall socket and the refrigerator.
Attaching the Plastic Wedges
The condenser of the refrigerator is located at the rear. To minimize power consumption and increase energy efficiency the top and bottom of the condenser must be pulled back and secured as shown in the picture. When the condenser is pulled backwards, the brackets lock and the condenser’s position is secured.

Adjusting the Legs
If the product is not in balanced position, adjust the front adjustable legs by rotating them to right or left.
Hot Surface Warning
The side walls of your product are equipped with cooler pipes to enhance the cooling system. High pressure fluid may flow through these surfaces, and cause hot surfaces on the side walls. This is normal and it does not require servicing. Be careful when you contact these areas.

Preparation
Read the “Safety Instructions” section first!
What To Do For Energy Saving
Connecting the product to electronic energy-saving systems is harmful, as it may damage the product.
- This refrigerating appliance is not intended to be used as a built in appliance.
- Do not keep the refrigerator doors open for long periods.
- Do not place hot food or beverages into the refrigerator.
- Do not overfill the refrigerator; blocking the internal air flow will reduce cooling capacity.
- Since hot and humid air will not directly penetrate into your product when the doors are not opened, your product will optimize itself in conditions sufficient to protect your food. Under these circumstances, functions and components such as compressor, fan, heater, defrost, lighting, display and so on will operate according to the needs by consuming minimum energy.
- In case that multiple options are present, glass shelves must be placed so that the air outlets at the rear wall are not blocked and preferably, in a way that air outlets remain below the glass shelf. This combination may help improving air distribution and energy efficiency.
- Using the below drawer when storing is strongly recommended.
- Depending on the product’s features; defrosting frozen foods in the cooler compartment will ensure energy saving and preserve food quality.
- In order to load the maximum quantity of food into the freezer compartment of your refrigerator, the upper drawers should be taken out and the food should be placed onto the wire/glass shelves. Net volume and energy consumption information declared in the energy label of your refrigerator was tested by taking out the upper drawers in the cooler department and the ice bucket, which is easily removable by hand.
- Make sure the foods are not in contact with the cooler compartment temperature sensor described below.

- If they are in contact with the sensor, energy consumption of the appliance might increase
- Food shall be stored using the drawers in the cooler compartment in order to ensure energy saving and protect food in better conditions.
- Food packages shall not be in direct contact with the temperature sensor located in the freezer compartment.
First Use
Before using your refrigerator, make sure the necessary preparations are made in line with the instructions in “Safety and Environmental Instructions” and “Installation” sections.
- Keep the product running without placing any food inside for 6 hours and do not open the door, unless absolutely necessary.
- The temperature change caused by opening and closing of the door while using the product may normally lead to condensation on door/body shelves and glassware placed in the product.
A sound will be heard when the compressor is engaged. It is normal for the product to make noise even if the compressor is not running, as fluid and gas may be compressed in the cooling system.
It is normal for the front edges of the refrigerator to be warm. These areas are designed to warm up in order to prevent condensation.
For some models, indicator panel turns off automatically 1 minute after the door closes. It will be reactivated when the door is opened or any button is pressed.
Climate Class and Definitions
Please refer to the Climate Class on the rating plate of your device. One of the following information is applicable to your device according to the Climate Class.
- SN: Long Term Temperate Climate: This cooling device is designed for use at ambient temperatures between 10 °C and 32 °C.
- N: Temperate Climate: This cooling device is designed for use at ambient temperatures between 16°C and 32 °C.
- ST: Subtropical Climate: This cooling device is designed for use at ambient temperatures between 16°C and 38°C.
- T: Tropical Climate: This cooling device is designed for use at ambient temperatures between 16°C and 43°C.
Operating the Product
Read the “Safety Instructions” section first!
- Do not use any mechanical tools or any other tools than the recommendations of the manufacturer to speed up the defrost operation.
- Do not use parts of your refrigerator such as the door or drawers as a support or a step. This may cause the product to trip over or its components to be damaged.
- The product shall be used for storing food only
- Turn off the water valve if you will be away from home (e.g. at vacation) and you will not be using the Icematic or the water dispenser for a long period of time. Otherwise, water leaks may occur.
Unplugging the Product - If you are not going to use the product for a long time, unplug the product from the socket.
- Remove the food to prevent odours,
- Wait for the ice to melt, clean the interior and let it dry, leave the doors open to avoid damaging the inner body plastics.
Use of Your Appliance
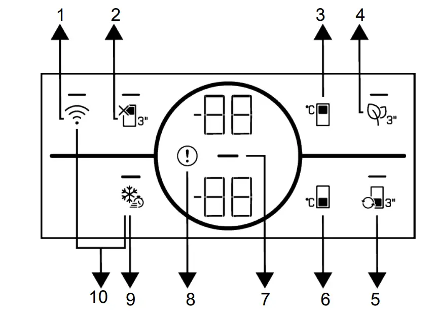
Control Panel of the Product

- * Wireless Key
- * Cooler Compartment OFF (Vacation) Function
- * Cooler Compartment Temperature Setting Key
- * Deodoriser Module Key
- * Compartment Conversion Key
- 6 * Freezer Compartment Temperature Setting Key
- * Energy Saving (Display Off) Indicator
- * Error Status Indicator
- * Quick Freezing Key
- * Key for Resetting Wireless Connection Settings
Read the “Safety Instructions” section first.
Auditory and visual functions on the indicator panel will assist you in using the refrigerator. *Optional: Shown functions are optional,
there may be differences of shape and location in functions found on your appliance’s indicator panel.
- Wireless Key

This key is used to make a wireless connection with your product via HomeWhiz mobile app. When you press the key for 3 seconds, the wireless connection symbol on the display/screen flashes slowly (with intervals of 0.5 seconds). The home network is initialized on the product this way. After achieving wireless connection with the product, wireless connection symbol illuminates continuously, you may activate/deactivate the connection with a short press on this key. The wireless connection icon flashes (with the interval of 0.2 seconds) until the connection is established. When the connection is active, LED will remain lit. If the connection cannot be established for a long period, check your connection settings and refer to the “Troubleshooting” section provided in the user manual. Home Whiz application will be used for wireless connection. The steps for setup are explained through the application during setup. You can access the application by scanning the QR code on the HomeWhiz label on the appliance. The application can be obtained from App Store or from Play Store for Android devices. For details visit https://www.homewhiz.com/ address. - Cooler Compartment Off (Vacation)
Function Key
Press the key for 3 seconds to activate the vacation function. Vacation mode is activated and the LED on the key is illuminated.
“- -” shall be displayed on the Cooler Compartment temperature indicator and the cooler compartment does not actively perform cooling. You should not keep your food in the cooler compartment if you activate this function. The other compartments continue to cool according to temperatures set before. Press and hold the key for 3 seconds again to cancel this function. - Cooler Compartment Temperature
Setting Key
Allows setting of temperature for cooler compartment. Pressing the key will enable the cooler compartment temperature to be set at 8 °C, 7 °C, 6 °C, 5 °C, 4 °C, 3 °C, 2 °C, and 1 °C. - *Deodoriser Module Key

Press this key for 3 seconds to activate/deactivate the deodoriser feature. When the deodoriser feature is active, the LED on the respective key is illuminated. When the feature is active, the deodoriser module will be operated periodically. - Compartment Conversion Key

Pressing compartment conversion key for 3 seconds, the freezer section switches between cooler, off and freezer modes. If it is operated as the cooler compartment, the temperature of the compartment will be set as 4 °C. In the off mode, compartment temperature indicator shall display “- -”. - Freezer Compartment Temperature
Setting Key
Temperature setting is made for freezer compartment. Pressing the key will enable the freezer compartment temperature to be set at -18 °C, -19 °C, -20 °C, -21 °C, -22 °C, -23 °C, and -24 °C. - Energy Saving (Display Off) Indicator

Energy saving function is enabled automatically and the energy saving symbol lights up when the door of the product is not opened or closed for some period of time. When the energy saving function is active, all symbols on the screen other than the energy saving symbol shall be turned off. When the energy saving function is active, pressing any key or opening the door will deactivate the energy saving function and the display signals will return to normal. The energy saving function is a function activated ex-factory and cannot be cancelled. - Error Status Indicator

This indicator shall be active when your refrigerator cannot perform adequate cooling or in case of any sensor error. On the freezer compartment temperature indicator the letter “E” and on the cooler compartment temperature indicator the numbers 1, 2, 3 will be displayed. These numbers on the indicator specify the service regarding the failure. If you place hot food in the freezer compartment or leave its door open for a prolonged time, an exclamation mark can be lit. This is not a fault, this warning shall be removed when the food is cooled down or when any key is pressed. - Quick Freezing Key

When the quick freezing key is pressed, the LED on the key is illuminated and the quick freezing function shall be activated. The freezer compartment temperature is set to -27 °C. Press the key again to cancel the function. The quick freezing function will be automatically cancelled after 24 hours. To freeze a large amount of fresh food, press the quick freezing key before placing the food in the freezer compartment. - Key for Resetting Wireless Connection Settings

To reset wireless connection settings, Quick freezing and Wireless connection keys should be pressed on simultaneously for 3 seconds. All user information recorded previously are removed on the product where wireless connection settings are reset/restored to factory defaults.
Storing Food in the Cooler Compartment
Storing Food in the Cooler Compartment
- Compartment temperatures rise prominently if compartment door is opened and closed frequently and kept open for a long time, this can reduce the life span of the food and cause the food to spoil.
- In order not to cause odour and taste changes, the food should be stored in the closed containers.
- Do not store too much food in your refrigerator. To achieve a better and homogeneous cooling, place the food separately in a way that cold air can wander through them.
- Provide air flow by leaving a space between the food and internal wall. If you lean the food against the rear wall, the food may freeze.
- Bring cooked hot meals to the room temperature before placing them in the refrigerator. Then, you can place the tepid meal in the lower shelves of your refrigerator. Do not place the tepid meals close to the foods which may easily spoil.
- Defrost your frozen food in the fresh food compartment. Thereby, you can cool fresh food compartment by using frozen food and save energy.
- Storing unripe tropical fruits (mango, melon varieties, papaya, banana, pineapple) in the refrigerator may speed up the ripening process. This is not recommended because it will cause shorter storage time.
- You should store onions, garlics, gingers and other root vegetables in dark and cold room conditions, not in the refrigerator.
- If you notice that a food has spoiled in the refrigerator, throw away that food and clean the accessories which have come into contact with it.
- In order to cool the meals like soups and stews, which are cooked in the large pots, quickly, you can put them in the refrigerator by separating them into their own shallow containers.
- Do not place unpackaged food close to eggs.
- Keep the fruits and vegetables separately and store each variety together (for example; apples with apples, carrots with carrots).
- Take green vegetables out of the plastic bag and place them in the refrigerator after wrapping them in a paper towel or drying cloth. If you wash this type of food before placing them in the refrigerator, remember to dry them.
- You can both create a damp environment and provide an air flow by keeping fruits and vegetables, which are prone to drying, in the perforated or unsealed plastic bags.
- Except the cases where extreme circumstances are available in the environment, if your product (on the recommended set values table) is set to the specified set values, the food keep their freshness for a longer time both in the fresh product compartment and freezer compartment.
| Store Foods In The Different Places According To Their Properties: | |
| Food | Location |
| Egg | Door Shelf |
| Dairy products (butter, cheese) | If available, zero degree (for breakfast food) compartment |
| Fruits, vegetables and greenery | Fruit-vegetable compartment, crisper or EverFresh+ compartment (if available) |
| Fresh meat, poultry, fish, sausage etc. Cooked foods | If available, zero degree (for breakfast food) compartment |
| Ready to serve foods, packaged products, canned foods and pickles | Top shelves or door shelf |
| Beverages, bottles, spices and snacks | Door Shelf |
Storing Food In The Freezer Compartment
- You can activate Quick Freezing function 4-6 hours before freezing function and perform a faster cooling.
- Bring hot meals to the room temperature before placing them in the freezer compartment.
- Foods to be frozen must be divided into portions according to a size to be consumed, and frozen in separate packages.
- It is recommended to pack the foods before placing them in the freezer.
- In order to prevent expiration of storage time, write the freezing date, time and name of the product on the package according to the storage times of different foods.
- Consume the foods you have defrosted quickly. Defrosted foods cannot be frozen again unless they are cooked. It is not safe to consume the refrozen fresh foods without cooking after they are defrosted.
- As you freeze fresh foods, do not bring them in contact with already frozen foods. Otherwise, frozen foods will be defrosted
Storing The Foods, Which Are Sold Frozen
- Always follow the instructions of the producer in relation to the time during which you are required to store your foods. Do not excess the time specified in these instructions!
- In order to protect the quality of the food, keep the time interval between purchasing transaction and storing as short as possible.
- Buy frozen food which are stored at –18 °C or lower temperatures.
- Avoid buying foods whose packages are covered with ice etc. This means that the product could be partially defrosted and refrozen. Temperature impacts the quality of the food. • Do not excess the storing time recommended by the food producer. Remove only the food as much as you need from the freezer.
- Except the cases where extreme circumstances are available in the environment, if your product (on the recommended set values table) is set to the specified set values, the food keep their freshness for a longer time both in the fresh product compartment and freezer compartment.
- If fresh food compartment is set to a lower temperature, fresh fruits and vegetables may be partially frozen.
| Freezer Compartment Setting | Cooler Compartment Setting | Remarks |
| -21°C | 4°C | This is the default, recommended set- ting. This setting is recommended if ambient temperature is below 30°C. |
| -22 or -24 °C | 4°C | These settings are recommended for ambient temperatures exceeding 30°C. |
| Quick Freeze | 4°C | Use when you want to freeze your food in a short time. When the process ends, the product’s settings will return to previous position. |
| -18°C or colder | 2°C | Use these settings if you believe the cooler compartment is not cold enough due to ambient temperature or frequently opening the door. |
Quick Freezing
- Activate the quick freezing function 24 hours before placing your fresh foods.
- After 24 hours after pressing the button, place your food that you want to freeze on the second shelf with higher freezing capacity.
- The quick freezing function will be automatically deactivated after 48 hours.
Freezer Details
As per the IEC 62552 standards, the freezer must have the capacity to freeze 4.5 kg of food items at -18°C or lower temperatures at 25°C room temperature in 24 hours for each 100 litres of freezer compartment volume.
Food products can only be preserved for extended periods at or below temperature of -18 °C.
You can keep the foods fresh for months (in freezer at or below temperatures of -18 °C).
The food products to be frozen must not contact the already-frozen food inside to avoid partial defrosting.
Boil the vegetables and filter the water to extend the frozen storage time. Place the food in air-tight packages after filtering and place in the freezer. Bananas, tomatoes, lettuce, celery, boiled eggs, potatoes and similar food items should not be frozen. In case these foods are frozen, only nutritional values and eating qualities will be negatively affected. A rotting that would threaten human health is not in question.
Placing The Food Freezer compartment shelves: Different frozen foods like meat, fish, ice cream, vegetables etc. Cooler compartment shelves: Food items inside pots, capped plate and capped cases, eggs (in closed case) Cooler compartment door shelves: Small and packaged food or beverages
Crisper: Vegetables and fruits Fresh food compartment: Delicatessen (breakfast food, meat products to be consumed in short time)
Dairy Products Cold Storage Area
Cold Storage Drawer
The Cold Storage Drawer can reach lower temperatures in the cooler compartment. Use this drawer for delicatessen products (salami, sausage, etc.) and dairy products that require colder storage conditions, or for meat, chicken or fish to be consumed quickly. It is not suitable to store fruits and vegetables in this drawer.
Reversing the Door Opening Side
The door opening side of your refrigerator can be reversed according to the place you put it. When you need this, you should definitely call the nearest Authorized Service.

Door Open Alert
The door open alert system of your refrigerator may differ depending on the model.
Version 1;
If the door of the product remains open for a certain time (between 60 s and 120 s), an audio warning signal sounds; depending on the product model, a visual warning signal (light flash) can also be displayed. If you close the door of the device or press a button on the screen of the device, if any, the warning sound will stop.
Version 2;
If the door of the device remains open for a certain period of time (between 60 s and 120 s), the door open alert is sounded. The door open alert is sounded gradually. First, an audible warning starts to sound. After 4 minutes, if the door is still not closed, a visual warning (lighting flash) is activated. The door open alert will be delayed for a certain period of time (between 60 s and 120 s) when any key on the product screen, if any, is pressed. Then the process will start again. When the device door is closed, the door open alert will be cancelled
Foldable Wine Rack
It allows the user to store wine bottles if necessary. To use the rack section, grasp the plastic part and gently pull it down. You can now use the foldable wine rack.

To group the wine rack, first remove the glass shelf from the refrigerator. Place it on the glass shelf by pushing the plastic part through the front and back grooves as shown in the picture. The product will be ready to use with the foldable wine rack.
To remove the foldable wine rack, first remove the glass shelf from the refrigerator. Then grab the plastic part and pull it in any direction. You can now use the product without a foldable wine rack when needed.
Replacing the Illumination Lamp
Call the Authorized Service when the Bulb/ LED used for lighting in your refrigerator will be replaced.
Lamp(s) used in this appliance cannot be used for house lighting. Intended use of this lamp is to help the user place food into the refrigerator / freezer safely and comfortably.
AeroFlow
It is an air distribution system that provides homogeneous temperature distribution. With the air circulation, the homogeneous temperature distribution is ensured in the fresh food storage compartment, and the temperature fluctuations are kept at low levels. No direct air blowing over the food is realized and this helps to reduce moisture loss. It preserves the freshness of the food stored in the fresh food compartment of the refrigerator. In this way, your food is stored at more stable temperatures and the contact with air is reduced. The drying and shrinking of foods by losing moisture is prevented and freshness is provided for a longer time.
Maintenance and Cleaning
WARNING: Read the “Safety Instructions” section first.
WARNING: Unplug the refrigerator before cleaning it.
- Do not use sharp or abrasive tools to clean the product. Do not use materials such as household cleaning agents, soap, detergents, gas, gasoline, thinner, alcohol, wax, etc.
- The dust shall be removed from the ventilation grill on the rear of the product at least once a year (without opening the cover). Clean the product with a dry cloth.
- Take care to keep water away from the lamp’s cover and other electrical parts.
- Clean the door with a damp cloth. Remove all contents to remove the door and body racks. Remove the door racks by lifting them upwards. Clean and dry the shelves, then attach back in place by sliding from above.
- Do not use chlorinated water or cleaning products on the exterior surface and chromecoated parts of the product. Chlorine will cause rust on such metallic surfaces.
- Do not use sharp and abrasive tools, soap, house cleaning materials, detergents, gas, gasoline, varnish and similar substances to prevent deformation of the plastic part and removal of prints on the part. Use warm water and a soft cloth for cleaning, and then dry it.
- On the products without a No-Frost feature, water droplets and icing up to a thickness of a finger may occur on the rear wall of the freezer compartment. Do not clean, and never apply oils or similar materials.
- Use a mildly dampened micro-fibre cloth to clean the external surface of the product. Sponges and other types of cleaning clothes may cause scratches.
- To clean all removable components during the cleaning of the interior surface of the product, wash these components with a mild solution consisting of soap, water and carbonate. Wash and dry thoroughly. Prevent contact of water with illumination components and the control panel.
CAUTION: Do not use vinegar, rubbing alcohol or other alcohol based cleaning agents on any interior surface.
Stainless Steel External Surfaces
Use a non-abrasive stainless steel cleaning agent and apply it with a soft lint-free cloth.
To polish, gently wipe the surface with a micro-fibre cloth dampened with water and use dry polishing chamois. Always follow the veins of the stainless steel.
Preventing Odours
The product is manufactured free of any odorous materials. However, keeping the food in inappropriate sections and improper cleaning of internal surfaces may lead to odours.
- To avoid this, clean the inside with carbonated water every 15 days.
- Keep the foods in sealed holders, as micro-organisms arising from foods kept in unsealed containers will cause bad odour.
- Do not keep expired and spoilt foods in the refrigerator.
Protecting Plastic Surfaces
Troubleshooting
Check this list before contacting the service. Doing so will save you time and money. This list includes frequent complaints that are not related to faulty workmanship or materials. Certain features mentioned herein may not apply to your product.
The refrigerator is not working.
- The power plug is not fully settled. >>> Plug it in to settle completely into the socket.
- The fuse connected to the socket powering the product or the main fuse is blown. >>> Check the fuse.
Condensation on the side wall of the cooler compartment (MULTI ZONE, COOL CONTROL and FLEXI ZONE).
- The door is opened too frequently. >>> Take care not to open the product’s door too frequently.
- The environment is too humid. >>> Do not install the product in humid environments.
- Foods containing liquids are kept in unsealed holders. >>> Keep the foods containing liquids in sealed holders.
- The product’s door is left open. >>> Do not keep the product’s door open for long periods.
- The thermostat is set to a very cool temperature. >>> Set the thermostat to an appropriate temperature.
Compressor is not working.
- In case of sudden power failure or pulling the power plug off and putting back on, the gas pressure in the product’s cooling system is not balanced, which triggers the compressor thermic safeguard. The product will restart after approximately 6 minutes. If the product does not restart after this period, contact the service.
- Defrosting is active. >>> This is normal for a fully-automatic defrosting product. The defrosting is carried out periodically.
- The product is not plugged in. >>> Make sure the power cord is plugged in.
- The temperature setting is incorrect. >>> Select the appropriate temperature setting.
- The power is out. >>> The product will continue to operate normally once the power is restored.
The refrigerator’s operating noise is increasing while in use.
- The product’s operating performance may vary depending on the ambient temperature variations. This is normal and not a malfunction.
The refrigerator runs too often or for too long.
- The new product may be larger than the previous one. Larger products will run for longer periods.
- The room temperature may be high. >>> The product will normally run for long periods in higher room temperature.
- The product may have been recently plugged in or a new food item is placed inside. >>> The product will take longer to reach the set temperature when recently plugged in or a new food item is placed inside. This is normal.
- Large quantities of hot food may have been recently placed into the product. >>> Do not place hot food into the product.
- The doors were opened frequently or kept open for long periods. >>> The warm air moving inside will cause the product to run longer. Do not open the doors too frequently.
- The freezer or cooler door may be ajar. >>> Check that the doors are fully closed.
The product may be set to a temperature that is too low. >>> Set the temperature to a higher degree and wait for the product to reach the adjusted temperature.
- The cooler or freezer door washer may be dirty, worn out, broken or not properly settled. >>> Clean or replace the gasket. Damaged / torn door washer will cause the product to run for longer periods to preserve the current temperature.
The freezer temperature is very low, but the cooler temperature is adequate.
- The freezer compartment temperature is set to a very low degree. >>> Set the freezer compartment temperature to a higher degree and check again.
The cooler temperature is very low, but the freezer temperature is adequate.
- The cooler compartment temperature is set to a very low degree. >>> Set the cooler compartment temperature to a higher degree and check again.
The food items kept in cooler compartment drawers are frozen.
- The cooler compartment temperature is set to a very low degree. >>> Set the cooler compartment temperature to a higher degree and check again.
The temperature in the cooler or the freezer is too high.
- The cooler compartment temperature is set to a very high degree. >>> Temperature setting of the cooler compartment has an effect on the temperature in the freezer compartment. Wait until the temperature of relevant parts reach the sufficient level by changing the temperature of cooler or freezer compartments.
- The doors were opened frequently or kept open for long periods. >>> Do not open the doors too frequently.
- The door may be ajar. >>> Fully close the door.
- The product may have been recently plugged in or a new food item is placed inside. >>> This is normal. The product will take longer to reach the set temperature when recently plugged in or a new food item is placed inside.
- Large quantities of hot food may have been recently placed into the product. >>> Do not place hot food into the product.
Shaking or noise.
- The surface is not flat or durable >>> If the product is shaking when moved slowly, adjust the stands to balance the product. Also make sure the ground is sufficiently durable to bear the product.
- Any items placed on the product may cause noise. >>> Remove any items placed on the product.
- The product is making noise of liquid flowing, spraying etc.
- The product’s operating principles involve liquid and gas flows. >>> This is normal and not a malfunction.
There is sound of wind blowing coming from the product.
- The product uses a fan for the cooling process. This is normal and not a malfunction.
There is condensation on the product’s internal walls.
- Hot or humid weather will increase icing and condensation. This is normal and not a malfunction.
- The doors were opened frequently or kept open for long periods. >>> Do not open the doors too frequently; if open, close the door.
- The door may be ajar. >>> Fully close the door.
There is condensation on the product’s exterior or between the doors.
- The ambient weather may be humid, this is quite normal in humid weather. >>>
The condensation will dissipate when the humidity is reduced.
The interior smells bad.
- The product is not cleaned regularly. >>> Clean the interior regularly using sponge, warm water and carbonated water.
- Certain holders and packaging materials may cause odour. >>> Use holders and packaging materials without free of odour.
- The foods were placed in unsealed holders. >>> Keep the foods in sealed holders. Microorganisms may spread out of unsealed food items and cause bad odour.
- Remove any expired or spoilt foods from the product.
The door is not closing.
- Food packages may be blocking the door. >>> Relocate any items blocking the doors.
- The product is not standing in full upright position on the ground. >>> Adjust the stands to balance the product.
- The surface is not flat or durable >>> Make sure the surface is flat and sufficiently durable to bear the product.
The crisper is jammed.
- The food items may be in contact with the upper section of the drawer. >>> Reorganize the food items in the drawer.
Temperature on the product surface.
- High temperature may be observed between two doors, on the side panels and on the rear grill area while your product is operated. This is normal and it does not require servicing.
Fan continues to operate when the door is opened.
- Fan may continue to operate when the freezer door is open.
WARNING: If the problem persists after following the instructions in this section, contact your vendor or an Authorized Service. Do not try to repair the product. This is normal.
DISCLAIMER / WARNING
Some (simple) failures can be adequately handled by the end-user without any safety issue or unsafe use arising, provided that they are carried out within the limits and in accordance with the following instructions (see the “Self-Repair” section). Therefore, unless otherwise authorized in the “Self-Repair” section below, repairs shall be addressed to registered professional repairers in order to avoid safety issues. A registered Professional repairer is a professional repairer that has been granted access to the instructions and spare parts list of this product by the manufacturer according to the methods described in legislative acts pursuant to Directive 2009/125/EC.
However, only the service agent (i.e. authorized professional repairers) that you can reach through the phone number given in the user manual/warranty card or through your authorized dealer may provide service under the guarantee terms. Therefore, please be advised that repairs by professional repairers (who are not authorized by) Beko shall void the guarantee.
Self-Repair
Self-repair can be done by the end-user with regard to the following spare parts: door handles, door hinges, trays, baskets and door gaskets (an updated list is also available support.beko.com as of 1st March 2021).
Moreover, to ensure product safety and to prevent risk of serious injury, the mentioned self-repair shall be done following the instructions in the user manual for selfrepair or which are available in support.beko.com . For your safety, unplug the product before attempting any self-repair. Repair and repair attempts by end-users for parts not included in such list and/or not following the instructions in the user manuals for self-repair or which are available in support.beko.com, might give raise to safety issues not attributable to Beko, and will void the warranty of the product.
Therefore, it is highly recommended that end-users refrain from the attempt to carry out repairs falling outside the mentioned list of spare parts, contacting in such cases authorized professional repairers or registered professional repairers. On the contrary, such attempts by end-users may cause safety issues and damage the product and subsequently cause fire, flood, electrocution and serious personal injury to occur.
By way of example, but not limited to, the following repairs must be addressed to authorized professional repairers or registered professional repairers: compressor, cooling circuit, main board, inverter board, display board, etc.
The manufacturer/seller cannot be held liable in any case where end-users do not comply with the above.
The spare part availability of the refrigerator that you purchased is 10 years. During this period, original spare parts will be available to operate the refrigerator properly The minimum duration of guarantee of the refrigerator that you purchased is 24 months. This product is equipped with a lighting source of the “G” energy class. The lighting source in this product shall only be replaced by Professional repairer.


CARTARICICLATAE AICICLABILE

B7RCNE407HXBR



