Contents
AXA F0019942 Door Hardware

Assembly instruction
Thank you for purchasing our product. This is a high quality door hardware. Please strictly follow the installation instructions to ensure the correct operation of the product. AXA is not responsible for damage as a result of incorrect installation or improper use of the hardware.
- The Flex cylinder protection device automatically adjusts its own position in relation to the length of the lock cylinder protruding from the door leaf (in case of Flex security fittings on rosettes to function properly, the cylinder should protrude min. 12 mm to max. 18 mm from door leaf).
- Handle-handle (A);
- TL rosette (B);
- cylinder rosette (C);
- key rosette (D);
- Security rosette with Flex cylinder protection (E).

Drilling the mounting holes (fig. A)

NOTE: before drilling the mounting holes of the hardware, please remove the cylinder and lock from the door.
Using the mounting plate (1), mark on the door the places where you drill holes for the hardware mounting screws (A and B). On the inner side with a drill Ø 7 mm drill mounting holes. On the outer side, ream the holes with a drill Ø 10 mm.)
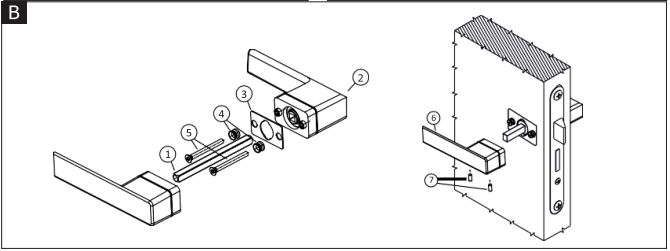
Installation of the door handle (fig. B)

- Insert the spindle (1) into the hole in the door leaf.
- Place the outside handle (2) on the spindle located in the lock nut. Assemble it with the mounting plate (3) on the inner side – to do this, assemble steel bushings (4) and M5 screws (5) and screw them into the outer rosette (2).
- Place the inner handle (6) on the bushings protruding from the mounting plate and tighten from the bottom with two M4 set screw (7).
Installation of Flex security cylinder rosette (fig. C)
- Apply the outer rosette (1) to the door on the outside. Connect the rosette to the inner rosette (2) using M6 screws (3).
Installation of cylinder, TL and key rosette (fig.D).

- Assemble the outer rosette (1a, 1b, 1c) with the mounting plate (2a, 2b, 2c) on the inside of the door. To do this, assemble steel bushings (3) and M5 screws (4) and screw them into the outer rosette (1a, 1b, 1c).
- Fig. D1 – Toilet inner rosette with knob (5b) connect to the spindle reducer (6). Slide onto the spindle (8) protruding from the outer rosette.
- Place the inner rosette (5a, 5b, 5c) on the bushings protruding from the mounting plate and tighten from bottom with two M4 set screw (7).