
CALIBRATION PROCEDURE
PXIe-4302/4303 and TB-4302C
32 Ch, 24-bit, 5 kS/s or 51.2 kS/s Simultaneous Filtered Data
Acquisition Module
ni.com/manuals
This document contains the verification and adjustment procedure for the National Instruments PXIe-4302/4303 module and the verification procedure for the National Instruments TB-4302C terminal block.
Contents
Software
Calibrating the PXIe-4302/4303 requires the installation of NI-DAQmx on the calibration system. Driver support for calibrating the PXIe-4302/4303 was first available in NI-DAQmx 15.1. For the list of devices supported by a specific release, refer to the NI-DAQmx Readme, available on the version-specific download page or installation media.
You can download NI-DAQmx from ni.com/downloads. NI-DAQmx supports LabVIEW, LabWindows™/CVI™, C/C++, C#, and Visual Basic .NET. When you install NI-DAQmx, you only need to install support for the application software that you intend to use.
No other software is required to verify the operation of the TB-4302C.
Documentation
Consult the following documents for information about the PXIe-4302/4303, NI-DAQmx, and your application software. All documents are available on ni.com, and help files install with the software.
| NI PXIe-4302/4303 and TB-4302/4302C User Guide and Terminal Block Specifications NI-DAQmx driver software installation and hardware setup. |
|
| NI PXIe-4302/4303 User Manual PXIe-4302/4303 usage and reference information. |
|
| NI PXIe-4302/4303 Specifications PXIe-4302/4303 specifications and calibration interval. |
|
| NI-DAQmx Readme Operating system and application software support in NI-DAQmx. |
|
| NI-DAQmx Help Information about creating applications that use the NI-DAQmx driver. |
|
| LabVIEW Help LabVIEW programming concepts and reference information about NI-DAQmx VIs and functions. |
|
| NI-DAQmx C Reference Help Reference information for NI-DAQmx C functions and NI-DAQmx C properties. |
|
| NI-DAQmx .NET Help Support for Visual Studio Reference information for NI-DAQmx .NET methods and NI-DAQmx .NET properties, key concepts, and a C enum to .NET enum mapping table. |
PXIe-4302/4303 Verification and Adjustment
This section provides information for verifying and adjusting the PXIe-4302/4303.
Test Equipment
Table 1 lists the equipment recommended for the performance verification and adjustment procedures of the PXIe-4302/4303. If the recommended equipment is not available, select a substitute using the requirements listed in Table 1.
Table 1. Recommended Equipment for PXIe-4302/4303 Verification and Adjustment
| Equipment | Recommended Model | Requirements |
| DMM | PXI-4071 | Use a DMM that has an accuracy of 13 ppm or better when measuring the 10 V range, an accuracy of 30 ppm or better when measuring the 100 mV range, and an offset error of 0.8 mV or better at 0 V. |
| PXI Express Chassis | PXIe-1062Q | If this chassis is unavailable, use another PXI Express chassis, such as the PXIe-1082 or PXIe-1078. |
| Connection Accessory | TB-4302 | — |
| SMU | PXIe-4139 | Noise (0.1 Hz to 10 Hz, peak to peak) is 60 mV or better at 10 V.
Noise (0.1 Hz to 10 Hz, peak to peak) is 2 mV or better at 100 mV. |
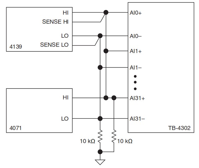
Connecting the TB-4302
The TB-4302 provides connections for the PXIe-4302/4303. Figure 1 shows the pin assignments of the TB-4302.
Figure 1. TB-4302 Circuit Board Parts Locator Diagram
Each channel consists of two terminal connections specific to that channel as shown in Table 2.
You can verify or adjust the accuracy for any or all channels depending on the desired test coverage. Refer to Figure 2 and only connect the input channels required for verification or adjustment in parallel.
Refer to Table 2 for the analog signal names of the TB-4302.
Table 2. TB-4302 Analog Signal Names
| Signal Name | Signal Description |
| AI+ | Positive input voltage terminal |
| AI- | Negative input voltage terminal |
| AIGND | Analog ground input |
Complete the following steps to connect the TB-4302.
- Install the PXIe-4302/4303 and the TB-4302 in the PXI Express chassis according to the instructions in the NI PXIe-4302/4303 and TB-4302/4302C User Guide and Terminal Block Specifications.
- Configure the PXIe-4139 to voltage output mode and enable remote sensing. Connect the PXIe-4139 output to the TB-4302 as shown in Figure 2.
- Use two 10 kΕ resistors with 1% or better tolerance to build a voltage divider to bias the PXIe-4139 output and set the common-mode input of the PXIe-4302/4303 to zero volts.
Connect one resistor between AI+ and AIGND and the other between AI- and AIGND as shown in Figure 2. - Connect the PXI-4071 to measure the differential voltage across the TB-4302 AI+ and AI- terminals. A detailed wiring diagram is shown in Figure 2.
Figure 2. Connecting the TB-4302
Test Conditions
The following setup and environmental conditions are required to ensure the PXIe-4302/4303 meets published specifications.
- Keep connections to the PXIe-4302/4303 as short as possible. Long cables and wires act as antennas, picking up extra noise that can affect measurements.
- Verify that all connections to the TB-4302 are secure.
- Use shielded copper wire for all cable connections to the TB-4302. Use twisted-pair wire to eliminate noise and thermal offsets.
- Maintain an ambient temperature of 23 °C ±5 °C. The PXIe-4302/4303 temperature will be greater than the ambient temperature.
- Keep relative humidity below 80%.
- Allow a warm-up time of at least 15 minutes to ensure that the PXIe-4302/4303 measurement circuitry is at a stable operating temperature.
- Ensure that the PXI/PXI Express chassis fan speed is set to HIGH, that the fan filters are clean, and that the empty slots contain filler panels. For more information, refer to the Maintain Forced-Air Cooling Note to Users document available at ni.com/manuals.
Initial Setup
Refer to the NI PXIe-4302/4303 and TB-4302/4302C Installation Guide and Terminal Block Specifications for information about how to install the software and hardware and how to configure the device in Measurement & Automation Explorer (MAX).
Note When a device is configured in MAX, it is assigned a device identifier. Each function call uses this identifier to determine which DAQ device to verify or to verify and adjust. This document uses Dev1 to refer to the device name. In the following procedures, use the device name as it appears in MAX.
Accuracy Verification
The following performance verification procedures describe the sequence of operations and provides the test points required to verify the PXIe-4302/4303. The verification procedures assume that adequate traceable uncertainties are available for the calibration references. The PXIe-4302/4303 has 32 independent analog input channels. The input range of each channel can be set to 10 V or 100 mV. You can verify the accuracy of either range for any or all of the channels depending upon your desired test coverage.
Complete the following steps to verify the voltage mode accuracy of the PXIe-4302/4303.
- Set the PXIe-4139 voltage output to zero volts.
- Connect the PXIe-4139 and PXI-4071 to the TB-4302 as shown in Figure 2.
- Use Table 3 to configure the PXIe-4139 to output a Test Point value for the appropriate range shown in Table 6, beginning with the values in the first row.
Table 3. PXIe-4139 Voltage Output SetupConfiguration Value Function Voltage output Sense Remote Range 600 mV range for test points less than 100 mV 60 V range for all other test points Current Limit 20 mA Current Limit Range 200 mA - Refer to Table 4 to configure the PXI-4071 and acquire a voltage measurement.
Table 4. PXI-4071 Voltage Measurement SetupConfiguration Value Function DC measurement Range 1 V range for test points less than 100 mV. 10 V range for all other test points. Digital Resolution 7.5 digits Aperture Time 100 ms Autozero On ADC Calibration On Input Impedance > 10 GW DC Noise Rejection High Order Number of Averages 1 Power Line Frequency Dependent upon the local power line characteristics. - Acquire a voltage measurement with the PXIe-4302/4303.
a. Create a DAQmx task.
b. Create and configure the AI channel according to the values shown in Table 5.
Table 5. AI Voltage Mode SetupConfiguration Value Channel Name Dev1/aix, where x refers to the channel number Task AI voltage Sample Mode Finite samples Sample Clock Rate 5000 Samples per Channel 5000 Maximum Value Appropriate maximum range value from Table 6 Minimum Value Appropriate minimum range value from Table 6 Units Volts c. Start the task.
d. Average the readings that you acquired.
e. Clear the task.
f. Compare the resulting average to the Lower Limit and Upper Limit values in Table 6.
If the result is between these values, the device passes the test.
Table 6. Voltage Measurement Accuracy LimitsRange (V) Test Point (V) Lower Limit (V) Upper Limit (V) Minimum Maximum -0.1 0.1 -0.095 DMM Reading – 0.0007 V DMM Reading + 0.0007 V -0.1 0.1 0 DMM Reading – 0.000029 V DMM Reading + 0.000029 V -0.1 0.1 0.095 DMM Reading – 0.0007 V DMM Reading + 0.0007 V -10 10 -9.5 DMM Reading – 0.004207 V DMM Reading + 0.004207 V -10 10 0 DMM Reading – 0.001262 V DMM Reading + 0.001262 V -10 10 9.5 DMM Reading – 0.004207 V DMM Reading + 0.004207 V - For each value in Table 6, repeat steps 3 through 5 for all channels.
- Set the PXIe-4139 output to be zero volts.
- Disconnect the PXIe-4139 and PXI-4071 from the TB-4302.
Adjustment
The following performance adjustment procedure describes the sequence of operations required to adjust the PXIe-4302/4203.
Complete the following steps to adjust the accuracy of the PXIe-4302/4203.
- Set the PXIe-4139 output to be zero volts.
- Connect the PXIe-4139 and PXI-4071 to the TB-4302 as shown in Figure 2.
- Call the DAQmx Initialize External Calibration function with the following parameters:
Device In: Dev1
Password: NI 1 - Call the 4302/4303 instance of the DAQmx Setup SC Express Calibration function with the following parameters:
calhandle in: calhandle output from DAQmx Initialize External Calibration rangeMax: Appropriate Range Max starting with the value in the first row of Table 7 rangeMin: Appropriate Range Min starting with the value in the first row of Table 7 physical channels: dev1/ai0:31
Table 7. Voltage Mode Adjustment Test PointsRange (V) Test Points (V)
Max Min 0.1 -0.1 -0.09 -0.06 -0.03 0 0.03 0.06 0.09 10 -10 -9 -6 -3 0 3 6 9 - Refer to Table 3 to configure the PXIe-4139. Set the PXIe-4139 output equal to the first
Test Point for the corresponding range in Table 7 that was configured in step 4. - Enable the PXIe-4139 output.
- Refer to Table 4 to configure the PXI-4071 and acquire a voltage measurement.
- Call the 4302/4303 instance of the DAQmx Adjust SC Express Calibration function with the following parameters: calhandle in: calhandle output from DAQmx Initialize External Calibration reference voltage: DMM measurement value from step 7
- Repeat steps 5 through 8 for the remaining Test Point values from Table 7 for the corresponding range that was configured in step 4.
- Repeat steps 4 through 9 for the remaining ranges from Table 7.
- Call the 4302/4303 instance of the DAQmx Adjust SC Express Calibration function with the following parameters:
calhandle in: calhandle output from DAQmx Initialize External Calibration action: commit
EEPROM Update
When an adjustment procedure is completed, the PXIe-4302/4303 internal calibration memory (EEPROM) is immediately updated.
If you do not want to perform an adjustment, you can update the calibration date without making any adjustments by initializing an external calibration and closing the external calibration.
Reverification
Repeat the Accuracy Verification section to determine the As-Left status of the device.
Note If any test fails Reverification after performing an adjustment, verify that you have met the Test Conditions before returning your device to NI. Refer to World Wide Support and Services for assistance in returning the device to NI.
TB-4302C Verification
This section provides information for verifying the performance of the TB-4302C.
Test Equipment
Table 8 lists the equipment recommended for verifying the shunt value of the TB-4302C. If the recommended equipment is not available, select a substitute using the requirements listed in Table 8.
Table 8. Recommended Equipment for PXIe-4302/4303 Verification and Adjustment
| Equipment | Recommended Model | Requirements |
| DMM | PXI-4071 | Use a DMM with an accuracy of 136 ppm or better when measuring 5 Ω in 4-wire mode. |
Accuracy Verification
The TB-4302C has a total of 32, 5 shunt resistors, one for each channel. The reference designators of the shunt resistors range from R10 to R41 as shown in Figure 3.
Figure 3. TB-4302C Circuit Board Shunt Resistor Locator Diagram
- R10, R11, R12, R13, R14, R15, R16, R17 (Bottom to Top)
- R21, R20, R19, R18, R25, R24, R23, R22 (Bottom to Top)
- R26, R27, R28, R29, R30, R31, R32, R33 (Bottom to Top)
- R37, R36, R35, R34, R41, R40, R39, R38 (Bottom to Top)
Table 9 shows the correlation between the AI channels and the shunt reference designators.
Table 9. Channel to Shunt Reference Designator Correlation
| Channel | Shunt Reference Designator |
| CH0 | R10 |
| CH1 | R11 |
| CH2 | R12 |
| CH3 | R13 |
| CH4 | R14 |
| CH5 | R15 |
| CH6 | R16 |
| CH7 | R17 |
| CH8 | R21 |
| CH9 | R20 |
| CH10 | R19 |
| CH11 | R18 |
| CH12 | R25 |
| CH13 | R24 |
| CH14 | R23 |
| CH15 | R22 |
| CH16 | R26 |
| CH17 | R27 |
| CH18 | R28 |
| CH19 | R29 |
| CH20 | R30 |
| CH21 | R31 |
| CH22 | R32 |
| CH23 | R33 |
| CH24 | R37 |
| CH25 | R36 |
| CH26 | R35 |
| CH27 | R34 |
| CH28 | R41 |
| CH29 | R40 |
| CH30 | R39 |
| CH31 | R38 |
The following performance verification procedure describes the sequence of operations to verify the shunt values of the TB-4302C.
- Open the TB-4302C enclosure.
- Configure the PXI-4071 for 4-wire resistance measurement mode as shown in Table 10.
Table 10. PXI-4071 Voltage Measurement SetupConfiguration Value Function 4-wire resistance measurement Range 100 W Digital Resolution 7.5 Aperture Time 100 ms Autozero On ADC Calibration On Input Impedance > 10 GW DC Noise Rejection High order Number of Averages 1 Power Line Frequency Dependent upon the local power line characteristics. Offset Compensated Ohms On - Locate R10 on the TB-4302C. Refer to Figure 3.
- Hold the HI and HI_SENSE probes of the PXI-4071 to one pad of R10 and hold the LO and
LO_SENSE probes to the other pad of R10. - Acquire a resistance measurement with the PXI-4071.
- Compare the results to the Lower Limit and Upper Limit values in Table 11. If the results are between these values, the device passes the test.
Table 11. 5 Ὡ Shunt Accuracy LimitNominal Upper Limit Lower Limit 5 W 5.025 W 4.975 W - Repeat steps 3 through 6 for all other 5Ὡ shunt resistors.
Note If the TB-4302C fails verification, refer to World Wide Support and Services for assistance in returning the terminal block to NI.
Specifications
Refer to the NI PXIe-4302/4303 Specifications document for detailed PXIe-4302/4303 specification information.
Refer to the NI PXIe-4302/4303 and TB-4302/4302C User Guide and Terminal Block Specifications document for detailed TB-4302C specification information.
World Wide Support and Services
The National Instruments website is your complete resource for technical support. At ni.com/support you have access to everything from troubleshooting and application development self-help resources to email and phone assistance from NI Application Engineers. Visit ni.com/services for NI Factory Installation Services, repairs, extended warranty, and other services.
Visit ni.com/register to register your National Instruments product. Product registration facilitates technical support and ensures that you receive important information updates from NI. National Instruments corporate headquarters is located at 11500 North Mopac Expressway, Austin, Texas, 78759-3504. National Instruments also has offices located around the world. For telephone support in the United States, create your service request at ni.com/support or dial 1 866 ASK MYNI (275 6964). For telephone support outside the United States, visit the Worldwide Offices section of ni.com/niglobal to access the branch office websites, which provide up-to-date contact information, support phone numbers, email addresses, and current events.
Refer to the NI Trademarks and Logo Guidelines at ni.com/trademarks for more information on National Instruments trademarks. Other product and company names mentioned herein are trademarks or trade names of their respective companies. For patents covering National Instruments products/technology, refer to the appropriate location: Help»Patents in your software, the patents.txt file on your media, or the National Instruments Patents Notice at ni.com/patents. You can find information about end-user license agreements (EULAs) and third-party legal notices in the readme file for your NI product. Refer to the Export Compliance Information at ni.com/legal/export-compliance for the National Instruments global trade compliance policy and how to obtain relevant HTS codes, ECCNs, and other import/export data. NI MAKES NO EXPRESS OR IMPLIED WARRANTIES AS TO THE ACCURACY OF THE INFORMATION CONTAINED HEREIN AND SHALL NOT BE LIABLE FOR ANY ERRORS. U.S. Government Customers: The data contained in this manual was developed at private expense and is subject to the applicable limited rights and restricted data rights as set forth in FAR 52.227-14, DFAR 252.227-7014, and DFAR 252.227-7015. © 2015 National Instruments. All rights reserved. 377005A-01 Sep15
COMPREHENSIVE SERVICES
We offer competitive repair and calibration services, as well as easily accessible documentation and free downloadable resources.
SELL YOUR SURPLUS
We buy new, used, decommissioned, and surplus parts from every NI series. We work out the best solution to suit your individual needs. Sell For Cash Get Credit Receive a Trade-In Deal
OBSOLETE NI HARDWARE IN STOCK & READY TO SHIP
We stock New, New Surplus, Refurbished, and Reconditioned NI Hardware.
Request a Quote
Z CLICK HERE
Bridging the gap between the manufacturer and your legacy test system.

1-800-915-6216
www.apexwaves.com
[email protected]
All trademarks, brands, and brand names are the property of their respective owners.
PXIe-4303