Contents
AO Smith X2Neo, X2Neo+ Water Purifier

Product Information
The A. O. Smith X2Neo / X2Neo+ Water Purifier is a high-quality water purification system designed to provide clean and purified drinking water. It features a 5-stage purification system that filters the water through various stages to remove impurities and contaminants. The purified water is then stored in the inbuilt storage tank (only available for the X2Neo+ model).
The product includes the following components:
- Storage tank
- Ball valve
- Front cover
- Touch Dispense
- Water Outlet
- Ring LED
The dimensions of the front side of the water purifier are 420 mm (W) x 297 mm (H), as shown in Figure 1 of the product overview.
Product Usage Instructions
Safety Instructions
Your safety and the safety of your loved ones is of utmost importance. Please read and follow all safety messages provided in this user manual. The safety messages are indicated by the safety alert symbol and are categorized as follows:
- DANGER: Indicates an imminently hazardous situation that, if not avoided, will result in death or serious injury.
- WARNING: Indicates a potentially hazardous situation, which if not avoided, could result in death or serious injury.
- CAUTION: Indicates a potentially hazardous situation which, if not avoided, may result in minor or moderate injury or property damage.
Installation Instructions
Before proceeding with the installation, please ensure the following:
- Inspect the Water Purifier and its component parts for any possible damage. Do not install or attempt to repair any damaged component parts. If you detect any damage, please contact the dealer where the Water Purifier was purchased or call A. O. Smith Customer Care Centre.
- Verify that the voltage being supplied corresponds to that which is marked on the Water Purifier manual.
To ensure proper installation and avoid damage caused by improper installation, it is recommended to have the Water Purifier installed by an A. O. Smith Company Authorized Service Technician. Please refer to the complete user manual for detailed instructions on the installation, operation, and maintenance of your A. O. Smith X2Neo / X2Neo+ Water Purifier.
Introduction
UV is a proven disinfection technology used in water purification which delivers micro-biologically safe water. The germicidal lamp inside the UV emits ultraviolet energy that has the capacity to alter the nucleic acid (DNA) of viruses and bacteria so they cannot reproduce and are thereby considered inactivated. The A. O. Smith X2Neo / X2Neo+ Water Purifier incorporating UV purification technology produces germ-free potable water for drinking. Purified water is collected for drinking in a storage tank/container (Only for the X2Neo+ model).
How does the A. O. Smith X2Neo / X2Neo+ Water Purifier work?
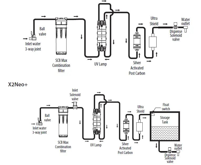
A. O. Smith X2Neo / X2Neo+ Water Purifier has 5 stages of the purification system, wherein the water is passed through the various stages and progressively filtered to get purified water which is stored in the inbuilt storage tank (Only for the X2Neo+ model).
Stage 1 and Stage 2 – SCB Max Combination filter
The filter is a combination of a Sediment filter and a Carbon block. Sediment filters are used to remove physical contaminants such as dirt, dust, soil particles, and turbidity present in the water and Carbon block reduces harmful chemicals including pesticides, volatile organic compounds, residual chlorine etc. It also adsorbs bad taste and odour causing organic compounds from water.
Stage 3 – UV lamp (Dual pass)
In this stage, water is passed through UV housing wherein UV rays disinfects the water by eliminating water-borne disease-causing micro-organisms like bacteria and virus making it healthy for drinking.
Stage 4 – SAPC (Silver Activated Post Carbon)
In this stage, SAPC acts as a polisher and enhances the taste of water.
Stage 5 – Ultra Shield filter
This is the additional stage of purification to provide clear water.
Product Overview

Note:
The Ball valve comes along with the product as a standard accessory. *Storage Tank is applicable only for the X2Neo+ model.
Touch Dispense (Drop icon)
This is used to switch ON/OFF the water from dispensing. This Touch Dispense blinks while dispensing water and stops blinking after dispensing water.
Ring LED (Ring icon)
UV Warm-up mode: In UV warm-up mode each quadrant of Ring LED will start to glow one after the other. All quadrants will glow indicating water is ready to dispense. The warm-up usually takes up to 30 seconds (approx.)
| Operation Modes (X2Neo) | Indicator status |
| Standby mode | • Drop icon: Glows blue.
• Ring icon: Off. |
| UV Warm Up mode | • Drop icon: Glows blue.
• Ring icon: Glows one after another in filling mode. |
| Ready to Dispense | • Drop icon: Glows blue.
• Ring icon: All quadrants glows. |
| Dispensing Mode | • Drop icon: Blinks blue.
• Ring icon: All quadrants glows. |
| Initial set up: First press the Touch dispense button, UV gets into warm up mode (30 seconds (approx.)). Then press the Touch dispense button to dispense water. Press again the Touch dispense button to stop dispensing water. | |
Initial setup: First press the Touch dispense button, and UV gets into a warm-up mode (30 seconds (approx.)). Then press the Touch dispense button to dispense water. Press again the Touch dispense button to stop dispensing water.
| Operation Modes (X2Neo+) | Indicator status |
| Tank Full/Standby mode | • Drop icon: Glows blue.
• Ring icon: All quadrants glows. |
| Pure water mode | • Drop icon: Glows blue.
• Ring icon: Glows one after another in sequence. |
| Dispensing Mode | • Drop icon: Blinks blue.
• Ring icon: All quadrants glows. |
Initial setup: First press the Touch dispense button, and UV gets into a warm-up mode (30 seconds (approx.)). Then press the Touch dispense button to dispense water. Press again the Touch dispense button to stop dispensing water.
Water flow

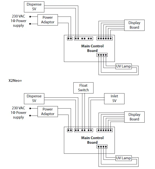
Electrical Diagram

Safety Precautions
Electrical Safety
Even though this product is designed keeping the highest safety standards in mind, there are certain dos and don’ts which need to be followed while using this product. The power plug must be used with a 230 V outlet. It is recommended to connect the product to the power supply only with the plug that is provided with the purifier. Do not pull out or touch the power plug with wet hands to avoid electrical shock. The product should be installed only by A. O. Smith Company Authorised Service Technician. Do not open the purifier for cleaning the filters/UV lamp* or for any part replacements. This must be done only by A. O. Smith Company Authorised Service Technician. Make sure that the feed water is tested before installation. Do not install the product if the inlet pressure, TDS and Hardness is more than that prescribed in the recommended feed water conditions (Refer to page 11). Install the product away from direct sunlight.

WARNING
*Do not open UV housing as UV rays will be harmful to human beings. This must be done only by A. O. Smith Company Authorised Service Technician
How to use
Turn ON the water connection through the ball valve. Switch ON the power supply.

NOTICE
- Discard the first cycle of pure water, before you start using it for consumption.

- Make sure to discard the water in the storage tank if you have not used the purifier for more than 24 hrs.
Troubleshooting
Your A. O. Smith X2Neo / X2Neo+ Water Purifier may not function at its desired capability if used incorrectly. This may not necessarily mean that the product is faulty For instances like these, please follow the steps given below to troubleshoot the problem without the help of a certified technician. If the problem still persists, please call Customer Care Centre immediately
| Problems | Possible Cause(s) | Solution |
| Change in water taste. | Has the purified water been stored in the tank for long time? (Only for X2Neo+ model) | Drain the stored water from the storage tank through faucet. |
| Filters/UV lamp may require replacement. | Call Customer Care Centre for filters/UV lamp replacement. | |
| Has the raw water quality changed? | Call Customer Care Centre. | |
| Decreased flow of purified water. | Check whether the tap/ ball valve is closed. | Open the tap/ball valve. |
| Filters may be clogged or damaged. | Call Customer Care Centre for filters/UV lamp replacement. | |
| Less/No purified water. | Check whether there is water supply in the tap. | If not, take the help of a plumber to set it right. |
| Check whether tap/ball valve is closed. | Open the tap/ball valve. | |
| None of the above. | Call Customer Care Centre. | |
|
Touch dispense |
UV lamp failure alarm is triggered indicating
that the UV lamp circuit is open and the water supply has been stopped. |
Switch OFF the Water Purifier and call Customer Care Centre. |
| Problems | Possible Cause(s) | Solution |
|
Touch dispense icon glows Red and Ring LED alternate quadrants blinks |
Solenoid Valve error | Switch OFF the Water Purifier and call Customer Care Centre. |
| LPS/Overflow error (Only for X2Neo+ model) | Check the water flow. if still problem
persists, switch OFF the Water Purifier and call Customer Care Centre. |
|
|
Touch dispense icon glows Red and Ring LED
|
Battery Error | Switch OFF the Water Purifier and call Customer Care Centre. |
|
Touch dispense icon glows Red and Ring LED
|
UV/Filter change indicator glows indicating that it is time to replace UV lamp and Filters. After 1 month if UV lamp and filters are not replaced, unit will stop functioning. | Call Customer Care Centre for UV lamp and filters replacement. |
Technical Specifications
The flow rate depends on variable factors such as feed water pressure, feed water characteristics, and the condition of the filters. ** If input pressure exceeds 30 psi, a pressure-reducing valve (PRV) needs to be installed at the feed line. If the pressure is lower than 5 psi, a booster pump needs to be installed. Ensure you buy them from A. O. Smith Company Authorised Service Technician. Recommended input Feed water quality for the optimum performance of your product
| Model | X2Neo | X2Neo+ |
| Product Dimensions (H x D x W) | 370 mm x 191 mm x
300 mm |
445 mm x 191 mm x
300 mm |
| Net Weight | 3.4 kgs (approx.) | 4.2 kgs (approx.) |
| Gross Weight | 4.2 kgs (approx.) | 5.2 kgs (approx.) |
| Flow rate* | Up to 2 litres per minute | |
| Storage tank capacity | NA | Upto 4.5 litres |
| Purification technology | UV Technology | |
| 5 Stage Purifying Technology | SCB Max Combination filter + UV lamp (Dual pass)
+ Silver Activated Post Carbon + Ultra Shield .. |
|
| Material of construction for plastic parts | Food safe, non-toxic, engineering grade plastics | |
| Input Voltage | 150 – 300 VAC, 50 Hz | |
| Power rating | 36 Watts | |
| Pressure rating* | 5 psi to 30 psi | |
| UV lamp Power rating | 11 Watts | |
| Recommended Feed Water Quality | |
| Parameter | Limits |
| Total Dissolved Solids (TDS) | Up to 200 ppm |
| Total hardness | Up to 120 ppm |
| Turbidity | Up to 5 NTU |
| Iron | 0.3 ppm (max.) |
| Feed water pressure | 5 psi to 30 psi |
| Recommended Feed Water Quality | ||
| Feed water temperature | 5°C to 45°C | |
| Warranty Terms and Conditions | ||

Warranty Terms and Conditions
Product Warranty
A. O. Smith India Water Products Private Limited (“A. O. Smith or Company”) warrants this Water Purifier (“product”) against the defects arising from faulty design, workmanship, and material subject to the following terms and conditions:
- All electrical, functional parts and UV lamps are warranted for one (1) year from the date of original purchase. The UV lamp will be covered for any material damage and malfunctioning if TDS < 200 ppm and Hardness < 120 ppm.
- The customer shall notify the Company promptly about any defects noticed and give the Company or its representative adequate opportunity to inspect, test and rectify. The customer shall hand over the product, if necessary, to the Company office/Authorised service provider along with an invoice in the city where it was purchased.
- The customer shall notify the company if there is no pure water from the faucet. The Company or its representative will inspect and recommend if any filters need to be replaced.
- The Company or its representative will be entitled to retain any defective parts replaced under warranty on free of charge basis.
- The Company’s liability under the warranty will be limited only to the product and its defects which occur under conditions of normal operations, under proper usage and maintenance. It excludes defects occurring due to abuse, faulty care, maintenance, repair or alteration to the product or to its parts by unauthorized personnel.
- The Company’s liability under this warranty shall be limited to the first purchaser/end-user and will not apply to the subsequent sales by the original purchaser/end user.
However, repaired part(s) will be warranted for the remaining period of the original
warranty term. - It is mandatory to provide the original bill/invoice copy along with a duly stamped warranty card at the time of any repair work being done by an authorized representative. The date of the original purchase is determined by the date of the original bill/invoice copy. However, if an invoice/bill is not found with the customer, customer data with the Company records will be used to determine the date of the original purchase and will be treated as final. If details are not found from the Company records,the manufacturing warranty as per the product serial number will be used as the date oF original purchase
- While A. O. Smith will make reasonable efforts to carry out repairs/replacement of parts under warranty within a reasonable time, it is expressly made clear that A. O. Smith shall not be responsible to complete the said services within any specified period of time. In the event of any unforeseen circumstances, and spares are not available, A. O. Smith’s prevailing depreciation rules will be binding on the customer to accept as a commercial solution in lieu of repairs.
- If an identical model is no longer available due to a change in law, regulation, or standard, A. O. Smith will replace the product with one having a similar capacity and input. In these instances, the customer will have the option of paying the difference between what was paid for the original model and the new model with the additional features or receiving a refund of the portion of the purchase price on a pro-rata basis allocable to the unexpired portion of the warranty. The company’s decision will be final on repair, replacement or refund as aforesaid and Clause 11 and binding on the custom
- Warranty is valid within Company Service Network coverage only. In case the customer moves to a non-coverage area, the customer needs to bring the product to a nearby services network location, Company shall not be responsible for providing services to a non-service network area.
- Notwithstanding anything contained in this warranty terms, the Company shall not be liable in case of failure to provide services under this warranty in case of any force majeure event, i.e., due or attributable to any act of God, orders, restrictions or regulation of Government, Central or State, war working conditions, hostilities, riots, civil commotion, strike, lockout, labor trouble, explosion, insects, rodents or any other cause or circumstance of whatsoever nature beyond the control of A. O. Smith.
- The customer will have no claim under this warranty in respect of any personal injury, sickness, illness, death, property damage or consequential damages, arising either directly or indirectly due to the utilization of the product.
- A. O. Smith reserves the right to make design and product changes or change the specification at any time without any obligation to prospective buyers or customers or owners of products previously sold.
- The warranty does not cover to any accessories provided by the dealer or purchased by the customer.
- The warranty does not cover;
- Plastic, cosmetic parts, and exterior finish.
- Consumable parts such as filters.
- If a defect or fault is caused or occurred due to improper installation by the customer or not installed as per A. O. Smith guidelines specified in the product user manual.
- If failure or damage due to plumbing or other arrangements like usage of a pressure pump, extension of power supply board, non-compatible power socket, etc. connected to the product. With regard to repairing the existing worn-out/ defective part(s) or replacing the same and ascertaining the presence of above circumstances, the decision of A. O. Smith shall be final. In any such event, A. O. Smith will submit a prior estimate for approval or bill for the work to be carried out at the rate prevailing at that time.
- If the product is repaired by unauthorized personnel and usage of non-recommended parts or consumables.
- If the product serial number is missing or altered.
- If damage is caused by pest infestation.
- If the input water emits a pungent smell.
- If the input water is discolored.
- If the product is used for commercial purposes.
- It is recommended to keep the surroundings of the Water Purifier free from dust and other foreign objects (like insects, cockroaches, ants, and other pests), as any damage occurring due to the ingress of these foreign objects will not be covered under warranty.
- Dual pass UV housing life is 3 years, it needs to be changed after 3 years. If any scaling is observed on the quartz sleeve within the warranty period, the quartz sleeve/UV housing need to be replaced.
- All implied warranties and conditions under law, trade, custom or otherwise are excluded and the warranty and remedies as provided herein above are in lieu of all other warranties and remedies to the extent permissible under
- NOTWITHSTANDING ANYTHING ELSE TO THE CONTRARY, THIS IS THE CUSTOMERS SOLE AND EXCLUSIVE WARRANTY. ALL OTHER WARRANTIES INCLUDING A WARRANTY OF MERCHANTABILITY OR
- FITNESS FOR A PARTICULAR PURPOSE IS EXPRESSLY DISCLAIMED. A. O. SMITH SHALL NOT BE LIABLE FOR ANY CONSEQUENTIAL, INCIDENTAL, SPECIAL, PUNITIVE OR OTHER INDIRECT DAMAGES.
- TOTAL LIABILITY ARISING AT ANY TIME SHALL NOT EXCEED THE PURCHASE PRICE PAID WHETHER BASED ON CONTRACT, TORT, STRICT LIABILITY, OR ANY OTHER LEGAL THEORY.
- The warranty is issued at Bangalore, and courts at Bangalore shall have exclusive jurisdiction over matters covered or flowing from this warranty.
- Calls that are site related to e.g. plumbing, tap leakage, electricity (within the warranty period), etc. which is not related to do with product functionality, will be charged to the customer as per rate card*.
Post Warranty
- The customer may be offered a yearly Service Contract (PHCP**) at the prevailing Company rates and terms.
- In case the customer does not wish to enter the Service Contract, the customer has the option of calling our Authorised service provider and get A. O. Smith Water Purifier unit serviced on an actual basis i.e. by paying the Labour Cost and Spares needed to attend to that Service or Service Call at the prevailing Company rates. Such service will be rendered by the Company in towns or places where the Company has its Authorized service providers.
- In case of product repair after warranty by an Authorised service provider, all expenses of transporting the goods to and from the Authorised service provider shall be borne by the customer directly.
- If, during such service, it is necessary for the Company or Authorised service provider to replace or repair defective components or parts, the customer shall be required to pay for the same as per the Company’s prevailing price list.
Visit www.aosmithindia.com for more details on PHCP (Product Health Care Plan).
Jurisdiction
The courts of competent jurisdiction at Kanakapura, Karnataka shall have exclusive jurisdiction over all matters arising out of any disputes in relation to the product.
Pre-instruction Literature
On Receipt
It is our policy to promote the safe delivery of all orders. This product shipment has been thoroughly checked, packed and quality certified before leaving our factory.
Visible Loss or Damage
If any of the goods called for on the bill of lading or express receipt is damaged or the quantity is short, do not accept them until the freight or express delivery agent makes an appropriate notation on your freight bill or receipt.
Concealed Loss or Damage
When a shipment has been delivered to you in apparent good condition, but upon opening the packaging if any loss or damage has taken place while in transit, inform the carrier’s agent / A. O. Smith representative immediately.
About this manual
This manual is a guide to good practice for operating and periodic maintenance of the A. O. Smith X2Neo / X2Neo+ Water Purifier. This does not contain the full servicing procedures necessary for the continued successful operation of this product. The services of A. O. Smith Company Authorised Service Technicians must be employed periodically on the same. Do not operate before reading the manual supplied with this product. Please follow the instructions in this manual to ensure personal safety and proper operation of this product. A. O. Smith assumes no liability for installation or servicing performed by any unauthorized personnel. Always install, operate, inspect, and maintain this product in accordance with all applicable standards. Please store this user manual carefully for any future reference.
Disposal of this Product
(Waste Electrical and Electronic Equipment) This marking on the product, accessories or User Manual indicates that the product and its electronic accessories should not be disposed of with other household waste at the end of their working life. To prevent possible harm to the environment or human health from uncontrolled waste disposal, please separate these items from other types of waste and recycle them responsibly to promote the sustainable re-use of material resources. Household users should contact their local government office, for details of where and how they can take these items for environmentally safe recycling. This product and its electronic accessories should not be mixed with other commercial wastes for disposal
General Instructions
Safety
Your safety and the safety of your loved ones is paramount to us. There are several safety-related messages in this manual, which have been provided during various steps such as the installation, operation and maintenance of your A. O. Smith X2Neo / X2Neo+ Water Purifier. These messages point out potential hazards and also educate on how to reduce any potential risks. Please always read and follow all safety messages as provided in this user manual. This is the safety alert symbol. This symbol alerts you to potential hazards that can hurt you and others. All safety messages will follow the safety alert symbol and either the word “DANGER” or “WARNING”.
DANGER Indicates an imminently hazardous situation that, if not avoided, will result in death or serious injury.
WARNING Indicates a potentially hazardous situation, which if not avoided, could result in death or serious injury.
CAUTION Indicates a potentially hazardous situation which, if not avoided, may result in minor or moderate injury or property damage
IMPORTANT
These instructions have been written as a guide for the proper installation and operation of your Water Purifier. A. O. Smith will not accept any liability where these instructions have not been followed. However, for your safety and to avoid damage caused by improper installation, it is recommended that Water Purifier must be installed by A. O. Smith Company Authorised Service Technician only. Before proceeding with the installation instructions:
- Inspect the Water Purifier and its component parts for possible damage. Do Not install or attempt to repair any damaged component parts. If you detect any damage in the Water Purifier, please contact the dealer where the Water Purifier was purchased or call A. O. Smith Customer Care Centre.
- Verify that the voltage being supplied corresponds to that which is marked on the Water Purifier manual.
Note: This manual refers to the two models X2Neo Water Purifier and X2Neo+ Water Purifier. Based on the product purchased, the customer needs to refer the respective illustrations. - Key Features of your A. O. Smith X2Neo / X2Neo+ Water Purifier
Elevate your Kitchen decor
With modern, contemporary aesthetics and sleek and compact design. Healthy drinking water with 5-stage purification 5 stage purification with UV+US (Ultra Shield) + SAPC (Silver Activated Post Carbon) technology
Convenience at your fingertips
Advanced Digital Display with Touch Dispensing makes dispensing and monitoring more convenient. Double protection with India’s 1st Dual Pass UV chamber X2Neo / X2Neo+ is powered by India’s 1st Dual Pass UV Chamber (patent applied) which ensures purified safe and healthy drinking water.
Water filling in a dash
A high flow rate of upto 2L/min with a storage capacity of up to 4.5 Litres.
1 Year Warranty
Peace of mind with 1-year warranty on UV lamp and all electrical and functional parts, except filters.
