Contents
American Standard Freedom 80 Gas-Fired Furnace
General Features
Natural Gas Models
Central heating furnace designs are certified by the American Gas Association for both natural and L.P. gas. Limit setting and rating data were established and approved under standard rating conditions using American National Standards Institute standards.
Safe Operation
The Integrated System Control has solid state devices, which continuously monitor for presence of flame, when the system is in the heating mode of operation. Dual solenoid combination gas valve and regulator provide extra safety.
Quick Heating
Durable, cycle tested, heavy gauge aluminized steel heat exchanger quickly transfers heat to provide warm conditioned air to the structure.
Burners
Multi-port In-shot burners will give years of quiet and efficient service. All models can be converted to L.P. gas.
Integrated System Control
Exclusively designed operational program provides total control of furnace limit sensors, blowers, gas valve, flame control and includes self-diagnostics for ease of service. Also contains connection points for E.A.C./ Humidifier.
Air Delivery
The multispeed, direct drive blower motor, with sufficient airflow range for most heating and cooling requirements, will switch from heating to cooling speeds on demand from room thermostat. The blower door safety switch will prevent or terminate furnace operation when the blower door is removed.
Styling
Heavy gauge steel and “wrap-around” cabinet construction is used in the cabinet with baked-on enamel finish for strength and beauty. The heat exchanger section of the cabinet is completely lined with foil faced fiberglass insulation. This results in quiet and efficient operation due to the excellent acoustical and insulating qualities of fiberglass.
Features And General Operation
The FREEDOM 80 High Efficiency Gas Furnaces employ a Hot Surface Ignition system, which eliminates the waste of a constant burning pilot. The integrated system control lights the main burners upon a demand for heat from the room thermostat. Complete front service access.
- Low energy power venter.
- Vent proving differential switch
Features and Benefits
FREEDOM 80 Upflow/ Downflow Horizontal Right or Left Standard Equipment
- Convertible to horizontal with left or right airflow
- Power supply 115/1/60
- 2-stage gas valve
- 2-speed venter
- 2 heating blower speeds
- Silicon Nitride Hot surface igniter with adaptive heat up
- Integrated solid state control with self-diagnostics
- Single wire twinning
- Inner blower door panel
- Right and left hand side knockout for venting
- Attractive color accents
- Hinged blower door
- Prefect Fit door latches
- Insulated blower door
- Gasketed blower door
- Internal filter rack
- Standard filter sizes
- Heavy gauge aluminized steel heat exchanger
- Blower door safety switch
- Multi-port In-shot burners
- Complete front service access
- Alternate bottom/ left/ right return air
- Slide out blower assembly
- Direct drive, 4-speed motors
- Adjustable fan off times
- Common vent capability
- Heavy gauge reinforced wrap-around steel cabinet
- Optional L.P. conversion kit
- Left/ right gas connection
- Accessory hook-up capability
- Selectable cooling fan off eliminates need for BAY24X045 time delay relay
- 24 volt fuse
- Manual reset flame roll-out switches
Optional Equipment
- Comfort Control, Mechanical 2-Stage Heating/1-Stage Cooling ………………………………………………………. BAYSTAT241 [ ]
- Comfort Control, Heating/Cooling Single Stage (Mounts Horizontally) ……………………………………………………AY28X092 [ ]
- Comfort Control, Heating/Cooling Single Stage (Mounts Vertically) …………………………………………………. BAYSTAT305 [ ]
- Comfort Control, Electronic Programmable 2-Stage Heating/1-Stage Cooling …………………………………. BAYSTAT302C [ ]
- Comfort Control, Electronic Programmable 1-Stage Heating/1-Stage Cooling …………………………………. BAYSTAT300C [ ]
- Comfort Control, Electronic Non-Programmable 1-Stage Heating/1-Stage Cooling ……………………………. TAYSTAT370 [ ]
- Comfort Control, Electronic Programmable (5/2) 1-Stage Heating/1-Stage Cooling ……………………………. TAYSTAT340 [ ]
- Comfort Control, Heating Only …………………………………………………………………………………………………… BAYSTAT388 [ ]
- Propane Conversion Kit ………………………………………………………………………………………………………….. BAYLPKT210A [ ]
- 5″ Media Air Filter, “Perfect Fit” High Efficiency (14-1/2″ Wide Gas Furnace) ……………………………………TFM145A9FR0 [ ]
- 5″ Media Air Filter, “Perfect Fit” High Efficiency (17-1/2″ Wide Gas Furnace) ……………………………………TFM175A9FR0 [ ]
- 5″ Media Air Filter, “Perfect Fit” High Efficiency (21″ Wide Gas Furnace) …………………………………………TFM210A9FR0 [ ]
- 5″ Media Air Filter, “Perfect Fit” High Efficiency (24-1/2″ Wide Gas Furnace) ……………………………………TFM245A9FR0 [ ]
- 1″ Media Air Filter, “Perfect Fit” Standard Efficiency (14-1/2″ Wide Gas Furnace) …………………………….. TFP145A9FR0 [ ]
- 1″ Media Air Filter, “Perfect Fit” Standard Efficiency (17-1/2″ Wide Gas Furnace) …………………………….. TFP175A9FR0 [ ]
- 1″ Media Air Filter, “Perfect Fit” Standard Efficiency (21″ Wide Gas Furnace) ………………………………….. TFP210A9FR0 [ ]
- 1″ Media Air Filter, “Perfect Fit” Standard Efficiency (24-1/2″ Wide Gas Furnace) …………………………….. TFP245A9FR0 [ ]
- Coil Enclosure (14-1/2″ Wide Cabinets) ………………………………………………………………………………… BAYCLE14A1422A [ ]
- Coil Enclosure (17-1/2″ Wide Cabinets) ………………………………………………………………………………… BAYCLE17A1722A [ ]
- Coil Enclosure (21″ Wide Cabinets) ……………………………………………………………………………………… BAYCLE21A2130A [ ]
- Coil Enclosure (24-1/2″ Wide Cabinets) ………………………………………………………………………………… BAYCLE24A2430A [ ]
- High Altitude Switch ………………………………………………………………………………………………………………….. BAYHALT239 [ ]
- High Altitude Switch ………………………………………………………………………………………………………………….. BAYHALT249 [ ]
- Downflow Subbase ……………………………………………………………………………………………………………………BAYBASE205 [ ]
- Filter Access Door Kit ……………………………………………………………………………………………………………….. BAYFLTR206 [ ]
- Masonry Chimney Vent Kit ……………………………………………………………………………………………………….BAYVENT800B [ ]
- Filter Rack Kit ………………………………………………………………………………………………………………………. BAYRACK960A [ ]
- Cleanable Filter (14.5″/17.5″ wide Upflow models) …………………………………………………………………………. BAYFLTR317 [ ]
- Cleanable Filter (21″ wide Upflow models) ……………………………………………………………………………………. BAYFLTR321 [ ]
- Cleanable Filter (24.5″ wide Upflow models) …………………………………………………………………………………. BAYFLTR324 [ ]
General Data
AUD2 Product Specifications
| MODEL | AUD2A040A9242A | AUD2A060A9362A | AUD2B060A9362A | AUD2B080A9362A |
| RATINGS2 | ||||
| 1st Stage Input BTUH | 26000 | 39000 | 39000 | 52000 |
| 1st Stage Capacity BTUH (ICS)3 | 20800 | 31200 | 31200 | 41600 |
| 2nd Stage Input BTUH | 40000 | 60000 | 60000 | 80000 |
| 2nd Stage Capacity BTUH (ICS)3 | 32000 | 47000 | 47000 | 63000 |
| AFUE (ICS) | 80.0 | 80.0 | 80.0 | 80.1 |
| Temp. Rise (Min.-Max.) °F. | 30 – 60 | 30 – 60 | 30 – 60 | 30 – 60 |
| BLOWER DRIVE | DIRECT | DIRECT | DIRECT | DIRECT |
| Dia.-Width (In.) | 10 x 6 | 10 x 6** | 10 x 6** | 10 x 7 |
| No. Used | 1 | 1 | 1 | 1 |
| Speeds (No.) | 4 | 4 | 4 | 4 |
| CFM vs. in. w.g. | SEE FAN PERF. TABLE | SEE FAN PERF. TABLE | SEE FAN PERF. TABLE | SEE FAN PERF. TABLE |
| Motor HP | 1/5 | 1/3 | 1/3 | 1/3 |
| R.P.M. | 1080 | 1075 | 1075 | 1075 |
| Volts/Ph/Hz | 115/1/60 | 115/1/60 | 115/1/60 | 115/1/60 |
| COMBUSTION FAN — TYPE | CENTRIFUGAL | CENTRIFUGAL | CENTRIFUGAL | CENTRIFUGAL |
| Drive – No. Speeds | DIRECT – 2 | DIRECT – 2 | DIRECT – 2 | DIRECT – 2 |
| Motor HP – RPM | 1/100 – 2544/1374 | 1/100 – 2543/1727 | 1/100 – 2543/1727 | 1/100 – 2543/1727 |
| Volts/Ph/Hz | 115/1/60 | 115/1/60 | 115/1/60 | 115/1/60 |
| FL Amps | .76/.37 | .70/.40 | .70/.40 | .70/.40 |
| FILTER — Furnished? | NO | NO | NO | NO |
| Type Recommended | HIGH VELOCITY | HIGH VELOCITY | HIGH VELOCITY | HIGH VELOCITY |
| Filter (No.-Size-Thk.) | 1 – 17 X 25 – 1 IN. | 1 – 17 X 25 – 1 IN. | 1 – 17 X 25 – 1 IN. | 1 – 17 X 25 – 1 IN. |
| VENT — Size (In.) | 4 ROUND | 4 ROUND | 4 ROUND | 4 ROUND |
| HEAT EXCHANGER | ||||
| Type -Fired | ALUMINIZED STEEL TYPE 1 | ALUMINIZED STEEL TYPE 1 | ALUMINIZED STEEL TYPE 1 | ALUMINIZED STEEL TYPE 1 |
| -Unfired | ||||
| Gauge (Fired) | 20 | 20 | 20 | 20 |
| ORIFICES — Main | ||||
| Nat. Gas. Qty. — Drill Size | 2 – 45 | 3 – 45 | 3 – 45 | 4 – 45 |
| L.P. Gas Qty. — Drill Size | 2 – 56 | 3 – 56 | 3 – 56 | 4 – 56 |
| GAS VALVE | REDUNDANT – TWO STAGE | REDUNDANT – TWO STAGE | REDUNDANT – TWO STAGE | REDUNDANT – TWO STAGE |
| DIRECT IGNITION DEVICE | ||||
| Type | HOT SURFACE | HOT SURFACE | HOT SURFACE | HOT SURFACE |
| BURNERS — Type | IN-SHOT | IN-SHOT | IN-SHOT | IN-SHOT |
| Number | 2 | 3 | 3 | 4 |
| POWER CONN. — V/Ph/Hz4 | 115/1/60 | 115/1/60 | 115/1/60 | 115/1/60 |
| Ampacity (In Amps) | 4.5 | 8.2 | 8.2 | 8.2 |
| Max. Overcurrent Protection (Amps) | 15 | 15 | 15 | 15 |
| PIPE CONN. SIZE (IN.) | 1/2 | 1/2 | 1/2 | 1/2 |
| DUCT CONN. | SEE OUTLINE DRAWING | SEE OUTLINE DRAWING | SEE OUTLINE DRAWING | SEE OUTLINE DRAWING |
| DIMENSIONS | H X W X D | H X W X D | H X W X D | H X W X D |
| Crated (In.) | 41-3/4 X 16-1/2 X 30-1/2 | 41-3/4 X 16-1/2 X 30-1/2 | 41-3/4 X 19-1/2 X 30-1/2 | 41-3/4 X 19-1/2 X 30-1/2 |
| Uncrated | SEE OUTLINE DRAWING | SEE OUTLINE DRAWING | SEE OUTLINE DRAWING | SEE OUTLINE DRAWING |
| WEIGHT | ||||
| Shipping (Lbs.)/Net (Lbs.) | 119/110 | 127/118 | 127/118 | 142/132 |
| MODEL | AUD2B080A9482A | AUD2D100A9362A | AUD2C100A9482A | AUD2C100A9602A |
| RATINGS2 | ||||
| 1st Stage Input BTUH | 52000 | 65000 | 65000 | 65000 |
| 1st Stage Capacity BTUH (ICS)3 | 41600 | 52000 | 52000 | 52000 |
| 2nd Stage Input BTUH | 80000 | 100000 | 100000 | 100000 |
| 2nd Stage Capacity BTUH (ICS)3 | 63000 | 79000 | 79000 | 80000 |
| AFUE (ICS) | 80.0 | 80.6 | 81.0 | 80.0 |
| Temp. Rise (Min.-Max.) °F. | 30 – 60 | 40 – 70 | 35 – 65 | 30 – 60 |
| BLOWER DRIVE | DIRECT | DIRECT | DIRECT | DIRECT |
| Dia.-Width (In.) | 10 x 8 | 10 x 7 | 10 x 8 | 11 x 10 |
| No. Used | 1 | 1 | 1 | 1 |
| Speeds (No.) | 4 | 4 | 4 | 4 |
| CFM vs. in. w.g. | SEE FAN PERF. TABLE | SEE FAN PERF. TABLE | SEE FAN PERF. TABLE | SEE FAN PERF. TABLE |
| Motor HP | 1/3 | 1/3 | 1/2 | 3/4 |
| R.P.M. | 1075 | 1075 | 1075 | 1075 |
| Volts/Ph/Hz | 115/1/60 | 115/1/60 | 115/1/60 | 115/1/60 |
| COMBUSTION FAN — TYPE | CENTRIFUGAL | CENTRIFUGAL | CENTRIFUGAL | CENTRIFUGAL |
| Drive – No. Speeds | DIRECT – 2 | DIRECT – 2 | DIRECT – 2 | DIRECT – 2 |
| Motor HP – RPM | 1/50 – 3000 | 1/50 – 3000 | 1/50 – 3000 | 1/50 – 3000 |
| Volts/Ph/Hz | 115/1/60 | 115/1/60 | 115/1/60 | 115/1/60 |
| FL Amps | 1.0 | 0.93 | 0.93 | 0.93 |
| FILTER — Furnished? | YES | YES | YES | YES |
| Type Recommended | HIGH VELOCITY | HIGH VELOCITY | HIGH VELOCITY | HIGH VELOCITY |
| Filter (No.-Size-Thk.) | 1 – 17 X 25 – 1 IN. | 1 – 17 X 25 – 1 IN. | 1 – 20 X 25 – 1 IN. | 1 – 20 X 25 – 1 IN. |
| VENT — Size (In.) | 4 ROUND | 4 ROUND | 4 ROUND | 4 ROUND |
| HEAT EXCHANGER | ||||
| Type -Fired | ALUMINIZED STEEL TYPE 1 | ALUMINIZED STEEL TYPE 1 | ALUMINIZED STEEL TYPE 1 | ALUMINIZED STEEL TYPE 1 |
| -Unfired | ||||
| Gauge (Fired) | 20 | 20 | 20 | 20 |
| ORIFICES — Main | ||||
| Nat. Gas. Qty. — Drill Size | 4 – 45 | 5 – 45 | 5 – 45 | 5 – 45 |
| L.P. Gas Qty. — Drill Size | 4 – 56 | 5 – 56 | 5 – 56 | 5 – 56 |
| GAS VALVE | REDUNDANT – TWO STAGE | REDUNDANT – TWO STAGE | REDUNDANT – TWO STAGE | REDUNDANT – TWO STAGE |
| DIRECT IGNITION DEVICE | ||||
| Type | HOT SURFACE | HOT SURFACE | HOT SURFACE | HOT SURFACE IGNITOR |
| BURNERS — Type | IN-SHOT | IN-SHOT | IN-SHOT | IN-SHOT |
| Number | 4 | 5 | 5 | 5 |
| POWER CONN. — V/Ph/Hz4 | 115/1/60 | 115/1/60 | 115/1/60 | 115/1/60 |
| Ampacity (In Amps) | 8.9 | 8.4 | 11.0 | 12.8 |
| Max. Overcurrent Protection (Amps) | 15 | 15 | 15 | 15 |
| PIPE CONN. SIZE (IN.) | 1/2 | 1/2 | 1/2 | 1/2 |
| DUCT CONN. | SEE OUTLINE DRAWING | SEE OUTLINE DRAWING | SEE OUTLINE DRAWING | SEE OUTLINE DRAWING |
| DIMENSIONS | H X W X D | H X W X D | H X W X D | H X W X D |
| Crated (In.) | 41-3/4 X 19-1/2 X 30-1/2 | 41-3/4 X 19-1/2 X 30-1/2 | 41-3/4 X 23 X 30-1/2 | 41-3/4 X 23 X 30-1/2 |
| Uncrated | SEE OUTLINE DRAWING | SEE OUTLINE DRAWING | SEE OUTLINE DRAWING | SEE OUTLINE DRAWING |
| WEIGHT | ||||
| Shipping (Lbs.)/Net (Lbs.) | 142/132 | 151/141 | 162/151 | 162/151 |
| MODEL | AUD2C100A9612A | AUD2D120A9542A | AUD2D120A9602A | AUD2D140A9602A |
| RATINGS2 | ||||
| 1st Stage Input BTUH | 65000 | 78000 | 78000 | 91000 |
| 1st Stage Capacity BTUH (ICS)3 | 52000 | 62400 | 62400 | 72800 |
| 2nd Stage Input BTUH | 100000 | 120000 | 120000 | 140000 |
| 2nd Stage Capacity BTUH (ICS)3 | 79000 | 94000 | 95000 | 111000 |
| AFUE (ICS) | 81.1 | 80.0 | 80.0 | 80.0 |
| Temp. Rise (Min.-Max.) °F. | 30 – 60 | 35 – 65 | 30 – 60 | 40 – 70 |
| BLOWER DRIVE | DIRECT | DIRECT | DIRECT | DIRECT |
| Dia.-Width (In.) | 10 x 10 | 11 x 10 | 11 x 10 | 11 x 10 |
| No. Used | 1 | 1 | 1 | 1 |
| Speeds (No.) | 4 | 4 | 4 | 4 |
| CFM vs. in. w.g. | SEE FAN PERF. TABLE | SEE FAN PERF. TABLE | SEE FAN PERF. TABLE | SEE FAN PERF. TABLE |
| Motor HP | 3/4 | 3/4 | 3/4 | 3/4 |
| R.P.M. | 1075 | 1075 | 1075 | 1075 |
| Volts/Ph/Hz | 115/1/60 | 115/1/60 | 115/1/60 | 115/1/60 |
| COMBUSTION FAN — TYPE | CENTRIFUGAL | CENTRIFUGAL | CENTRIFUGAL | CENTRIFUGAL |
| Drive – No. Speeds | DIRECT – 2 | DIRECT – 2 | DIRECT – 2 | DIRECT – 2 |
| Motor HP – RPM | 1/50 – 3000 | 1/50 – 3000 | 1/50 – 3000 | 1/50 – 3000 |
| Volts/Ph/Hz | 115/1/60 | 115/1/60 | 115/1/60 | 115/1/60 |
| FL Amps | 0.93 | .95 | .95 | .95 |
| FILTER — Furnished? | YES | YES | YES | YES |
| Type Recommended | HIGH VELOCITY | HIGH VELOCITY | HIGH VELOCITY | HIGH VELOCITY |
| Filter (No.-Size-Thk.) | 1 – 24 X 25 – 1 IN. | 1 – 20 X 25 – 1 IN. | 1 – 24 X 25 – 1 IN. | 1 – 24 X 25 – 1 IN. |
| VENT — Size (In.) | 4 ROUND | 4 ROUND | 4 ROUND | 4 ROUND |
| HEAT EXCHANGER | ||||
| Type -Fired | ALUMINIZED STEEL TYPE 1 | ALUMINIZED STEEL TYPE 1 | ALUMINIZED STEEL TYPE 1 | ALUMINIZED STEEL TYPE 1 |
| -Unfired | ||||
| Gauge (Fired) | 20 | 20 | 20 | 20 |
| ORIFICES — Main | ||||
| Nat. Gas. Qty. — Drill Size | 5 – 45 | 6 – 45 | 6 – 45 | 7 – 45 |
| L.P. Gas Qty. — Drill Size | 5 – 56 | 6 – 56 | 6 – 56 | 7 – 56 |
| GAS VALVE | REDUNDANT – TWO STAGE | REDUNDANT – TWO STAGE | REDUNDANT – TWO STAGE | REDUNDANT – TWO STAGE |
| DIRECT IGNITION DEVICE | ||||
| Type | HOT SURFACE | HOT SURFACE | HOT SURFACE | HOT SURFACE |
| BURNERS — Type | IN-SHOT | IN-SHOT | IN-SHOT | IN-SHOT |
| Number | 5 | 6 | 6 | 7 |
| POWER CONN. — V/Ph/Hz4 | 115/1/60 | 115/1/60 | 115/1/60 | 115/1/60 |
| Ampacity (In Amps) | 12.8 | 12.8 | 12.8 | 13.0 |
| Max. Overcurrent Protection (Amps) | 15 | 15 | 15 | 15 |
| PIPE CONN. SIZE (IN.) | 1/2 | 1/2 | 1/2 | 1/2 |
| DUCT CONN. | SEE OUTLINE DRAWING | SEE OUTLINE DRAWING | SEE OUTLINE DRAWING | SEE OUTLINE DRAWING |
| DIMENSIONS | H X W X D | H X W X D | H X W X D | H X W X D |
| Crated (In.) | 41-3/4 X 26-1/2 X 30-1/2 | 41-3/4 X 23 X 30-1/2 | 41-3/4 X 26-1/2 X 30-1/2 | 41-3/4 X 26-1/2 X 30-1/2 |
| Uncrated | SEE OUTLINE DRAWING | SEE OUTLINE DRAWING | SEE OUTLINE DRAWING | SEE OUTLINE DRAWING |
| WEIGHT | ||||
| Shipping (Lbs.)/Net (Lbs.) | 175/163 | 176/165 | 186/174 | 193/181 |
ADD2 Product Specifications
| MODEL | ADD2A040A9242A | ADD2A060A9362A | ADD2B060A9362A |
| RATINGS2 | |||
| 1st Stage Input BTUH | 26000 | 39000 | 39000 |
| 1st Stage Capacity BTUH (ICS)3 | 20800 | 31200 | 31200 |
| 2nd Stage Input BTUH | 40000 | 60000 | 60000 |
| 2nd Stage Capacity BTUH (ICS)3 | 32000 | 47000 | 47000 |
| AFUE (ICS) | 80.0 | 80.0 | 80.0 |
| Temp. Rise (Min.-Max.) °F. | 30 – 60 | 30 – 60 | 30 – 60 |
| BLOWER DRIVE | DIRECT | DIRECT | DIRECT |
| Dia.-Width (In.) | 10 x 6 | 10 x 7 | 10 x 7 |
| No. Used | 1 | 1 | 1 |
| Speeds (No.) | 4 | 4 | 4 |
| CFM vs. in. w.g. | SEE FAN PERF. TABLE | SEE FAN PERF. TABLE | SEE FAN PERF. TABLE |
| Motor HP | 1/5 | 1/3 | 1/3 |
| R.P.M. | 1075 | 1075 | 1075 |
| Volts/Ph/Hz | 115/1/60 | 115/1/60 | 115/1/60 |
| COMBUSTION FAN — TYPE | CENTRIFUGAL | CENTRIFUGAL | CENTRIFUGAL |
| Drive – No. Speeds | DIRECT – 2 | DIRECT – 2 | DIRECT – 2 |
| Motor HP – RPM | 1/50 – 3000 | 1/50 – 3000 | 1/50 – 3000 |
| Volts/Ph/Hz | 115/1/60 | 115/1/60 | 115/1/60 |
| FL Amps | 1.0 | 1.0 | 1.0 |
| FILTER — Furnished? | YES | YES | YES |
| Type Recommended | HIGH VELOCITY | HIGH VELOCITY | HIGH VELOCITY |
| Filter (No.-Size-Thk.) | 2 – 14 X 20 – 1 IN. | 2 – 14 X 20 – 1 IN | 2 – 14 X 20 – 1 IN |
| VENT — Size (In.) | 4 ROUND | 4 ROUND | 4 ROUND |
| HEAT EXCHANGER | |||
| Type -Fired | ALUMINIZED STEEL TYPE 1 | ALUMINIZED STEEL TYPE 1 | ALUMINIZED STEEL TYPE 1 |
| -Unfired | |||
| Gauge (Fired) | 20 | 20 | 20 |
| ORIFICES — Main | |||
| Nat. Gas. Qty. — Drill Size | 2 – 45 | 3 – 45 | 3 – 45 |
| L.P. Gas Qty. — Drill Size | 2 – 56 | 3 – 56 | 3 – 56 |
| GAS VALVE | REDUNDANT – TWO STAGE | REDUNDANT – TWO STAGE | REDUNDANT – TWO STAGE |
| DIRECT IGNITION DEVICE | |||
| Type | HOT SURFACE | HOT SURFACE | HOT SURFACE |
| BURNERS — Type | IN-SHOT | IN-SHOT | IN-SHOT |
| Number | 2 | 3 | 3 |
| POWER CONN. — V/Ph/Hz4 | 115/1/60 | 115/1/60 | 115/1/60 |
| Ampacity (In Amps) | 5.2 | 8.75 | 8.75 |
| Max. Overcurrent Protection (Amps) | 10 | 15 | 15 |
| PIPE CONN. SIZE (IN.) | 1/2 | 1/2 | 1/2 |
| DUCT CONN. | SEE OUTLINE DRAWING | SEE OUTLINE DRAWING | SEE OUTLINE DRAWING |
| DIMENSIONS | H X W X D | H X W X D | H X W X D |
| Crated (In.) | 41 X 15-1/2 X 29-1/2 | 41 X 15-1/2 X 29-1/2 | 41 X 18-1/2 X 29-1/2 |
| Uncrated | SEE OUTLINE DRAWING | SEE OUTLINE DRAWING | SEE OUTLINE DRAWING |
| WEIGHT | |||
| Shipping (Lbs.)/Net (Lbs.) | 119 / 109 | 129 / 119 | 129 / 119 |
| MODEL | ADD2B080A9362A | ADD2B100A9482A | ADD2C100A9482A |
| RATINGS2 | |||
| 1st Stage Input BTUH | 52000 | 65000 | 65000 |
| 1st Stage Capacity BTUH (ICS)3 | 41600 | 52000 | 52000 |
| 2nd Stage Input BTUH | 80000 | 100000 | 100000 |
| 2nd Stage Capacity BTUH (ICS)3 | 64000 | 79000 | 79000 |
| AFUE (ICS) | 80.0 | 80.0 | 80.0 |
| Temp. Rise (Min.-Max.) °F. | 35 – 65 | 40 – 70 | 35 – 65 |
| BLOWER DRIVE | DIRECT | DIRECT | DIRECT |
| Dia.-Width (In.) | 10 x 7 | 10 x 8 | 10 x 8 |
| No. Used | 1 | 1 | 1 |
| Speeds (No.) | 4 | 4 | 4 |
| CFM vs. in. w.g. | SEE FAN PERF. TABLE | SEE FAN PERF. TABLE | SEE FAN PERF. TABLE |
| Motor HP | 1/3 | 1/3 | 1/2 |
| R.P.M. | 1075 | 1075 | 1075 |
| Volts/Ph/Hz | 115/1/60 | 115/1/60 | 115/1/60 |
| COMBUSTION FAN — TYPE | CENTRIFUGAL | CENTRIFUGAL | CENTRIFUGAL |
| Drive – No. Speeds | DIRECT – 2 | DIRECT – 2 | DIRECT – 2 |
| Motor HP – RPM | 1/50 – 3000 | 1/50 – 3000 | 1/50 – 3000 |
| Volts/Ph/Hz | 115/1/60 | 115/1/60 | 115/1/60 |
| FL Amps | 1.0 | 0.93 | 0.93 |
| FILTER — Furnished? | YES | YES | YES |
| Type Recommended | HIGH VELOCITY | HIGH VELOCITY | HIGH VELOCITY |
| Filter (No.-Size-Thk.) | 2 – 14 X 20 – 1 IN | 2 – 16 X 20 – 1 IN | 2 – 16 X 20 – 1 IN |
| VENT — Size (In.) | 4 ROUND | 4 ROUND | 4 ROUND |
| HEAT EXCHANGER | |||
| Type -Fired | ALUMINIZED STEEL TYPE 1 | ALUMINIZED STEEL TYPE 1 | ALUMINIZED STEEL TYPE 1 |
| -Unfired | |||
| Gauge (Fired) | 20 | 20 | 20 |
| ORIFICES — Main | |||
| Nat. Gas. Qty. — Drill Size | 4 – 45 | 4 – 45 | 5 – 45 |
| L.P. Gas Qty. — Drill Size | 4 – 56 | 4 – 56 | 5 – 56 |
| GAS VALVE | REDUNDANT – TWO STAGE | REDUNDANT – TWO STAGE | REDUNDANT – TWO STAGE |
| DIRECT IGNITION DEVICE | |||
| Type | HOT SURFACE | HOT SURFACE | HOT SURFACE |
| BURNERS — Type | IN-SHOT | IN-SHOT | IN-SHOT |
| Number | 4 | 4 | 5 |
| POWER CONN. — V/Ph/Hz4 | 115/1/60 | 115/1/60 | 115/1/60 |
| Ampacity (In Amps) | 8.4 | 9.1 | 14.2 |
| Max. Overcurrent Protection (Amps) | 15 | 15 | 15 |
| PIPE CONN. SIZE (IN.) | 1/2 | 1/2 | 1/2 |
| DUCT CONN. | SEE OUTLINE DRAWING | SEE OUTLINE DRAWING | SEE OUTLINE DRAWING |
| DIMENSIONS | H X W X D | H X W X D | H X W X D |
| Crated (In.) | 41 X 18-1/2 X 29-1/2 | 41 X 18-1/2 X 29-1/2 | 41 X 22 X 29-1/2 |
| Uncrated | SEE OUTLINE DRAWING | SEE OUTLINE DRAWING | SEE OUTLINE DRAWING |
| WEIGHT | |||
| Shipping (Lbs.)/Net (Lbs.) | 146 / 135 | 156 / 145 | 165 / 154 |
| MODEL | ADD2C100A9602A | ADD2D120A9602A | ADD2D140A9602A |
| RATINGS2 | |||
| 1st Stage Input BTUH | 65000 | 78000 | 91000 |
| 1st Stage Capacity BTUH (ICS)3 | 52000 | 62400 | 72800 |
| 2nd Stage Input BTUH | 100000 | 120000 | 140000 |
| 2nd Stage Capacity BTUH (ICS)3 | 80000 | 95000 | 112000 |
| AFUE (ICS) | 80.0 | 80.0 | 80.0 |
| Temp. Rise (Min.-Max.) °F. | 30 – 60 | 30 – 60 | 45 – 75 |
| BLOWER DRIVE | DIRECT | DIRECT | DIRECT |
| Dia.-Width (In.) | 11 x 10 | 11 x 10 | 11 x 10 |
| No. Used | 1 | 1 | 1 |
| Speeds (No.) | 4 | 4 | 4 |
| CFM vs. in. w.g. | SEE FAN PERF. TABLE | SEE FAN PERF. TABLE | SEE FAN PERF. TABLE |
| Motor HP | 1/2 | 3/4 | 3/4 |
| R.P.M. | 1075 | 1075 | 1075 |
| Volts/Ph/Hz | 115/1/60 | 115/1/60 | 115/1/60 |
| COMBUSTION FAN — TYPE | CENTRIFUGAL | CENTRIFUGAL | CENTRIFUGAL |
| Drive – No. Speeds | DIRECT – 2 | DIRECT – 2 | DIRECT – 2 |
| Motor HP – RPM | 1/50 – 3000 | 1/50 – 3000 | 1/50 – 3000 |
| Volts/Ph/Hz | 115/1/60 | 115/1/60 | 115/1/60 |
| FL Amps | 0.93 | .95 | .95 |
| FILTER — Furnished? | YES | YES | YES |
| Type Recommended | HIGH VELOCITY | HIGH VELOCITY | HIGH VELOCITY |
| Filter (No.-Size-Thk.) | 2 – 16 X 20 – 1 IN | 2 – 16 X 20 – 1 IN | 2 – 16 X 20 – 1 IN |
| VENT — Size (In.) | 4 ROUND | 4 ROUND | 4 ROUND |
| HEAT EXCHANGER | |||
| Type -Fired | ALUMINIZED STEEL TYPE 1 | ALUMINIZED STEEL TYPE 1 | ALUMINIZED STEEL TYPE 1 |
| -Unfired | |||
| Gauge (Fired) | 20 | 20 | 20 |
| ORIFICES — Main | |||
| Nat. Gas. Qty. — Drill Size | 5 – 45 | 6 – 45 | 7 – 45 |
| L.P. Gas Qty. — Drill Size | 5 – 56 | 6 – 56 | 7 – 56 |
| GAS VALVE | REDUNDANT – TWO STAGE | REDUNDANT – TWO STAGE | REDUNDANT – TWO STAGE |
| DIRECT IGNITION DEVICE | |||
| Type | HOT SURFACE IGNITOR | HOT SURFACE | HOT SURFACE |
| BURNERS — Type | IN-SHOT | IN-SHOT | IN-SHOT |
| Number | 5 | 6 | 7 |
| POWER CONN. — V/Ph/Hz4 | 115/1/60 | 115/1/60 | 115/1/60 |
| Ampacity (In Amps) | 12.8 | 12.8 | 13.1 |
| Max. Overcurrent Protection (Amps) | 15 | 15 | 15 |
| PIPE CONN. SIZE (IN.) | 1/2 | 1/2 | 1/2 |
| DUCT CONN. | SEE OUTLINE DRAWING | SEE OUTLINE DRAWING | SEE OUTLINE DRAWING |
| DIMENSIONS | H X W X D | H X W X D | H X W X D |
| Crated (In.) | 41-3/4 X 23 X 30-1/2 | 41-3/4 X 26-1/2 X 30-1/2 | 41 X 25-1/2 X 29-1/2 |
| Uncrated | SEE OUTLINE DRAWING | SEE OUTLINE DRAWING | SEE OUTLINE DRAWING |
| WEIGHT | |||
| Shipping (Lbs.)/Net (Lbs.) | 167 / 155 | 186/174 | 197 / 184 |
Performance Data
AUD2
| FURNACE AIRFLOW (CFM) VS. EXTERNAL STATIC PRESSURE (IN. W.C.) | ||||||||||
| MODEL | SPEED TAP | 0.10 | 0.20 | 0.30 | 0.40 | 0.50 | 0.60 | 0.70 | 0.80 | 0.90 |
| 4 – HIGH – Black | 1018 | 1004 | 982 | 950 | 910 | 860 | 802 | 763 | 660 | |
| *UD2A040A9242A | 3 – MED.-HIGH – Blue
2 – MED.-LOW – Yellow |
847
716 |
832
701 |
809
678 |
779
648 |
742
610 |
697
585 |
644
512 |
585
452 |
517
384 |
| 1 – LOW – Red | 617 | 599 | 575 | 544 | 507 | 463 | 413 | 357 | 294 | |
| 4 – HIGH – Black | 1426 | 1389 | 1345 | 1298 | 1236 | 1171 | 1099 | 1020 | 934 | |
| *UD2A060A9362A | 3 – MED.-HIGH – Blue
2 – MED.-LOW – Yellow |
1243
1042 |
1225
1039 |
1197
1027 |
1160
1005 |
1113
973 |
1057
931 |
991
879 |
916
817 |
831
745 |
| 1 – LOW – Red | 900 | 903 | 895 | 877 | 848 | 809 | 760 | 700 | 629 | |
| 4 – HIGH – Black | 1588 | 1554 | 1517 | 1468 | 1412 | 1351 | 1278 | 1200 | 1102 | |
| *UD2B060A9362A | 3 – MED.-HIGH – Blue
2 – MED.-LOW – Yellow |
1329
1090 |
1318
1090 |
1299
1093 |
1268
1076 |
1228
1052 |
1186
1028 |
1135
978 |
1072
917 |
988
836 |
| 1 – LOW – Red | 894 | 901 | 904 | 894 | 881 | 860 | 828 | 777 | 638 | |
| 4 – HIGH – Black | 1393 | 1384 | 1364 | 1335 | 1296 | 1247 | 1189 | 1120 | 1042 | |
| *UD2B080A9362A | 3 – MED.-HIGH – Blue
2 – MED.-LOW – Yellow |
1210
1046 |
1209
1052 |
1198
1047 |
1177
1033 |
1147
1008 |
1107
973 |
1058
928 |
999
873 |
930
808 |
| 1 – LOW – Red | 900 | 903 | 895 | 888 | 869 | 842 | 808 | 766 | 717 | |
| 4 – HIGH – Black | 1839 | 1821 | 1796 | 1756 | 1710 | 1641 | 1573 | 1480 | 1392 | |
| *UD2B080A9482A | 3 – MED.-HIGH – Blue
2 – MED.-LOW – Yellow |
1323
1092 |
1325
1090 |
1329
1091 |
1319
1083 |
1308
1076 |
1275
1059 |
1246
1040 |
1201
1005 |
1165
970 |
| 1 – LOW – Red | 788 | 783 | 780 | 768 | 758 | 737 | 719 | 674 | 630 | |
| 4 – HIGH – Black | 1476 | 1464 | 1441 | 1408 | 1363 | 1307 | 1241 | 1163 | 1074 | |
| *UD2B100A9362A | 3 – MED.-HIGH – Blue
2 – MED.-LOW – Yellow |
1249
1020 |
1257
1046 |
1252
1058 |
1234
1050 |
1203
1028 |
1158
990 |
1101
936 |
1030
866 |
946
780 |
| 1 – LOW – Red | 873 | 887 | 890 | 883 | 864 | 834 | 794 | 742 | 680 | |
| 4 – HIGH – Black | 1880 | 1846 | 1799 | 1740 | 1669 | 1595 | 1489 | 1381 | 1260 | |
| *UD2C100A9482A | 3 – MED.-HIGH – Blue
2 – MED.-LOW – Yellow |
1662
1428 |
1635
1421 |
1598
1402 |
1551
1370 |
1493
1326 |
1424
1269 |
1345
1199 |
1256
1117 |
1157
1022 |
| 1 – LOW – Red | 1208 | 1215 | 1210 | 1193 | 1164 | 1124 | 1073 | 1009 | 935 | |
| 4 – HIGH – Black | 2181 | 2143 | 2104 | 2053 | 2001 | 1929 | 1856 | 1766 | 1676 | |
| *UD2C100A9602A | 3 – MED.-HIGH – Blue
2 – MED.-LOW – Yellow |
1908
1621 |
1888
1609 |
1868
1597 |
1834
1582 |
1800
1567 |
1745
1533 |
1690
1498 |
1631
1438 |
1572
1377 |
| 1 – LOW – Red | 1443 | 1419 | 1395 | 1381 | 1367 | 1335 | 1302 | 1256 | 1209 | |
| 4 – HIGH – Black | 2162 | 2130 | 2097 | 2067 | 2037 | 1976 | 1914 | 1833 | 1752 | |
| *UD2D120A9542A | 3 – MED.-HIGH – Blue
2 – MED.-LOW – Yellow |
1889
1654 |
1881
1643 |
1873
1631 |
1839
1619 |
1805
1606 |
1776
1572 |
1746
1538 |
1670
1483 |
1593
1428 |
| 1 – LOW – Red | 1427 | 1421 | 1414 | 1400 | 1386 | 1357 | 1327 | 1285 | 1243 | |
| 4 – HIGH – Black | 2250 | 2185 | 2120 | 2046 | 1972 | 1868 | 1762 | 1640 | 1517 | |
| *UD2C100A9602A | 3 – MED.-HIGH – Blue
2 – MED.-LOW – Yellow |
2085
1860 |
2039
1842 |
1992
1824 |
1918
1773 |
1843
1722 |
1760
1651 |
1677
1579 |
1567
1465 |
1456
1350 |
| 1 – LOW – Red | 1638 | 1630 | 1621 | 1591 | 1561 | 1497 | 1433 | 1321 | 1208 | |
| 4 – HIGH – Black | 2135 | 2101 | 2066 | 2036 | 2005 | 1923 | 1840 | 1750 | 1659 | |
| *UD2D120A9602A | 3 – MED.-HIGH – Blue
2 – MED.-LOW – Yellow |
1906
1646 |
1881
1632 |
1856
1617 |
1817
1596 |
1777
1575 |
1724
1535 |
1671
1494 |
1602
1427 |
1533
1360 |
| 1 – LOW – Red | 1423 | 1415 | 1407 | 1391 | 1375 | 1338 | 1300 | 1246 | 1192 | |
| 4 – HIGH – Black | 2462 | 2407 | 2351 | 2284 | 2216 | 2143 | 2069 | 1989 | 1908 | |
| *UD2D140A9602A | 3 – MED.-HIGH – Blue
2 – MED.-LOW – Yellow |
2128
1755 |
2112
1746 |
2096
1736 |
2054
1719 |
2011
1702 |
1949
1656 |
1887
1609 |
1797
1564 |
1706
1518 |
| 1 – LOW – Red | 1450 | 1446 | 1442 | 1427 | 1411 | 1383 | 1354 | 1298 | 1241 | |
| *- First letter may be “A” or “T” | ||||||||||
AUD2 CFM VS. TEMPERATURE RISE
| MODEL | CFM (CUBIC FEET PER MINUTE) | |||||||||||||||||||
| 500 | 600 | 700 | 800 | 900 | 1000 | 1100 | 1200 | 1300 | 1400 | 1500 | 1600 | 1700 | 1800 | 1900 | 2000 | 2100 | 2200 | 2300 | 2400 | |
| *UD2A040A9242A | 59 | 49 | 42 | 37 | 33 | 30 | ||||||||||||||
| *UD2A060A9362A | 56 | 49 | 44 | 40 | 37 | 34 | 32 | |||||||||||||
| *UD2B060A9362A | 56 | 49 | 44 | 40 | 37 | 34 | 32 | |||||||||||||
| *UD2B080A9362A | 59 | 54 | 49 | 46 | 42 | |||||||||||||||
| *UD2B080A9482A | 58 | 52 | 49 | 46 | 42 | 40 | 37 | 35 | 33 | |||||||||||
| *UD2B100A9362A | 67 | 62 | 57 | 53 | 49 | |||||||||||||||
| *UD2C100A9482A | 67 | 62 | 57 | 53 | 49 | 46 | 44 | 41 | 39 | 37 | ||||||||||
| *UD2C100A9602A | 62 | 57 | 53 | 49 | 46 | 44 | 41 | 39 | 37 | 35 | 34 | 32 | 31 | |||||||
| *UD2D100A9602A | 62 | 57 | 53 | 49 | 46 | 44 | 41 | 39 | 37 | 35 | 34 | 32 | 31 | |||||||
| *UD2D120A9542A | 63 | 59 | 56 | 52 | 49 | 47 | 44 | 42 | 40 | |||||||||||
| *UD2D120A9602A | 59 | 56 | 52 | 49 | 47 | 44 | 42 | 40 | ||||||||||||
| *UD2D140A9602A | 69 | 65 | 61 | 58 | 55 | 52 | 49 | 47 | 45 | |||||||||||
| *- May be “A” or “T” | ||||||||||||||||||||
ADD2 CFM VS. TEMPERATURE RISE
| MODEL | CFM (CUBIC FEET PER MINUTE) | |||||||||||||||||||
| 500 | 600 | 700 | 800 | 900 | 1000 | 1100 | 1200 | 1300 | 1400 | 1500 | 1600 | 1700 | 1800 | 1900 | 2000 | 2100 | 2200 | 2300 | 2400 | |
| *DD2A040A9242A | 59 | 49 | 42 | 37 | 33 | 30 | ||||||||||||||
| *DD2A060A9362A | 56 | 49 | 44 | 40 | 37 | 34 | 32 | |||||||||||||
| *DD2B060A9362A | 56 | 49 | 44 | 40 | 37 | 34 | 32 | |||||||||||||
| *DD2B080A9362A | 59 | 54 | 49 | 46 | 42 | |||||||||||||||
| *DD2B100A9482A | 62 | 57 | 53 | 49 | 46 | 44 | 41 | |||||||||||||
| *DD2C100A9482A | 62 | 57 | 53 | 49 | 46 | 44 | 41 | 39 | 37 | |||||||||||
| *DD2C100A9602A | 62 | 57 | 53 | 49 | 46 | 44 | 41 | 39 | 37 | 35 | 34 | 32 | 31 | |||||||
| *DD2D120A9602A | 59 | 56 | 52 | 49 | 47 | 44 | 42 | 40 | ||||||||||||
| *DD2D140A9602A | 69 | 65 | 61 | 58 | 55 | 52 | 49 | 47 | 45 | |||||||||||
ADD2
| FURNACE AIRFLOW (CFM) VS. EXTERNAL STATIC PRESSURE (IN. W.C.) | ||||||||||
| MODEL | SPEED TAP | 0.10 | 0.20 | 0.30 | 0.40 | 0.50 | 0.60 | 0.70 | 0.80 | 0.90 |
| 4 – HIGH – Black | 1070 | 1033 | 1000 | 960 | 920 | 860 | 810 | 740 | – | |
| *DD2A040A9242A | 3 – MED.-HIGH – Blue
2 – MED.-LOW – Yellow |
870
740 |
850
720 |
823
690 |
790
663 |
753
627 |
813
588 |
667
547 |
613
483 |
490
– |
| 1 – LOW – Red | 633 | 600 | 577 | 543 | 507 | 463 | 420 | 360 | – | |
| 4 – HIGH – Black | 1480 | 1429 | 1376 | 1318 | 1282 | 1188 | 1112 | 1029 | 959 | |
| *DD2A060A9362A | 3 – MED.-HIGH – Blue
2 – MED.-LOW – Yellow |
1302
1115 |
1276
1100 |
1229
1070 |
1188
1035 |
1141
1000 |
1088
965 |
1024
918 |
953
859 |
882
790 |
| 1 – LOW – Red | 956 | 947 | 918 | 888 | 859 | 824 | 788 | 741 | 682 | |
| 4 – HIGH – Black | 1644 | 1593 | 1525 | 1473 | 1408 | 1316 | 1269 | 1178 | 1056 | |
| *DD2B060A9362A | 3 – MED.-HIGH – Blue
2 – MED.-LOW – Yellow |
1467
1252 |
1431
1216 |
1383
1194 |
1332
1169 |
1277
1122 |
1209
1079 |
1137
1011 |
1064
933 |
970
840 |
| 1 – LOW – Red | 1025 | 1022 | 1003 | 986 | 955 | 910 | 862 | 793 | 672 | |
| 4 – HIGH – Black | 1523 | 1496 | 1463 | 1420 | 1369 | 1310 | 1243 | 1172 | 1100 | |
| *DD2B080A9362A | 3 – MED.-HIGH – Blue
2 – MED.-LOW – Yellow |
1317
1123 |
1307
1119 |
1261
1106 |
1260
1082 |
1223
1056 |
1175
1016 |
1122
976 |
1060
930 |
1000
880 |
| 1 – LOW – Red | 942 | 943 | 931 | 920 | 898 | 818 | 833 | 795 | 760 | |
| 4 – HIGH – Black | 1767 | 1731 | 1669 | 1615 | 1546 | 1469 | 1392 | 1300 | 1146 | |
| *DD2B100A9482A | 3 – MED.-HIGH – Blue
2 – MED.-LOW – Yellow |
1382
1130 |
1354
1138 |
1323
1115 |
1292
1085 |
1254
1054 |
1207
1015 |
1177
977 |
1108
938 |
1038
877 |
| 1 – LOW – Red | 840 | 831 | 815 | 792 | 762 | 731 | 700 | 654 | 625 | |
| 4 – HIGH – Black | 1965 | 1915 | 1865 | 1805 | 1740 | 1670 | 1587 | 1500 | 1370 | |
| *DD2C100A9482A | 3 – MED.-HIGH – Blue
2 – MED.-LOW – Yellow |
1645
1407 |
1627
1398 |
1605
1387 |
1575
1375 |
1535
1347 |
1482
1318 |
1421
1275 |
1330
1190 |
1220
1095 |
| 1 – LOW – Red | 1202 | 1208 | 1205 | 1195 | 1166 | 1140 | 1105 | 1045 | 970 | |
| 4 – HIGH – Black | 2165 | 2113 | 2060 | 1995 | 1929 | 1842 | 1755 | 1674 | 1593 | |
| *DD2C100A9602A | 3 – MED.-HIGH – Blue
2 – MED.-LOW – Yellow |
1962
1705 |
1927
1688 |
1891
1671 |
1839
1671 |
1786
1600 |
1724
1547 |
1662
1492 |
1581
1435 |
1500
1377 |
| 1 – LOW – Red | 1492 | 1467 | 1442 | 1442 | 1385 | 1346 | 1307 | 1243 | 1179 | |
| 4 – HIGH – Black | 2241 | 2202 | 2163 | 2106 | 2049 | 1979 | 1908 | 1804 | 1700 | |
| *DD2D120A9602A | 3 – MED.-HIGH – Blue
2 – MED.-LOW – Yellow |
1981
1721 |
1962
1705 |
1942
1688 |
1904
1671 |
1866
1653 |
1805
1611 |
1743
1569 |
1680
1515 |
1617
1461 |
| 1 – LOW – Red | 1476 | 1466 | 1456 | 1440 | 1423 | 1392 | 1361 | 1302 | 1243 | |
| 4 – HIGH – Black | 2377 | 2321 | 2265 | 2199 | 2133 | 2050 | 1967 | 1877 | 1786 | |
| *DD2D140A9602A | 3 – MED.-HIGH – Blue
2 – MED.-LOW – Yellow |
2115
1806 |
2081
1793 |
2046
1779 |
1992
1738 |
1938
1696 |
1872
1655 |
1805
1614 |
1727
1556 |
1649
1497 |
| 1 – LOW – Red | 1527 | 1507 | 1486 | 1473 | 1459 | 1422 | 1384 | 1329 | 1273 | |
| *- First letter may be “A” or “T” | ||||||||||
Electrical Data
AUD2 Schematic Diagrams For Gas Furnaces
ADD2 Schematic Diagrams For Gas Furnaces

Field Wiring

Twinning Field Wiring


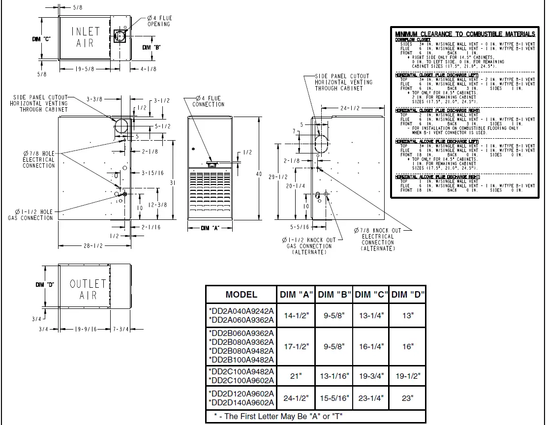
Dimensions

American Standard
- Heating & Air Conditioning
- 6200 Troup Highway
- Tyler, TX 75707
- www.americanstandardair.com



