Contents
OS2527GB BTU Free Standing Electric Stove

Product Information
The product is an electric firebox cassette with a model number of OS2527GB and a part number of 6909560100. The service manual provides important safety information that must be read before attempting to service the cassette. It is important to comply with all warnings and safety instructions contained in the manual to prevent personal injury or property damage. The cassette should only be repaired by a qualified technician or service agency.
The operation of the cassette is controlled by a remote control that includes a flame button, standby button, and heat button. The cassette includes a thermostat control that allows the temperature to be adjusted to individual requirements. The mode selector switch turns on the flame effect, while the flame intensity control adjusts the intensity of the flame and smoke effect.
The cassette also includes a water tank that needs to be refilled when empty. If the heater overheats, an automatic cut out will turn the heater off, and it can be reset by switching the On/Off Switch to Off and waiting for 10 minutes before switching the unit back on. If continuous resetting is required, it is recommended to call Dimplex North America Limited for technical support.
Product Usage Instructions
- Read the service manual before attempting to service the cassette to ensure compliance with all warnings and safety instructions.
- Use a qualified technician or service agency to repair the cassette.
- Properly install the electric firebox before use.
- Ensure that the appliance is in a level position.
- Use the remote control to operate the cassette.
- To adjust the temperature, turn the thermostat control clockwise all the way to turn on the heater. When the room reaches the desired temperature, turn the thermostat knob counter-clockwise until you hear a click. Leave thermostat in this position to maintain the room temperature at this setting. For additional heat, turn clockwise until you hear the click again and the heater will turn on.
- To turn on the flame effect, press the mode selector switch once. This will be indicated by an audible beep. Although the lights turn on immediately it will take 30 seconds before the flame effect starts.
- To adjust the intensity of the flame and smoke effect, use the flame intensity control. Turning the control knob clockwise decreases the intensity of the flame and smoke effect. Turning the control counterclockwise will increase the flame and smoke effect.
Give the flame generator some time to react to changes made on the flame control knob. - Refill the water tank when it is empty. See instructions under Maintenance Section for refilling tank. When this procedure is complete, the main lamps will illuminate, but it will take 30 seconds before the flames return.
- If the heater overheats, switch the On/Off Switch to Off and wait for 10 minutes before switching the unit back on to reset it. If continuous resetting is required, call Dimplex North America Limited for technical support.
Always use a qualified technician or service agency to repair this cassette.
NOTE: Procedures and techniques that are considered important enough to emphasize.
CAUTION: Procedures and techniques which, if not carefully followed, will result in damage to the equipment.
WARNING: Procedures and techniques which, if not carefully followed, will expose the user to the risk of fire, serious injury, or death.
OPERATION

WARNING: This electric firebox must be properly in-stalled before it is used.
NOTE: When the unit is used in an environment where background noise is very low, it may be possible to hear a sound which is related to the operation of the flame effect. This is normal and should not be a cause for concern.
NOTE: Always ensure that the appliance is in a level position.
The manual controls for the unit are located below the control cover in front of the log grate (Figure 1).
- A. On/Off Switch Supplies power to the unit.
- B. Thermostat Control
To adjust the temperature to your individual requirements, turn the thermostat control clockwise all the way to turn on the heater. When the room reaches the desired tempera-ture, turn the thermostat knob counter-clockwise until you hear a click. Leave thermostat in this position to maintain the room temperature at this setting. For additional heat, turn clockwise until you hear the click again and the heater will turn on. - C. Mode Selector Switch
- Press once to turn on the flame effect. This will be indicated by an audible “beep”. Although the lights turn on immediately it will take 30 seconds before the flame effect starts.
- Press again to give flame effect and full heat. This will be indicated by two “beeps”.
- Press again to return to flame effect only. This will be indicated by one “beep”.
- Press to put fire in to standby mode. This will be indicated by one “beep”.

- Flame Intensity Control
Adjusts the intensity of the flame and smoke effect when the heater has been activated.
Turning the control knob clockwise decreases the intensity of the flame and smoke effect. Turning the control counter-clockwise will increase the flame and smoke effect.
NOTE: Give the flame generator some time to react to changes you may make on the flame control knob.
NOTE: When the water tank is empty the unit will turn off after 30 seconds. See instructions under Maintenance Section for refilling tank. When this procedure is complete, the main lamps will illuminate but it will take 30 seconds before the flames return.
Resetting the Temperature Cutoff Switch
Should the heater overheat, an automatic cut out will turn the heater off and it will not come back on without being reset. It can be reset by switching the On/ Off Switch to Off and waiting 10 minutes before switching the unit back on.
CAUTION: If you need to continuously reset the heater, unplug the unit and call Dimplex North America Limited at 1-888-346-7539 for technical support. Please have your model and serial number ready when calling.
Remote Control
The On/Off Switch must be in the ‘ON’ ( I ) position in order for the remote control to operate (Figure 5A). There are 3 buttons on the remote control. (Figure 2)
NOTE: To operate correctly the remote control must be pointed towards the remote control sensor. The remote control functions are as follows:
Press once to turn on Flame effect only. This will be indicated by one beep.
Press once to turn on Full heat and Flame effect. This will be indicated by two beeps.
Standby – This will be indicated by one beep.
NOTE: Once the mist has been activated, the unit will have to be turned Off, using either the momentary button, on the unit, or the Off button on the remote control, then back on to return to Level 1 – Flame Effect
Battery Replacement
To replace the battery:
- Slide battery cover open on the remote control (Figure 6).
- Install two 1.5 Volt (AAA) battery in the battery holder.
- Close the battery cover.
Battery must be recycled or disposed of properly. Check with your Local Authority or Retailer for recy-cling advice in your area.
Servicing
Except for installation and cleaning described in this manual, an authorized service representative should perform any other servicing.
NOTE: When transporting or storing the unit and cord, keep in a dry place, free from excessive vibration and store so as to avoid damage.
MAINTENANCE
WARNING: Disconnect power before attempting any maintenance or cleaning to reduce the risk of fire, elec-tric shock or damage to persons.
Filling the water tank
When the water tank is empty, the flame effect shuts off and you will hear 2 audible beeps, follow these steps.
CAUTION: Allow at least five minutes for components to cool before disassembling the unit to refill.
- Turn the On/Off switch to the off position (0) (Figure 1)
- Gently remove the log set and place it carefully on the ground.
- Remove the refill container by lifting upwards and outwards.
- Refill the container with tap water.
NOTE: Normal tap water can be used in the Opti-myst® as long as the tap water is not considered to be hard water. In the event your tap water is hard, you may use softened water or distilled water with 1/8 tsp. of salt (0.5 mL) added to the water reservoir. (The addition of additional salt should only be when you notice that the unit is not producing mist as expected.) - Screw the cap back on, do not overtighten.
- Return the refill container to the sump, with the tank cap facing down and the flat side of the tank facing outward.
- Gently place the log set back into position.
- Turn the On/Off switch to the off position (I). (Figure 1)
If you do not intend on using the unit for longer than 2 weeks, empty and drain the unit of water, and dry all of the water containing components.
Replacing the Light bulbs
If a large amount of the smoke appears grey or colourless it may be that one or more of the light bulbs have burnt out.
CAUTION: Allow at least twenty minutes for light bulbs to cool before touching bulbs to avoid accidental burning of skin.
- Leaving the flame effect on, remove the log set and water tank and lift out the top cover (Figure 3).
- View the lamps from a distance in front of the fire and observe which lamp needs to be changed.
- Turn the unit off, and unplug the unit.
- Leave the appliance for 20 minutes to allow the lamps to cool down before removing them.
- Remove the defective bulb, by gently lifting vertically and disengaging the pins from the lamp holder.
NOTE: Replacement light bulbs can be obtained by contacting Dimplex Customer Service at 1-888-346-7539. - Carefully insert the two pins of the new bulb into the two holes in the lamp holder. Push lamp firmly in place.
- Replace the top cover, refill container and log set.
Cleaning
It is recommended that all of the components that contain water are cleaned with soap and water on a biweekly ba-sis. A small brush has been included to assist in cleaning difficult items/areas, i.e. the transducer.
CAUTION: Do not put plastic components in the dish-washer.
Filter Cleaning
The air filter can be removed and gently rinsed with water to clean and dried on a towel before reinstalling.
NOTE: Replace the filter so that the course black filter is facing the front of the unit.
Surface Cleaning
Use a warm damp cloth only to clean surfaces of the unit. Do not use abrasive cleaners.
NOTE: If you need to move the unit ensure that all of the components that contain water have been emptied be-fore relocating.

EXPLODED PARTS DIAGRAM

REPLACEMENT PARTS LIST
- Remote Control. . . . . . . . . . . . . . . . . . .9600385600RP
- Remote Control Receiver. . . . . . . . . . .9600580100RP
- Log Set Assembly – DFI400LH. . . . . . .9600720100RP
- Light Holder Assembly . . . . . . . . . . . . .9600610200RP
- Removable Refill Container with Cap. 0441440100RP
- Cap for Refill Container. . . . . . . . . . . . 0441440300RP
- Top Cover Assembly. . . . . . . . . . . . . . . 9600670100RP
- Water Tank . . . . . . . . . . . . . . . . . . . . . 0441380100RP
- Fan Assembly . . . . . . . . . . . . . . . . . . . 5300300100RP
- Fan Housing Assembly . . . . . . . . . . . . 9600540100RP
- Fan Filter. . . . . . . . . . . . . . . . . . . . . . . 8600300100RP
- Transducer. . . . . . . . . . . . . . . . . . . . . .3800040100RP
- Power Cord . . . . . . . . . . . . . . . . . . . . . 9600740100RP
- Receptacle Cord . . . . . . . . . . . . . . . . . 9600780100RP
- On/Off Switch. . . . . . . . . . . . . . . . . . . .9600383500RP
- 3-Position Switch . . . . . . . . . . . . . . . . .9600383600RP
- Transformers. . . . . . . . . . . . . . . . . . . . 9600690100RP
- Potentiometer. . . . . . . . . . . . . . . . . . . .9600640100RP
- Thermostat Assembly . . . . . . . . . . . . . 9600620100RP
- Control Knob . . . . . . . . . . . . . . . . . . . . 9600630200RP
- Power Board . . . . . . . . . . . . . . . . . . . . 9600590100RP
- IR Receiver with Lens . . . . . . . . . . . . . 9600600200RP
- Light Bulbs (Package of 4). . . . . . . . . . X-9600570000
- Fuse Holder . . . . . . . . . . . . . . . . . . . . .9600790100RP
- Fuse . . . . . . . . . . . . . . . . . . . . . . . . . . .9600790200RP
- Heater Assembly. . . . . . . . . . . . . . . . . 2200490900RP
- Stove Doors . . . . . . . . . . . . . . . . . . . . .9601470100RP
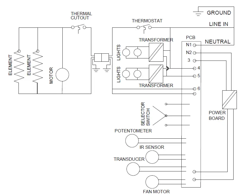
WIRING DIAGRAM
REMOTE CONTROL RECEIVER
REPLACEMENT
- Tools Required: Phillips head screwdriver
Flat Head Screwdriver
- WARNING: Disconnect power before attempting any maintenance to reduce the risk of electric shock or damage to persons.
- NOTE: Ensure that all of the components that contain water have been emptied before performing any maintenance.
- Disconnect and remove the log set from the unit and put it in a safe place.
- From the front of the unit, remove the top cover and the water tank from the inside of the unit. (Figure 3)
- Inside of the unit remove the two screws that secure the cassette assembly to the chassis.
- Lift the cassette assembly out of the unit.
Remove the 4 screws that secure the front grill to the cassette housing. (Figure 4)
Remove the 4 screws around the remote control re-ceiver attaching it to the unit. - Transfer the wire connectors from the terminals on the original board to the same location on the replacement board.
NOTE: Use a flat head screwdriver to gently pry between the end of the connector and the remote control receiver to release the wires. - Re-assemble the remainder of the cassette in reverse order from the instructions above.
POWER BOARD REPLACEMENT
- Tools Required: Phillips head screwdriver
Flat Head Screwdriver - WARNING: Disconnect power before attempting any maintenance to reduce the risk of electric shock or damage to persons.
- NOTE: Ensure that all of the components that contain water have been emptied before performing any maintenance.
- Disconnect and remove the log set from the unit and put it in a safe place.
- From the front of the unit, remove the top cover and the water tank from the inside of the unit. (Figure 3)
- Inside of the unit remove the two screws that secure the cassette assembly to the chassis.
- Lift the cassette assembly out of the unit.
- Remove the 4 screws that secure the front grill to the cassette housing. (Figure 4)
- Remove the 4 screws around the power board attaching it to the unit.
- Transfer the wire connectors from the terminals on the original board to the same location on the replacement board.

NOTE:Use a flat head screwdriver to gently pry between the end of the connector and the remote control receiver to release the wires. - Re-assemble the remainder of the cassette in reverse order from the instructions above.
TRANSFORMER REPLACEMENT
- Tools Required: Phillips head screwdriver
Flat Head Screwdriver
WARNING: Disconnect power before attempting any maintenance to reduce the risk of electric shock or damage to persons.
NOTE: Ensure that all of the components that contain water have been emptied before performing any maintenance.
- Disconnect and remove the log set from the unit and put it in a safe place.
- From the front of the unit, remove the top cover and the water tank from the inside of the unit. (Figure 3)
- Inside of the unit remove the two screws that secure the cassette assembly to the chassis.
- Lift the cassette assembly out of the unit.
- Remove the 4 screws that secure the front grill to the cassette housing. (Figure 4)
- Remove the screws that secure the transformer to the unit.
- Transfer the wire connectors from the terminals on the original board to the same location on the replacement board.
NOTE: Use a flat head screwdriver to gently pry between the end of the connector and the remote control receiver to release the wires. - Re-assemble the remainder of the cassette in reverse order from the instructions above.
SWITCH REPLACEMENT
- Tools Required: Phillips head screwdriver
Flat Head Screwdriver
WARNING: Disconnect power before attempting any maintenance to reduce the risk of electric shock or damage to persons.
NOTE: Ensure that all of the components that contain water have been emptied before performing any maintenance.
- Disconnect and remove the log set from the unit and put it in a safe place.
- Remove the 4 screws that secure the front grill to the cassette housing. (Figure 4)
- Locate the defective switch and disconnect the wiring connections noting their original locations.
NOTE: A flat head screwdriver can be used to gently pry between the end of the connector and the switch to release the wires. - Depress the retainer clips on the rear of the switch and push the switch out through the opening.
- Properly orient and insert the new switch and connect all of the wiring.
- Re-assemble the remainder of the cassette in reverse order from the instructions above.
THERMOSTAT REPLACEMENT
- Tools Required: Phillips head screwdriver
- Flat Head Screwdriver
WARNING: Disconnect power before attempting any maintenance to reduce the risk of electric shock or damage to persons.
NOTE: Ensure that all of the components that contain water have been emptied before performing any maintenance.
- Disconnect and remove the log set from the unit and put it in a safe place.
- From the front of the unit, remove the top cover and the water tank from the inside of the unit. (Figure 3)
- Inside of the unit remove the two screws that secure the cassette assembly to the chassis.
- Lift the cassette assembly out of the unit.
- Remove the 4 screws that secure the front grill to the cassette housing. (Figure 4)
- Remove the knob off of the thermostat, by gently lifting the bottom forward and pulling down.
- Depress the retainer clips on either side of the thermo-stat to slide it out of the assembly.
- Disconnect the wiring connections noting their original locations.
NOTE: A flat head screwdriver can be used to gently pry between the end of the connector and the switch to release the wires. - Install the knob onto the new thermostat and slide the thermostat back into the assembly ensuring that it has “clicked” into place.
- Re-assemble the remainder of the cassette in reverse order from the instructions above.
POTENTIOMETER REPLACEMENT
- Tools Required: Phillips head screwdriver
POTENTIOMETER REPLACEMENT
- Tools Required: Phillips head screwdriver
WARNING: Disconnect power before attempting any maintenance to reduce the risk of electric shock or damage to persons.
NOTE: Ensure that all of the components that contain water have been emptied before performing any maintenance.
- Disconnect and remove the log set from the unit and put it in a safe place.
- From the front of the unit, remove the top cover and the water tank from the inside of the unit. (Figure 3)
- Inside of the unit remove the two screws that secure the cassette assembly to the chassis.
- Lift the cassette assembly out of the unit.
- Remove the 4 screws that secure the front grill to the cassette housing. (Figure 4)
- Turn the unit so that the underside of the potentiometer can be seen.
- Loosen the securing nut, to allow the potentiometers slide out.
- Disconnect the wiring connections noting their original locations.
NOTE: A flat head screwdriver can be used to gently pry between the end of the connector and the switch to release the wires. - Slide the potentiometer back into the assembly and tighten the securing nut.
- Re-assemble the remainder of the cassette in reverse order from the instructions above.
POWER CORD / RECEPTACLE
REPLACEMENT
- Tools Required: Phillips head screwdriver
Flat head screwdriver
- WARNING: Disconnect power before attempting any maintenance to reduce the risk of electric shock or damage to persons.
- NOTE: Ensure that all of the components that contain water have been emptied before performing any maintenance.
- Disconnect and remove the log set from the unit and put it in a safe place.
- Remove the back panel off of the unit, there are 9 screws around the outside and 2 near the bottom middle.
- From the front of the unit, remove the top cover and the water tank from the inside of the unit. (Figure 3)
- Inside of the unit remove the two screws that secure the cassette assembly to the chassis.
- Lift the cassette assembly out of the unit.
- Remove the 4 screws that secure the front grill to the cassette housing. (Figure 4)
- Locate the cord and disconnect the wiring connections noting their original locations.
NOTE: A flat head screwdriver can be used to gently pry between the end of the connector and the switch to release the wires. - Remove the two screws that attach the cord strain relief grommet from inside the back of the bottom panel and release the cord.
- Install the new cord.
- Reassemble in the reverse order as above.
FUSE / FUSE ASSEMBLY REPLACEMENT
- Tools Required: Flat head screwdriver
- WARNING: Disconnect power before attempting any maintenance to reduce the risk of electric shock or damage to persons.
- NOTE: Ensure that all of the components that contain water have been emptied before performing any maintenance.
- Disconnect and remove the log set from the unit and put it in a safe place.
- From the front of the unit, remove the top cover and the water tank from the inside of the unit. (Figure 3)
- Inside of the unit remove the two screws that secure the cassette assembly to the chassis.
- Lift the cassette assembly out of the unit.
Remove the 4 screws that secure the front grill to the cassette housing. (Figure 4)
Remove the 4 screws that secure the front grill to the cassette housing. (Figure 4) - Locate the fuse assembly located on the bottom the unit and using the flat head screwdriver remove the assembly.
- Replace the fuse and the fuse assembly.
NOTE: The unit will not need to be disassembled to replace the fuse only. - Reassemble in the reverse order as above.
LIGHT ASSEMBLY REPLACEMENT
Tools Required: Phillips head screwdriver
Flat Head Screwdriver
- WARNING: Disconnect power before attempting any maintenance to reduce the risk of electric shock or damage to persons.
- NOTE: Ensure that all of the components that contain water have been emptied before performing any maintenance.
- Disconnect and remove the log set from the unit and put it in a safe place.
- From the front of the unit, remove the top cover and the water tank from the inside of the unit. (Figure 3)

- Inside of the unit remove the two screws that secure the cassette assembly to the chassis.
- Lift the cassette assembly out of the unit.
- Turn the unit turned upside down, remove the 2 screws that hold the light assembly to the unit. (Figure 5)
- Remove the light assembly and replace with the new light assembly.
- Reattach the wire onto the new light assembly.
- Re-assemble the remainder of the cassette in reverse order from the instructions above.
FAN ASSEMBLY REPLACEMENT
Fan Motor and Fan Housing
- Tools Required: Phillips head screwdriver
Flat Head Screwdriver
- WARNING: Disconnect power before attempting any maintenance to reduce the risk of electric shock or damage to persons.
- NOTE: Ensure that all of the components that contain water have been emptied before performing any maintenance.
- Disconnect and remove the log set from the unit and put it in a safe place.
- From the front of the unit, remove the top cover and the water tank from the inside of the unit. (Figure 3)
- Inside of the unit remove the two screws that secure the cassette assembly to the chassis.
- Lift the cassette assembly out of the unit.
- Remove the 3 screws that hold the cover onto the fan housing. (Figure 6)
- Remove the fan motor out of the housing and disconnect the wiring connection located near the bottom of the housing.
- If replacing only the motor, attach new motor and reas
- semble the remainder of the cassette in revers order from the instructions above.
If replacing the housing, remove the 3 screws attaching the base to the cassette. (Figure 6)- Attach new fan housing base to the cassette.
- Transfer the filter from the old housing to the new housing.
- Reinstall the fan motor and reconnect the wire.
- Re-assemble the remainder of the cassette in reverse order from the instructions above.
HEATER ASSEMBLY REPLACEMENT
- Tools Required: Phillips head screwdriver
Flat head screwdriver
- WARNING: Disconnect power before attempting any maintenance to reduce the risk of electric shock or damage to persons.
- NOTE: Ensure that all of the components that contain water have been emptied before performing any maintenance.
- Disconnect and remove the log set from the unit and put it in a safe place.
- Lay the unit on it’s back to access the heater assembly area.
- Remove the 4 screws that secure the assembly to the stove. (Figure 7)
- Allow the assembly to separate from the stove by gen-tly pulling the cord out of the opening in the bottom of the stove.
- Remove the 2 screws on the top of the assembly, 2 on the bottom on either side and 2 on either side of the heater outlet.
- Set the top panel up against the bottom of the stove.

- On the bottom of the heater assembly remove the 4 screws around the inlet of the heater, to release the heater assembly.
- Slide the heater assembly backwards to remove it out of the assembly.
- Transfer the wiring connections from the old assembly to the new assembly.
NOTE: A flat head screwdriver can be used to gently pry between the end of the connector and the switch to release the wires. - Slide the heater assembly back into the assembly and re-assemble the remainder of the cassette in reverse order from the instructions above.
TROUBLESHOOTING GUIDE
| PROBLEM | CAUSE | SOLUTION | |
| General | |||
| Unpleasant smell when unit is used. | Dirty or stale water. | Clean the unit as described under maintenance. | |
| Appearance | |||
| Fireplace does not turn on Manu- ally | Improper operation | Refer to Operation Section | |
| No incoming voltage from the electrical wall socket | Check Fuse/Breaker Panel | ||
| Defective 3 Position Switch | Replace 3 Position switch | ||
| Fireplace does not turn on with the Remote Control | Improper operation | Refer to Operation Section | |
| The batteries in the remote control are dead. | Install new battery into the remote control | ||
| Defective remote control | Replace Remote Control | ||
| Defective remote control receiver | Replace remote control receive | ||
| Defective IR sensor | Replace IR sensor | ||
| The flame effect will not start | Switch A is in the ‘ON’ (I) position, but mode Switch B has not been pressed. | Press Switch B once for flame effect. | |
| Low water level. | Check the water tank is full and there is water in the sump. | ||
| Water in unit is too cold | Allow water to warm to room temperature. | ||
| If using distilled or reverse osmosis water, unit will not produce a consistent mist | Add 1/8 tsp. of table salt to water reservoir to introduce electrolytes, only repeat when mist is not being produced correctly | ||
| Check that the fan is operating correctly | Replace fan assembly | ||
| Ensure that the air filter is clean and dry | |||
| Cord is located over emitter on transducer | Relocate cord so that mist is free to rise off of
transducer. |
||
| Defective Transducer | Replace Transducer | ||
| The flame effect is too low. | Flame effect control knob is set too low. | Increase level of flame by turning Control knob
C to the left slowly. |
|
| The flame effect has too much smoke. | Flame effect setting is too high. | Turn the flame effect Control knob “C” to the right until it is at minimum and slowly turn to the left, about ¼ a turn, at a time. Give the flame generator some time to adjust before increas- ing. | |
| Mist is not coming out and the red
light by the transducer is not on |
The cord from the power board is not working | Ensure that the cord is not pinched. | |
| Ensure that the cord is fully inserted into the connection on the power board. | |||
| Mist is coming out fast | Filter is missing off of Fan Housing | Replace Fan Filter | |
| Mist does not appear to be com- ing out evenly | Unit is not level | Level unit | |
| Media is blocking air flow | Rearrange media | ||
| A light bulb is burnt out | Replace light bulb | ||
| Heater | |||
| Heater is not turning off | Improper Operation | Refer to Operation Section | |
| Defective Thermostat | Replace Thermostat | ||
| Heater is not turning on | Improper Operation | Refer to Operation Section | |
| Defective Thermostat | Replace Thermostat | ||
| Heater has blown fuse in cord | Replace Fuse | ||
| Heater is turning off after a couple
of minutes of operation |
Build up of dirt/dust in Heater Assembly | Ensure that exterior intake louvers and housing cavity are free of dirt/dust. | |
| Defective Heater Assembly | Replace Heater Assembly | ||
| Heater emits an odor | Normal Operation | Normal operation is when the heater emits an odor for a brief period after the heater is initially turned on. The heater is burning off any dust accumulated during manufacturing or operation. | |
| Defective Heater Assembly | Replace Heater Assembly | ||
