Contents
fischer EA II Hammerset Anchor
Product Information
| Product Name | Hammerset anchor EA II |
|---|---|
| Description | The internally threaded anchor with rim for simple hammerset installation |
| Certificates | ETA-07/0135, for non-cracked concrete ETA-07/0142, for non-structural applications in concrete Fire resistance classification R120 |
| Advantages | – Suitable for pipelines and sprinklers – Available in zinc-plated stainless steel and steel versions – Easy hammerset installation – Can be used with various building materials |
| Versions | – Zinc-plated – Stainless steel – Steel |
| Functioning | The Hammerset anchor EA II is internally threaded and has a rim for simple hammerset installation. It provides secure anchorage in concrete and can be used for various applications such as pipelines and sprinklers. |
Product Usage Instructions
- Select the appropriate Hammerset anchor EA II size based on the required drill hole diameter and depth. Refer to the technical data table for the available sizes.
- Prepare the drill hole in the concrete according to the specified diameter and depth.
- Insert the Hammerset anchor EA II into the drill hole, ensuring that it is fully inserted and aligned properly.
- Use a hammer to strike the anchor firmly, driving it into the concrete until it is securely set.
- Repeat the above steps for each anchor installation as required.
Applications
- Pipelines and ventilation ducts
- Sprinkler systems
- Cable conduits and wires
- Gratings
- Steel constructions
- Machines
- Consoles
- Shuttering props
- Diamond or core drilling devices (EA II M12 D)
Certificates
Advantages
- The embossed rim prevents the anchor sleeve from slipping, thus ensuring a trouble-free hammerset installation.
- The metric internal thread means that it is possible to use standard screws or threaded rods for the ideal adaptation to suit the intended use.
- The EMS machine setting tool allows for effortless installation, particularly in the case of series installations.
- The embossing that is applied when

Building materials
Approved for
- Concrete C20/25 to C50/60, cracked, for the multiple fixings of non-load-bear-ing systems
- Concrete C20/25 to C50/60, non-cracked
Also suitable for
- Concrete C12/15
- Natural stone with dense structure
Versions
- Zinc-plated steel
- Stainless steel R expanding with the EHS Plus setting tool offers a simple control of the anchoring and provides increased safety.
- Fixing point at hef 25 mm prevents anchor of falling out of the drill hole before being expanded.
- The black fixing point prevents the anchor from falling out of the drill hole during overhead installation.

Functioning
- The EA II is suitable for pre-positioned installation.
- Position the hammerset anchor in the drill hole and drive in flush to the surface of the anchor base using the hammer.
- The sleeve is then expanded by driving in the internal bolt with the EHS Plus setting tool (alternative: EMS machine setting tool), and expanded against the drill hole wall.
- The setting tools must sit on the rim of the anchor to ensure correct expansion.
- Use the special EA II M12 x 50 D / EA M 12 x 50 N D with thicker sleeve for fixing diamond and core drilling devices.
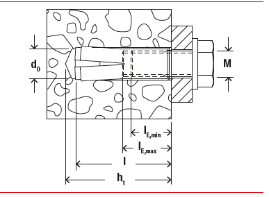
Installation EA II

Technical data
Hammerset anchor EA II
Hammerset anchor EA II D
Stop drill EBB
Machine setting tool EMS
Setting tool EMS Plus
Loads
Hammerset anchor EA II
Permissible loads of a single anchor¹ in normal concrete of strength class C20/25. For the design the complete current assessment ETA-07/0135 has to be considered.
- Design according to EN 1992-4:2018 (for static resp. quasi-static loads). The partial safety factors for material resistance as regulated in the ETA, as well as a partial safety factor for load actions of γL = 1.4, are considered. As a single anchor counts e.g. an anchor with a spacing s ¦ 3 x hef and an edge distance c ¦ 1.5 x hef. Accurate data see ETA.
- For technical data on steel grade and variants, see ETA.
- In the case of combinations of tension and shear loads, bending moments with reduced or minimum spacing and edge distances (anchor groups), the design must be carried out in accordance with the provisions of the complete ETA and the provisions of the EN 1992-4:2018. We recommend using our anchor design software C-FIX.
Permissible loads for a single anchor¹ for multiple use of redundant non-structural applications* in normal concrete C20/25 up to C50/60. For the design the complete current assessment ETA-07/0142 has to be considered.
- In addition to the load table above, the following must be considered for multiple fastening of non-structural redundant systems:
- A multiple fixing (redundant system) according to EN 1992-4 and CEN/TR 17079 is defined by
- at least 3 fixing points (per attached element) with at least one anchor at each fixing point and a permissible load per fixing point of 1.4 kN
- or by at least 4 fixing points with at least one anchor each fixing point and a permissible load per fixing point of 2.1 kN
- Additionally, it has to be proven that the stiffness of the attached element shall be large enough to ensure that in case of excessive slip or failure of a fastener the load on this fastener ªªªor fixing point can be transferred to neighbouring fixing points without significantly violating the requirements on the attached element in the serviceability and ultimate limit state. For further details see EN 1992-4 section 7.3 and CEN/TR 17079.
- Design according to EN 1992-4:2018 (for static resp. quasi-static loads). The partial safety factors for material resistance as regulated in the ETA, as well as a partial safety factor for load actions of γL = 1.4, are considered.
- For details of steel grade, variants and further concrete classes, see ETA.
- Minimum possible member thickness while increasing the spacing and edge distances at the same time. The combination of minimum spacing and edge distances with the minimum member thickness is not possible. Exact data see ETA.
- Valid for tensile load, shear load and oblique load under any angle. In the case of combinations of tensile, shear loads and bending moments, the design must be carried out in accordance with the provisions of the complete ETA and the provisions of the EN 1992-4:2018.

